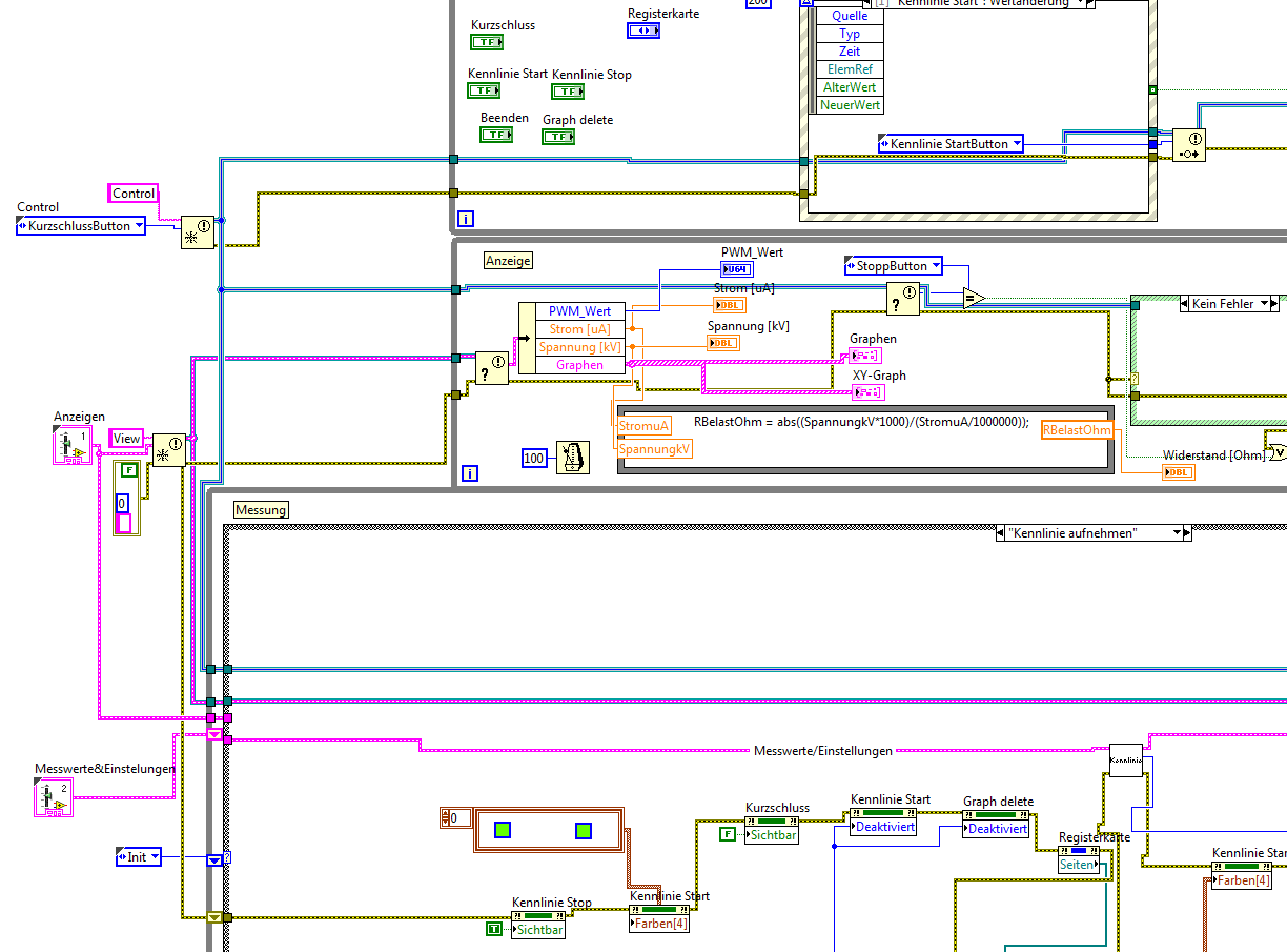
Übersichtliches Programmieren LabVIEW |
Wenn dein Problem oder deine Frage geklärt worden ist, markiere den Beitrag als "Lösung",
indem du auf den "Lösung" Button rechts unter dem entsprechenden Beitrag klickst. Vielen Dank!
| 30
|
|
|
| Möglicherweise verwandte Themen... | |||||
| Themen | Verfasser | Antworten | Views | Letzter Beitrag | |
| Programmieren im Formelknoten | DrHoas | 9 | 15.129 |
26.06.2021 23:22 Letzter Beitrag: Martin.Henz |
|
| Tic Tac Toe Programmieren | OenerSer | 3 | 4.224 |
11.05.2021 09:26 Letzter Beitrag: OenerSer |
|
| Labview Memory Programmieren | OenerSer | 5 | 5.532 |
27.04.2021 13:05 Letzter Beitrag: GerdW |
|
| Statemachine programmieren… | Granit | 8 | 13.205 |
30.04.2017 16:42 Letzter Beitrag: Granit |
|
| Automatischen Ablauf programmieren | Freaky29 | 3 | 6.225 |
03.02.2015 11:27 Letzter Beitrag: Freaky29 |
|
| Rechtecksignal/Sägezahnsignal programmieren | Jacky11 | 5 | 8.411 |
12.03.2014 13:43 Letzter Beitrag: GerdW |
|






