Hallo zusammen,
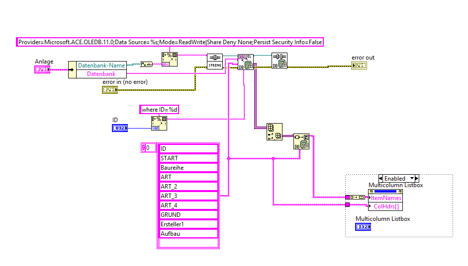
ich habe ein VI geschrieben, um aus einer Access-Datenbank mithilfe einer ID-Nummer zu lesen. Dabei erscheint folgende Fehlermeldung:
NI_Database_API.lvlib

B Tools Open Connec (String).vi->Database_GetID_Test.vi<ERR>ADO Error: 0x800A0E7A
Exception occured in ADODB.Connection: Der Provider kann nicht gefunden werden. Möglicherweise ist er nicht richtig installiert worden.Help Path is C:\Windows\HELP\ADO270.CHM and context 1240655 in NI_Database_API.lvlib

B Tools Open Connec (String).vi->Database_GetID_Test.vi
Es scheint Probleme mit dem Provider zu geben? Ich glaube das könnte daran liegen, da ich hierbei mit unterschiedlichen Architekturen arbeite: Labview (32-Bit) und Access DB (64-Bit)
Wie schaffe ich es dennoch, aus der DB zu lesen?