INFO: Dieses Forum nutzt Cookies...
Cookies sind für den Betrieb des Forums unverzichtbar. Mit der Nutzung des Forums erklärst Du dich damit einverstanden, dass wir Cookies verwenden.

Es wird in jedem Fall ein Cookie gesetzt um diesen Hinweis nicht mehr zu erhalten. Desweiteren setzen wir Google Adsense und Google Analytics ein.


Antwort schreiben 

Dieses Thema hat akzeptierte Lösungen:

Mittelwertbildung von Array aus Signalverläufen



Wenn dein Problem oder deine Frage geklärt worden ist, markiere den Beitrag als "Lösung",
indem du auf den "Lösung" Button rechts unter dem entsprechenden Beitrag klickst. Vielen Dank!

15.11.2017, 08:52
Beitrag #1

LichterLichtus Offline
LVF-Grünschnabel
*


Beiträge: 17
Registriert seit: Sep 2016

2015
2014
DE


Deutschland
Mittelwertbildung von Array aus Signalverläufen
Hallo zusammen,

ich weiß, es gibt etliche Mittelwert-Beiträge. Ich hab zu meinem speziellen Problem aber nichts gefunden.
Ich will den fließenden Mittelwert aus mehreren Signalverläufen erhalten. Die Signalverläufe sind in einem Array.
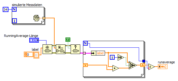
Bis jetzt mache ich das so: Siehe Bild

   

Das muss doch einfacher gehen.
Hat jemand einen Tipp dazu?

Schönen Gruß
LichterLichtus
Alle Beiträge dieses Benutzers finden
Diese Nachricht in einer Antwort zitieren to top
Anzeige
15.11.2017, 09:03 (Dieser Beitrag wurde zuletzt bearbeitet: 15.11.2017 09:04 von GerdW.)
Beitrag #2

GerdW Offline
______________
LVF-Team

Beiträge: 17.529
Registriert seit: May 2009

LV2019 (LV2021)
1995
DE_EN

10×××
Deutschland
RE: Mittelwertbildung von Array aus Signalverläufen
Hallo Lichtus,

Zitat:Ich hab zu meinem speziellen Problem aber nichts gefunden.
Was genau ist denn dein "spezielles" Problem?

Zitat:Ich will den fließenden Mittelwert aus mehreren Signalverläufen erhalten. Die Signalverläufe sind in einem Array.
Bis jetzt mache ich das so: Siehe Bild
- Warum ist das Bild so blass? Warum hast du kein VI angehangen?
- Warum bestimmst du den Median aus den Messwerten, wenn du eigentlich (lt. Kommentar im Bild) den Mittelwert haben willst?
- Warum wird dann der Median (recht aufwändig) nochmal fließend gemittelt?
- Wieso muss man (Mess-)Daten auf 3 Nachkommastellen runden? (Macht man sowas nicht eher beim Speichern der Daten?)

Alle Beiträge dieses Benutzers finden
Diese Nachricht in einer Antwort zitieren to top
15.11.2017, 10:56
Beitrag #3

LichterLichtus Offline
LVF-Grünschnabel
*


Beiträge: 17
Registriert seit: Sep 2016

2015
2014
DE


Deutschland
RE: Mittelwertbildung von Array aus Signalverläufen
Hallo Gerd,

Zitat:Was genau ist denn dein "spezielles" Problem?
Das ich alle Signalverläufe einzeln mit der Funktion Mittelwertbildung Pt by Pt verbinden muss. For Schleife funktioniert nicht.


Zitat:- Warum ist das Bild so blass? Warum hast du kein VI angehangen?
Weil LV abgestürzt ist, als ich Bearbeiten>Bild in Zwischenablage geklickt hab.
Das Bild zeigt meiner Meinung nach schon das Problem: Die Inplace Struktur mit sehr vielen Verbindungen.

Zitat:- Warum bestimmst du den Median aus den Messwerten, wenn du eigentlich (lt. Kommentar im Bild) den Mittelwert haben willst?
um aus dem Array(der sich im Signalverlauf befindet) einen Einzelwert zu bekommen. Das ist nicht mein Problem.

Zitat:- Warum wird dann der Median (recht aufwändig) nochmal fließend gemittelt?
Das ist mein Problem. Hier wird der Median(aus dem Signalverlaufs-Array) zur Glättung mit der Funktion Mittelwertbildung Pt by Pt behandelt. Es ist recht aufwändig. Ich würde es gerne einfacher machen. Aber wie?

Zitat:- Wieso muss man (Mess-)Daten auf 3 Nachkommastellen runden? (Macht man sowas nicht eher beim Speichern der Daten?)
Weil höhere Genauigkeit nicht nötig ist.
Alle Beiträge dieses Benutzers finden
Diese Nachricht in einer Antwort zitieren to top
15.11.2017, 11:19
Beitrag #4

GerdW Offline
______________
LVF-Team

Beiträge: 17.529
Registriert seit: May 2009

LV2019 (LV2021)
1995
DE_EN

10×××
Deutschland
RE: Mittelwertbildung von Array aus Signalverläufen
Hallo Lichtus,

Zitat:Ich würde es gerne einfacher machen. Aber wie?
Eine Möglichkeit würde über eine längenbegrenzte Queue laufen:
   
(Prinzipskizze…)

Zitat:Weil höhere Genauigkeit nicht nötig ist.
Deine Daten belegen haben weiterhin exakt den gleichen Speicherbedarf - du hast nur für weitere Ungenauigkeit gesorgt! (Stichwort: "Rechengenauigkeit von Floatingpoint-Zahlen")
Welchen Sinn hat es, Messdaten künstlich zu verkrüppeln?
Wenn du in einer Anzeige nur 3 Nachkommastellen sehen willst, kannst du deren Format so einstellen.
Wenn du Messdaten nur mit 3 Nachkommastellen speichern willst, kannst du das beim Speichern erledigen.
(Ist nicht wirklich wichtig, aber ich würde das gern verstehen.)

Alle Beiträge dieses Benutzers finden
Diese Nachricht in einer Antwort zitieren to top
15.11.2017, 13:19
Beitrag #5

LichterLichtus Offline
LVF-Grünschnabel
*


Beiträge: 17
Registriert seit: Sep 2016

2015
2014
DE


Deutschland
RE: Mittelwertbildung von Array aus Signalverläufen
Hallo Gerd

Zitat:Eine Möglichkeit würde über eine längenbegrenzte Queue laufen:

(Prinzipskizze…)
Das funktioniert, man darf aber die Queue nur einmal anfordern. Wirklich einfacher ist es aber auch nicht geworden, nur kleiner.

Zitat:Deine Daten belegen haben weiterhin exakt den gleichen Speicherbedarf - du hast nur für weitere Ungenauigkeit gesorgt! (Stichwort: "Rechengenauigkeit von Floatingpoint-Zahlen")
Welchen Sinn hat es, Messdaten künstlich zu verkrüppeln?
Wenn du in einer Anzeige nur 3 Nachkommastellen sehen willst, kannst du deren Format so einstellen.
Wenn du Messdaten nur mit 3 Nachkommastellen speichern willst, kannst du das beim Speichern erledigen.
(Ist nicht wirklich wichtig, aber ich würde das gern verstehen.)

Da hast du vollkommen recht. Das ist unsauber.
Beim speichern will ich es aber auch nicht machen, da das Softwaremodul, welches das Speichern übernimmt von vielen Anwendungen genutzt wird.

Danke
Alle Beiträge dieses Benutzers finden
Diese Nachricht in einer Antwort zitieren to top
15.11.2017, 14:05
Beitrag #6

GerdW Offline
______________
LVF-Team

Beiträge: 17.529
Registriert seit: May 2009

LV2019 (LV2021)
1995
DE_EN

10×××
Deutschland
RE: Mittelwertbildung von Array aus Signalverläufen

Akzeptierte Lösung

Hallo Lichtus,

Zitat:man darf aber die Queue nur einmal anfordern.
Wozu willst du sie öfter anfordern?
Du willst an einer Stelle den RunAvg berechnen - und an dieser einen Stelle benötigst du die Queue.

Zitat:Wirklich einfacher ist es aber auch nicht geworden, nur kleiner.
Du kannst auch statt einer Queue mit einem Array als Datenbuffer arbeiten.
Letztendlich packt man diese Funktionalität in ein (reentrantes) VI: minimalste Version für den Einsatz, Dokumentation im VI, evtl. gleich noch eine passende Test-Umgebung dazu…

Alle Beiträge dieses Benutzers finden
Diese Nachricht in einer Antwort zitieren to top
Anzeige
16.11.2017, 11:42
Beitrag #7

Achim Offline
*****
*****


Beiträge: 4.226
Registriert seit: Nov 2005

20xx
2000
EN

978xx
Deutschland
RE: Mittelwertbildung von Array aus Signalverläufen
(15.11.2017 10:56 )LichterLichtus schrieb:  
Zitat:Was genau ist denn dein "spezielles" Problem?
Das ich alle Signalverläufe einzeln mit der Funktion Mittelwertbildung Pt by Pt verbinden muss. For Schleife funktioniert nicht.

Warum musst du PtbyPt verwenden? Du hast doch komplette Signalverläufe, d.h. da kommt nicht ein Wert "spontan" hinzu. Oder hab ich das missverstanden?


Gleitender Mittelwert ginge auch so, und natürlich auch in einem SubVI:
https://www.labviewforum.de/Thread-Signa...8#pid86078


A.

"Is there some mightier sage, of whom we have yet to learn?"

"Opportunity is missed by most people because it is dressed in overalls and looks like work." (Thomas Edison)
Alle Beiträge dieses Benutzers finden
Diese Nachricht in einer Antwort zitieren to top
16.11.2017, 14:38
Beitrag #8

Lucki Offline
Tech.Exp.2.Klasse
LVF-Team

Beiträge: 7.699
Registriert seit: Mar 2006

LV 2016-18 prof.
1995
DE

01108
Deutschland
RE: Mittelwertbildung von Array aus Signalverläufen
Ein "längenbegrenzte Queue", sofern die Elemente reine Zahlen sind, liefert auch die Funktion "Datenqueue PtByPt". Damit läßt sich eine gleitende Mittelwertbildung am Einfachsten machen:
   
Alle Beiträge dieses Benutzers finden
Diese Nachricht in einer Antwort zitieren to top
16.11.2017, 15:21
Beitrag #9

Achim Offline
*****
*****


Beiträge: 4.226
Registriert seit: Nov 2005

20xx
2000
EN

978xx
Deutschland
RE: Mittelwertbildung von Array aus Signalverläufen
Hm...war das jetzt eine Antwort auf meine Frage?

Ich habs immer noch nicht kapiert...es kommen doch komplette Signalverläufe von irgendwoher ...also immer Pakete und nicht einzelne Werte.

Warum behandelt man die dann PtbyPt? Wieviele Werte sind das in einem Verlauf?

"Is there some mightier sage, of whom we have yet to learn?"

"Opportunity is missed by most people because it is dressed in overalls and looks like work." (Thomas Edison)
Alle Beiträge dieses Benutzers finden
Diese Nachricht in einer Antwort zitieren to top
16.11.2017, 15:59 (Dieser Beitrag wurde zuletzt bearbeitet: 16.11.2017 16:05 von jg.)
Beitrag #10

jg Offline
CLA & CLED
LVF-Team

Beiträge: 15.864
Registriert seit: Jun 2005

20xx / 8.x
1999
EN

Franken...
Deutschland
RE: Mittelwertbildung von Array aus Signalverläufen
(16.11.2017 14:38 )Lucki schrieb:  Ein "längenbegrenzte Queue", sofern die Elemente reine Zahlen sind, liefert auch die Funktion "Datenqueue PtByPt". Damit läßt sich eine gleitende Mittelwertbildung am Einfachsten machen:
Nette Idee, aber das löst nicht das "Schönheitsproblem" des OP. Der will ja gleitende Mittelwerte für mehrere Kanäle quasi zur Erfassungszeit erstellen. Dann brauchst du dieses VI wieder parallel (oder x-mal in einer Case-Struktur), aber auf jeden Fall mehrfach - 1x für jeden Kanal. Da kann man dann auch beim MeanPtByPt bleiben.

Edit: @LichterLichtus: Übersichtlicher im BD wird es, wenn du dir ein PtByPt-Mean VI für Arrays selber schreibst. Das ist kein großes Hexenwerk. Anstatt eines 1D-Array musst du halt ein 2D-Array im Speicher halten.

Gruß, Jens

Wer die erhabene Weisheit der Mathematik tadelt, nährt sich von Verwirrung. (Leonardo da Vinci)

!! BITTE !! stellt mir keine Fragen über PM, dafür ist das Forum da - andere haben vielleicht auch Interesse an der Antwort!

Einführende Links zu LabVIEW, s. GerdWs Signatur.
Alle Beiträge dieses Benutzers finden
Diese Nachricht in einer Antwort zitieren to top
Antwort schreiben 


Möglicherweise verwandte Themen...
Themen Verfasser Antworten Views Letzter Beitrag
  Array-Vergleich und Mittelwertbildung domdom 4 5.865 15.05.2017 10:59
Letzter Beitrag: jg
  Mittelwertbildung bei FFT-Spektren dimitri84 20 22.651 24.04.2015 08:18
Letzter Beitrag: dbuckl
  Problem mit Mittelwertbildung JohnnyBlack 4 6.196 16.05.2013 15:14
Letzter Beitrag: GerdW
  Queue leeren gibt nicht braunes 1D Array von Signalverläufen aus wernerIBN 4 6.424 04.07.2012 14:50
Letzter Beitrag: wernerIBN
  Problem bei Mittelwertbildung Tower 6 7.154 09.02.2010 10:48
Letzter Beitrag: BsaiboT
  Mittelwertbildung von mehreren Kanälen NoD 4 6.133 06.10.2009 15:07
Letzter Beitrag: NoD

Gehe zu: