|
16.11.2009, 21:22
Beitrag #1
|
ToraBoraJack
LVF-Neueinsteiger
Beiträge: 5
Registriert seit: Nov 2009
8.5
-
de
66453
Deutschland
|
Signalverarbeitung eines Gyroskopes
Hallo,
ich habe ein Probelm bei der Signalverarbeitung eines Gyroskopes..., da ich bisher wenig mit Signalverarbeitung und LabVIEW gemacht habe. Das Problem ist folgendes:
Ich soll eine Auswertung eines Gyroskopes machen, das analoge Signal wird auf eines SD Karte gespeichert, danach soll das Signal erst digital weiter verarbeitet werden um weitere Störungen zu vermeiden. Ich habe ein Grundrauschen im analogen Signal ich tippe auf weisses Rauschen, obwohl ich das Gyroskop nicht bewege...!
Jetzt soll ich das Rauschen irgendwie filtern und das Signal digitalisieren, hab aber im Moment keinen Plan wie ich das machen soll...?
Hoffe mir kann jemand helfen!
|
|
|
|
|
17.11.2009, 07:41
Beitrag #2
|
Y-P
☻ᴥᴥᴥ☻ᴥᴥᴥ☻
Beiträge: 12.612
Registriert seit: Feb 2006
Developer Suite Core -> LabVIEW 2015 Prof.
2006
EN
71083
Deutschland
|
Signalverarbeitung eines Gyroskopes
Hast Du das analoge Signal schon? Wenn ja, dann lad' doch mal so eine Datei hoch.
Gruß Markus
--------------------------------------------------------------------------
Bitte stellt mir keine Fragen über PM, dafür ist das Forum da - andere haben vielleicht auch Interesse an der Antwort !!
--------------------------------------------------------------------------
|
|
|
|
|
17.11.2009, 13:42
Beitrag #3
|
ToraBoraJack
LVF-Neueinsteiger
Beiträge: 5
Registriert seit: Nov 2009
8.5
-
de
66453
Deutschland
|
Signalverarbeitung eines Gyroskopes
Hallo,
erstma danke für die Meldung!
Hier das Signal und auch das VI das mir schon vorher gegebenn wurde...
LOGS0000.TXT (Größe: 536,89 KB / Downloads: 336)
SD_Auslesen_Gyro_1Trigger_3Channel_JBL.vi (Größe: 40,43 KB / Downloads: 295)
|
|
|
|
|
17.11.2009, 14:15
Beitrag #4
|
ToraBoraJack
LVF-Neueinsteiger
Beiträge: 5
Registriert seit: Nov 2009
8.5
-
de
66453
Deutschland
|
Signalverarbeitung eines Gyroskopes
Sorry, hab vergessen anzugeben das dieses VI mit der Version 8.5 erstellt wurde!
|
|
|
|
|
17.11.2009, 14:20
Beitrag #5
|
eg
LVF-SeniorMod
Beiträge: 3.868
Registriert seit: Nov 2005
2016
2003
kA
66111
Deutschland
|
Signalverarbeitung eines Gyroskopes
Hab mir das Signal nicht angeschaut, aber wenn es rauscht, dann kannst du es glätten z.B. durch Mittelwertbildung oder durch Tiefpass.
|
|
|
|
|
11.12.2009, 08:19
Beitrag #6
|
ToraBoraJack
LVF-Neueinsteiger
Beiträge: 5
Registriert seit: Nov 2009
8.5
-
de
66453
Deutschland
|
Signalverarbeitung eines Gyroskopes
Guten Morgen,
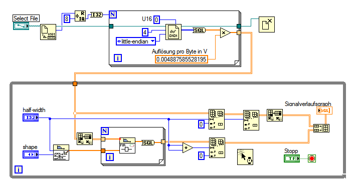
ich habe ein Problem mit der Auswertung von einem Gyroskop, da ich werder viel Ahnung von LabVIEW noch von Signalverarbeitung verstehe. Im Anhang findet Ihr ein VI das mir vorgegeben wurde und eine Textdatei mit Werten eines Gyroskopes ADXL 150. Die Werte wurden aufgezeichnet als das Gyroskop ruhig auf dem Tisch lag, d.h. es sollte als Ausgangssignal nur waagerechte Linien rauskommen. Aber das Signal wird anscheinend durch Rauschen überlagert, das es jetzt zu filtern bzw. glätten gibt. Jetzt weiss ich leider nicht weiter, welchen Filter man nimmt und wie man ihn in das bestehende VI integriert!?
Im voraus vielen Dank für eure Hilfe!
Das VI wurde mit der Verrsion 8.5 erstellt!
SD_Auslesen_Gyro_1Trigger_3Channel_JBL.vi (Größe: 40,43 KB / Downloads: 289)
LOGS0000.TXT (Größe: 536,89 KB / Downloads: 302)
Gruss M.
|
|
|
|
11.12.2009, 13:43
(Dieser Beitrag wurde zuletzt bearbeitet: 11.12.2009 13:47 von Lucki.)
Beitrag #7
|
|
|
|
|
|
16.03.2010, 13:48
Beitrag #8
|
ToraBoraJack
LVF-Neueinsteiger
Beiträge: 5
Registriert seit: Nov 2009
8.5
-
de
66453
Deutschland
|
Signalverarbeitung eines Gyroskopes
Guten Tag,
ich habe sehr wenig Erfahrung in LabVIEW, daher wende ich mich an euch. Ich soll eine Filterung für ein dreiachsiges Gyroskop erstellen. Die Filterung sollte das Rauschen des Sensors und der Schaltung filtern, da dies für die weitere Verarbeitung sehr störend ist. Im Anhang findet ihr das bisherige VI mit der Auswertung der rohen Gyrodaten und als Textdatei einen kurzen Ausschnitt einer Messung, aber in Ruhezustand. Dort sieht man aber auch schon das ein Rauschen vorhanden ist. Ich hoffe ich habe mich einigermáßen deutlich ausgedrückt, so das mir jemand helfen kann.
Vielen Dank schonmal im Vorraus!
mfg
M.
VI mit Version 8.5
SD_Auslesen_Gyro_1Trigger_3Channel_JBL.vi (Größe: 40,43 KB / Downloads: 295)
LOGS0000.TXT (Größe: 536,89 KB / Downloads: 273)
|
|
|
|
|
16.03.2010, 14:41
Beitrag #9
|
jg
CLA & CLED
Beiträge: 15.864
Registriert seit: Jun 2005
20xx / 8.x
1999
EN
Franken...
Deutschland
|
Signalverarbeitung eines Gyroskopes

Beim ersten Mal bist du mir noch durchgerutscht mit deinem Doppelposting, diesmal aber nicht.
Bitte LVF-Regeln beachten! Kein Doppelposting!
Du hast jetzt schon 3x einen Thread aufgemacht mit quasi derselben Frage und immer demselben VI-Upload. Nach 4 Monaten keine Änderung am VI, was ist da los?
-> Threads verschmolzen.
Gruß, Jens
Wer die erhabene Weisheit der Mathematik tadelt, nährt sich von Verwirrung. (Leonardo da Vinci)
!! BITTE !! stellt mir keine Fragen über PM, dafür ist das Forum da - andere haben vielleicht auch Interesse an der Antwort!
Einführende Links zu LabVIEW, s. GerdWs Signatur.
|
|
|
|
| |