' schrieb:1. Welchem Zweck dienen die Case-Strukturen, wenn du den Selektor mit einer True-Konstanten belegst?
Die Struktur habe ich so übernommen , aus dem VI – Basic Serial Write and Read
' schrieb:2. Ich hab' zwar nie was mit VISA gemacht .... Aber wieso initialisierst/konfigurierst du den Task in der Hauptschleife und schließt ihn auch ebenso oft? Wenn du mich fragst gehört beides außerhalb der Schleife.
Eine schleife gehört hier auch nicht her. Habe die Schleife nur zur Probe rumgezogen.
' schrieb:3. Vermeide in der Luft freischweben VIs/Nodes etc... Versuch' alles im Datenfluss zu integrieren. Bei den Eigenschaftsknoten kannst du den Fehlercluster dafür benutzen.
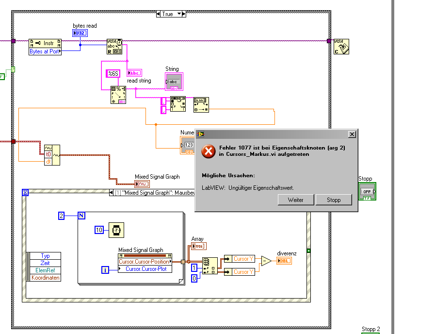
Ist das immer noch dein Ziel? Du willst also mit der Maus den Cursor bewegen und dann den dazugehörigen Zeitpunkt und Messwert wissen?
Wenn ja: Wie willst du den Cursor verschieben, wenn du ihn in jeder Iteration auf einen festen Zeitpunkt setzt? Wozu setzt du den überhaupt in der Schleife auf den Startzeitpunkt der Messung?
Oder soll der Cursor garnicht von Hand beweget werden?
Prinzipiell halte ich es für unsinnig in einer laufenden Messung mit einem Cursor rumzupfuschen. Versuch nochmal in wenigen Sätzen zu erklären was dein Programm mit dem Signalverlauf anstellen soll, und welche Rolle die Cursor dabei spielen.
Gruß dimitri
Ja ich möchte den Cursor mit der Maus in der laufenden Messung benutzen.
Dieses Vi soll ein Sub VI werden. Das Hauptprogramm fragt die ganze Zeit (TAG und NACHT ) alle 10 Sek. Temperatursensoren ab. Nun möchte der Kunde, im Graph nachvollziehen wann Besonderheiten aufgetreten sind. Also Temperatur und Uhrzeit mit Datum, in dem er den Cursor von Rechts nach Links bewegt.
Darum stellte sich mir die Frage wie ich das programmiere ohne Schleife da mein Hauptprogramm ja eine hat.
Der Cursor soll:
- Von Rechts nach Links mit der Maus bewegt werden
- Temperatur und Zeit / Datum anzeigen ( in ein extra Fenster )
Das mit dem VISA hat ja bis jetzt auch wunderbar geklappt, jetzt ist es bloß die Sache mit dem Graph. Vorher hatte ich halt ein Verlaufdiagramm. Aber da habe ich kein Cursor.
Da Frage ich mich gerade : Heißt das nun Cursor ( Der Vertikale Balken ) oder ist der Cursor nur ein Fadenkreuz?
Bin fertig.

Schlag mich schon seit Wochen mit dem sch.. rum.
Herzlichen Dank schon mal in voraus und ich gebe mir viel mühe.
Merk ja das ich euch so langsam nerve
Gruß Selma