INFO: Dieses Forum nutzt Cookies...
Cookies sind für den Betrieb des Forums unverzichtbar. Mit der Nutzung des Forums erklärst Du dich damit einverstanden, dass wir Cookies verwenden.

Es wird in jedem Fall ein Cookie gesetzt um diesen Hinweis nicht mehr zu erhalten. Desweiteren setzen wir Google Adsense und Google Analytics ein.


Antwort schreiben 

Dieses Thema hat akzeptierte Lösungen:

PC übergreifende Probleme



Wenn dein Problem oder deine Frage geklärt worden ist, markiere den Beitrag als "Lösung",
indem du auf den "Lösung" Button rechts unter dem entsprechenden Beitrag klickst. Vielen Dank!

05.06.2025, 12:53
Beitrag #1

Minako Offline
LVF-Grünschnabel
*


Beiträge: 44
Registriert seit: Feb 2024

2023 Q3
-
DE_EN


Deutschland
PC übergreifende Probleme
Guten Tag,
ich hoffe der Betreff passt zum Problem Smile

Ich habe ein bereits bestehendes Programm, welches Bugs hatte und nicht richtig funktioniert hat, an mich angepasst und die Bugs behoben.
Auf meinem Laptop mit Labview 2023 Q3 und cDAQ Nutzung hat alles einwandfrei funktioniert.
Auch die erstellte Exe läuft.
Es soll ganz grundlegend die Zeit gemessen werden, welche das Objekt benötigt um zu reagieren.
Dafür wird ein Ereignis ausgelöst, die Systemzeit ausgelesen und an Shiftregister übergeben.
Danach wird eine Steigende Flanke in übergebenen Werten gesucht und die Zeit weiter gegeben, an der diese Flanke gefunden wurde. Die Differenz wird angezeigt.
An meinem Laptop sind das um die 500ms.

In der ganzen Zeit wird über das cDAQ ein Gerät ausgelesen (DAQmx Nutzung). Initialisiert auf kontinuierliches auslesen mit 2kHz. Die Blöcke, welche übergeben werden sollen kann ich nur auf ca. 1000 stellen, da das Ganze sonst seeeeeeeehr langsam wird. Oder ich muss eine noch kleinere Zahl einstellen.
Die Blöcke werden mit einer Queue in eine andere Schleife übergeben und dort ausgelesen (Flanke suchen).
Auf meinem PC kommen in dieser Zeit ca. 3000 Werte zusammen.

Jetzt das Merkwürdige.
Ich habe die Hardware an einen anderen PC (PC 2) angeschlossen und dort die Exe installiert. nachdem ich den Treiber für DAQmx nachgelegt hatte lief das Programm zwar, jedoch aren die Werte alle falsch.
Am zweiten PC liegen alle Zeiten bei ca. 1500ms.
Nach ein wenig hin und her scheint es so zu sein, dass nur knapp 1000 Werte übertragen werden und die Flanke fehlt. Da scheint es ein auslese timing Problem zu geben.
Aber wo zum teufel kommt das her?
Ich habe auch das Gefühl, dass das Auslesen der Kanäle mehr ruckt als an meinem PC.

Am dritten PC war ein ganz anderer Fehler.
Dort sind die Zeiten mit jeder Messung immer weiter ins minus.

Gibt es noch irgeneinen Treiber der mir fehlt?
Hatte das jemand schon mal und hat es gelöst bekommen?
Ich habe leider keine Programmierumgebung auf PC zwei.

Das Programm kann ich leider aus Datenschutzgründen nicht hochladen...

Ich hoffe daher, dass jemand auf Grund der Beschreibung die passende Idee hat und sie mitteilt. Big Grin

Vielen Dank.
Alle Beiträge dieses Benutzers finden
Diese Nachricht in einer Antwort zitieren to top
Anzeige
05.06.2025, 13:37
Beitrag #2

TpunktN Offline
LVF-Gelegenheitsschreiber
**


Beiträge: 240
Registriert seit: Jul 2011

2025
2011
EN

70***
Deutschland
RE: PC übergreifende Probleme
Hallo Minako ,

ich arbeite nicht mit DAQ Geräten und kann mir da nur schwer was drunter vorstellen, aber hier ein paar Ideen die mir beim lesen eingefallen sind.
Hängen die PCs im selben Netzwerk wie der Laptop? dann kannst du nen Remote Debugging machen:
   

Wie ist denn die Auslastung der einzelnen PCs, besonders CPU und RAM.

Grüße Timo

Justieren ist dem Gerät sagen was es anzeigen soll, kalibrieren ist die Kontrolle dieser Anzeige. Eichen ist ein längerer Prüfprozess und darf nur das Eichamt!
Alle Beiträge dieses Benutzers finden
Diese Nachricht in einer Antwort zitieren to top
05.06.2025, 15:26
Beitrag #3

GerdW Offline
______________
LVF-Team

Beiträge: 17.534
Registriert seit: May 2009

LV2019 (LV2021)
1995
DE_EN

10×××
Deutschland
RE: PC übergreifende Probleme
Hi Minako,

Zitat:In der ganzen Zeit wird über das cDAQ ein Gerät ausgelesen (DAQmx Nutzung). Initialisiert auf kontinuierliches auslesen mit 2kHz. Die Blöcke, welche übergeben werden sollen kann ich nur auf ca. 1000 stellen, da das Ganze sonst seeeeeeeehr langsam wird. Oder ich muss eine noch kleinere Zahl einstellen.
Die Blöcke werden mit einer Queue in eine andere Schleife übergeben und dort ausgelesen (Flanke suchen).
Auf meinem PC kommen in dieser Zeit ca. 3000 Werte zusammen.
Wie hast du diesen DAQmx-Task definiert?
Wenn die Auslesezeit (oder die Anzahl der gelesenen Samples) vom jeweiligen PC abhängt, dann hast du etwas falsch programmiert!

Zitat:Das Programm kann ich leider aus Datenschutzgründen nicht hochladen...
Nicht einmal das einzelne VI zum Lesen der DAQmx-Samples? "Aus Datenschutz-Gründen"???

Zitat:Ich hoffe daher, dass jemand auf Grund der Beschreibung die passende Idee hat und sie mitteilt.
Nein, nicht wirklich.
Du hast da "irgendwas" programmiert und hast damit "irgendwelche" Probleme: der Grund für das "irgendwelche" wird das "irgendwas" sein!

Alle Beiträge dieses Benutzers finden
Diese Nachricht in einer Antwort zitieren to top
06.06.2025, 07:52
Beitrag #4

Minako Offline
LVF-Grünschnabel
*


Beiträge: 44
Registriert seit: Feb 2024

2023 Q3
-
DE_EN


Deutschland
RE: PC übergreifende Probleme
Guten morgen und vielen Dank für die Rückmeldungen.

@TpunktN:
Ich habe Remote keinen Zugriff drauf. Habe ich auch noch nie gemacht und jetzt mal ausprobiert. Debugging ist eingeschaltet. Ich habe die Befürchtung, dass unsere IT etwas blockiert.
Der PC ist frisch auf win11 und hat nichts anderes laufen. Nur LabView läuft.
Mein Laptop dagegen noch ein paar andere Programme, welche aber nicht die Welt sind.

@GerdW:
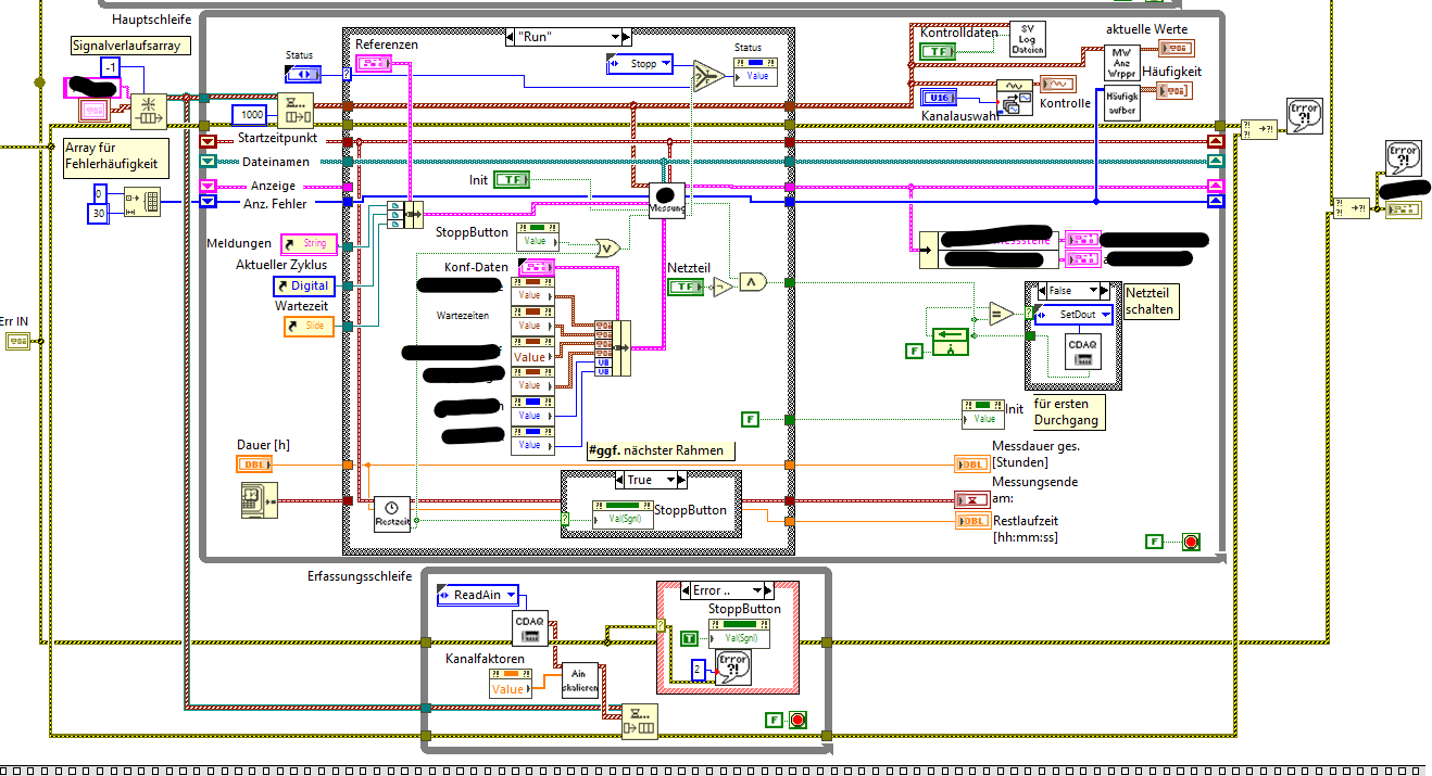
Das VI zum Auslesen, kann ich dir zeigen(Auslesen zip Datei- sollte 2019 sein). Den Rest nur teils und geschwärzt.
Vielleicht hilft das ja, aber ich muss was dazu schreiben.

   
Die untere Whileschleife ist zum Auslesen der Werte da. Dort ist das VI, welches ich in der Zip mitgeschickt habe.
Die obere Whileschleife soll diese Werte bearbeiten. Es wird in das SubVI (Messung) reingesprungen, dort ein Schritt ausgeführt, die Schleife drinnen gestoppt, rausgesprungen und der Rest der Whileschleife draussen ausgeführt.
Im nächsten Durchgang geht es wieder in das SubVI rein und der nächste Schritt wird ausgeführt.
Shiftregister gehören eigentlich initialisiert (so hatte ich mir das gemerkt). Hier habe ich das versucht zu tun und damit die Funktion zerstört. So wie es ist läuft die Messung grundsätzlich durch.
Das Programm stammt nicht von mir, ich habe es nur angepasst und versucht zu debuggen.

In dem (Messung) SubVI wird Strom eingestellt und direkt im Anschluss die Systemzeit ausgelesen und an ein ShiftRegister übergeben.
Darauf folgen folgende Seiten:
   
   
   

Freue mich auf weiteren Input Smile


Angehängte Datei(en)
0.0 .zip  Auslesen.zip (Größe: 48,91 KB / Downloads: 144)
Alle Beiträge dieses Benutzers finden
Diese Nachricht in einer Antwort zitieren to top
10.06.2025, 08:35
Beitrag #5

Minako Offline
LVF-Grünschnabel
*


Beiträge: 44
Registriert seit: Feb 2024

2023 Q3
-
DE_EN


Deutschland
RE: PC übergreifende Probleme

Akzeptierte Lösung

Moinsen,
ob es sauber programmiert ist oder nicht, der Fehler ist gefunden
Die Werte passen jetzt soweit.

Was war los?
Bei der Fehlersuche ist mir irgendwann aufgefallen, dass es neben mir keine klack Geräusche macht, wenn ich die Messung am PC einschalte. Beim Laptop klackt es jedoch regelmäßig.
Darauf hatte ich aber erst geachtet, als ich sah, dass bei den übertragenen Werten der Sprung von 0 auf 5 nicht zu sehen war am PC (auf dem Laptop kam der Sprung regelmäßig).
=> Geräte werden nicht angesprochen!
Ich bin also zum xten mal in NI-MAX und habe dort die Verbindung zu den Geräten überprüft.
Ich habe gesehen, dass zwei GPIBs angeschlossen sind und bin dann einfach hergegangen und habe die Adressen ( 0 und 1) vertauscht.

Et voila! Es funktioniert.
Die Sprünge sind zu sehen und die Werte passen.

Was lerne ich daraus?
Augen UND Ohren offen halten. Tunnelblick is Sch....e!

Vielen Dank. Big Grin
Alle Beiträge dieses Benutzers finden
Diese Nachricht in einer Antwort zitieren to top
30
Antwort schreiben 


Gehe zu: