INFO: Dieses Forum nutzt Cookies...
Cookies sind für den Betrieb des Forums unverzichtbar. Mit der Nutzung des Forums erklärst Du dich damit einverstanden, dass wir Cookies verwenden.

Es wird in jedem Fall ein Cookie gesetzt um diesen Hinweis nicht mehr zu erhalten. Desweiteren setzen wir Google Adsense und Google Analytics ein.


Antwort schreiben 

X-Achse mit Zeitachse



Wenn dein Problem oder deine Frage geklärt worden ist, markiere den Beitrag als "Lösung",
indem du auf den "Lösung" Button rechts unter dem entsprechenden Beitrag klickst. Vielen Dank!

19.10.2009, 13:32
Beitrag #1

DerMoench Offline
LVF-Grünschnabel
*


Beiträge: 11
Registriert seit: Jul 2009

8.6
-
de

1069
Deutschland
X-Achse mit Zeitachse
Hi,
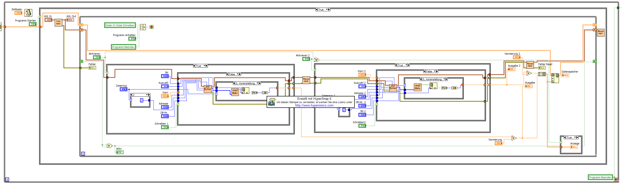
ich hab ein weiteres Problem, es geht darum das ich ueber die Accon Ag-Link Lib, Daten auslese und diese dann speichern und in einen Graphen speichern will.
Zur Zeit sieht das so aus, das funktioniert auch soweit:
   
Das Problem ist, das ich fuer die X-Achse keine Zeitbasis hinbekomme. Ich haette gern das es Millisekunden anzeigt. Hab es schon mit "Signalverlauf erstellen" probiert, nur addiert der mit alle Werte aus dem Array zu einer Funktion und zeigt nicht mehrere, hier max 2 Funktionen an.
Könnt ihr mir da einen Weg nennen, wie ich an eine Zeitbasis komme und wie ich die einbaue. Wenn ich die Basis hab wuerd, ich die auch ger mit im Datenspeicher ablegen.
Hier noch mal das Programm:
Lv09_img2
Sonstige .vi  schnell_lesen.vi (Größe: 97,74 KB / Downloads: 416)


Vielen Dank schon mal

Jens
Alle Beiträge dieses Benutzers finden
Diese Nachricht in einer Antwort zitieren to top
Anzeige
20.10.2009, 09:47 (Dieser Beitrag wurde zuletzt bearbeitet: 20.10.2009 09:47 von GerdW.)
Beitrag #2

GerdW Offline
______________
LVF-Team

Beiträge: 17.529
Registriert seit: May 2009

LV2019 (LV2021)
1995
DE_EN

10×××
Deutschland
X-Achse mit Zeitachse
Hallo Jens,

mit "Funktionen" meinst du sicherlich die Plots in einem Chart/Graph?

Da ich (und andere wohl auch) die subVis der Accon-llb nicht habe, kann ich dir auch nicht sagen, wie du "an eine Zeitbasis kommst"...

Der verwendete Chart erlaubt auch nur Zeit-äquidistante Signale. Falls das der Fall ist, kannst du aber für die X-Achse ein Scaling einstellen (Offset/Multiplier) und, falls gewünscht, die Formatierung auf ein Zeitformat ändern...
(Alles zu finden nach Rechtsklick auf die X-Achse oder per PropertyNodes.)

Alle Beiträge dieses Benutzers finden
Diese Nachricht in einer Antwort zitieren to top
20.10.2009, 21:44
Beitrag #3

DerMoench Offline
LVF-Grünschnabel
*


Beiträge: 11
Registriert seit: Jul 2009

8.6
-
de

1069
Deutschland
X-Achse mit Zeitachse
Hallo,
okay danke, aber das funktioniert so leider nicht, das Problem ist, je mehr Werte ich ueber die Lib auslese, umso langsamer wird das Programm, das ist auch normal.
Jetzt wird der Graph mal schneller und mal langsamer gefuellt.
Ich formuliere mal die Frage um, wie kann ich eine kontinuierliche Zeitbasis bei Multiplot Waveforms, hab max. 16 Plots gleichzeitig, erzeugen, so das auch wirklich 1 Minute vergangen ist. Wenn ich jetzt absolute Zeit eingestellt habe, und lass das Programm 1 Minute laufen, ist die Anzeige im Programm wesentlich groesser als 1 Minute, laeuft von 00:00:00 bis 07:00:00, beispielsweise. Kann man ueberhaupt Einfluss auf die x-Werte nehmen? Ich hoffe das ist einigermassen verstaendlich.

Danke schon mal

Jens Wurm
Alle Beiträge dieses Benutzers finden
Diese Nachricht in einer Antwort zitieren to top
21.10.2009, 07:53
Beitrag #4

GerdW Offline
______________
LVF-Team

Beiträge: 17.529
Registriert seit: May 2009

LV2019 (LV2021)
1995
DE_EN

10×××
Deutschland
X-Achse mit Zeitachse
Hallo Jens,

waveforms speichern sowohl ihre Startzeit als auch ihr dt im datatype, sollte von daher kein Problem sein...

"Normale" Graphen/Charts stellen nur äquidistante Kurven dar. Um die X-Achse anzupassen, musst du über die schon beschriebenen Properties gehen, z.B. bei 7 Punkten pro Sekunde einen Multiplier von 1/7 einstellen. Ansonsten kann ich nur XY-Graphen empfehlen, da du dann wirklich die Werte für die X-Achse vorgeben kannst.

Um Verwechslungen und Irritationen zu vermeiden, solltest du möglichst die genauen LabVIEW-Bezeichnungen verwenden (Plot <->Waveform, Chart/Graph/XY-Graph). Das macht es leichter, genau darauf zu antworten, was du brauchst... In deinem Beispiel-VI hattest du einen Chart verwendet...

Alle Beiträge dieses Benutzers finden
Diese Nachricht in einer Antwort zitieren to top
30
Antwort schreiben 


Möglicherweise verwandte Themen...
Themen Verfasser Antworten Views Letzter Beitrag
  USRP - IQ Garph Zeitachse und Signaltrennung mathlan86 0 3.301 08.12.2015 14:25
Letzter Beitrag: mathlan86
  Zeitachse erstellen bzw.- Formatieren flelix-matze 6 8.093 03.01.2014 16:33
Letzter Beitrag: flelix-matze
  Zeitachse bei DAQ Messung Maikn. 9 8.615 15.10.2013 14:17
Letzter Beitrag: Maikn.
  XY Graph ohne Zeitachse permanent anzeigen tornado 5 7.180 19.05.2010 13:30
Letzter Beitrag: dimitri84
  Absolute Zeitachse in Signalverlaufsdiagramm jojo 9 21.156 10.07.2009 19:47
Letzter Beitrag: ImExPorty
  Zeitachse in waveform-graph auf null stellen Ecki 6 8.212 03.10.2007 16:31
Letzter Beitrag: Ecki

Gehe zu: