INFO: Dieses Forum nutzt Cookies...
Cookies sind für den Betrieb des Forums unverzichtbar. Mit der Nutzung des Forums erklärst Du dich damit einverstanden, dass wir Cookies verwenden.

Es wird in jedem Fall ein Cookie gesetzt um diesen Hinweis nicht mehr zu erhalten. Desweiteren setzen wir Google Adsense und Google Analytics ein.


Antwort schreiben 

Programmstart nach Datum/Uhrzeit



Wenn dein Problem oder deine Frage geklärt worden ist, markiere den Beitrag als "Lösung",
indem du auf den "Lösung" Button rechts unter dem entsprechenden Beitrag klickst. Vielen Dank!

11.08.2009, 09:34 (Dieser Beitrag wurde zuletzt bearbeitet: 11.08.2009 19:37 von jg.)
Beitrag #1

Tim9 Offline
LVF-Neueinsteiger


Beiträge: 8
Registriert seit: Aug 2009

8.6
2009
de

33615
Deutschland
Programmstart nach Datum/Uhrzeit
Hallo Liebe LabVIEW-Community,
ich bin noch recht neu was das Programmieren in LabVIEW angeht (Angefangen Januar 2009). Bei mir geht es nicht um das auswerten von Messsignalen sondern um das Ansteuern von Hardware Komponenten. Das Programm läuft soweit. Nur möchte ich, das dass Programm bei Eingabe von Datum und Uhrzeit automatisch anläuft, ohne jedesmal den Start Button zu betätigen. Ich krieg das nicht hin.
Habt ihr vielleicht einen Tipp in Form eines Beispiels?? Ich habe auch schon versucht mir die aktuelle Zeit anzeigen zu lassen aber das ist ebenfalls noch nicht gelungen.
Vielen Dank im voraus.
Tim9

Lv86_img


Angehängte Datei(en)
Sonstige .vi  test.vi (Größe: 47,41 KB / Downloads: 351)
Alle Beiträge dieses Benutzers finden
Diese Nachricht in einer Antwort zitieren to top
Anzeige
11.08.2009, 09:53
Beitrag #2

Peter04 Offline
LVF-Stammgast
***


Beiträge: 305
Registriert seit: Jan 2008

2020
2007
DE_EN

79xxx
Deutschland
Programmstart nach Datum/Uhrzeit
Hallo,

Du bist doch nah dran. Hab mal was Kleines gebastelt.

Peter


Sonstige .vi  test.vi (Größe: 45,53 KB / Downloads: 452)
Lv86_img
Alle Beiträge dieses Benutzers finden
Diese Nachricht in einer Antwort zitieren to top
12.08.2009, 10:11
Beitrag #3

Tim9 Offline
LVF-Neueinsteiger


Beiträge: 8
Registriert seit: Aug 2009

8.6
2009
de

33615
Deutschland
Programmstart nach Datum/Uhrzeit
Hi Peter,
vielen lieben Dank für deine schnelle Antwort, hab das Programm gleich heut morgen ausprobiert. Bei mir läuft das aktuelle zeitelement nicht synchron mit der Uhr des Rechners. Und wenn ich meine gewünschte uhrzeit zum starten eintippe. Startet das Programm nicht. Hab ich irgendetwas vergessen??
Liebe Grüße
Tim
Alle Beiträge dieses Benutzers finden
Diese Nachricht in einer Antwort zitieren to top
12.08.2009, 10:45 (Dieser Beitrag wurde zuletzt bearbeitet: 12.08.2009 10:46 von Peter04.)
Beitrag #4

Peter04 Offline
LVF-Stammgast
***


Beiträge: 305
Registriert seit: Jan 2008

2020
2007
DE_EN

79xxx
Deutschland
Programmstart nach Datum/Uhrzeit
Hallo,

ne klar, dass Programm startet noch nicht. Ich wollte dir nur zeigen, wie man 2 Zeiten vergleicht. Den Programmstart mußt Du dann schon in die case-Struktur packen...
Damit es nicht unnötige Missverständnisse gibt. Ich habe den unteren Teil nutr deaktiviert, weil das bei mir nicht läuft.
Dass die Zeit bei Dir nicht vom Betriebssystem übernommen wird, kann ich mir jetzt schwerlich vorstellen. Oder ist da genau die eine ominöse Stunde Differenz?

Viel Spaß

Peter

   


Sonstige .vi  test.vi (Größe: 45,8 KB / Downloads: 316)
Lv86_img
Alle Beiträge dieses Benutzers finden
Diese Nachricht in einer Antwort zitieren to top
12.08.2009, 11:45
Beitrag #5

Tim9 Offline
LVF-Neueinsteiger


Beiträge: 8
Registriert seit: Aug 2009

8.6
2009
de

33615
Deutschland
Programmstart nach Datum/Uhrzeit
Hi Peter,
nein das ist nicht die ominöse Stunde :-) die fehlt. Ich möchte dir gerne nochmal das jetzige Vi schicken. Ich habe es soweit versucht nur der Anschluß klappt nicht so toll schaus dir vielleicht nochmal an. Danke nochmal für deine Mühen. LabVIEW Vers. 8.6
Gruß Tim


Angehängte Datei(en)
Sonstige .vi  test2.vi (Größe: 49,6 KB / Downloads: 289)
Alle Beiträge dieses Benutzers finden
Diese Nachricht in einer Antwort zitieren to top
12.08.2009, 12:00
Beitrag #6

Peter04 Offline
LVF-Stammgast
***


Beiträge: 305
Registriert seit: Jan 2008

2020
2007
DE_EN

79xxx
Deutschland
Programmstart nach Datum/Uhrzeit
Hallo,

zur Uhrzeit fällt mir nichts ein. Vielleicht weiß da sonst wer Rat!? Bei mir ist sie identisch mit der WinXP-Uhrzeit.
Und was heißt der Anschluss klappt nicht so toll? Wenn Du die Verbindung zur case-Struktur meintest, da fehlte nur die Konvertierung von dbl nach int, sollte aber eigentlich trotzdem laufen.

Gruß

Peter


Sonstige .vi  test2.vi (Größe: 44,17 KB / Downloads: 331)
Lv86_img
Alle Beiträge dieses Benutzers finden
Diese Nachricht in einer Antwort zitieren to top
12.08.2009, 12:19
Beitrag #7

Tim9 Offline
LVF-Neueinsteiger


Beiträge: 8
Registriert seit: Aug 2009

8.6
2009
de

33615
Deutschland
Programmstart nach Datum/Uhrzeit
Hi Peter,
vielleicht hab ich mich mit der Uhrzeit falsch ausgedrückt.
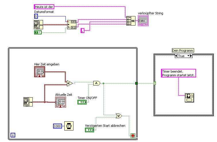
Sie soll in der Zeile "Heute ist der..." die aktuelle Zeit anzeigen inkl. der verstreichenden Sekunden, nur ist das Fenster grundsätzlich leer wenn ich das Vi öffne.
Gebe ich die aktuelle Uhrzeit und das Datum ein und anschliessend das Datum und die Uhrzeit des gewünschten Programmstarts passiert folgendes:
1:Das Programm startet nicht zu der gewünschten Zeit...
2:wenn ich den start Button betätige und die eingegebene Zeit (wo das Programm starten soll) noch nicht erreicht ist, startet es nicht.
Erst nach dem erreichen meiner gewünschten Zeit kann ich das Vi starten, leider nur manuell. Es startet nicht automatisch.
Hat das was mit der Konvertierung zu tun??
Ich hoffe du hast rat
Lieben gruß tim
Alle Beiträge dieses Benutzers finden
Diese Nachricht in einer Antwort zitieren to top
12.08.2009, 12:35
Beitrag #8

Peter04 Offline
LVF-Stammgast
***


Beiträge: 305
Registriert seit: Jan 2008

2020
2007
DE_EN

79xxx
Deutschland
Programmstart nach Datum/Uhrzeit
Hallo,

neuer Versuch. Jetzt ist alles in einer while-Schleife. Wenn die aktuelle Zeit > angegebene Zeit, solte das Prog eigentlich starten.(Aktuell ständig und nicht nur 1x). Ich hoffe das funzt jetzt soweit?

Peter


Sonstige .vi  test2.vi (Größe: 44,58 KB / Downloads: 332)
Lv86_img
Alle Beiträge dieses Benutzers finden
Diese Nachricht in einer Antwort zitieren to top
12.08.2009, 12:43
Beitrag #9

SeBa Offline
LVF-Guru
*****


Beiträge: 2.025
Registriert seit: Oct 2008

09SP1 & 10 FDS
2008
DE

65xxx
Deutschland
Programmstart nach Datum/Uhrzeit
Na da hau ich doch auch eins raus:

   

Lv86_img
Sonstige .vi  test2.vi (Größe: 9,54 KB / Downloads: 349)



Gruß SeBa

Dieser Beitrag soll weder nützlich, informativ noch lesbar sein.

Er erhebt lediglich den Anspruch dort wo er ungenau ist, wenigstens eindeutig ungenau zu sein.
In Fällen größerer Abweichungen ist es immer der Leser, der sich geirrt hat.

Rette einen Baum!
Diesen Beitrag nur ausdrucken, wenn unbedingt nötig!
Alle Beiträge dieses Benutzers finden
Diese Nachricht in einer Antwort zitieren to top
12.08.2009, 12:58
Beitrag #10

Tim9 Offline
LVF-Neueinsteiger


Beiträge: 8
Registriert seit: Aug 2009

8.6
2009
de

33615
Deutschland
Programmstart nach Datum/Uhrzeit
Super es klappt, genial, echt 1000 Dank Peter.
Seba muß mal schauen ob das auch funkt. Auch dir Danke.
Ohne jetzt unverschämt zu werden, wie kann ich jetzt das so programmieren, dass ich mehrere programmstarts am Tag für insgesamt 14 tage programmieren kann?
z.Bsp. 11.12.09 16:47 und 23:59 Uhr und am 12.12.09 um 05:06 und um 16:55uhr.
Liebe grüße Tim
Ps: Vielen dank nochmal
Alle Beiträge dieses Benutzers finden
Diese Nachricht in einer Antwort zitieren to top
30
Antwort schreiben 


Möglicherweise verwandte Themen...
Themen Verfasser Antworten Views Letzter Beitrag
  Rechnen mit dem Datum meb2323 3 6.187 21.07.2025 14:20
Letzter Beitrag: martin95
  Tag im Jahr nach Datum picard2002 3 5.670 07.08.2017 14:57
Letzter Beitrag: picard2002
  Datum Uhrzeit Queue DeleteAll 8 7.545 24.03.2017 15:47
Letzter Beitrag: GerdW
  Aktuelles Datum & Uhrzeit in Excel sara2211 10 10.126 05.01.2017 09:04
Letzter Beitrag: sara2211
  Zeitabhäniger Case ab Programmstart p4tti 4 5.237 15.11.2016 14:11
Letzter Beitrag: p4tti
  Das Datum und die Uhrzeit immer aktualisieren galilio 2 5.368 21.06.2016 13:40
Letzter Beitrag: galilio

Gehe zu: