INFO: Dieses Forum nutzt Cookies...
Cookies sind für den Betrieb des Forums unverzichtbar. Mit der Nutzung des Forums erklärst Du dich damit einverstanden, dass wir Cookies verwenden.

Es wird in jedem Fall ein Cookie gesetzt um diesen Hinweis nicht mehr zu erhalten. Desweiteren setzen wir Google Adsense und Google Analytics ein.


Antwort schreiben 

Teilweise Anzeige eines 2D-Arrays



Wenn dein Problem oder deine Frage geklärt worden ist, markiere den Beitrag als "Lösung",
indem du auf den "Lösung" Button rechts unter dem entsprechenden Beitrag klickst. Vielen Dank!

17.12.2008, 12:32 (Dieser Beitrag wurde zuletzt bearbeitet: 17.12.2008 12:36 von jewi.)
Beitrag #1

jewi Offline
LVF-Grünschnabel
*


Beiträge: 44
Registriert seit: Oct 2008

8.5
2008
en

638xx
Deutschland
Teilweise Anzeige eines 2D-Arrays
Ich möchte einzelne Elemente eines 2D Arrays unsichtbar machen.
Zum Beispiel will ich die erste Zeile komplett anzeigen aber von der zweiten Zeile nur die ersten beiden Elemente.
Gibt es die Möglichkeit, mit Property Nodes auf einzelne Elemente eines Arrays zuzugreifen?
Die einzige Möglichkeit die ich bisher hab, ist dass ich das Array nicht komplett anzeige sondern alle Elemente einzeln. Das ist für größere Arrays aber ziemlich aufwendig. Hat da jemand eine Idee?


Angehängte Datei(en)
Sonstige .vi  LV8.5_Array.vi (Größe: 31,49 KB / Downloads: 232)
Alle Beiträge dieses Benutzers finden
Diese Nachricht in einer Antwort zitieren to top
Anzeige
17.12.2008, 12:55
Beitrag #2

jg Offline
CLA & CLED
LVF-Team

Beiträge: 15.864
Registriert seit: Jun 2005

20xx / 8.x
1999
EN

Franken...
Deutschland
Teilweise Anzeige eines 2D-Arrays
Das geht nicht!
Du kommst zwar an die RefNum einen Array-Elementes dran, aber so bald du da eine Eigenschaft veränderst, gilt das immer für alle Elemente des Arrays.

Gruß, Jens

Wer die erhabene Weisheit der Mathematik tadelt, nährt sich von Verwirrung. (Leonardo da Vinci)

!! BITTE !! stellt mir keine Fragen über PM, dafür ist das Forum da - andere haben vielleicht auch Interesse an der Antwort!

Einführende Links zu LabVIEW, s. GerdWs Signatur.
Alle Beiträge dieses Benutzers finden
Diese Nachricht in einer Antwort zitieren to top
17.12.2008, 13:15
Beitrag #3

jewi Offline
LVF-Grünschnabel
*


Beiträge: 44
Registriert seit: Oct 2008

8.5
2008
en

638xx
Deutschland
Teilweise Anzeige eines 2D-Arrays
Das ist zwar nicht die Antwort die ich mir erhofft habe, aber trotzdem Danke.
Alle Beiträge dieses Benutzers finden
Diese Nachricht in einer Antwort zitieren to top
17.12.2008, 13:20
Beitrag #4

jg Offline
CLA & CLED
LVF-Team

Beiträge: 15.864
Registriert seit: Jun 2005

20xx / 8.x
1999
EN

Franken...
Deutschland
Teilweise Anzeige eines 2D-Arrays
' schrieb:Das ist zwar nicht die Antwort die ich mir erhofft habe, aber trotzdem Danke.
Alternative: Tabelle oder Multicolumn-Listbox verwenden, da geht sowas.
Diese Controls sind aber nicht "so schnell" in der Anzeige.

Gruß, Jens

Wer die erhabene Weisheit der Mathematik tadelt, nährt sich von Verwirrung. (Leonardo da Vinci)

!! BITTE !! stellt mir keine Fragen über PM, dafür ist das Forum da - andere haben vielleicht auch Interesse an der Antwort!

Einführende Links zu LabVIEW, s. GerdWs Signatur.
Alle Beiträge dieses Benutzers finden
Diese Nachricht in einer Antwort zitieren to top
17.12.2008, 13:37
Beitrag #5

jewi Offline
LVF-Grünschnabel
*


Beiträge: 44
Registriert seit: Oct 2008

8.5
2008
en

638xx
Deutschland
Teilweise Anzeige eines 2D-Arrays
Mein Problem ist, dass jedes Element aus einem Cluster besteht. Die kann ich in Tabellen glaub ich nicht anzeigen, oder?
In dem Cluster befindet sich unter anderem ein Button und ein Anzeigeelement. das ganze soll auf eine Benutzeroberfläche hinaus laufen, die zur Laufzeit veränderbar ist. Da wäre das teilweise Anzeigen eines Arrays ziemlich praktisch. Eine andere Möglichkeit die ich noch sehe besteht darin, dass ich das 2D-Array zerlege und aus jeder Zeile ein eigenes 1D-Array erstelle. Die Länge dieser einzelnen Arrays könnte ich dann beliebig verändern. Allerdings ist das Programm inzwischen recht komplex und ich müsste dann ziemlich viele Daten in den Arrays hin- und herkopieren. Das wollte ich vermeiden. Wie es jetzt aussieht, wird es so enden, dass ich alle Elemente anzeige und nicht genutzte einfach leer lasse. wenn dann ein leeres Fenster angeklickt wird, öffne ich ein Fenster mit einer Warnmeldung. Was besseres fällt mir im Moment nicht ein.
Alle Beiträge dieses Benutzers finden
Diese Nachricht in einer Antwort zitieren to top
17.12.2008, 14:48
Beitrag #6

Lucki Offline
Tech.Exp.2.Klasse
LVF-Team

Beiträge: 7.699
Registriert seit: Mar 2006

LV 2016-18 prof.
1995
DE

01108
Deutschland
Teilweise Anzeige eines 2D-Arrays
' schrieb:Gibt es die Möglichkeit, mit Property Nodes auf einzelne Elemente eines Arrays zuzugreifen?
Ja, mit Arrays geht es nicht, aber das heißt nicht, daß Du dich dann mit Einzelelmenten herumschinden mußt. Bei Clustern hatt man diese Möglichkeit ja, Einzelelmente auszublenden. Also alles in Cluster umwandeln und dann in eleganter Weise auf die Elemente zugreifen.
   
Lv85_img
Sonstige .vi  LV8.5_Array.vi (Größe: 15,64 KB / Downloads: 282)
Alle Beiträge dieses Benutzers finden
Diese Nachricht in einer Antwort zitieren to top
Anzeige
17.12.2008, 15:24
Beitrag #7

jewi Offline
LVF-Grünschnabel
*


Beiträge: 44
Registriert seit: Oct 2008

8.5
2008
en

638xx
Deutschland
Teilweise Anzeige eines 2D-Arrays
Genau sowas wollte ich haben.
Vielen Dank.
Alle Beiträge dieses Benutzers finden
Diese Nachricht in einer Antwort zitieren to top
17.12.2008, 15:50
Beitrag #8

jewi Offline
LVF-Grünschnabel
*


Beiträge: 44
Registriert seit: Oct 2008

8.5
2008
en

638xx
Deutschland
Teilweise Anzeige eines 2D-Arrays
' schrieb:Genau sowas wollte ich haben.
Vielen Dank.

Da war ich wohl ein bißchen zu schnell...
Ich hab immer noch ein Problem.
Die Größe des Arrays kann sich zur Laufzeit ändern. Das macht das Cluster leider nicht mit.


Angehängte Datei(en)
Sonstige .vi  LV8.5_Array_2_.vi (Größe: 18,99 KB / Downloads: 227)
Alle Beiträge dieses Benutzers finden
Diese Nachricht in einer Antwort zitieren to top
17.12.2008, 17:07
Beitrag #9

Y-P Offline
☻ᴥᴥᴥ☻ᴥᴥᴥ☻
LVF-Team

Beiträge: 12.612
Registriert seit: Feb 2006

Developer Suite Core -> LabVIEW 2015 Prof.
2006
EN

71083
Deutschland
Teilweise Anzeige eines 2D-Arrays
Dann nimm' doch 'ne Multicolumn Listbox. Da kannst Du unterschiedliche Felder je nach belieben Färben, d.h. Du machst Füllfarbe = Schriftfarbe und schon kann man nichts mehr lesen.

Hier ein Bsp....

Sonstige .vi  Zellen_unsichtbar_machen.vi (Größe: 14,04 KB / Downloads: 255)

Lv80_img

Gruß Markus

' schrieb:Da war ich wohl ein bißchen zu schnell...
Ich hab immer noch ein Problem.
Die Größe des Arrays kann sich zur Laufzeit ändern. Das macht das Cluster leider nicht mit.

--------------------------------------------------------------------------
Bitte stellt mir keine Fragen über PM, dafür ist das Forum da - andere haben vielleicht auch Interesse an der Antwort !!
--------------------------------------------------------------------------
Alle Beiträge dieses Benutzers finden
Diese Nachricht in einer Antwort zitieren to top
17.12.2008, 19:04
Beitrag #10

Lucki Offline
Tech.Exp.2.Klasse
LVF-Team

Beiträge: 7.699
Registriert seit: Mar 2006

LV 2016-18 prof.
1995
DE

01108
Deutschland
Teilweise Anzeige eines 2D-Arrays
' schrieb:Die Größe des Arrays kann sich zur Laufzeit ändern. Das macht das Cluster leider nicht mit.
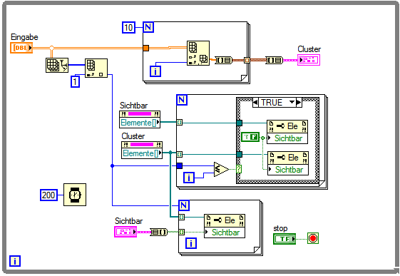
Ja, das hatte ich befürchtet. Das wird dann komplizierter. Du must wissen, welche maximale Größe zu erwarten ist, den Cluster entsprechend groß machen und was unnütz ist ausblenden.
Z.B. so:
   
Lv85_img
Sonstige .vi  LV8.5_Array_2_.vi (Größe: 27,59 KB / Downloads: 275)
Alle Beiträge dieses Benutzers finden
Diese Nachricht in einer Antwort zitieren to top
30
Antwort schreiben 


Möglicherweise verwandte Themen...
Themen Verfasser Antworten Views Letzter Beitrag
  Probleme beim Zusammensetzen eines Arrays Hasenfuss 9 9.956 11.08.2016 16:50
Letzter Beitrag: IchSelbst
  Von einzelnen 1D x-, y-, z-Arrays nach 2D X-, Y-, Z-"Grid" Arrays? bastian79 6 8.257 22.08.2009 12:07
Letzter Beitrag: schrotti
  Wie lösche ich den Inhalt eines Arrays? MichaH 0 3.551 11.12.2007 09:28
Letzter Beitrag: MichaH
  Anzeige eines Messwertes ändern sVeNvÅeTh 5 6.299 21.09.2007 09:50
Letzter Beitrag: Lucki

Gehe zu: