INFO: Dieses Forum nutzt Cookies...
Cookies sind für den Betrieb des Forums unverzichtbar. Mit der Nutzung des Forums erklärst Du dich damit einverstanden, dass wir Cookies verwenden.

Es wird in jedem Fall ein Cookie gesetzt um diesen Hinweis nicht mehr zu erhalten. Desweiteren setzen wir Google Adsense und Google Analytics ein.


Antwort schreiben 

exposure time setzen



Wenn dein Problem oder deine Frage geklärt worden ist, markiere den Beitrag als "Lösung",
indem du auf den "Lösung" Button rechts unter dem entsprechenden Beitrag klickst. Vielen Dank!

04.12.2008, 09:47
Beitrag #1

Steph Offline
LVF-Grünschnabel
*


Beiträge: 16
Registriert seit: Nov 2008

8.6
2007
de

73344
Deutschland
exposure time setzen
Guten Morgen,

eine Frage. Ich benutze NI-IMAQdx, kann mir jemand sagen wie ich die Belichtungszeit meiner Kamera ändern kann. Die Kamera stellt diese Option zur Verfügung. Ich habe es weder über den eigenschaftsknoten geschafft, noch habe ich ein vi gefunden über das ich die Triggerlänge steuern kann.

Besten Dank!

Grüße,
Stephi
Alle Beiträge dieses Benutzers finden
Diese Nachricht in einer Antwort zitieren to top
Anzeige
04.12.2008, 11:14
Beitrag #2

Steph Offline
LVF-Grünschnabel
*


Beiträge: 16
Registriert seit: Nov 2008

8.6
2007
de

73344
Deutschland
exposure time setzen
Lösung:

Beim Measurement & Automation Explorer (MAX) unter Camera Attributes "Shutter" öffnen. Dann nachschauen, welche Optionen dort stehen (bei mir z.B.: "Mode" und "Value").
Im vi einen Eigenschaftsknoten einbauen. Als erste Eigenschaft Attribut anwählen und über ein Bedienelement "Shutter" einstellen. Dann der Reihe nach die Eigenschaften vom MAX einstellen (bei mir: "Mode" und "Value"). Wieder ein Bedienelement vor die Eigenschaften hängen und die Werte die im MAX stehen einstellen (bei mir: "Mode" = "Relative"), bzw. unter Value die gewünschte Belichtungszeit angeben.
Alle Beiträge dieses Benutzers finden
Diese Nachricht in einer Antwort zitieren to top
30.11.2009, 11:11
Beitrag #3

LabView-Starter Offline
LVF-Grünschnabel
*


Beiträge: 23
Registriert seit: Sep 2009

8.5
2009
de

50931
Deutschland
exposure time setzen
Hallo Zusammen,

habe das gleiche vor. Im MAX erscheint der Shutter auch. Nur in LabVIEW nicht. Woran liegts? Was kann ich tun?
Habe zur verdeutlichungen mal ein paar Abbildungen beigefügt.

Gruß
LabVIEW-Starter


Angehängte Datei(en) Thumbnail(s)
           
Alle Beiträge dieses Benutzers finden
Diese Nachricht in einer Antwort zitieren to top
30.11.2009, 20:16
Beitrag #4

jg Offline
CLA & CLED
LVF-Team

Beiträge: 15.864
Registriert seit: Jun 2005

20xx / 8.x
1999
EN

Franken...
Deutschland
exposure time setzen
Ich kenne mich da nicht besonders aus, aber schon mal dieses Bsp aus dem NI-Examplefinder angeschaut?
   
Gruß, Jens

Wer die erhabene Weisheit der Mathematik tadelt, nährt sich von Verwirrung. (Leonardo da Vinci)

!! BITTE !! stellt mir keine Fragen über PM, dafür ist das Forum da - andere haben vielleicht auch Interesse an der Antwort!

Einführende Links zu LabVIEW, s. GerdWs Signatur.
Alle Beiträge dieses Benutzers finden
Diese Nachricht in einer Antwort zitieren to top
01.12.2009, 16:06
Beitrag #5

LabView-Starter Offline
LVF-Grünschnabel
*


Beiträge: 23
Registriert seit: Sep 2009

8.5
2009
de

50931
Deutschland
exposure time setzen
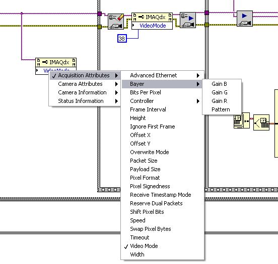
Danke, hat mir tatsächlich geholfen. Gab mir folgende Inspiration:

habe mir mittels "IMAQdx Enumerate Attributes" die verschiedenen Atributte anzeigen lassen (siehe Bild Frontpanel)
--> hab die Attribute "CameraAttributes::Shutter::Value" und "CameraAttributes::Shutter::Mode" gefunden
--> ENTSCHEIDEND: ActiveAttribute als Bedienelement deklarieren und als StringKonstante die Attribute eingeben (siehe Bild Blockdiagramm)
--> Werte können modifiziert werden

Smile

Gruß
LabVIEW-Starter


Angehängte Datei(en) Thumbnail(s)
       
Alle Beiträge dieses Benutzers finden
Diese Nachricht in einer Antwort zitieren to top
Antwort schreiben 


Gehe zu: