INFO: Dieses Forum nutzt Cookies...
Cookies sind für den Betrieb des Forums unverzichtbar. Mit der Nutzung des Forums erklärst Du dich damit einverstanden, dass wir Cookies verwenden.

Es wird in jedem Fall ein Cookie gesetzt um diesen Hinweis nicht mehr zu erhalten. Desweiteren setzen wir Google Adsense und Google Analytics ein.


Antwort schreiben 

Fehlermeldung



Wenn dein Problem oder deine Frage geklärt worden ist, markiere den Beitrag als "Lösung",
indem du auf den "Lösung" Button rechts unter dem entsprechenden Beitrag klickst. Vielen Dank!

19.11.2008, 14:07
Beitrag #1

beppone Offline
LVF-Grünschnabel
*


Beiträge: 14
Registriert seit: May 2007

7.1
2007
de

5020
Oesterreich
Fehlermeldung
Hallo!

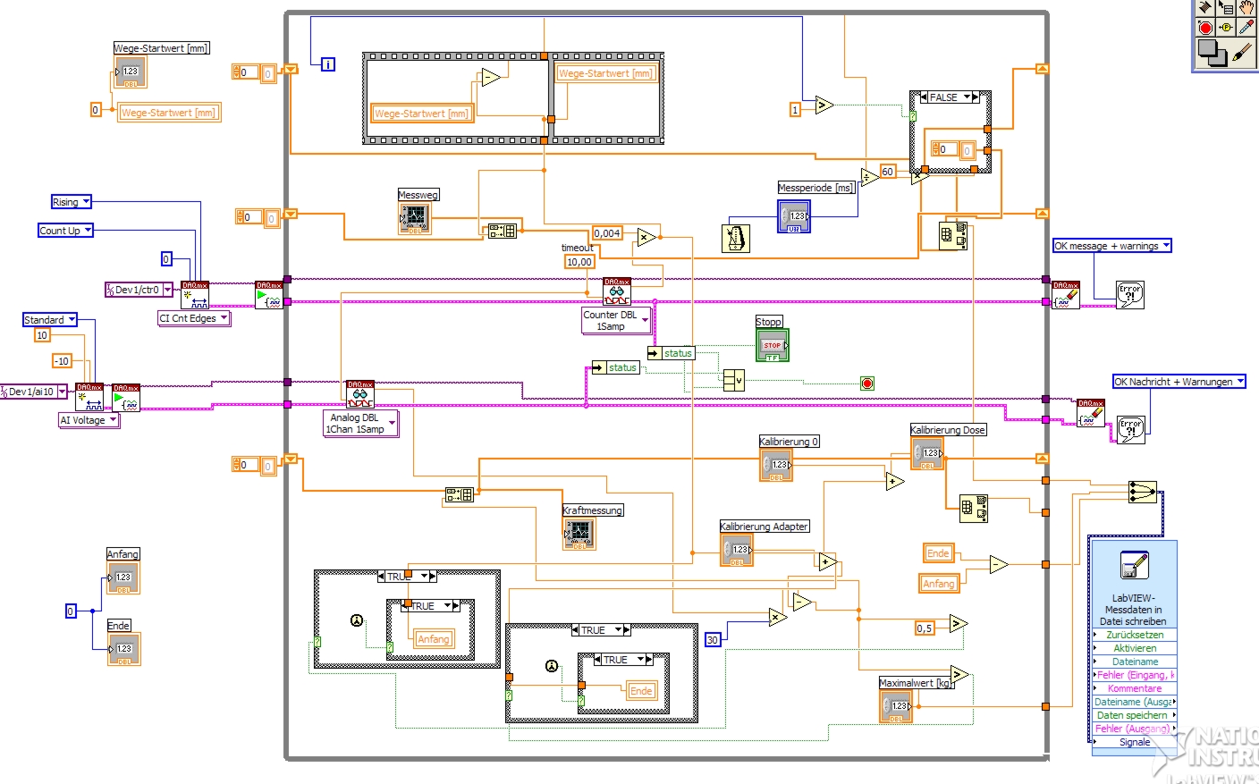
Ich arbeite mit einem NI-DAQPad 6015 und lese damit bei einem Prüfstand über einen Counter ein TTL Signal ein und über einen analog Eingang einen Drucksensor. Leidergottes kommt regelmäßig diese Fehlermeldung. Ich stecke das 6015 dann aus und wieder ein und alles funktioniert wie gehabt. Aber das nervt. Woran kann das liegen?

Besten Dank, Stefan


Angehängte Datei(en) Thumbnail(s)
   
Alle Beiträge dieses Benutzers finden
Diese Nachricht in einer Antwort zitieren to top
Anzeige
19.11.2008, 14:11
Beitrag #2

Achim Offline
*****
*****


Beiträge: 4.226
Registriert seit: Nov 2005

20xx
2000
EN

978xx
Deutschland
Fehlermeldung
Hmtja...offenbar versuchst du ständig programmatisch den Task neu zu starten...muss das sein? Evtl. stimmt da was nicht? Und was ist mit nem externen Trigger?

Poste doch mal deinen Code...

"Is there some mightier sage, of whom we have yet to learn?"

"Opportunity is missed by most people because it is dressed in overalls and looks like work." (Thomas Edison)
Alle Beiträge dieses Benutzers finden
Diese Nachricht in einer Antwort zitieren to top
19.11.2008, 15:15
Beitrag #3

beppone Offline
LVF-Grünschnabel
*


Beiträge: 14
Registriert seit: May 2007

7.1
2007
de

5020
Oesterreich
Fehlermeldung
Hallo!

Beim Code-Posten habe ich massive Bauchschmerzen, aufgrund programmiertechnischer Unfähigkeit meinerseits wird euch wohl ganz schön schlecht werden....

Aber gut. Danke auf alles Fälle! Stefan


Angehängte Datei(en) Thumbnail(s)
   
Alle Beiträge dieses Benutzers finden
Diese Nachricht in einer Antwort zitieren to top
30
Antwort schreiben 


Gehe zu: