' schrieb:Bei solchen Fragen geht mir der Hut hoch...
Woher sollen wir das wissen, ohne auch nur einen Screenshot deines VIs (besser: VI posten!) gesehen zu haben?
Entsprechende Antwort: Fehler beseitigen!
ja dann bin ich jetzt mal gespannt.
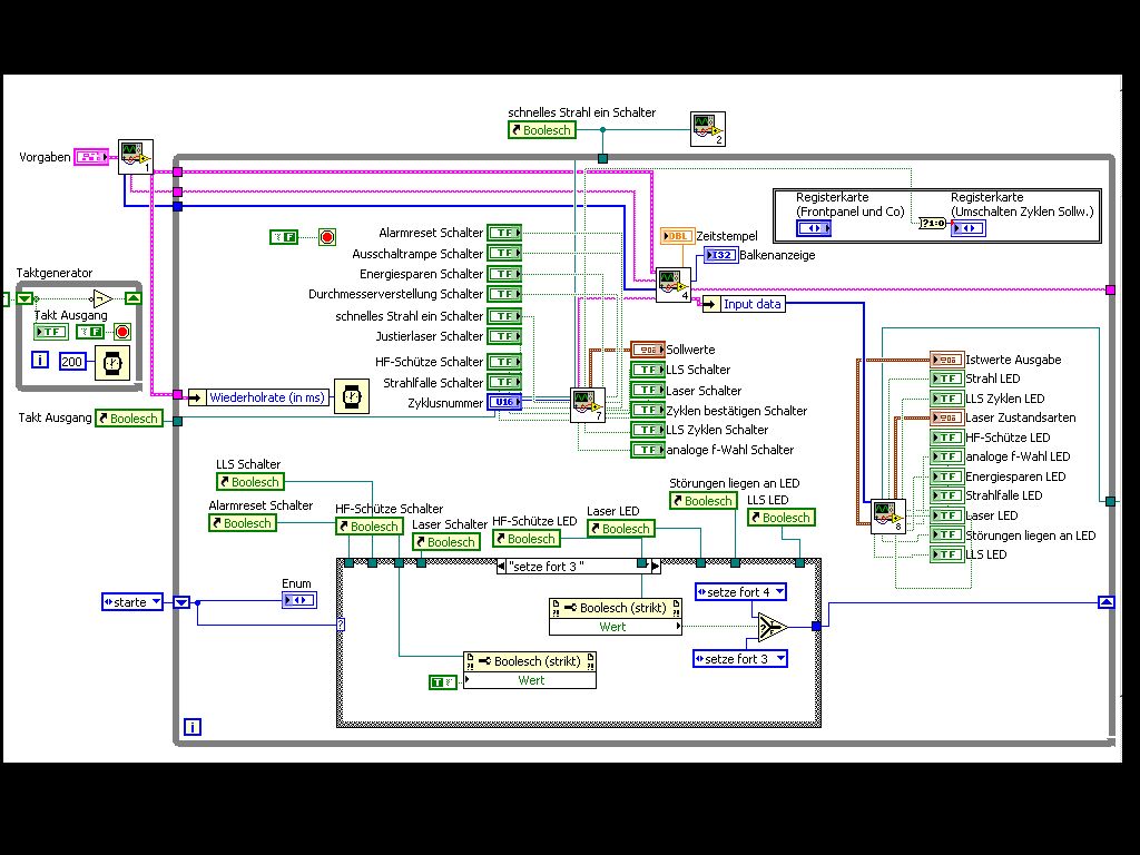
gleich mal vorne weg, posten bringt nix, weil das vi 2 subvis beinhaltet die für die profibus kommunikation zuständig sind wenn ihr also das vi startet habt ihr gleich fehler.
vi1: stellt die verbindung zum ethernet/profibus gateway her (wie genau keine ahnung weils gekauft is seh nur die anschlüsse).
vi2: com schnittstelle (siehe bild)
vi4: dient zur kommunikation mit dem gateway (genau anschauen kann ich mir das auch nicht weil es gekauft is und man nur die anschlüsse sieht).
vi7: wandelt die verschiedenen eingangwerte der bits in einen hexwert und fügt alle zu einem string zusammen die dann auf den bus gelegt werden
vi8: zerlegt den string vom bus und gibt mir die werte der einzelen bits aus
der taktgenerator dient zur erstellung eines lebenszeichens das von der maschinensteuerung erwartet wird, fehlt der, steigt die steuerung der maschine aus.
der referenzanschluss auf der rechten seite führt zu einem zweiten taktgenerator der eine andere frequenz darstellt.
die kommunikation ohne die states funktioniert einwandfrei, da kann also eig. kein fehler sein aber sobald man da die state machine einfügt fängt die kommunikation an zu haken und die steuerung steigt aus, weil der lebenszeichentakt nicht mehr stimmt.
hab die state machine auch schon mit lokalen variablen probiert aber das führt zum gleichen ergebnis.
danke schonmal für die mühe
gruß gerald
ach ja is mit 8.5 gemacht