INFO: Dieses Forum nutzt Cookies...
Cookies sind für den Betrieb des Forums unverzichtbar. Mit der Nutzung des Forums erklärst Du dich damit einverstanden, dass wir Cookies verwenden.

Es wird in jedem Fall ein Cookie gesetzt um diesen Hinweis nicht mehr zu erhalten. Desweiteren setzen wir Google Adsense und Google Analytics ein.


Antwort schreiben 

Problem mit RT-FIFO



Wenn dein Problem oder deine Frage geklärt worden ist, markiere den Beitrag als "Lösung",
indem du auf den "Lösung" Button rechts unter dem entsprechenden Beitrag klickst. Vielen Dank!

25.06.2008, 12:30
Beitrag #1

Benjamin84 Offline
LVF-Gelegenheitsschreiber
**


Beiträge: 56
Registriert seit: Apr 2008

8.5
-
de

13467
Deutschland
Problem mit RT-FIFO
Hallo,
ich will Daten von einer Schleife in die nächste über ein RT-FIFO übertragen leider klappt es nicht. Vielleicht sieht jemand meinen Fehler, ich habe mein vi mit der entsprechenden Stellen als foto angehangen. Das zweite Bild ist die Fortsetzung des Ersten.
Vielen Dank
       
Alle Beiträge dieses Benutzers finden
Diese Nachricht in einer Antwort zitieren to top
Anzeige
25.06.2008, 20:29
Beitrag #2

cb Offline
LVF-SeniorMod


Beiträge: 1.734
Registriert seit: Feb 2006

2018SP1
2001
EN

40xxx
Deutschland
Problem mit RT-FIFO
' schrieb:Hallo,
ich will Daten von einer Schleife in die nächste über ein RT-FIFO übertragen leider klappt es nicht. Vielleicht sieht jemand meinen Fehler, ich habe mein vi mit der entsprechenden Stellen als foto angehangen. Das zweite Bild ist die Fortsetzung des Ersten.
Vielen Dank
[attachment=40421:fifo1.jpg][attachment=40422:fifo2.jpg]

wenn nix rauskommt ist auch nix drin ...
das Einfügen ist in einer Case Strunktur, ich tippe mal darauf, dass ein Case aufgerufen wird, in dem KEIN Einfügen ist ...

https://www.rotabench.com - Prüftechnik für Elektromotoren
Webseite des Benutzers besuchen Alle Beiträge dieses Benutzers finden
Diese Nachricht in einer Antwort zitieren to top
26.06.2008, 08:09
Beitrag #3

Benjamin84 Offline
LVF-Gelegenheitsschreiber
**


Beiträge: 56
Registriert seit: Apr 2008

8.5
-
de

13467
Deutschland
Problem mit RT-FIFO
Aber in dem Case habe ich ja die "RT FIFO schreiben" Funktion eingebaut. Der Case wird auch aufgerufen das mit die Anzeige die die in dem Case ist was anzeigt. Aber irgendwie werden die Werte nicht in den FIFO geschrieben.
Alle Beiträge dieses Benutzers finden
Diese Nachricht in einer Antwort zitieren to top
30.06.2008, 13:06
Beitrag #4

piwi22 Offline
LVF-Neueinsteiger


Beiträge: 3
Registriert seit: Oct 2007

8
2007
kA


Deutschland
Problem mit RT-FIFO
Da gibt es bei den Beispielen eins, dass nennt sich RT FIFO Comunication oder so. Dort sind die FIFO Blöcke in den Schleifen mit Schieberegistern ausgestattet.
Vielleicht hilft dir das weiter.

Habe aber mit der gleichen Sache etwas Probleme.
Alle Beiträge dieses Benutzers finden
Diese Nachricht in einer Antwort zitieren to top
01.07.2008, 10:11
Beitrag #5

cb Offline
LVF-SeniorMod


Beiträge: 1.734
Registriert seit: Feb 2006

2018SP1
2001
EN

40xxx
Deutschland
Problem mit RT-FIFO
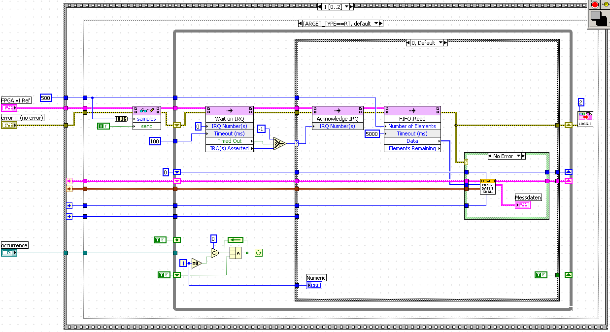
ich mach das immer so:

ich hole immer eine feste Anzahl von Werten aus dem FIFO ab. Das FPGA-VI signalisiert durch einen Interrupt, dass jetzt genug Daten zum Abholen bereit liegen, quasi genau so wie bei einer cont. buffered Accquisition bei DAQmx:

   


   
(Ausschnitt aus einem SubVI im FPGA-Main-VI)

die Anzahl der Werte "vereinbare" ich zur Laufzeit mit dem FPGA-VI, einfach in dem ich das Control "Samples" mit der Anzahl der Werte beschreibe, die ich in einem Block abholen will ...

Das "FPGA-FIFO-Write" Sub-VI liegt zusätzlich noch in einer Case-Struktur damit ich das Schreiben in den FIFO zur Laufzeit durch Setzen des Controls "send" de-/aktivieren kann - in dem Beispiel wird das Senden im RT-VI nur einmal vor der While-Schleife aktiviert ...

https://www.rotabench.com - Prüftechnik für Elektromotoren
Webseite des Benutzers besuchen Alle Beiträge dieses Benutzers finden
Diese Nachricht in einer Antwort zitieren to top
30
Antwort schreiben 


Möglicherweise verwandte Themen...
Themen Verfasser Antworten Views Letzter Beitrag
Question Timeout bei FIFO Speicher otto.kranz 15 42.923 19.09.2016 12:20
Letzter Beitrag: GerdW
  RT FIFO Frage gfzk 1 15.857 02.07.2015 15:56
Letzter Beitrag: GerdW
  RT FIFO Verständnis Michiel 3 12.167 13.06.2014 14:02
Letzter Beitrag: jg
  Fragen zu DMA FIFO gfzk 5 14.181 24.10.2011 17:23
Letzter Beitrag: gfzk
  DMA FIFO + TDMS File IO NoD 1 9.913 30.10.2009 15:21
Letzter Beitrag: dlambert
  2-d-dblArray in RT-FIFO 23uwe 0 6.716 04.01.2008 20:10
Letzter Beitrag: 23uwe

Gehe zu: