INFO: Dieses Forum nutzt Cookies...
Cookies sind für den Betrieb des Forums unverzichtbar. Mit der Nutzung des Forums erklärst Du dich damit einverstanden, dass wir Cookies verwenden.

Es wird in jedem Fall ein Cookie gesetzt um diesen Hinweis nicht mehr zu erhalten. Desweiteren setzen wir Google Adsense und Google Analytics ein.


Antwort schreiben 

Bilder aus Array in voller Größe speichern?



Wenn dein Problem oder deine Frage geklärt worden ist, markiere den Beitrag als "Lösung",
indem du auf den "Lösung" Button rechts unter dem entsprechenden Beitrag klickst. Vielen Dank!

15.04.2008, 15:10
Beitrag #1

schroepel Offline
LVF-Gelegenheitsschreiber
**


Beiträge: 68
Registriert seit: Mar 2008

8.5
2008
de

09113
Deutschland
Bilder aus Array in voller Größe speichern?
Hallo erstmal,

wieder eimal habe ich ein Problem mit meiner Kamerasteuerung.
Ich nehme mit der Kamera eine Sequenz von fünf Bildern in Serie auf, lege diese in einem Array ab und zeige sie auf dem Bildschirm in der Auflösung 400x320 an.
Über eine Auswahl kann ich dann definieren welche Bilder abgespeichert werden sollen.
Da die Kamera aber eine Auflösung von 1208x0124 hat, möchte ich diese natürlich auch zum abspeichern auf der Festplatte nutzen.
Das Problem ist aber, wenn ich die Bilder aus dem angezeigten Array abspeichern will, haben diese ja nur die geringe Auflöung.
Um das Problem zu lösen, hab ich mir gedacht, dass ich jedes der Bilder in zwei verschiedenen Arrays ablege.
Das eine zum anzeigen und das andere zu abspeichern der Bilder.
Jetzt hab ich aber das Problem, dass ich irgendwie nur Bilder (Arrays) die angezeit werden auch abspeichern kann.
Denn wenn ich das Array mit den großen Bildern ausblende und dann auf speichern gehe, sind meine Bilder alle weiss.
Gibt es eine Möglichkeit die Bilder abzuspeichen ohne sie von einer Anzeige abhängig zu machen aber vorher trotztem in einem Array abzulegen?
   
Außerdem habe ich das Problem, dass die Bilder alle als Graustufenbild angezeigt und abgespeichert werden sollen.
Bei der kleinen Anzeige funktioniert das auch wunderbar, dort kann man das ja auch definieren.
Aber die Großen Bilder ohne Videoanzeige sind nicht in Graustufen, sondern in Blaustufen.
Klingt zwar blöd, is aber so. Die Bilder sehen aus wie ein Graustufenbild das nachträglich mit Blau coloriert wurde.
Hat da irgendjemand ´ne Lösung für das Problem, ich kann mir das nähmlich nicht erklären,
zumal die Kamera auch keine Farben aufnehmen kann.

Gruß Marco
Alle Beiträge dieses Benutzers finden
Diese Nachricht in einer Antwort zitieren to top
Anzeige
15.04.2008, 15:41 (Dieser Beitrag wurde zuletzt bearbeitet: 16.04.2008 07:33 von Y-P.)
Beitrag #2

Y-P Offline
☻ᴥᴥᴥ☻ᴥᴥᴥ☻
LVF-Team

Beiträge: 12.612
Registriert seit: Feb 2006

Developer Suite Core -> LabVIEW 2015 Prof.
2006
EN

71083
Deutschland
Bilder aus Array in voller Größe speichern?
Anm.:
Bei dem Property-Node in der For-Schleife musst Du aufpassen, weil es da eine "Race Condition" geben kann!
Daher solltest Du immer den Error-Cluster durchverbinden oder es mit einer Sequenz machen.

Gruß Markus

--------------------------------------------------------------------------
Bitte stellt mir keine Fragen über PM, dafür ist das Forum da - andere haben vielleicht auch Interesse an der Antwort !!
--------------------------------------------------------------------------
Alle Beiträge dieses Benutzers finden
Diese Nachricht in einer Antwort zitieren to top
15.04.2008, 20:20
Beitrag #3

jg Offline
CLA & CLED
LVF-Team

Beiträge: 15.864
Registriert seit: Jun 2005

20xx / 8.x
1999
EN

Franken...
Deutschland
Bilder aus Array in voller Größe speichern?
1. Offenbar nimmst du mit deiner Kamera Graustufenbilder auf (zumindest habe ich das so aus deinen anderen Threads gezogen). Dann musst du natürlich bei der Umwandlung in ein LV-image per "Unflatten Pixmap" dein 2D-Array an den U8 Eingang anschließen. Außerdem musst du dann eine Graustufenskala (am einfachsten selber erzeugen) an den Eingang "colors" anschließen. Alles nachzulesen in der Hilfe zu diesem VI.

2. Wieso holst du du dir umständlich einen Screenshot vom dargestellten 2D-Array (ist "Video 2" ein Intensitätsgraph???). Du hast doch die vollen noch nicht reduzierten LV-image-Daten. Die stellst du einfach als Picture-Controls im FP dar. Zum Zoomen empfehle ich hierbei die PropertyNode "Zoom" des Picture-Control. Und die Image-Daten kannst du doch auch ganz einfach abspeichern. Wenn du mehr über die Zoom-Eigenschaften des Picture-Control wissen willst, dann such mal im NI-Examplefinder das Beispiel "Picture Control - Zoom Attribute.vi".

MfG, Jens

Wer die erhabene Weisheit der Mathematik tadelt, nährt sich von Verwirrung. (Leonardo da Vinci)

!! BITTE !! stellt mir keine Fragen über PM, dafür ist das Forum da - andere haben vielleicht auch Interesse an der Antwort!

Einführende Links zu LabVIEW, s. GerdWs Signatur.
Alle Beiträge dieses Benutzers finden
Diese Nachricht in einer Antwort zitieren to top
16.04.2008, 13:18
Beitrag #4

schroepel Offline
LVF-Gelegenheitsschreiber
**


Beiträge: 68
Registriert seit: Mar 2008

8.5
2008
de

09113
Deutschland
Bilder aus Array in voller Größe speichern?
' schrieb:1. Offenbar nimmst du mit deiner Kamera Graustufenbilder auf (zumindest habe ich das so aus deinen anderen Threads gezogen). Dann musst du natürlich bei der Umwandlung in ein LV-image per "Unflatten Pixmap" dein 2D-Array an den U8 Eingang anschließen. Außerdem musst du dann eine Graustufenskala (am einfachsten selber erzeugen) an den Eingang "colors" anschließen. Alles nachzulesen in der Hilfe zu diesem VI.

2. Wieso holst du du dir umständlich einen Screenshot vom dargestellten 2D-Array (ist "Video 2" ein Intensitätsgraph???). Du hast doch die vollen noch nicht reduzierten LV-image-Daten. Die stellst du einfach als Picture-Controls im FP dar. Zum Zoomen empfehle ich hierbei die PropertyNode "Zoom" des Picture-Control. Und die Image-Daten kannst du doch auch ganz einfach abspeichern. Wenn du mehr über die Zoom-Eigenschaften des Picture-Control wissen willst, dann such mal im NI-Examplefinder das Beispiel "Picture Control - Zoom Attribute.vi".

MfG, Jens

Hallo Jens

vielen Dank erstmal für die Hilfe.
Zu 1.:
Das funktioniert jetzt, dank deines Hinweises auf die Graustufenskala. Hat mich aber auch erstmal einige Zeit gekostet bis ich rausgefunden habe wie man die erstellt. Da ich eben gerade mal seit ca. fünf Wochen mit LabVIEW arbeite und meine sonstigen Programmierkeinntnisse eher beschränkt sind dauert eben alles ein bischen länger.

Zu 2.:
Hier hab ich leider gar keine Ahnung wie du das meinst. Da ich sechs Bilder hintereinander in das Array lege und die dann auch alle anschauen möchte, muss ich das Array doch dann irgenwie aufspalten (1D-Array dezimieren) oder? Das Example, dass du mir empfohlen hast, hab ich mir angschaut, aber irgendwie komm ich damit nicht so recht klar.
Kannst du mir das bitte etwas näher erklären wie du 2. gemeint hast, damit ich´s als kleiner dummer Anfänger auch verstehe.


Gruß Marco
Alle Beiträge dieses Benutzers finden
Diese Nachricht in einer Antwort zitieren to top
16.04.2008, 15:48 (Dieser Beitrag wurde zuletzt bearbeitet: 16.04.2008 15:53 von jg.)
Beitrag #5

jg Offline
CLA & CLED
LVF-Team

Beiträge: 15.864
Registriert seit: Jun 2005

20xx / 8.x
1999
EN

Franken...
Deutschland
Bilder aus Array in voller Größe speichern?
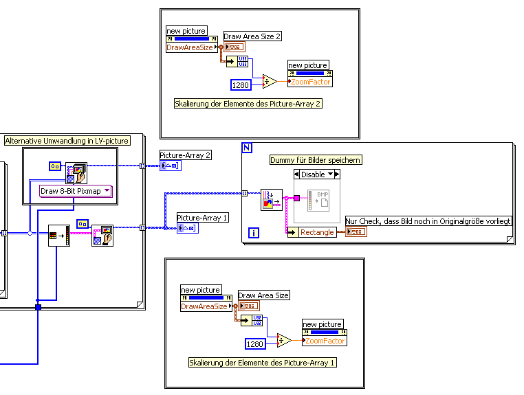
zu 2.: So:

   

Was du da mit deinem Array-Dezimieren willst, verstehe ich nicht...

Einfach ein "Array of Picture" auf dem FP, und du kannst alle Bilder anschauen (entweder durchscrollen, oder du ziehst das Array auf, dann hast du 6 Bilder). Jetzt nur noch die Bild-Anzeige per PropertyNode skalieren, fertig... (und du skalierst hierbei nur die Anzeige des Bildes, die Bildpunkte sind weiterhin komplett vorhanden!).

MfG, Jens

Wer die erhabene Weisheit der Mathematik tadelt, nährt sich von Verwirrung. (Leonardo da Vinci)

!! BITTE !! stellt mir keine Fragen über PM, dafür ist das Forum da - andere haben vielleicht auch Interesse an der Antwort!

Einführende Links zu LabVIEW, s. GerdWs Signatur.
Alle Beiträge dieses Benutzers finden
Diese Nachricht in einer Antwort zitieren to top
Antwort schreiben 


Möglicherweise verwandte Themen...
Themen Verfasser Antworten Views Letzter Beitrag
  Bild feste Größe, Rechtecke zeichnen Positionen speichern ominum 9 10.643 12.05.2009 09:52
Letzter Beitrag: ominum
  Bild aus Array speichern Ulrich 3 6.447 06.09.2007 22:27
Letzter Beitrag: jg

Gehe zu: