INFO: Dieses Forum nutzt Cookies...
Cookies sind für den Betrieb des Forums unverzichtbar. Mit der Nutzung des Forums erklärst Du dich damit einverstanden, dass wir Cookies verwenden.

Es wird in jedem Fall ein Cookie gesetzt um diesen Hinweis nicht mehr zu erhalten. Desweiteren setzen wir Google Adsense und Google Analytics ein.


Antwort schreiben 

10 gleiche Graubilder aufnehmen und einen Mittelwert bilden



Wenn dein Problem oder deine Frage geklärt worden ist, markiere den Beitrag als "Lösung",
indem du auf den "Lösung" Button rechts unter dem entsprechenden Beitrag klickst. Vielen Dank!

12.02.2010, 13:46
Beitrag #1

Peter Schulze Offline
LVF-Gelegenheitsschreiber
**


Beiträge: 113
Registriert seit: Sep 2008

7.00 / 8.6 / 2010 / 2011 / 2012
2003
DE_EN

7****
Deutschland
10 gleiche Graubilder aufnehmen und einen Mittelwert bilden
Hallo zusammen,
ist es möglich z.B. 10 Grauwertbilder mittels While Schleife aufzunehmen und von diesen 10 Grauwertbilder ein Mittelwertbild herauszubekommen. D.h. wie ich den Mittelwert einer Zahlenfolge bilde(Zahlenfolge 4,5,6 - Mittelwert 5), so möchte ich den Mittelwert von 10 Grauwertbildern bilden. Dadurch sollen Schwankungen und das Rauschen verringert werden.
Hat dazu irgend jemand eine Idee?
Danke im Voraus für Eure Hilfe.
Gruß Peter
Alle Beiträge dieses Benutzers finden
Diese Nachricht in einer Antwort zitieren to top
Anzeige
12.02.2010, 14:36
Beitrag #2

SeBa Offline
LVF-Guru
*****


Beiträge: 2.025
Registriert seit: Oct 2008

09SP1 & 10 FDS
2008
DE

65xxx
Deutschland
10 gleiche Graubilder aufnehmen und einen Mittelwert bilden
Hab zwar kein Vision, aber ich würds so machen:

   

Gruß SeBa

Dieser Beitrag soll weder nützlich, informativ noch lesbar sein.

Er erhebt lediglich den Anspruch dort wo er ungenau ist, wenigstens eindeutig ungenau zu sein.
In Fällen größerer Abweichungen ist es immer der Leser, der sich geirrt hat.

Rette einen Baum!
Diesen Beitrag nur ausdrucken, wenn unbedingt nötig!
Alle Beiträge dieses Benutzers finden
Diese Nachricht in einer Antwort zitieren to top
12.02.2010, 15:56
Beitrag #3

Peter Schulze Offline
LVF-Gelegenheitsschreiber
**


Beiträge: 113
Registriert seit: Sep 2008

7.00 / 8.6 / 2010 / 2011 / 2012
2003
DE_EN

7****
Deutschland
10 gleiche Graubilder aufnehmen und einen Mittelwert bilden
ich hatte eigentlich folgendes vor, siehe attachment, doch leider funktioniert das nicht so mit dem Mittelwert bilden der Bilder

   
Alle Beiträge dieses Benutzers finden
Diese Nachricht in einer Antwort zitieren to top
12.02.2010, 18:58
Beitrag #4

Lucki Offline
Tech.Exp.2.Klasse
LVF-Team

Beiträge: 7.699
Registriert seit: Mar 2006

LV 2016-18 prof.
1995
DE

01108
Deutschland
10 gleiche Graubilder aufnehmen und einen Mittelwert bilden
' schrieb:ich würds so machen:
Hast Du dieses SubVI     selbst gemacht oder ist das in lv9 irgendwo auf der Palette?
Alle Beiträge dieses Benutzers finden
Diese Nachricht in einer Antwort zitieren to top
12.02.2010, 20:44
Beitrag #5

dimitri84 Offline
Astronaut
*****


Beiträge: 1.496
Registriert seit: Aug 2009

2020 Developer Suite
2009
DE_EN

53562
Deutschland
10 gleiche Graubilder aufnehmen und einen Mittelwert bilden
' schrieb:Hast Du dieses SubVI [attachment=52813:clip.png] selbst gemacht oder ist das in lv9 irgendwo auf der Palette?
OpenG

„Sag nicht alles, was du weißt, aber wisse immer, was du sagst.“ (Matthias Claudius)
Webseite des Benutzers besuchen Alle Beiträge dieses Benutzers finden
Diese Nachricht in einer Antwort zitieren to top
15.02.2010, 09:52
Beitrag #6

Peter Schulze Offline
LVF-Gelegenheitsschreiber
**


Beiträge: 113
Registriert seit: Sep 2008

7.00 / 8.6 / 2010 / 2011 / 2012
2003
DE_EN

7****
Deutschland
10 gleiche Graubilder aufnehmen und einen Mittelwert bilden
Hallo,
hat jemand Ideen bezüglich meines Anliegens? Ich konnte bis jetzt noch keine Lösung finden.
Würde mich freuen und vor allen Dingen weiterhelfen, wenn irgendwelche Tipps kommen.
Gruß Peter
Alle Beiträge dieses Benutzers finden
Diese Nachricht in einer Antwort zitieren to top
Anzeige
15.02.2010, 14:23
Beitrag #7

jg Offline
CLA & CLED
LVF-Team

Beiträge: 15.864
Registriert seit: Jun 2005

20xx / 8.x
1999
EN

Franken...
Deutschland
10 gleiche Graubilder aufnehmen und einen Mittelwert bilden
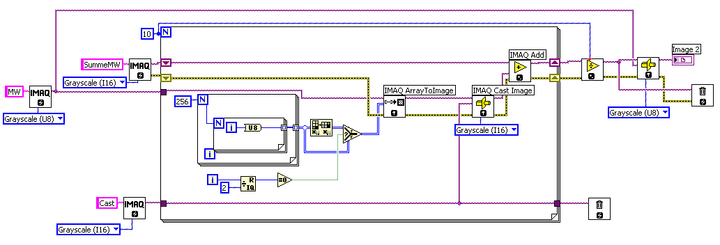
Naja, als erstes sollte man vielleicht die Bilder addieren anstatt zu multiplizieren!

Ich habe einmal was zusammengeklickt, was funktionieren sollte:
   
Resultat:
   

Gruß, Jens

P.S.: @SeBa: Dein VI funktioniert so nicht! Für die Aufsummierung muss das Datenformat erweitert werden, nur in U8 wirst du keinen Mittelwert über U8 Zahlen bilden können. Es wird viel zu oft passieren, dass die Summe > 255 ist.

Wer die erhabene Weisheit der Mathematik tadelt, nährt sich von Verwirrung. (Leonardo da Vinci)

!! BITTE !! stellt mir keine Fragen über PM, dafür ist das Forum da - andere haben vielleicht auch Interesse an der Antwort!

Einführende Links zu LabVIEW, s. GerdWs Signatur.
Alle Beiträge dieses Benutzers finden
Diese Nachricht in einer Antwort zitieren to top
15.02.2010, 16:52
Beitrag #8

SeBa Offline
LVF-Guru
*****


Beiträge: 2.025
Registriert seit: Oct 2008

09SP1 & 10 FDS
2008
DE

65xxx
Deutschland
10 gleiche Graubilder aufnehmen und einen Mittelwert bilden
' schrieb:P.S.: @SeBa: Dein VI funktioniert so nicht! Für die Aufsummierung muss das Datenformat erweitert werden, nur in U8 wirst du keinen Mittelwert über U8 Zahlen bilden können. Es wird viel zu oft passieren, dass die Summe > 255 ist.

Stimmt auch. Habs auch nie ausprobiert. ... Aber sonst würd es klappen, oder?Unsure

Gruß SeBa

Dieser Beitrag soll weder nützlich, informativ noch lesbar sein.

Er erhebt lediglich den Anspruch dort wo er ungenau ist, wenigstens eindeutig ungenau zu sein.
In Fällen größerer Abweichungen ist es immer der Leser, der sich geirrt hat.

Rette einen Baum!
Diesen Beitrag nur ausdrucken, wenn unbedingt nötig!
Alle Beiträge dieses Benutzers finden
Diese Nachricht in einer Antwort zitieren to top
15.02.2010, 22:52
Beitrag #9

unicorn Offline
LVF-Freak
****


Beiträge: 680
Registriert seit: Jul 2009

8.6.1, 2010 - 2012
1994
EN

10xxx
Deutschland
10 gleiche Graubilder aufnehmen und einen Mittelwert bilden
' schrieb:ich hatte eigentlich folgendes vor, siehe attachment, doch leider funktioniert das nicht so mit dem Mittelwert bilden der Bilder

[attachment=52812:Unbenannt.png]

Hier fehlt vor allen Dingen ein IMAQ Create um das Shift Register zu initialisieren.
Nebenbei bemerkt: Bei IMAQ Bildern ist Shift Register nicht notwendig. IMAQ Bilder sind Handles. Die Summation würde auch ohne Shiftregister funktionieren.

Den Rest hat Jens schon gezeigt.
Alle Beiträge dieses Benutzers finden
Diese Nachricht in einer Antwort zitieren to top
16.02.2010, 15:55 (Dieser Beitrag wurde zuletzt bearbeitet: 17.02.2010 09:24 von Y-P.)
Beitrag #10

Peter Schulze Offline
LVF-Gelegenheitsschreiber
**


Beiträge: 113
Registriert seit: Sep 2008

7.00 / 8.6 / 2010 / 2011 / 2012
2003
DE_EN

7****
Deutschland
10 gleiche Graubilder aufnehmen und einen Mittelwert bilden
Vielen Dank für Eure Hilfe,
es funktioniert in Ansätzen. Ich bekomme immer die Fehlermeldung "IMAQ Add
The image is not large enough for the operation."
Ich habe mal zwei VI's hochgeladen, in welchen der Fehler verursacht wird.
Bildaufnahme_Average.vi ist das HauptVI und
mv_Bildaufnahme_monochrom.vi das SubVI

Den Image Type habe ich immer auf SGL festgelegt, weil ich dadurch den größten Wertebereich habe. Könnte dies ein Problem sein? Ich habe aber auch schon anderen Image Typen ausprobiert (U8, I19, U16) leider ohne Erfolg.

Habt Ihr Ideen?

gruß Peter


Sonstige .vi  Bildaufnahme_Average.vi (Größe: 54,14 KB / Downloads: 357)

Lv09_img2

Sonstige .vi  mv_Bildaufnahme_Monochrom.vi (Größe: 62,85 KB / Downloads: 347)

Lv09_img2
Alle Beiträge dieses Benutzers finden
Diese Nachricht in einer Antwort zitieren to top
Antwort schreiben 


Möglicherweise verwandte Themen...
Themen Verfasser Antworten Views Letzter Beitrag
  TIFF Bilderserie aufnehmen Tho_Sifi 1 5.528 23.05.2014 10:35
Letzter Beitrag: b.p
  Bild aufnehmen und nun automatisch als Vorlage Rudib20 3 6.179 10.10.2011 15:29
Letzter Beitrag: gottfried
  Messungen per USB-Kamera aufnehmen und filmen ttdadp 7 12.534 08.09.2011 07:26
Letzter Beitrag: kaiman
  Video aufnehmen und Speichern als AVI Praklv 3 9.129 29.04.2009 10:49
Letzter Beitrag: ImExPorty
  AVI aufnehmen Reinhold 1 4.921 08.07.2008 09:44
Letzter Beitrag: Abrax
  Video von Kamera aufnehmen Bob 2 8.371 24.07.2007 19:34
Letzter Beitrag: Bob

Gehe zu: