INFO: Dieses Forum nutzt Cookies...
Cookies sind für den Betrieb des Forums unverzichtbar. Mit der Nutzung des Forums erklärst Du dich damit einverstanden, dass wir Cookies verwenden.

Es wird in jedem Fall ein Cookie gesetzt um diesen Hinweis nicht mehr zu erhalten. Desweiteren setzen wir Google Adsense und Google Analytics ein.


Antwort schreiben 

3 Arrays dynamisch verändern



Wenn dein Problem oder deine Frage geklärt worden ist, markiere den Beitrag als "Lösung",
indem du auf den "Lösung" Button rechts unter dem entsprechenden Beitrag klickst. Vielen Dank!

13.09.2016, 09:46 (Dieser Beitrag wurde zuletzt bearbeitet: 13.09.2016 09:53 von hubem14.)
Beitrag #1

hubem14 Offline
LVF-Grünschnabel
*


Beiträge: 22
Registriert seit: Jul 2016

2013
2015
EN



3 Arrays dynamisch verändern
Hallo liebes Forum,

habe 3 Arrays, wovon 2 eindimensional und 1 zweidimensional ist - siehe Anhang.

Optimal wäre es, wenn bei einem beliebigen Array im Index was geändert wird, bei den anderen beiden das gleiche passiert. Also wenn ich im obersten auf Position 3 springe, sollte der mittlere ebenfalls auf 3 springen und beim unteren die zweite Dimension ebenso.

Hat irgendwer eine Ahnung wie ich das am besten verwirklichen könnte?
Dankeschön, Gruß
Anhang vergessen Denknach

schätze mal das funktioniert mit einer property node - welche greift da auf den Index zu?


Angehängte Datei(en) Thumbnail(s)
   
Alle Beiträge dieses Benutzers finden
Diese Nachricht in einer Antwort zitieren to top
Anzeige
13.09.2016, 09:53 (Dieser Beitrag wurde zuletzt bearbeitet: 13.09.2016 09:56 von GerdW.)
Beitrag #2

GerdW Offline
______________
LVF-Team

Beiträge: 17.536
Registriert seit: May 2009

LV2019 (LV2021)
1995
DE_EN

10×××
Deutschland
RE: 3 Arrays dynamisch verändern
Hallo hubem,

auch ohne Anhang würde ich die PropertyNodes empfehlen: darüber hat man bei Array Zugriff auf die Indexeingabe…

Edit: Jetzt mit Anhang möchte ich dir "Indexwerte" empfehlen…

Zitat:welche greift da auf den Index zu?
Vorgehensweise:
- Kontexthilfe öffnen (Ctrl-H)
- Rechtsklick auf Array -> Erstellen -> Eigenschaft
- dann mit der Maus langsam die Eigenschaften lang gehen und die Kontexthilfe lesen…
Big Grin

Alle Beiträge dieses Benutzers finden
Diese Nachricht in einer Antwort zitieren to top
13.09.2016, 10:02
Beitrag #3

hubem14 Offline
LVF-Grünschnabel
*


Beiträge: 22
Registriert seit: Jul 2016

2013
2015
EN



RE: 3 Arrays dynamisch verändern
Hallo GerdW,

Dankeschön, war dann eh schon am richtigen Weg. Wink

Abhängig davon von welchem Array ich den Index ändere, werde ich wahrscheinlich jeweils eine eigene while-Schleife erstellen müssen oder? Somit insgesamt 3 - oder gäbe es da eine Variante das zusammenzufassen?
Alle Beiträge dieses Benutzers finden
Diese Nachricht in einer Antwort zitieren to top
13.09.2016, 10:34
Beitrag #4

GerdW Offline
______________
LVF-Team

Beiträge: 17.536
Registriert seit: May 2009

LV2019 (LV2021)
1995
DE_EN

10×××
Deutschland
RE: 3 Arrays dynamisch verändern
Hallo hubem,

eine einzige Eventstruktur mit maximal 3 Eventcases: wohl eher 2 Eventcases: entweder ändern sich die zwei 1D-Arrays oder das 2D-Array…

Alle Beiträge dieses Benutzers finden
Diese Nachricht in einer Antwort zitieren to top
13.09.2016, 10:42
Beitrag #5

hubem14 Offline
LVF-Grünschnabel
*


Beiträge: 22
Registriert seit: Jul 2016

2013
2015
EN



RE: 3 Arrays dynamisch verändern
(13.09.2016 10:34 )GerdW schrieb:  eine einzige Eventstruktur mit maximal 3 Eventcases: wohl eher 2 Eventcases: entweder ändern sich die zwei 1D-Arrays oder das 2D-Array…

Soweit war ich auch schon, find nur kein eventcase mit dem man den Value Change der Indices anspricht - nur das normale Value Change, aber der Inhalt der Arrays wird ja nicht verändert, nur der Index. Somit springt meine Eventstructure darauf logischerweise nicht an.Huh
Alle Beiträge dieses Benutzers finden
Diese Nachricht in einer Antwort zitieren to top
13.09.2016, 11:12
Beitrag #6

hubem14 Offline
LVF-Grünschnabel
*


Beiträge: 22
Registriert seit: Jul 2016

2013
2015
EN



RE: 3 Arrays dynamisch verändern
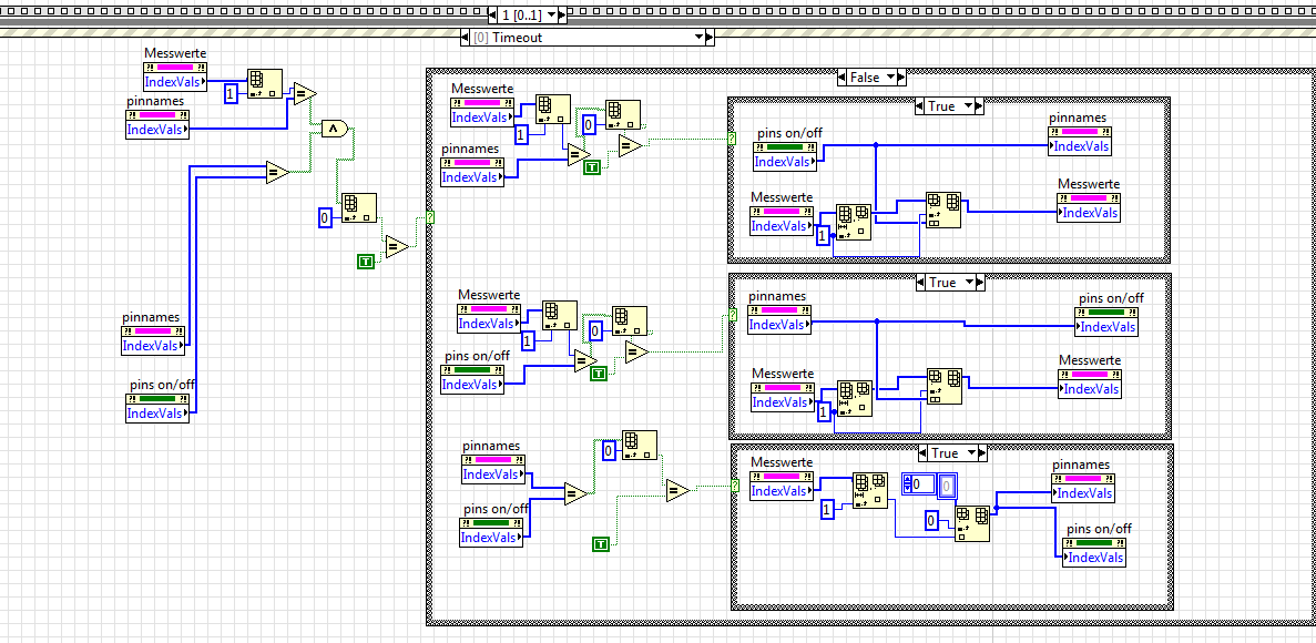
Habs jetzt so gemacht, sieht zwar nicht nach Musterlösung aus - aber funktioniert immerhin Big Grin

Danke für die Hilfe!


Angehängte Datei(en) Thumbnail(s)
   
Alle Beiträge dieses Benutzers finden
Diese Nachricht in einer Antwort zitieren to top
Anzeige
13.09.2016, 11:18
Beitrag #7

Morpheus Offline
LVF-Gelegenheitsschreiber
**


Beiträge: 205
Registriert seit: Jul 2009

2019 SP1, 2020 SP1
2005
EN

8000
Schweiz
RE: 3 Arrays dynamisch verändern
Den Vergleich "= True" vor der Case-Struktur kannst du dir schenken.
Du hast ja bereits die benötigte Information (True/False) vorliegen.
Alle Beiträge dieses Benutzers finden
Diese Nachricht in einer Antwort zitieren to top
13.09.2016, 11:45
Beitrag #8

GerdW Offline
______________
LVF-Team

Beiträge: 17.536
Registriert seit: May 2009

LV2019 (LV2021)
1995
DE_EN

10×××
Deutschland
RE: 3 Arrays dynamisch verändern
Oh Mann…

- Die Null am IndexArray kannst du dir sparen.
- Mehrfaches Lesen der selben Properties kannst du dir sparen.
- Warum jetzt 3 innere Case-Strukturen? Eine mit 3 Cases sollte auch genügen…
- Man könnte auf Mausklicks bzw. Tastendrücke der Arrays reagieren…
- Ich liebe ja VIs, bei denen man erkennt, dass der Programmierer sich Mühe gegeben hat. Und wenn er nur das standardmäßige AutoCleanup verwendet…

Alle Beiträge dieses Benutzers finden
Diese Nachricht in einer Antwort zitieren to top
Antwort schreiben 


Möglicherweise verwandte Themen...
Themen Verfasser Antworten Views Letzter Beitrag
  Datentypen verändern handsch21 11 10.857 29.03.2018 15:45
Letzter Beitrag: GerdW
  Farbe eines String verändern Woody 6 10.855 12.03.2018 13:51
Letzter Beitrag: jg
Sad Texthintergrund von Elementen eines Arrays dynamisch ändern hajos118 3 6.245 04.05.2017 10:37
Letzter Beitrag: GerdW
  XML dynamisch parsen? C.Maier 3 5.981 11.10.2016 10:30
Letzter Beitrag: C.Maier
  Eigenschaften von Gestaltungselementen verändern? ljminti 17 20.321 08.12.2015 11:54
Letzter Beitrag: jg
  Eigenschaften von Cluster Elementen verändern kraesy 1 4.943 07.07.2015 07:47
Letzter Beitrag: GerdW

Gehe zu: