Die Vorgehensweise ist eigentlich unelegant. Mit den Filterformeln kann man unmittelbar analoge Filter dimensionieren. Für ein digitales Filter müsste man die Koeffizentent umrechnen in z-Koeffizienten. Das kann man von Hand machen (- früher habe ich das mal gekonnt

-), oder man nimmt ein Programm. In Labview gibt es dafür ein VI - es ist allerdings nur im "Verification Toolkit" drin. Mein Programm, welches ich dafür habe, ist im Moment nicht installiert, sonst hätte ich die Koeffizienten hier gepostet.
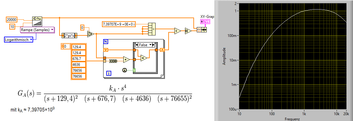
Aber so geht es notfalls auch. Allerdings sind mir die von euch verwendeten Formeln suspekt, die Ergebnisse von Gerd weichen dementsprechend ab. Zuverlässig sind hingegen die Polynome von Wikipedia, damit kommen genau die richtigen Kurven heraus. Habs mal gemacht:
ABewertung.vi (Größe: 333,14 KB / Downloads: 448)