Analoges Signal über Zeit erfassen |
Wenn dein Problem oder deine Frage geklärt worden ist, markiere den Beitrag als "Lösung",
indem du auf den "Lösung" Button rechts unter dem entsprechenden Beitrag klickst. Vielen Dank!
| 30
|
|
|
| Möglicherweise verwandte Themen... | |||||
| Themen | Verfasser | Antworten | Views | Letzter Beitrag | |
| Kontinuierliches Signal erfassen ohne Lücken | giwreh | 1 | 3.312 |
22.09.2022 12:05 Letzter Beitrag: GerdW |
|
| Thermoelement und analoges Spannungssignal gleichzeitig mit Agilent 34970A auslesen | HRI_Michael | 2 | 4.503 |
29.05.2019 12:11 Letzter Beitrag: HRI_Michael |
|
| Analoges Signal in Winkel umwandeln | Sandro5 | 37 | 31.850 |
25.02.2016 21:06 Letzter Beitrag: Sandro5 |
|
| Analoges Signal analysieren und Messwert speichern. | Meister Eder | 7 | 11.030 |
14.01.2014 17:33 Letzter Beitrag: Meister Eder |
|
| Digitales Signal ausgeben und gleichzeitig erfassen | tom987 | 8 | 9.279 |
25.10.2013 08:18 Letzter Beitrag: GerdW |
|
| DAQ: Digitales und analoges Signal in einer Datei abspeichern | Hydraulab2013 | 5 | 10.630 |
16.07.2013 20:27 Letzter Beitrag: Holy |
|









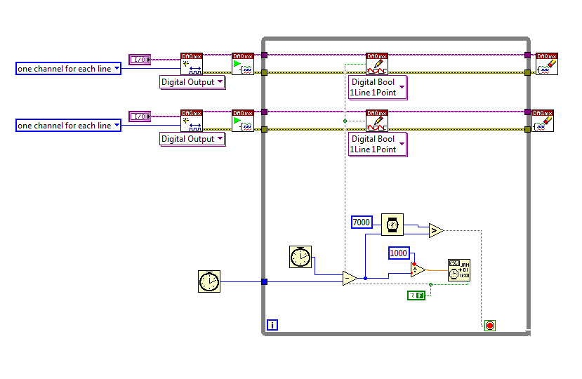
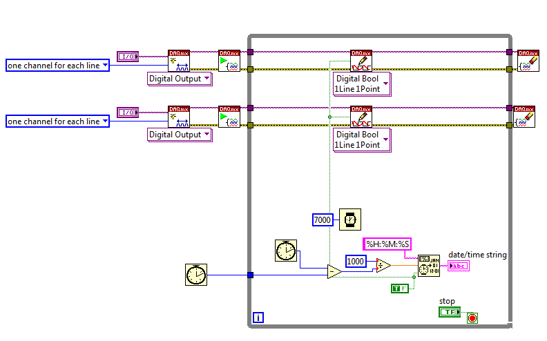
a haste wohl recht, allerdings soll der Spass ja automatisch ablaufen. Hatte mir das mit der Timestamp auch schon in etwa so gedacht, allerdings konnte ich kein brauchbares Beispiel VI finden anhand welches ich mir die Programmierung erklären könnte! Finde viele und doch keins...

