|
Array aus Boolean in File schreiben und wieder ausgeben
|
Wenn dein Problem oder deine Frage geklärt worden ist, markiere den Beitrag als "Lösung",
indem du auf den "Lösung" Button rechts unter dem entsprechenden Beitrag klickst. Vielen Dank!
|
15.08.2007, 16:23
Beitrag #1
|
Funny
LVF-Grünschnabel

Beiträge: 15
Registriert seit: Mar 2006
8.0
2006
kA
Deutschland
|
Array aus Boolean in File schreiben und wieder ausgeben
Hi,
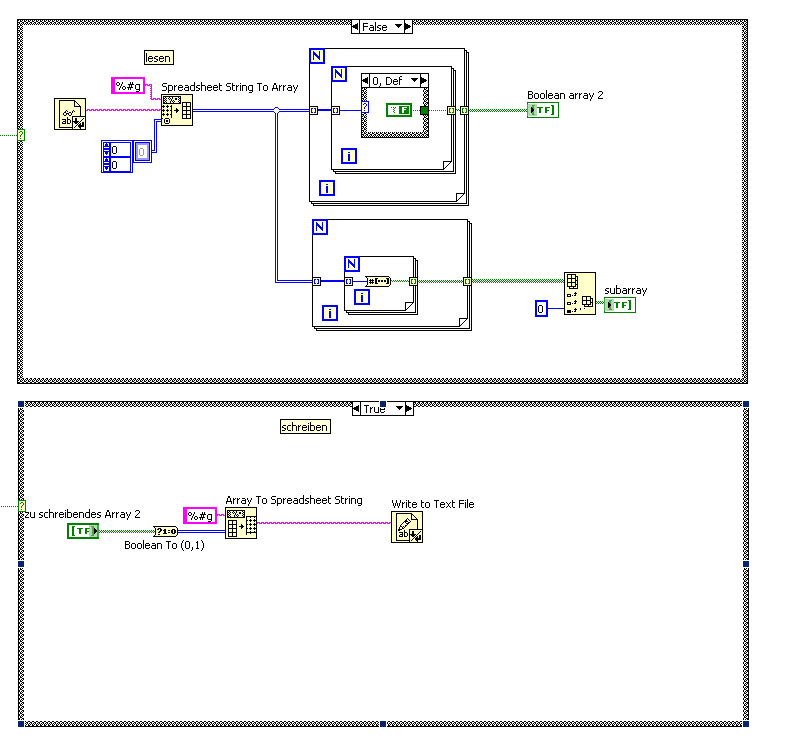
ich habe einen 2D Array aus Boolean (true and false). Diesen moechte ich gerne in einen File schreiben und danach zu einenm spaeteren Zeitpunkt wieder auslesen.
Mein Ansatz bislang war:
1) In File schreiben:
Array aus Boolean --- (Boolean to (0,1)) --- Array to Spreadsheet String --- Write to binary file
2) File auslesen:
Read from binary file --- spreadsheet String to Array --- ???
Beim naechsten Schritt habe ich einiges ausprobiert, aber ich komme einfach nicht weiter. Wie bekomme ich wieder meine Boolean hin???
Viele Gruesse von Funny
|
|
|
|
15.08.2007, 18:51
(Dieser Beitrag wurde zuletzt bearbeitet: 13.01.2008 21:21 von jg.)
Beitrag #2
|
|
|
|
|
|
31.08.2007, 16:39
Beitrag #3
|
Funny
LVF-Grünschnabel

Beiträge: 15
Registriert seit: Mar 2006
8.0
2006
kA
Deutschland
|
Array aus Boolean in File schreiben und wieder ausgeben
' schrieb:Hier mal 2 Möglichkeiten: Als Text oder Binär.
[attachment=34897:Schalter_speichern.png]
Vielen Dank!!!
Leider funktioniert das Lesen der Textdatei nicht. Ich bekomme immer die folgende Fehlermeldung:
Zitat:Error 91 occurred at Variant To Data in Displacement.vi
Possible reason(s):
LabVIEW: The data type of the variant is not compatible with the data type wired to the type input.
|
|
|
|
|
01.09.2007, 14:39
Beitrag #5
|
Lucki
Tech.Exp.2.Klasse
Beiträge: 7.699
Registriert seit: Mar 2006
LV 2016-18 prof.
1995
DE
01108
Deutschland
|
Array aus Boolean in File schreiben und wieder ausgeben
' schrieb:Leider funktioniert das Lesen der Textdatei nicht. Ich bekomme immer die folgende Fehlermeldung:
Habs nochmal bei mir aufgerufen, da funktioniert es
|
|
|
|
| |