INFO: Dieses Forum nutzt Cookies...
Cookies sind für den Betrieb des Forums unverzichtbar. Mit der Nutzung des Forums erklärst Du dich damit einverstanden, dass wir Cookies verwenden.

Es wird in jedem Fall ein Cookie gesetzt um diesen Hinweis nicht mehr zu erhalten. Desweiteren setzen wir Google Adsense und Google Analytics ein.


Antwort schreiben 

Arrayinhalte durchsuchen und Ausgeben



Wenn dein Problem oder deine Frage geklärt worden ist, markiere den Beitrag als "Lösung",
indem du auf den "Lösung" Button rechts unter dem entsprechenden Beitrag klickst. Vielen Dank!

22.11.2007, 15:07
Beitrag #11

eg Offline
LVF-SeniorMod


Beiträge: 3.868
Registriert seit: Nov 2005

2016
2003
kA

66111
Deutschland
Arrayinhalte durchsuchen und Ausgeben
Habt ihr eigentlich gewusst, dass man Kommazahlen am besten mit Kleiner und Grösser vergleicht und nicht mit dem Gleichoperator? Ich würde da auf In Range and Coerse statt Search 1D Array umsteigen.

eg

Webseite des Benutzers besuchen Alle Beiträge dieses Benutzers finden
Diese Nachricht in einer Antwort zitieren to top
Anzeige
22.11.2007, 15:12 (Dieser Beitrag wurde zuletzt bearbeitet: 22.11.2007 15:12 von jg.)
Beitrag #12

jg Offline
CLA & CLED
LVF-Team

Beiträge: 15.864
Registriert seit: Jun 2005

20xx / 8.x
1999
EN

Franken...
Deutschland
Arrayinhalte durchsuchen und Ausgeben
Mal sehen, ob ich jetzt deine Frage richtig verstehe (auch wenn es jetzt ganz anders ist als am Anfang).

Du hast die Stützstellen einer Kurve (z.B. eine Kalibrierkurve) und willst jetzt aber zu beliebigen x-Werten einen y-Wert angenähert haben.

Somit sind wir beim Thema Interpolation, und auch hier gibt es eine Reihe von VI's und Methoden:

Sehr beliebt sind z.B kubische Splines, zu finden hier:

   

Auch häufig im Gebrauch die Annäherung durch ein Polynom:

   

Ich hoffe, das hilft erstmal weiter.

MfG, Jens

Wer die erhabene Weisheit der Mathematik tadelt, nährt sich von Verwirrung. (Leonardo da Vinci)

!! BITTE !! stellt mir keine Fragen über PM, dafür ist das Forum da - andere haben vielleicht auch Interesse an der Antwort!

Einführende Links zu LabVIEW, s. GerdWs Signatur.
Alle Beiträge dieses Benutzers finden
Diese Nachricht in einer Antwort zitieren to top
22.11.2007, 15:28
Beitrag #13

Phartas Offline
LVF-Grünschnabel
*


Beiträge: 12
Registriert seit: Oct 2007

8.5 / Vision Development Module
2002
kA


Deutschland
Arrayinhalte durchsuchen und Ausgeben
Natürlich hört sich das anderes als am Anfang, ich bin ja jetzt auch schon etwas weiter.
Von der Idee her was ich brauche, ABER die Fitting VI nehmen keine Arrays an. Und ich brauche ja die Arrays für meine Eckdaten.

Das VI "Interpolate 1D" macht ja eigentlich was ich will, nur zu wenig und finde auch keinen weg, ihm die Schrittweite vorzugeben.

Da ich meine Hauptvergleichswerte, die ich jetzt noch nicht erwähnt habe, aus einem Image beziehe sind es Integerwerte von 0-255. Die will ich dann auf meine 3. Array(Grauwerte) beziehen und von da aus dann auf das 1. und 2. Array(Intensität, Druck) beziehen.

Also in Großen und ganzen will ich aus einem eingelesenen Grauwert(0-255) einen Druck(0,2-,06 N/mm²) ermitteln. Erstmal nur einem Wert, dann später auf das gesamte Array des Bildens, ca. 600X2500 großes Array.

   


Angehängte Datei(en) Thumbnail(s)
   
Alle Beiträge dieses Benutzers finden
Diese Nachricht in einer Antwort zitieren to top
22.11.2007, 15:37
Beitrag #14

eg Offline
LVF-SeniorMod


Beiträge: 3.868
Registriert seit: Nov 2005

2016
2003
kA

66111
Deutschland
Arrayinhalte durchsuchen und Ausgeben
Bahn

Grauwerte, Intensität und Druck, alles im Zusammenspiel, ich verstehe den Kontext nicht, sorry.

Mach mal ein VI und sag was nicht funktioniert (Kommentare im BD), wir versuchen es dann richtig zu machen.

eg

Webseite des Benutzers besuchen Alle Beiträge dieses Benutzers finden
Diese Nachricht in einer Antwort zitieren to top
22.11.2007, 16:02 (Dieser Beitrag wurde zuletzt bearbeitet: 02.12.2007 13:38 von jg.)
Beitrag #15

Phartas Offline
LVF-Grünschnabel
*


Beiträge: 12
Registriert seit: Oct 2007

8.5 / Vision Development Module
2002
kA


Deutschland
Arrayinhalte durchsuchen und Ausgeben
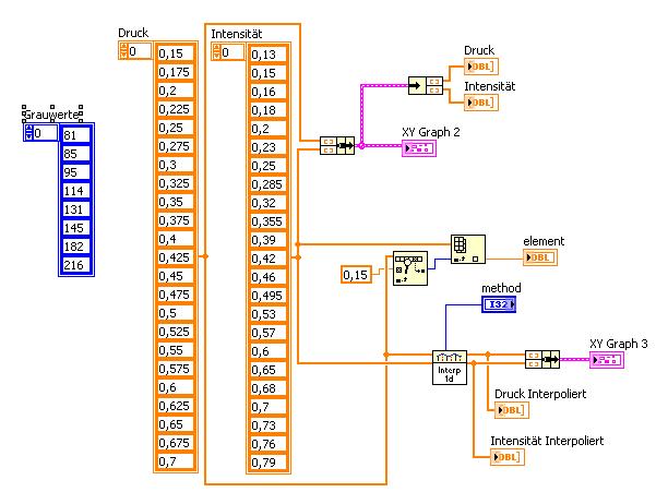
Also ich pack jetzt nur mal das Subvi dabei worum jetzt genau geht.

Ich lesen mit dem Vision Paket ein Bild in ein Array ein. Somit erhalte ich für die Farbintensität einen Grauwert von 0-255.

   

Dann geht das ganz in ein Subvi, wo in 2x4 Schritten Mittelwerte erzeugt werden.
Entweder mit diesen Mittelwerten oder einer zudem von Benutzer erzeugten ROI werden nun diese Grauwerte(0-255) mit denen der Arrays vergleichen.

Mein Grauwerte Array enthält 8 vom Hersteller vorgegebene Farbwerte, diesem Fall Grauwerte, die auf Y-Achse einem Datenblattes eingezeichnet sind. Auf der X-Achse befinden sich die Dazugehörigen Drücke.

   

Da ich die Kurve sind anderweitig vorliegen habe, haben ich mir nun eine Stellen heraus gesucht, und die Kurve selber ermittelt. Um sie genauer zu bekommen, wollte ich die Werte interpolieren, um so an die Drücke zu kommen.

Meine Arrays sollen also die Achsen des Datenblattes darstellen.

Ich hoffe das reicht so erstmal zum verstehen, sonst bitte nachfragen.


Sonstige .vi  ultra_low_graph__SubVI_.vi (Größe: 26,05 KB / Downloads: 264)
(LV 8.5)
Alle Beiträge dieses Benutzers finden
Diese Nachricht in einer Antwort zitieren to top
22.11.2007, 16:19
Beitrag #16

jg Offline
CLA & CLED
LVF-Team

Beiträge: 15.864
Registriert seit: Jun 2005

20xx / 8.x
1999
EN

Franken...
Deutschland
Arrayinhalte durchsuchen und Ausgeben
Mal sehen, ob ich richtig liege:

etwas in der folgenden Art:

   
   

MfG, Jens

Wer die erhabene Weisheit der Mathematik tadelt, nährt sich von Verwirrung. (Leonardo da Vinci)

!! BITTE !! stellt mir keine Fragen über PM, dafür ist das Forum da - andere haben vielleicht auch Interesse an der Antwort!

Einführende Links zu LabVIEW, s. GerdWs Signatur.
Alle Beiträge dieses Benutzers finden
Diese Nachricht in einer Antwort zitieren to top
Anzeige
Antwort schreiben 


Möglicherweise verwandte Themen...
Themen Verfasser Antworten Views Letzter Beitrag
  Array durchsuchen hulk 16 13.605 29.09.2020 19:47
Letzter Beitrag: hulk
  2d-array durchsuchen Jolle 5 6.210 06.11.2019 15:54
Letzter Beitrag: jg
  2D Array durchsuchen und bestimmte Werte ersetzen sara2211 4 7.166 13.01.2017 10:59
Letzter Beitrag: sara2211
  String durchsuchen Problem HTL_HL 21 18.582 18.12.2015 11:33
Letzter Beitrag: HTL_HL
  Array auf gleiche Zeilen durchsuchen shamu 13 19.036 11.08.2015 14:18
Letzter Beitrag: Dustin
  Tabellenstring durchsuchen? Scarto 15 16.833 21.11.2014 11:47
Letzter Beitrag: Lucki

Gehe zu: