INFO: Dieses Forum nutzt Cookies...
Cookies sind für den Betrieb des Forums unverzichtbar. Mit der Nutzung des Forums erklärst Du dich damit einverstanden, dass wir Cookies verwenden.

Es wird in jedem Fall ein Cookie gesetzt um diesen Hinweis nicht mehr zu erhalten. Desweiteren setzen wir Google Adsense und Google Analytics ein.


Antwort schreiben 

CAN DATA Speichern aus dem CASE Struktur



Wenn dein Problem oder deine Frage geklärt worden ist, markiere den Beitrag als "Lösung",
indem du auf den "Lösung" Button rechts unter dem entsprechenden Beitrag klickst. Vielen Dank!

09.02.2010, 11:37
Beitrag #1

Prince Amir Offline
LVF-Gelegenheitsschreiber
**


Beiträge: 134
Registriert seit: Aug 2009

8.6 - 2009
2009
de_en

80809
Deutschland
CAN DATA Speichern aus dem CASE Struktur
Hallo,

ich hab ein Problem beim Speichern von CAN DATA:

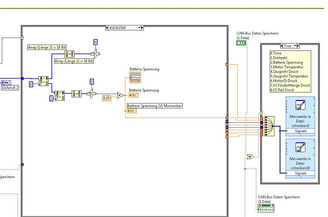
Die Nachrichten werden über CAN Bus in CASE selektiert und dargestellt. Je nachdem CAN ID werden nur die daten herausgenommen was gebraucht werden. Ich will ja am ende diese Daten alle in einem File speichern. siehe Bild. In jedem Case gibts ein oder 2 Messdata. Per CAN werden die Daten jenach der Art, mit verschiedenen Raten geleitet. Bsp. Temp nur einmal in der Sekunde. Druck 2 mal. usw..

Problem ist beim Speichern, wo laute Nulle geschrieben werden, wo keine Daen ankommen, gibts eine Lösung die ganze Daten irgendwie in einem File speichern, ohne die unnötige Nulle ? Array oder sowas , aber fehlt mir keine lösung ein.

Dabei ist ein auschnitt von MessData.

Grüße,


Angehängte Datei(en) Thumbnail(s)
       

Coming together is a beginning, keeping together is progress, working together is success.
Alle Beiträge dieses Benutzers finden
Diese Nachricht in einer Antwort zitieren to top
Anzeige
09.02.2010, 13:16 (Dieser Beitrag wurde zuletzt bearbeitet: 09.02.2010 13:30 von dimitri84.)
Beitrag #2

dimitri84 Offline
Astronaut
*****


Beiträge: 1.496
Registriert seit: Aug 2009

2020 Developer Suite
2009
DE_EN

53562
Deutschland
CAN DATA Speichern aus dem CASE Struktur
Was soll denn da anstatt der Nullen stehen?

Versuch' mal an die nicht angeschlossenen Case-Tunnel (anstatt 'Standard verwenden, wenn nicht verbunden'Wink NaN Konstanten anzuschließen. Mal gucken was das Express VI dazu sagt.

Viel besser wäre es allerdings du speicherst in der Case Struktur mit den TDMS primitives. Legst dir Gruppen/Kanäle an ... alles schön geordnet.

„Sag nicht alles, was du weißt, aber wisse immer, was du sagst.“ (Matthias Claudius)
Webseite des Benutzers besuchen Alle Beiträge dieses Benutzers finden
Diese Nachricht in einer Antwort zitieren to top
09.02.2010, 19:30
Beitrag #3

schrotti Offline
LVF-Freak
****


Beiträge: 842
Registriert seit: Feb 2008

2009 - 2011
2006
kA

70180
Deutschland
CAN DATA Speichern aus dem CASE Struktur
Die Nullen stehen drin, da in der rechten Casestruktur 8 Signale gespeichert werden. Du übergibst bei jedem Speichervorgang aber nur 1 Wert. Für die die restlichen 7 nimmt LV dann den Standardwert. Dieses Problem ließe sich durch das Puffern der Daten lösen. Wenn von jedem Signal ein Wert vorhanden ist, ist eine Zeile vollständig und kann gespeichert werden. Allerdings handeltst du dir dann ein anderes Problem ein, und zwar müssen LVM alle Kanäle die gleiche Anzahl Elemente (Zeilen) besitzen. Manch einer löst das dadurch, dass er für jeden Kanal eine Datei erstellt. Ich würde TDMS benutzen. Daten eine Sekunde puffern und dann speichern.

Gruß Julius
Empfehlungen: expressionflow, LavaG , mooregoodideas, OpenG, JKI Blog
Tipp
Alle Beiträge dieses Benutzers finden
Diese Nachricht in einer Antwort zitieren to top
10.02.2010, 10:11
Beitrag #4

Prince Amir Offline
LVF-Gelegenheitsschreiber
**


Beiträge: 134
Registriert seit: Aug 2009

8.6 - 2009
2009
de_en

80809
Deutschland
CAN DATA Speichern aus dem CASE Struktur
' schrieb:Die Nullen stehen drin, da in der rechten Casestruktur 8 Signale gespeichert werden. Du übergibst bei jedem Speichervorgang aber nur 1 Wert. Für die die restlichen 7 nimmt LV dann den Standardwert. Dieses Problem ließe sich durch das Puffern der Daten lösen. Wenn von jedem Signal ein Wert vorhanden ist, ist eine Zeile vollständig und kann gespeichert werden. Allerdings handeltst du dir dann ein anderes Problem ein, und zwar müssen LVM alle Kanäle die gleiche Anzahl Elemente (Zeilen) besitzen. Manch einer löst das dadurch, dass er für jeden Kanal eine Datei erstellt. Ich würde TDMS benutzen. Daten eine Sekunde puffern und dann speichern.

Hallo.

danke für Vorschlag. Ich bin ja dabei das Speichern von Daten auf TDMS umzustellen. Allerdings, weiss ich nicht wie du mit Puffern meinst ?Wie kann ich das bei CASE realisieren ? Wäre super wenn du en Tipp gibts,

Besten Dank

Coming together is a beginning, keeping together is progress, working together is success.
Alle Beiträge dieses Benutzers finden
Diese Nachricht in einer Antwort zitieren to top
10.02.2010, 10:13
Beitrag #5

Prince Amir Offline
LVF-Gelegenheitsschreiber
**


Beiträge: 134
Registriert seit: Aug 2009

8.6 - 2009
2009
de_en

80809
Deutschland
CAN DATA Speichern aus dem CASE Struktur
' schrieb:Was soll denn da anstatt der Nullen stehen?

Versuch' mal an die nicht angeschlossenen Case-Tunnel (anstatt 'Standard verwenden, wenn nicht verbunden'Wink NaN Konstanten anzuschließen. Mal gucken was das Express VI dazu sagt.

Viel besser wäre es allerdings du speicherst in der Case Struktur mit den TDMS primitives. Legst dir Gruppen/Kanäle an ... alles schön geordnet.

Hallo Dimitri,

Es wird gerad gemacht;)Nur hab ich ein kleins Problem mit dem Kanalnamen, was ich hoffe dass ich mit der NI Hilfe weiterkomme.
Irgendwie bekomme ich die Namen nicht richtig hin..

Grüße

Coming together is a beginning, keeping together is progress, working together is success.
Alle Beiträge dieses Benutzers finden
Diese Nachricht in einer Antwort zitieren to top
10.02.2010, 10:21 (Dieser Beitrag wurde zuletzt bearbeitet: 10.02.2010 10:21 von dimitri84.)
Beitrag #6

dimitri84 Offline
Astronaut
*****


Beiträge: 1.496
Registriert seit: Aug 2009

2020 Developer Suite
2009
DE_EN

53562
Deutschland
CAN DATA Speichern aus dem CASE Struktur
Was klappt denn nicht? Wie willst du's machen? Eine Gruppe und dann verschiedene Kanalname? Hier hab ich was zum nachträglichen Editieren von TDMS-Dateien.

„Sag nicht alles, was du weißt, aber wisse immer, was du sagst.“ (Matthias Claudius)
Webseite des Benutzers besuchen Alle Beiträge dieses Benutzers finden
Diese Nachricht in einer Antwort zitieren to top
Anzeige
10.02.2010, 10:27
Beitrag #7

Prince Amir Offline
LVF-Gelegenheitsschreiber
**


Beiträge: 134
Registriert seit: Aug 2009

8.6 - 2009
2009
de_en

80809
Deutschland
CAN DATA Speichern aus dem CASE Struktur
' schrieb:Was soll denn da anstatt der Nullen stehen?


Viel besser wäre es allerdings du speicherst in der Case Struktur mit den TDMS primitives. Legst dir Gruppen/Kanäle an ... alles schön geordnet.

Ich hab noch eine kleine Frage, wenn es erlaubt ist. Bei LVM format kann man z.b. die erste Spalte als "Time" speichern. Es wird dann von 0 aufwärts gezählt. Ist sowas auch beim TDMS möglich dass ich die erste Spalte die Zeit seichern kann?

Coming together is a beginning, keeping together is progress, working together is success.
Alle Beiträge dieses Benutzers finden
Diese Nachricht in einer Antwort zitieren to top
10.02.2010, 10:49
Beitrag #8

dimitri84 Offline
Astronaut
*****


Beiträge: 1.496
Registriert seit: Aug 2009

2020 Developer Suite
2009
DE_EN

53562
Deutschland
CAN DATA Speichern aus dem CASE Struktur
Prinzipiell kannst du reinschreiben was du willst. Ich speicher mein Signal immer als Waveform (Signalverlauf) und dort sind ja die Informationen t0 und dt bereits enthalten. Jeder Kanal hat sozusagen seine eigene individuelle Zeitachse.

„Sag nicht alles, was du weißt, aber wisse immer, was du sagst.“ (Matthias Claudius)
Webseite des Benutzers besuchen Alle Beiträge dieses Benutzers finden
Diese Nachricht in einer Antwort zitieren to top
10.02.2010, 11:10
Beitrag #9

Prince Amir Offline
LVF-Gelegenheitsschreiber
**


Beiträge: 134
Registriert seit: Aug 2009

8.6 - 2009
2009
de_en

80809
Deutschland
CAN DATA Speichern aus dem CASE Struktur
' schrieb:Prinzipiell kannst du reinschreiben was du willst. Ich speicher mein Signal immer als Waveform (Signalverlauf) und dort sind ja die Informationen t0 und dt bereits enthalten. Jeder Kanal hat sozusagen seine eigene individuelle Zeitachse.

Ich hab ja mein Signal als Signalverlauf, was wieder viele Signale beinhaltet. Am Ende nach der Signalverarbeitung schreibe ich die als Dynamic Data rein. was eigentlich das gleiche ist wie Signalverlauf gehe ich davon aus. bei jedem Signal kann ich ja t0 und dt sehen , wenn ich in TDMS data Monitoring reinschaue.

Als Anzeige verwende ich dann SignalverlaufGraph und kein Signalverlaufsdiagramm. Im Graph werden alle Signale richtig angezeigt, aber in Diagramm nicht. Ich gehe davon aus weil ich veschiede Zeitachsen habe!

Coming together is a beginning, keeping together is progress, working together is success.
Alle Beiträge dieses Benutzers finden
Diese Nachricht in einer Antwort zitieren to top
10.02.2010, 11:15 (Dieser Beitrag wurde zuletzt bearbeitet: 10.02.2010 11:18 von dimitri84.)
Beitrag #10

dimitri84 Offline
Astronaut
*****


Beiträge: 1.496
Registriert seit: Aug 2009

2020 Developer Suite
2009
DE_EN

53562
Deutschland
CAN DATA Speichern aus dem CASE Struktur
Wozu wandelst du dein Signalverlauf in Dynamic Data? Wenn du doch von den Express VI's weg bist, dann verzichte doch auch auf deren Format.

„Sag nicht alles, was du weißt, aber wisse immer, was du sagst.“ (Matthias Claudius)
Webseite des Benutzers besuchen Alle Beiträge dieses Benutzers finden
Diese Nachricht in einer Antwort zitieren to top
30
Antwort schreiben 


Möglicherweise verwandte Themen...
Themen Verfasser Antworten Views Letzter Beitrag
  Case-Struktur: Angegebener Case nicht vorhanden braendy 10 8.872 02.02.2021 15:05
Letzter Beitrag: Lucki
  Case Struktur 2 Schleifendurchläufe verzögert True setzen aber sofort auf False bachatero18 4 6.789 07.11.2020 14:08
Letzter Beitrag: Martin.Henz
  CAN Nachrichten in Array verarbeiten und aus Case Struktur weiterverarbeiten Tomate27 4 5.671 17.07.2020 13:30
Letzter Beitrag: Tomate27
  Steuerung, Case-Struktur pixie_2 4 5.249 16.04.2020 14:30
Letzter Beitrag: GerdW
  Event Case Ignoriert Tastendruck wenn in Gegenwart eines anderen "Leeren" Event Case Ksanto 8 9.779 23.10.2017 09:08
Letzter Beitrag: Ksanto
  Case-Struktur führt True und False aus (Ereignisschleife) HIMI 11 11.094 24.08.2017 13:04
Letzter Beitrag: HIMI

Gehe zu: