INFO: Dieses Forum nutzt Cookies...
Cookies sind für den Betrieb des Forums unverzichtbar. Mit der Nutzung des Forums erklärst Du dich damit einverstanden, dass wir Cookies verwenden.

Es wird in jedem Fall ein Cookie gesetzt um diesen Hinweis nicht mehr zu erhalten. Desweiteren setzen wir Google Adsense und Google Analytics ein.


Antwort schreiben 

Cluster of Controls aus ini-Datei befeuern



Wenn dein Problem oder deine Frage geklärt worden ist, markiere den Beitrag als "Lösung",
indem du auf den "Lösung" Button rechts unter dem entsprechenden Beitrag klickst. Vielen Dank!

31.01.2011, 16:05
Beitrag #1

DG1BGS Offline
LVF-Grünschnabel
*


Beiträge: 36
Registriert seit: Jul 2008

10.0 32Bit (NI Developer Suite Aug 2010)
2007
de

78256
Deutschland
Cluster of Controls aus ini-Datei befeuern
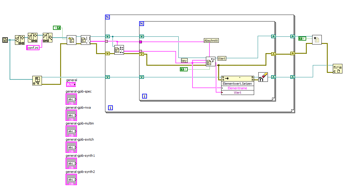
Hallo zusammen. Ich habe eine ini-Datei, in welcher in Abschnitten unterteilt u.a. GPIB-Adressen von Messgeräten festgelegt werden. Ich möchte nun folgendes erreichen:

Das vi mit dem Messprogramm besitzt diverse Cluster, dessen Namen den Abschnitten in der ini-Datei entsprechen. Die Namen der Controls entsprechen wiederum den Keys in der ini-Datei. Das vi liest nun in zwei verschachtelten for-Schleifen alle Keys und dazugehörigen Werte aus und soll diese (im Falle einer Übereinstimmung) an die Controls übergeben. Das Cluster soll übrigens nur Strings enthalten.

Zum besseren Verständnis im Anhang noch das Auslesen der ini-Datei. Bei der jetzigen Realisierung werden die Controls verständlicher Weise nur dann gesetzt, wenn sie sich NICHT in einem Cluster befinden.

Gruß, Stephan


Angehängte Datei(en) Thumbnail(s)
       
Alle Beiträge dieses Benutzers finden
Diese Nachricht in einer Antwort zitieren to top
Anzeige
31.01.2011, 16:16
Beitrag #2

macmarvin Offline
CLA
***


Beiträge: 445
Registriert seit: Sep 2006

2014
2004
EN

81373
Deutschland
Cluster of Controls aus ini-Datei befeuern
Hi,

an Elemente des Clusters kommst du über VI-Server dran, damit kannst du sie dann auch setzen.
Insgesamt würde ich mir's überlegen eher umgekehrt zu machen. Also ausgehend vom Cluster bzw. dessen Zerlegung in der Ini-Datei nach dem passenden Key suchen. Sowas findet man häufiger, glaub von OpenG/MGI gibt's sowas bzw. ich meine ich hätte sowas ähnliches auch schon hier im Forum gesehen.
Alle Beiträge dieses Benutzers finden
Diese Nachricht in einer Antwort zitieren to top
31.01.2011, 22:57 (Dieser Beitrag wurde zuletzt bearbeitet: 01.02.2011 07:45 von Lucki.)
Beitrag #3

Lucki Offline
Tech.Exp.2.Klasse
LVF-Team

Beiträge: 7.699
Registriert seit: Mar 2006

LV 2016-18 prof.
1995
DE

01108
Deutschland
Cluster of Controls aus ini-Datei befeuern
Verstehe zwar weder auf die Schnelle dein VI, noch die darauf gegebene Antwort. Falls das Problem aber sein sollte, wie man ein beliebig komplexes Cluster in Textform in einer INI-File speichert und wieder zurückliest, so kann Dir geholfen werden. Ich mache das einfach so:

   

Man kann allerdings den entstehenden langen String in der INI-Datei schlecht editieren. Wenn man das plant, dann ist die Abspeicherung des Clusters in seinen Einzelelementen natürlich vorzuziehen.
Alle Beiträge dieses Benutzers finden
Diese Nachricht in einer Antwort zitieren to top
01.02.2011, 08:56
Beitrag #4

macmarvin Offline
CLA
***


Beiträge: 445
Registriert seit: Sep 2006

2014
2004
EN

81373
Deutschland
Cluster of Controls aus ini-Datei befeuern
' schrieb:Man kann allerdings den entstehenden langen String in der INI-Datei schlecht editieren. Wenn man das plant, dann ist die Abspeicherung des Clusters in seinen Einzelelementen natürlich vorzuziehen.
Wenn Binär dann lohnt sich ggf. anstatt Cluster eine LVclass zu nehmen. Das ist bei späteren Änderungen der Datenstruktur ohne grossen Zusatzaufwand bzw. komplett für umme.
Und Binärstring in Ini, da lohnt es sich noch eine Stringkonvertierung in nur druckbare Zeichen (z.B. base64) einzuschieben.
Alle Beiträge dieses Benutzers finden
Diese Nachricht in einer Antwort zitieren to top
01.02.2011, 08:58
Beitrag #5

GerdW Offline
______________
LVF-Team

Beiträge: 17.536
Registriert seit: May 2009

LV2019 (LV2021)
1995
DE_EN

10×××
Deutschland
Cluster of Controls aus ini-Datei befeuern
Hallo Stephan,

noch'ne Idee:
Daten zu XML konvertieren und als Textfile speichern. Bläht die Datei etwas auf, ist aber editierbarSmile

Alle Beiträge dieses Benutzers finden
Diese Nachricht in einer Antwort zitieren to top
01.02.2011, 10:35
Beitrag #6

DG1BGS Offline
LVF-Grünschnabel
*


Beiträge: 36
Registriert seit: Jul 2008

10.0 32Bit (NI Developer Suite Aug 2010)
2007
de

78256
Deutschland
Cluster of Controls aus ini-Datei befeuern
Hallo zusammen,
danke für die zahlreichen Antworten und guten Tipps zum Thema. Letztendlich habe ich den Tipp von macmarvin befolgt und mir die OpenG Lib nachinstalliert. Und siehe da, das vi "Read Section Cluster" lieferte genau das gewünschte Ergebnis (s. Anhang!).

Wenn die ini-Datei nicht schon fix vorgegeben gewesen wäre + die Vorgabe, dass die darin enthaltenen Daten dann zur weiteren Verarbeitung in einem Cluster landen, hätte man es natürlich auch anders lösen können. Also sicher nicht die optimalste Lösung, aber sie verrichtet ihren DienstWink

Viele Grüße, Stephan

PS: Wie kann ich denn das Thema als "gelöst" oder "beantwortet" markieren, ohne es ganz schließen zu müssen?


Angehängte Datei(en) Thumbnail(s)
   
Alle Beiträge dieses Benutzers finden
Diese Nachricht in einer Antwort zitieren to top
Anzeige
01.02.2011, 11:50
Beitrag #7

macmarvin Offline
CLA
***


Beiträge: 445
Registriert seit: Sep 2006

2014
2004
EN

81373
Deutschland
Cluster of Controls aus ini-Datei befeuern
Die VI-Ref-Öffnerei kannst du dir sparen. Das Ganze kann man natürlich auch noch weiter abstrahieren... muss man aber auch nicht :-)
   
Alle Beiträge dieses Benutzers finden
Diese Nachricht in einer Antwort zitieren to top
02.02.2011, 10:33 (Dieser Beitrag wurde zuletzt bearbeitet: 02.02.2011 10:42 von Lucki.)
Beitrag #8

Lucki Offline
Tech.Exp.2.Klasse
LVF-Team

Beiträge: 7.699
Registriert seit: Mar 2006

LV 2016-18 prof.
1995
DE

01108
Deutschland
Cluster of Controls aus ini-Datei befeuern
' schrieb:Die VI-Ref-Öffnerei kannst du dir sparen. Das Ganze kann man natürlich auch noch weiter abstrahieren... muss man aber auch nicht :-)
Ist nicht auch das noch umständlich? Warum nicht einfach den Cluster mit einer lokalen Variablen initialisieren?
   
..und vielen Dank für den Hinweis auf die Open-G-INI-VIs. Die sind Gold wert.
Alle Beiträge dieses Benutzers finden
Diese Nachricht in einer Antwort zitieren to top
Antwort schreiben 


Möglicherweise verwandte Themen...
Themen Verfasser Antworten Views Letzter Beitrag
  Cluster in Array/bzw Cluster in Datei speichern thenewone 3 7.958 11.05.2015 14:50
Letzter Beitrag: GerdW
  Cluster in TDMS Datei speichern Selectah 7 13.835 29.08.2011 09:10
Letzter Beitrag: Selectah
  Daten (Cluster) in Datei speichern T-M 8 15.905 18.10.2010 12:51
Letzter Beitrag: T-M
  Cluster-Array in bin-Datei speichern & laden Chrille76 3 6.617 11.06.2008 20:37
Letzter Beitrag: jg

Gehe zu: