INFO: Dieses Forum nutzt Cookies...
Cookies sind für den Betrieb des Forums unverzichtbar. Mit der Nutzung des Forums erklärst Du dich damit einverstanden, dass wir Cookies verwenden.

Es wird in jedem Fall ein Cookie gesetzt um diesen Hinweis nicht mehr zu erhalten. Desweiteren setzen wir Google Adsense und Google Analytics ein.


Antwort schreiben 

Dieses Thema hat akzeptierte Lösungen:

DAQmx Fehler: reserved lines



Wenn dein Problem oder deine Frage geklärt worden ist, markiere den Beitrag als "Lösung",
indem du auf den "Lösung" Button rechts unter dem entsprechenden Beitrag klickst. Vielen Dank!

23.02.2016, 14:38 (Dieser Beitrag wurde zuletzt bearbeitet: 23.02.2016 15:07 von mushroom.)
Beitrag #1

mushroom Offline
LVF-Grünschnabel
*


Beiträge: 12
Registriert seit: Aug 2011

2017
-
DE_EN


Deutschland
DAQmx Fehler: reserved lines
Hallo,

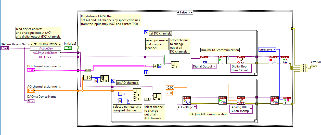
ich benutze eine NI PCI-6703 Karte zur Ausgabe analoger und digitaler (TTL) Spannungssignale. Die Verwendung des SubVI (LabView03.png, Set_QP_parameters_NI-PCI6703.vi) funktioniert scheinbar problemlos, allerdings erhalte ich eine Fehlermeldung (Leitungen belegt), wenn ich dieses SubVI mehrfach in einem übergeordneten VI (LabView04.png, auf der rechten Seite unten, 'Set QP Param PCI6703') verwende:

Code:
Requested operation could not be performed, because the specified digital lines are either reserved or the device is not present in NI-DAQmx.

It is possible that these lines are reserved by another task, the device is being used through the Traditional NI-DAQ interface, or the device is being reset. You might also get the error if the specified resource is currently in use by LabVIEW network variables bound to the DAQ Channel, or if the DAQ Channel is being used in any OPC Client software.

If you are using these lines with another task, wait for the task to complete.  If you are using the device through the Traditional NI-DAQ interface, and you want to use it with NI-DAQmx, reset (initialize) the device using the Traditional NI-DAQ interface. If you are resetting the device, wait for the reset to finish.

Ich habe bereits das 'Clear Task' durch ein 'Control Task' mit der Freigabe der Recourcen ersetzt, was allerdings keinen Erfolg brachte. Weiß jemand wo das Problem liegt?

Markus


Angehängte Datei(en) Thumbnail(s)
       

14.0 .vi  Set_QP_parameters_NI-PCI6703.vi (Größe: 44,76 KB / Downloads: 318)
Alle Beiträge dieses Benutzers finden
Diese Nachricht in einer Antwort zitieren to top
Anzeige
23.02.2016, 15:06 (Dieser Beitrag wurde zuletzt bearbeitet: 23.02.2016 15:09 von jg.)
Beitrag #2

jg Offline
CLA & CLED
LVF-Team

Beiträge: 15.864
Registriert seit: Jun 2005

20xx / 8.x
1999
EN

Franken...
Deutschland
RE: DAQmx Fehler: reserved lines

Akzeptierte Lösung

Logisch: Du legst in der FOR-Schleife mehrere AO und DO Tasks an, schließt aber nur den letzten.

Gruß, Jens

P.S.: Wozu überhaupt die Tasks immer wieder anlegen, starten und stoppen? Erstell dir lieber ein AO und ein DO-FGV mit den Cases "Init" (Startet 1 gemeinsamen AO bzw. DO Task), Set (Setzt 1 Wert innerhalb des Task neu) und Stopp (Stoppt den gesamten Task am Ende).

Wer die erhabene Weisheit der Mathematik tadelt, nährt sich von Verwirrung. (Leonardo da Vinci)

!! BITTE !! stellt mir keine Fragen über PM, dafür ist das Forum da - andere haben vielleicht auch Interesse an der Antwort!

Einführende Links zu LabVIEW, s. GerdWs Signatur.
Alle Beiträge dieses Benutzers finden
Diese Nachricht in einer Antwort zitieren to top
23.02.2016, 15:19
Beitrag #3

mushroom Offline
LVF-Grünschnabel
*


Beiträge: 12
Registriert seit: Aug 2011

2017
-
DE_EN


Deutschland
RE: DAQmx Fehler: reserved lines
Hallo Jens,

vielen Dank für deine Antwort. Habe den stop und clear task jetzt in die Schleife reingezogen und funktioniert jetzt natürlich :-)

Ich sehe irgendwie noch nicht ganz durch mit den tasks, insbesondere gleichzeitig AO und DO zu nutzen. Was ist ein FGV? Werde es zunächst erstmal so nutzen, wie es jetzt ist, da noch einiges anderes zu tun ist, und das Experiment dann wieder laufen muss.

Danke und Grüße
Markus
Alle Beiträge dieses Benutzers finden
Diese Nachricht in einer Antwort zitieren to top
23.02.2016, 18:07
Beitrag #4

GerdW Offline
______________
LVF-Team

Beiträge: 17.528
Registriert seit: May 2009

LV2019 (LV2021)
1995
DE_EN

10×××
Deutschland
RE: DAQmx Fehler: reserved lines
Hallo mushroom,

Zitat:Habe den stop und clear task jetzt in die Schleife reingezogen und funktioniert jetzt natürlich :-)
Eigentlich solltest du das Create/Init der DAQmxTasks aus der Schleife/den Schleifen herausnehmen.
Es ist einfach unsinnig (und für die Performance hinderlich), wenn man immer wieder Tasks neu anlegt und nach (kurzzeitigem) Gebrauch wieder löscht!

Schau dir doch einfach mal die mit LabVIEW mitgelieferten BeispielVIs an…

Alle Beiträge dieses Benutzers finden
Diese Nachricht in einer Antwort zitieren to top
24.02.2016, 09:45
Beitrag #5

mushroom Offline
LVF-Grünschnabel
*


Beiträge: 12
Registriert seit: Aug 2011

2017
-
DE_EN


Deutschland
RE: DAQmx Fehler: reserved lines
(23.02.2016 18:07 )GerdW schrieb:  Eigentlich solltest du das Create/Init der DAQmxTasks aus der Schleife/den Schleifen herausnehmen.

Hallo GerdW,

ich verstehe den Hinweis irgendwie nicht. Ich brauche die Schleife ja, um meine physikalischen Kanäle anzusprechen. Dies kann ich ja nur in der Schleife lösen. Stehe da irgendiwe auf dem Schlauch. Die Beispiele von LabVIEW habe ich mir mal angeschaut, aber sehe da keinen hilfreichen Hinweis.

Grüße
Markus
Alle Beiträge dieses Benutzers finden
Diese Nachricht in einer Antwort zitieren to top
24.02.2016, 10:04
Beitrag #6

jg Offline
CLA & CLED
LVF-Team

Beiträge: 15.864
Registriert seit: Jun 2005

20xx / 8.x
1999
EN

Franken...
Deutschland
RE: DAQmx Fehler: reserved lines
Mitglied seit fast 5 Jahren und noch nie etwas von FGV (Funktionaler globaler Variable) gehört? Dann wird es aber höchste Zeit. Such mal hier im Forum oder auf der NI-Seite danach.

Hier einmal ein schnell zusammengestelltes Bsp für die DO-Funktionalität.


14.0 .vi  Bsp DO FGV.vi (Größe: 22,14 KB / Downloads: 347)


Gruß, Jens

Wer die erhabene Weisheit der Mathematik tadelt, nährt sich von Verwirrung. (Leonardo da Vinci)

!! BITTE !! stellt mir keine Fragen über PM, dafür ist das Forum da - andere haben vielleicht auch Interesse an der Antwort!

Einführende Links zu LabVIEW, s. GerdWs Signatur.
Alle Beiträge dieses Benutzers finden
Diese Nachricht in einer Antwort zitieren to top
Anzeige
24.02.2016, 10:10
Beitrag #7

GerdW Offline
______________
LVF-Team

Beiträge: 17.528
Registriert seit: May 2009

LV2019 (LV2021)
1995
DE_EN

10×××
Deutschland
RE: DAQmx Fehler: reserved lines
Hallo,

ich nutze ja gern FeedbackNodes für (einfache) FGVs…
(Siehe Anhang.)

@mushroom: Profil_ergaenzen, wenn du nicht mehr LV8.5 verwendest!


Angehängte Datei(en)
14.0 .vi  Bsp DO FGV.vi (Größe: 21,94 KB / Downloads: 312)

Alle Beiträge dieses Benutzers finden
Diese Nachricht in einer Antwort zitieren to top
24.02.2016, 10:19
Beitrag #8

jg Offline
CLA & CLED
LVF-Team

Beiträge: 15.864
Registriert seit: Jun 2005

20xx / 8.x
1999
EN

Franken...
Deutschland
RE: DAQmx Fehler: reserved lines
(24.02.2016 10:10 )GerdW schrieb:  ich nutze ja gern FeedbackNodes für (einfache) FGVs…
(Siehe Anhang.)
Ich eigentlich auch, aber ich habe mal mit der klassischen Umsetzung angefangen.

Wichtiger nachträglicher Hinweis:
Im Real-Einsatz gehört das Enum dann natürlich typdefiniert!!! Das habe ich mir jetzt gespart, sonst hätte ich 2 Dateien hochladen müssen.

Gruß, Jens

Wer die erhabene Weisheit der Mathematik tadelt, nährt sich von Verwirrung. (Leonardo da Vinci)

!! BITTE !! stellt mir keine Fragen über PM, dafür ist das Forum da - andere haben vielleicht auch Interesse an der Antwort!

Einführende Links zu LabVIEW, s. GerdWs Signatur.
Alle Beiträge dieses Benutzers finden
Diese Nachricht in einer Antwort zitieren to top
30
Antwort schreiben 


Möglicherweise verwandte Themen...
Themen Verfasser Antworten Views Letzter Beitrag
  DAQmx Fehler -200279, von Puffern und schritthaltenden Erfassungen stoa 17 11.679 04.03.2021 14:02
Letzter Beitrag: stoa
  Fehler -201003 bei DAQmx jodh14 5 6.975 28.02.2018 09:46
Letzter Beitrag: jg
  Fehler -200220 bei DAQmx Create Channel (CI-Frequency).vi:7440002 DeHe88 4 6.343 23.08.2017 05:37
Letzter Beitrag: DeHe88
  Fehler beim Erzeugen des DAQmx-Codes aus dem Express-VI DAQ-Assistant ChristophSchöneck 7 9.463 02.02.2016 15:31
Letzter Beitrag: GerdW
  Trigger Counter (no registered trigger lines) NILVuser 2 9.202 02.09.2011 21:55
Letzter Beitrag: NILVuser
  Fehler beim Sensorauslesen mit DAQmx schbeddi 3 6.323 04.08.2010 21:41
Letzter Beitrag: A.Berndsen

Gehe zu: