INFO: Dieses Forum nutzt Cookies...
Cookies sind für den Betrieb des Forums unverzichtbar. Mit der Nutzung des Forums erklärst Du dich damit einverstanden, dass wir Cookies verwenden.

Es wird in jedem Fall ein Cookie gesetzt um diesen Hinweis nicht mehr zu erhalten. Desweiteren setzen wir Google Adsense und Google Analytics ein.


Antwort schreiben 

DAQmx-Lesen



Wenn dein Problem oder deine Frage geklärt worden ist, markiere den Beitrag als "Lösung",
indem du auf den "Lösung" Button rechts unter dem entsprechenden Beitrag klickst. Vielen Dank!

17.09.2009, 13:34
Beitrag #1

kalle Offline
LVF-Grünschnabel
*


Beiträge: 43
Registriert seit: May 2009

6.1 und 8.5
2008
de

18000
Deutschland
DAQmx-Lesen
Hallo,

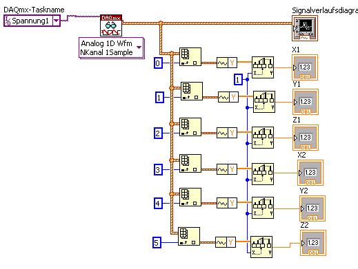
ich habe ein VI indem eine Schleife läuft, die der Datenerfassung dient. Die Schleifenzeit beträgt 25ms. In der Schleife befindet sich das was im Anhang zusehen ist. Mein Problem, ich brauche mindestens alle 25ms einen Wert, kann daher die Schleifenzeit also nicht höher setzen. Bei 25ms Schleifenzeit bricht die VI-Performance aber zu stark ein, was nur an dem SubVI DAQmx-Lesen liegt.
Komischerweise läuft das Testpanel eines von mir verwendeten Kanals im M&A Explorer total flüssig ohne CPU-Last zu verursachen. Wie kann man den Leistungsverbrauch dämmen? ich hab alles ausprobiert, ohne Erfolg :-(


Angehängte Datei(en) Thumbnail(s)
   
Alle Beiträge dieses Benutzers finden
Diese Nachricht in einer Antwort zitieren to top
Anzeige
17.09.2009, 13:47
Beitrag #2

schrotti Offline
LVF-Freak
****


Beiträge: 842
Registriert seit: Feb 2008

2009 - 2011
2006
kA

70180
Deutschland
DAQmx-Lesen
Vielleicht weigert sich LV den Schmarrn auszuführen, kann sich aber nicht so recht gegen den XP-Scheduler wehren:)Spaß beiseite. Machst du den Task in der Schleife auf und wieder zu? Und für was ist die Interpolation da?

Gruß Julius
Empfehlungen: expressionflow, LavaG , mooregoodideas, OpenG, JKI Blog
Tipp
Alle Beiträge dieses Benutzers finden
Diese Nachricht in einer Antwort zitieren to top
17.09.2009, 14:09
Beitrag #3

kalle Offline
LVF-Grünschnabel
*


Beiträge: 43
Registriert seit: May 2009

6.1 und 8.5
2008
de

18000
Deutschland
DAQmx-Lesen
Der Signalverlauf wird umgesetzt in ein Array das ein Element enthält (der Messwert). Ich benötige aber den Messwert als einzelnen Wert und nicht als Array. Die Interpolation erzeugt aus dem Array ein Einzelwert. Dies kostet auch keine Performance, es ist wirklich nur die Funktion DAQmx-lesen. Den Task schließe ich nicht, da ich permanent alle 25ms die Messwerte benötige.
Alle Beiträge dieses Benutzers finden
Diese Nachricht in einer Antwort zitieren to top
17.09.2009, 14:19
Beitrag #4

schrotti Offline
LVF-Freak
****


Beiträge: 842
Registriert seit: Feb 2008

2009 - 2011
2006
kA

70180
Deutschland
DAQmx-Lesen
Ok, am besten du lädst das VI hoch. Die Interpolation benötigst du aus zwei Gründen nicht.[list=1]
[*]Um ein Element aus einem Array zu holen gibt es die Funktion Array Indizieren. <>
[*]Wenn du Einzelwerte liest, dann lass dir von DAQmx auch Einzelwerte geben.<>
[st]

Gruß Julius
Empfehlungen: expressionflow, LavaG , mooregoodideas, OpenG, JKI Blog
Tipp
Alle Beiträge dieses Benutzers finden
Diese Nachricht in einer Antwort zitieren to top
17.09.2009, 14:33
Beitrag #5

IchSelbst Offline
LVF-Guru
*****


Beiträge: 3.708
Registriert seit: Feb 2005

11, 14, 15, 17, 18
-
DE

97437
Deutschland
DAQmx-Lesen
' schrieb:Mein Problem, ich brauche mindestens alle 25ms einen Wert, kann daher die Schleifenzeit also nicht höher setzen.
Das stimmt so nicht.

Wenn du alle 25ms einen Messwert (pro Kanal) haben willst, dann stell die AnalogTask so ein, dass die alle 25ms einen Messwert sampled. Lesen tust du von der AnalogTask dann - und zwar alle 500ms - ein 2DArray mit DBL-Messwerten. Das 2DArray liefert dann 20 Werte (= 500ms / 25ms) pro Kanal.

Außerdem: Keiner kann den 25ms-Refresh der einzelnen Werte am Bildschirm verfolgen.

Jeder, der zur wahren Erkenntnis hindurchdringen will, muss den Berg Schwierigkeit alleine erklimmen (Helen Keller).
Alle Beiträge dieses Benutzers finden
Diese Nachricht in einer Antwort zitieren to top
17.09.2009, 14:59 (Dieser Beitrag wurde zuletzt bearbeitet: 18.09.2009 10:23 von jg.)
Beitrag #6

kalle Offline
LVF-Grünschnabel
*


Beiträge: 43
Registriert seit: May 2009

6.1 und 8.5
2008
de

18000
Deutschland
DAQmx-Lesen
So richtig komm ich nicht dahinter...
Lv85_img


Angehängte Datei(en)
Sonstige .vi  Beschleunigungssensoren__SubVI_.vi (Größe: 22,91 KB / Downloads: 330)
Alle Beiträge dieses Benutzers finden
Diese Nachricht in einer Antwort zitieren to top
Anzeige
18.09.2009, 10:07
Beitrag #7

kalle Offline
LVF-Grünschnabel
*


Beiträge: 43
Registriert seit: May 2009

6.1 und 8.5
2008
de

18000
Deutschland
DAQmx-Lesen
@Ichselbst
Ja die Methode mit dem Sammeln der Samples und dem 500ms Refreshzyklus kann man machen. Es scheint dass das Verwenden der Lesefunktion so Leistungszehrend ist. Komischerweise ist das bei der Schreibfunktion nicht so. Naja...
Alle Beiträge dieses Benutzers finden
Diese Nachricht in einer Antwort zitieren to top
18.09.2009, 10:38
Beitrag #8

IchSelbst Offline
LVF-Guru
*****


Beiträge: 3.708
Registriert seit: Feb 2005

11, 14, 15, 17, 18
-
DE

97437
Deutschland
DAQmx-Lesen
' schrieb:Es scheint dass das Verwenden der Lesefunktion so Leistungszehrend ist.
Die ist an ein Raster gebunden. Möglicherweise wartet sie, bis mindestens ein Sample im Puffer ist. Dann liest das RdVI die Daten und gibt sie zurück. Und dann dauert das Lesen ganau 25ms.

Zitat:Komischerweise ist das bei der Schreibfunktion nicht so.
Weil: Nicht an ein Raster gebunden. Respektive werden die Daten lediglich an einen Treiber gegeben und der gibt dann im Raster von z.B. 25ms aus. Daher Dauert der Aufruf des WrVI eben nur ganz kurz.

Hinweis:
Es ist natürlich alles eine Sache der Konfiguration der Tasks.

Jeder, der zur wahren Erkenntnis hindurchdringen will, muss den Berg Schwierigkeit alleine erklimmen (Helen Keller).
Alle Beiträge dieses Benutzers finden
Diese Nachricht in einer Antwort zitieren to top
21.09.2009, 14:00
Beitrag #9

kalle Offline
LVF-Grünschnabel
*


Beiträge: 43
Registriert seit: May 2009

6.1 und 8.5
2008
de

18000
Deutschland
DAQmx-Lesen
Es gibt ja nur 2 Varianten den Task zu konfigurieren. Entweder ein Sampel oder mehrere Sampels. Ursprünglich wollte ich 1 Sample alle 25ms abrufen. Hätte ein schönes, fürs Auge kontinuierliches, Signal im Diagramm ergeben. Nun nehm ich 40Samples und rufe diese jede Sekunde ab. So kommt es eben nur einmal die Sekunde zu diesem kurzen Stocken beim Aufruf, statt alle 25ms. Komischerweise hatte ich dieses Problem bei der alten Lesefunktion (Anhang) nicht...
Muss man einen task eigentlich wieder schließen, so wie man eine Referenz schließen muss?


Angehängte Datei(en) Thumbnail(s)
   
Alle Beiträge dieses Benutzers finden
Diese Nachricht in einer Antwort zitieren to top
21.09.2009, 16:22
Beitrag #10

IchSelbst Offline
LVF-Guru
*****


Beiträge: 3.708
Registriert seit: Feb 2005

11, 14, 15, 17, 18
-
DE

97437
Deutschland
DAQmx-Lesen
' schrieb:So kommt es eben nur einmal die Sekunde zu diesem kurzen Stocken beim Aufruf, statt alle 25ms.
Mir fällt noch was ein.
Frage, bevor du liest, ab, wieviele Daten im Puffer stehen. Die Schleife lässt du mit 12ms anstelle 25ms laufen. Wenn nichts drinsteht, lässt du per True/False-Case alles das weg, was mit der Task zusammenhängt. Steht was im Puffer, liest du genau ein Zeichen aus.

Zitat:Komischerweise hatte ich dieses Problem bei der alten Lesefunktion (Anhang) nicht...
Das kann daran liegen, dass früher alles etwas langsamer ging. Möglicherweise war der Puffer wieder schneller voll, als er auszulesen ging.

Zitat:Muss man einen task eigentlich wieder schließen, so wie man eine Referenz schließen muss?
Ja, natürlich.
Zu jedem Element "Create" - ob Task, Queue etc - muss es immer ein Element "Close" geben. Das gehört sich so. In ganz ungünstigen Fällen kann dir nämlich sonst der Speicher überlaufen.

Jeder, der zur wahren Erkenntnis hindurchdringen will, muss den Berg Schwierigkeit alleine erklimmen (Helen Keller).
Alle Beiträge dieses Benutzers finden
Diese Nachricht in einer Antwort zitieren to top
30
Antwort schreiben 


Möglicherweise verwandte Themen...
Themen Verfasser Antworten Views Letzter Beitrag
  DAQmx: Zwei Kanäle lesen und speichern _Markus_ 5 6.928 02.01.2019 17:06
Letzter Beitrag: GerdW
  DAQmx schreiben und lesen Sakis 2 5.518 06.09.2018 09:36
Letzter Beitrag: Sakis
  DAQ-Assistent ersetzen - DAQmx Lesen startet in Whileschleife immer neu daxel 16 18.276 16.08.2013 10:48
Letzter Beitrag: daxel
  DAQmx-Lesen Lukas Bauer 3 5.837 07.04.2011 14:06
Letzter Beitrag: Lukas Bauer
  Kanalanzahl aus DAQmx-Konstanten lesen dimitri84 4 7.017 27.01.2010 08:24
Letzter Beitrag: dimitri84
  DAQmx - Lesen Malte84 3 6.298 14.07.2009 10:56
Letzter Beitrag: Malte84

Gehe zu: