INFO: Dieses Forum nutzt Cookies...
Cookies sind für den Betrieb des Forums unverzichtbar. Mit der Nutzung des Forums erklärst Du dich damit einverstanden, dass wir Cookies verwenden.

Es wird in jedem Fall ein Cookie gesetzt um diesen Hinweis nicht mehr zu erhalten. Desweiteren setzen wir Google Adsense und Google Analytics ein.


Antwort schreiben 

Daten in Datei nicht überschreiben



Wenn dein Problem oder deine Frage geklärt worden ist, markiere den Beitrag als "Lösung",
indem du auf den "Lösung" Button rechts unter dem entsprechenden Beitrag klickst. Vielen Dank!

15.06.2009, 08:52
Beitrag #1

Labview-Beginner Offline
LVF-Gelegenheitsschreiber
**


Beiträge: 114
Registriert seit: Oct 2007

6.1
2007
kA

67705
Deutschland
Daten in Datei nicht überschreiben
Salvete Leute,

wieder mal eine Frage:

Und zwar möchte ich die Parameter, die ich für meine Messung einstelle parallel in eine Datei schreiben lassen. Sprich ich gebe in den entsprechenden Controls Werte ein, womit LV schließlich startet und parallel sollen die Werte abgezweigt werden und in eine txt - Datei geschrieben werden.
Das Abzweigen und schreiben hat bisher wunderbar geklappt. Nun ist nur das Problem, wenn ich die nächste Messung starte, so werden die alten Werte einfach überschrieben.

Kann ich das irgendwie verhindern?

Cheers,
Lv-B
Alle Beiträge dieses Benutzers finden
Diese Nachricht in einer Antwort zitieren to top
Anzeige
15.06.2009, 09:11
Beitrag #2

ImExPorty Offline
LVF-Freak
****


Beiträge: 572
Registriert seit: Jan 2008

8.6
2001
kA

65934
Deutschland
Daten in Datei nicht überschreiben
Hallo LabVIEW-Beginner,
es wäre natürlich einfacher hier eine Aussage machen zu können, wenn bereits ein Beispiel VI beiliegen würde. Denn es gibt wie meistens viel Möglichkeiten:
-unterschiedliche Dateinamen manuell erzeugen
-Datei auf Existenz prüfen und reagieren
-bei manchen VI's vorhandene automatische Namenserzeugung verwenden
-....
viel Spaß beim Variantentest

1 Postingempfehlungen, 2 Motivation
Fragen und Anpassungswünsche per PM werden, gegen Rechnungsstellung gerne beantwortet und realisiert ....wenn's dann doch kostenlos sein soll... bitte hier im LVF unter Berücksichtigung der voranstehenden Links posten.
Webseite des Benutzers besuchen Alle Beiträge dieses Benutzers finden
Diese Nachricht in einer Antwort zitieren to top
15.06.2009, 10:12
Beitrag #3

Labview-Beginner Offline
LVF-Gelegenheitsschreiber
**


Beiträge: 114
Registriert seit: Oct 2007

6.1
2007
kA

67705
Deutschland
Daten in Datei nicht überschreiben
Salve,

also mir schwebt im Kopf sowas wie der Index beim Array herum. Dass ich LV sagen kann in welche Zeile der Text - Datei die Daten geschrieben werden sollen.

Ich dachte schließlich das Verlinken von pos offset würde dies erfüllen, indem ich die Nummerierung der fortlaufenden Messdaten damit verlinke.

Doch leider tut es dies nicht.

Momentan sieht mein VI einfach so aus:

Cheers,
Lv-B


Angehängte Datei(en) Thumbnail(s)
   
Alle Beiträge dieses Benutzers finden
Diese Nachricht in einer Antwort zitieren to top
15.06.2009, 10:38
Beitrag #4

ImExPorty Offline
LVF-Freak
****


Beiträge: 572
Registriert seit: Jan 2008

8.6
2001
kA

65934
Deutschland
Daten in Datei nicht überschreiben
Hallo LabVIEW-Beginner,
durch das jeweilige erneute Öffnen der Datei wird auch von Vorne geschrieben
=> Datei geöffnet halten oder die Schreibposition in der Datei verwalten oder an das Ende der Datei durch anhängen springen oder sogar etwas ganz anderes *.ini-Dateien damit man z.B. zurücklesen und editieren kann

1 Postingempfehlungen, 2 Motivation
Fragen und Anpassungswünsche per PM werden, gegen Rechnungsstellung gerne beantwortet und realisiert ....wenn's dann doch kostenlos sein soll... bitte hier im LVF unter Berücksichtigung der voranstehenden Links posten.
Webseite des Benutzers besuchen Alle Beiträge dieses Benutzers finden
Diese Nachricht in einer Antwort zitieren to top
15.06.2009, 12:19
Beitrag #5

Labview-Beginner Offline
LVF-Gelegenheitsschreiber
**


Beiträge: 114
Registriert seit: Oct 2007

6.1
2007
kA

67705
Deutschland
Daten in Datei nicht überschreiben
Zitat:[..] oder die Schreibposition in der Datei verwalten

Und wie mache ich das? Ich dachte das hätte ich mit meinem pos offset erledigt, doch leider schreibt LV es immer an die erste Position.

Zitat:[..] oder an das Ende der Datei durch anhängen springen

Und wie geht das? Gibt es äquivalent zum build array auch ein "build file" ?^_^

Zitat:[..] oder sogar etwas ganz anderes *.ini-Dateien damit man z.B. zurücklesen und editieren kann

Huh?!? Huh

Viel zu lernen ich noch hab'! -_-

Cheers,
Lv-B
Alle Beiträge dieses Benutzers finden
Diese Nachricht in einer Antwort zitieren to top
15.06.2009, 12:38
Beitrag #6

jg Offline
CLA & CLED
LVF-Team

Beiträge: 15.864
Registriert seit: Jun 2005

20xx / 8.x
1999
EN

Franken...
Deutschland
Daten in Datei nicht überschreiben
' schrieb:Und wie mache ich das? Ich dachte das hätte ich mit meinem pos offset erledigt, doch leider schreibt LV es immer an die erste Position.
Und wie geht das? Gibt es äquivalent zum build array auch ein "build file" ?^_^
Von pos-offset ist in deinem Screenshot nichts zu erkennen, also können wir hier nicht rumraten, was du da genau machst.
In LV 7 geht das an Ende der Datei springen nach dem File-Öffnen z.B. so:
   

Die Config-File-Palette findest du hier:
   

Beispiele sind garantiert im NI-Examlefinder.

Gruß, Jens

Wer die erhabene Weisheit der Mathematik tadelt, nährt sich von Verwirrung. (Leonardo da Vinci)

!! BITTE !! stellt mir keine Fragen über PM, dafür ist das Forum da - andere haben vielleicht auch Interesse an der Antwort!

Einführende Links zu LabVIEW, s. GerdWs Signatur.
Alle Beiträge dieses Benutzers finden
Diese Nachricht in einer Antwort zitieren to top
Anzeige
15.06.2009, 12:53
Beitrag #7

Labview-Beginner Offline
LVF-Gelegenheitsschreiber
**


Beiträge: 114
Registriert seit: Oct 2007

6.1
2007
kA

67705
Deutschland
Daten in Datei nicht überschreiben
Zitat:Von pos-offset ist in deinem Screenshot nichts zu erkennen, also können wir hier nicht rumraten, was du da genau machst.

Äh, ja. -_-
Ich hatte den Screenshot gemacht und dann ist mir der pos offset aufgefallen, sodass ich ihn zumindest noch in die Frage mit reinpacken wollte. ^_^

Na gut, dann probiere ich das damit mal.

Cheers,
Lv-B
Alle Beiträge dieses Benutzers finden
Diese Nachricht in einer Antwort zitieren to top
15.06.2009, 16:39
Beitrag #8

Labview-Beginner Offline
LVF-Gelegenheitsschreiber
**


Beiträge: 114
Registriert seit: Oct 2007

6.1
2007
kA

67705
Deutschland
Daten in Datei nicht überschreiben
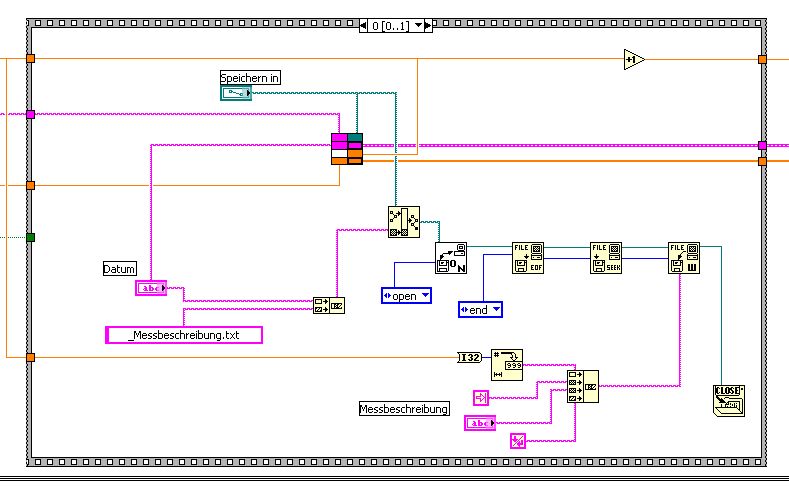
Tschaka!! Es geht! Cool

Heißen Dank! ^_^

Ich habe zwar den Eindruck, dass entweder das EoF oder Seek unnötig ist, aber es tut. ^_^

Cheers,
Lv-B


Angehängte Datei(en) Thumbnail(s)
   
Alle Beiträge dieses Benutzers finden
Diese Nachricht in einer Antwort zitieren to top
30
Antwort schreiben 


Möglicherweise verwandte Themen...
Themen Verfasser Antworten Views Letzter Beitrag
  TDMS-Daten direkt schreiben, nicht im RAM halten RabenFlug 2 4.604 12.04.2019 10:23
Letzter Beitrag: RabenFlug
  Datenstrom auf Knopfdruck in Datei schreiben (oder auch nicht) _Markus_ 4 6.913 30.10.2018 09:27
Letzter Beitrag: GerdW
  DI Daten in Datei schreiben puuk! 10 15.159 15.12.2015 13:08
Letzter Beitrag: GerdW
  XML Datei nicht Konform? hansi9990 11 12.313 06.08.2015 07:50
Letzter Beitrag: hansi9990
  Sinus-Signalverlaufsdiagramm Daten in Text-Datei Chicooo94 36 28.050 05.07.2015 11:50
Letzter Beitrag: Chicooo94
  Daten verschiedener Typen in Datei loggen ostone 9 9.211 11.05.2015 11:56
Letzter Beitrag: GerdW

Gehe zu: