INFO: Dieses Forum nutzt Cookies...
Cookies sind für den Betrieb des Forums unverzichtbar. Mit der Nutzung des Forums erklärst Du dich damit einverstanden, dass wir Cookies verwenden.

Es wird in jedem Fall ein Cookie gesetzt um diesen Hinweis nicht mehr zu erhalten. Desweiteren setzen wir Google Adsense und Google Analytics ein.


Antwort schreiben 

Daten in txt Datei schreiben (Textdatei)



Wenn dein Problem oder deine Frage geklärt worden ist, markiere den Beitrag als "Lösung",
indem du auf den "Lösung" Button rechts unter dem entsprechenden Beitrag klickst. Vielen Dank!

21.01.2010, 00:21
Beitrag #1

dreikaesehoch Offline
LVF-Grünschnabel
*


Beiträge: 10
Registriert seit: Dec 2009

7.1
2009
de

97xxx
Deutschland
Daten in txt Datei schreiben (Textdatei)
Guten Abend, nach 2 Tagen rumprobieren und alles zusammen stöpseln was irgendwie nach Array und File I/O aussieht bin ich auf diese Lösung gekommen.

Vielleicht ist jemand der sich besser auskennt so freundlich und tut sich die Qual an meinen Code anzuschauen und macht ein kleines Beispiel wie es besser geht.

Ich habe nämlich das Gefühl es ist Unfug jedesmal neu in die Datei zu schreiben statt alles auf einmal , aber bekomme es einfach nicht hin.

Wenn ich shift register und ähnliches nehme habe ich das Prob das bei meiner Messung die Werte der alten Messung nicht vergessen werden, sondern
die neuen hinten angehängt werden (Woher soll das Programm auch wissen das die NICHT Messwerte zusammen gehören sondern eine NEUE Messung gestartet wurde).

Ich schätze das shift Register vergisst eben die alte Messung nicht, mit initialisieren durch ein leeres Array habe ich es nicht
hinbekommen. Überhaupt ist das Initialisieren mir ein Rätzel , besonders wenn es noch um Arrays geht.

Vielleicht könnte jemand etwas wie das unten nur eben mit shift Registern machen.

Vielen Dank

Es handelt sich um LabVIEW 2009


Angehängte Datei(en)
Sonstige .vi  ARRAYSBENUTZEN.vi (Größe: 9,31 KB / Downloads: 646)
Alle Beiträge dieses Benutzers finden
Diese Nachricht in einer Antwort zitieren to top
Anzeige
21.01.2010, 08:20
Beitrag #2

SeBa Offline
LVF-Guru
*****


Beiträge: 2.025
Registriert seit: Oct 2008

09SP1 & 10 FDS
2008
DE

65xxx
Deutschland
Daten in txt Datei schreiben (Textdatei)
Moin,

richtig verstanden hab ich dich jetzt nicht...

...aber ich hab dir mal zwei Beispiele zusammengeklickt:

   



Gruß SeBa

Dieser Beitrag soll weder nützlich, informativ noch lesbar sein.

Er erhebt lediglich den Anspruch dort wo er ungenau ist, wenigstens eindeutig ungenau zu sein.
In Fällen größerer Abweichungen ist es immer der Leser, der sich geirrt hat.

Rette einen Baum!
Diesen Beitrag nur ausdrucken, wenn unbedingt nötig!
Alle Beiträge dieses Benutzers finden
Diese Nachricht in einer Antwort zitieren to top
21.01.2010, 11:23
Beitrag #3

dreikaesehoch Offline
LVF-Grünschnabel
*


Beiträge: 10
Registriert seit: Dec 2009

7.1
2009
de

97xxx
Deutschland
Daten in txt Datei schreiben (Textdatei)
Guten Morgen SeBa,

danke für die Mühe.

Ich habe das 2te Beispiel mal ausprobiert aber bekomme als Ergebnis in meiner Datei:

1.000000 2.000000 3.000000
1.000000 2.000000 3.000000
1.000000 2.000000 3.000000
1.000000 2.000000 3.000000
1.000000 2.000000 3.000000
1.000000 2.000000 3.000000
1.000000 2.000000 3.000000
1.000000 2.000000 3.000000
1.000000 2.000000 3.000000
1.000000 2.000000 3.000000
NaN NaN NaN
NaN NaN NaN
NaN NaN NaN
NaN NaN NaN
NaN NaN NaN
NaN NaN NaN
NaN NaN NaN
NaN NaN NaN
NaN NaN NaN
NaN NaN NaN

Wie wird man die NaN los ? Einen ähnlichen Fehler hatte ich auch versucht in meinem ersten Beitrag zu beschreiben.
Alle Beiträge dieses Benutzers finden
Diese Nachricht in einer Antwort zitieren to top
21.01.2010, 11:29
Beitrag #4

dreikaesehoch Offline
LVF-Grünschnabel
*


Beiträge: 10
Registriert seit: Dec 2009

7.1
2009
de

97xxx
Deutschland
Daten in txt Datei schreiben (Textdatei)
Also bei dem Versuch das Beispiel so zu machen wie ich es wollte ist jetzt genau der Fehler wieder aufgetaucht den ich in meinem
Originalprogramm hatte.

Das die Ausgabedatei wächst.


Beim ersten Lauf des Programms

Speicher in in Schleifentest und habe 10 Zeilen


Beim zweiten Lauf des Programms

Speicher ich in Schleifentest2 und habe 20 Zeilen (will aber nur die neusten 10 und nicht noch die alten dazu)


Angehängte Datei(en) Thumbnail(s)
   
Alle Beiträge dieses Benutzers finden
Diese Nachricht in einer Antwort zitieren to top
21.01.2010, 11:30
Beitrag #5

SeBa Offline
LVF-Guru
*****


Beiträge: 2.025
Registriert seit: Oct 2008

09SP1 & 10 FDS
2008
DE

65xxx
Deutschland
Daten in txt Datei schreiben (Textdatei)
Du reduzierst die Anzahl der (erzeugten) Zeilen (Numerisches Element 3) auf die Anzahl der zu speichernden Zeilen...

Dieser Beitrag soll weder nützlich, informativ noch lesbar sein.

Er erhebt lediglich den Anspruch dort wo er ungenau ist, wenigstens eindeutig ungenau zu sein.
In Fällen größerer Abweichungen ist es immer der Leser, der sich geirrt hat.

Rette einen Baum!
Diesen Beitrag nur ausdrucken, wenn unbedingt nötig!
Alle Beiträge dieses Benutzers finden
Diese Nachricht in einer Antwort zitieren to top
21.01.2010, 11:51
Beitrag #6

dreikaesehoch Offline
LVF-Grünschnabel
*


Beiträge: 10
Registriert seit: Dec 2009

7.1
2009
de

97xxx
Deutschland
Daten in txt Datei schreiben (Textdatei)
Keine Ahnung was das bedeuten soll.

Hier mal ein Beispiel das so nah wie möglich ein meinem Programm ist ohne unnötig kompliziert zu sein

Ich habe halt gedacht das ich erstmal alle Messwerte in einem Array oder so zwischen lagern kann, um am Ende zu entscheiden
ob die Messung überhaupt gut war und wenn ja sie zu speichern.

Jetzt mache ich es so das immer alles in eine Datei geschrieben wird und ich die dann von Hand löschen muss.

Danke


Angehängte Datei(en) Thumbnail(s)
   
Alle Beiträge dieses Benutzers finden
Diese Nachricht in einer Antwort zitieren to top
Anzeige
21.01.2010, 12:20
Beitrag #7

SeBa Offline
LVF-Guru
*****


Beiträge: 2.025
Registriert seit: Oct 2008

09SP1 & 10 FDS
2008
DE

65xxx
Deutschland
Daten in txt Datei schreiben (Textdatei)
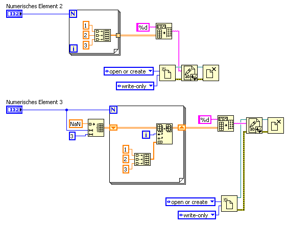
' schrieb:Du reduzierst die Anzahl der (erzeugten) Zeilen (Numerisches Element 3) auf die Anzahl der zu speichernden Zeilen...
' schrieb:Keine Ahnung was das bedeuten soll.

Im unteren Beispiel legt das "Numerische Element 3" fest, wie oft die Forschleife ausgeführt wird. Willst du 10 Zeilen speichern, stellst du genau das auch ein.
Es wird dann ein leeres Array initialisiert mit NaN Einträgen. Innerhalb der Schleife wird dann der jeweilige Index mit den Messwerten überschrieben.

Initialisierst du ein Array größer als du dann Messwerte reinschreibst, bleibt der nicht überschriebene Teil halt NaN.


Weiterhin verstehe ich immer noch nicht genau was du nun mit dem 1. Lauf deines Programmes meinst. Dein Programm besteht im Grunde genommen aus einer Forschleife. Wenn du es einmal ausführst, beendet es sich nach Ausführung.

Mein Beispiel wird dir selbst mit einer Whileschleife drumrum immer nur die Anzahl der initialisierten Werte in die Datei schreiben.

Ich stehe leider auf dem Schlauch...


EDIT:

Und dann bin ich doch noch vom Schlauch runtergetreten...

Rechtsklick auf die linke Seite des Schieberegisters -> Erstellen -> Konstante.
Dann sollte es klappen, so wie du es hoffentlich möchtest.
Gruß SeBa

Dieser Beitrag soll weder nützlich, informativ noch lesbar sein.

Er erhebt lediglich den Anspruch dort wo er ungenau ist, wenigstens eindeutig ungenau zu sein.
In Fällen größerer Abweichungen ist es immer der Leser, der sich geirrt hat.

Rette einen Baum!
Diesen Beitrag nur ausdrucken, wenn unbedingt nötig!
Alle Beiträge dieses Benutzers finden
Diese Nachricht in einer Antwort zitieren to top
21.01.2010, 12:42
Beitrag #8

dreikaesehoch Offline
LVF-Grünschnabel
*


Beiträge: 10
Registriert seit: Dec 2009

7.1
2009
de

97xxx
Deutschland
Daten in txt Datei schreiben (Textdatei)
Öffne mal folgendes Programm,

drücke auf den weissen Pfeil,

Dateiname : SCHLEIFE1.txt ,

nochmal weisser Pfeil ,

Dateiname : SCHLEIFE2.txt

und dann die Dateien anschauen



(Die genauen Anweisungen nur damit wir wieder über das selbe reden, bitte nicht anderweitig falschverstehen).



Dann dein Programm nicht gemacht hat was ich wollte und es nicht mehr habe werde ich es auch nicht nochmal zusammen bauen, mittlerweile glaube ich es
geht gar nicht mit Schieberegistern.

Bin auch etwas vewirrt jetzt


Angehängte Datei(en) Thumbnail(s)
   

Sonstige .vi  WachsendeSchleife.vi (Größe: 9,31 KB / Downloads: 423)
Alle Beiträge dieses Benutzers finden
Diese Nachricht in einer Antwort zitieren to top
21.01.2010, 12:45
Beitrag #9

SeBa Offline
LVF-Guru
*****


Beiträge: 2.025
Registriert seit: Oct 2008

09SP1 & 10 FDS
2008
DE

65xxx
Deutschland
Daten in txt Datei schreiben (Textdatei)
...das hier schon umgesetzt? Laut deinem Screenshot nicht.

' schrieb:...
EDIT:

Und dann bin ich doch noch vom Schlauch runtergetreten...

Rechtsklick auf die linke Seite des Schieberegisters -> Erstellen -> Konstante.
Dann sollte es klappen, so wie du es hoffentlich möchtest.


Gruß SeBa

Dieser Beitrag soll weder nützlich, informativ noch lesbar sein.

Er erhebt lediglich den Anspruch dort wo er ungenau ist, wenigstens eindeutig ungenau zu sein.
In Fällen größerer Abweichungen ist es immer der Leser, der sich geirrt hat.

Rette einen Baum!
Diesen Beitrag nur ausdrucken, wenn unbedingt nötig!
Alle Beiträge dieses Benutzers finden
Diese Nachricht in einer Antwort zitieren to top
21.01.2010, 12:50 (Dieser Beitrag wurde zuletzt bearbeitet: 21.01.2010 12:53 von dreikaesehoch.)
Beitrag #10

dreikaesehoch Offline
LVF-Grünschnabel
*


Beiträge: 10
Registriert seit: Dec 2009

7.1
2009
de

97xxx
Deutschland
Daten in txt Datei schreiben (Textdatei)
Und dann bin ich doch noch vom Schlauch runtergetreten...

Rechtsklick auf die linke Seite des Schieberegisters -> Erstellen -> Konstante.
Dann sollte es klappen, so wie du es hoffentlich möchtest.
Gruß SeBa


Ja genau, die Schieberegister sind recht fies für den Anfänger.

Das was du jetzt vorgeschlagen hast habe ich auch die ganze Zeit probiert aber irgendwie nicht hinbekommen.

Was mich nur wundert, wenn ich das bei meinem Programm mache sieht es so aus :




Warum ist das Konstanten Array links 2 dim ??? Merkt der quasi anhand des Codes das es mal 2 dim werden wird ???

Daran bin ich bei meinen Versuchen vermutlich gescheiter da ich immer sowas wie ein 1 dim Array als Initialisierung nehmen wollte.
Hatte auch Probleme da ich nicht mehr den Unterschied zwischen Array im Frontpanel oder im Blockdiagramm gecheckt habe.

Erst dein Rechts Klick Vorschlag war die Lösung.


DAS PROGRAMM MACHT WAS ES SOLL, HABE AUS VERSEHEN DEN FALSCHEN SCREENSHOT GENOMMEN; EINFACH DIE TEXTKÄSTEN WEGDENKEN

Gruesse dreikaesehoch


Angehängte Datei(en) Thumbnail(s)
   
Alle Beiträge dieses Benutzers finden
Diese Nachricht in einer Antwort zitieren to top
Antwort schreiben 


Möglicherweise verwandte Themen...
Themen Verfasser Antworten Views Letzter Beitrag
  TDMS-Daten direkt schreiben, nicht im RAM halten RabenFlug 2 5.090 12.04.2019 10:23
Letzter Beitrag: RabenFlug
  Datenstrom auf Knopfdruck in Datei schreiben (oder auch nicht) _Markus_ 4 7.431 30.10.2018 09:27
Letzter Beitrag: GerdW
  Daten in einem Access Datenbank schreiben galilio 10 17.043 01.05.2017 08:04
Letzter Beitrag: galilio
  DI Daten in Datei schreiben puuk! 10 16.108 15.12.2015 13:08
Letzter Beitrag: GerdW
  Sinus-Signalverlaufsdiagramm Daten in Text-Datei Chicooo94 36 30.166 05.07.2015 11:50
Letzter Beitrag: Chicooo94
  Zeit in Datei schreiben & Problem beim Aufruf der Datei KorsarDerWeide 5 9.834 22.05.2015 13:00
Letzter Beitrag: KorsarDerWeide

Gehe zu: