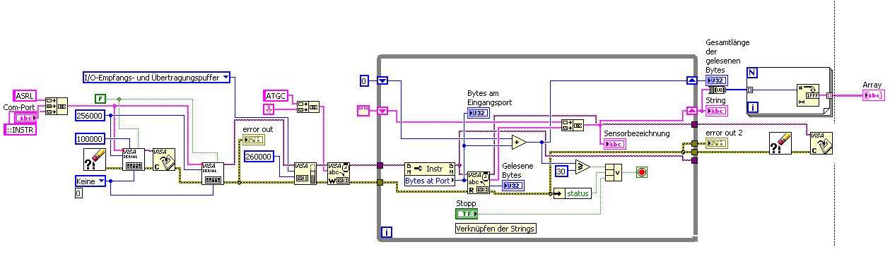
Ja ok das Bytes at Port war aus einer vorherigen Programmierung übernommen. In dieser Sache weiß ich vorher schon, wieviel bytes gelesen werden.
ja die Abweichung ist gerade das Problem. In dem Beispiel bilden 4 Bytes eine SGL.
Da das Beispiel aber funktioniert wenn man es aus einem neuem VI öffnet, die aktuelle Programmierung aber nur eine übergeordnete Ebene besitzt, ist mir nicht klar, woran es klemmt

Der übergeordnete Aufruf ist eine einfache Boolsche Abfrage.
Tritt das Problem auf, muss die Hardware vom Port getrennt und wieder angeschlossen, sodass dieses wieder im Einzeldurchlauf des Sub-VI funktioniert.
Tritt der Fehler einmal durch den programmtechnischen, übergeordneten Aufruf auf, ist der fehler auch in den Einzeldurchführungen vorhanden, die vorher funktioniert haben.
Ich weiß nicht ob ich einen Hardwarefehler einschließen kann...weil es eine Abfragefehler ist. Port-Reset löst das Problem für die Einzeldurchläufe der Sub-VI
Die Schreibebefehle etc. bleiben immer gleich!
Hm....