Hallo!
Ich habe da mal wieder ein Anliegen
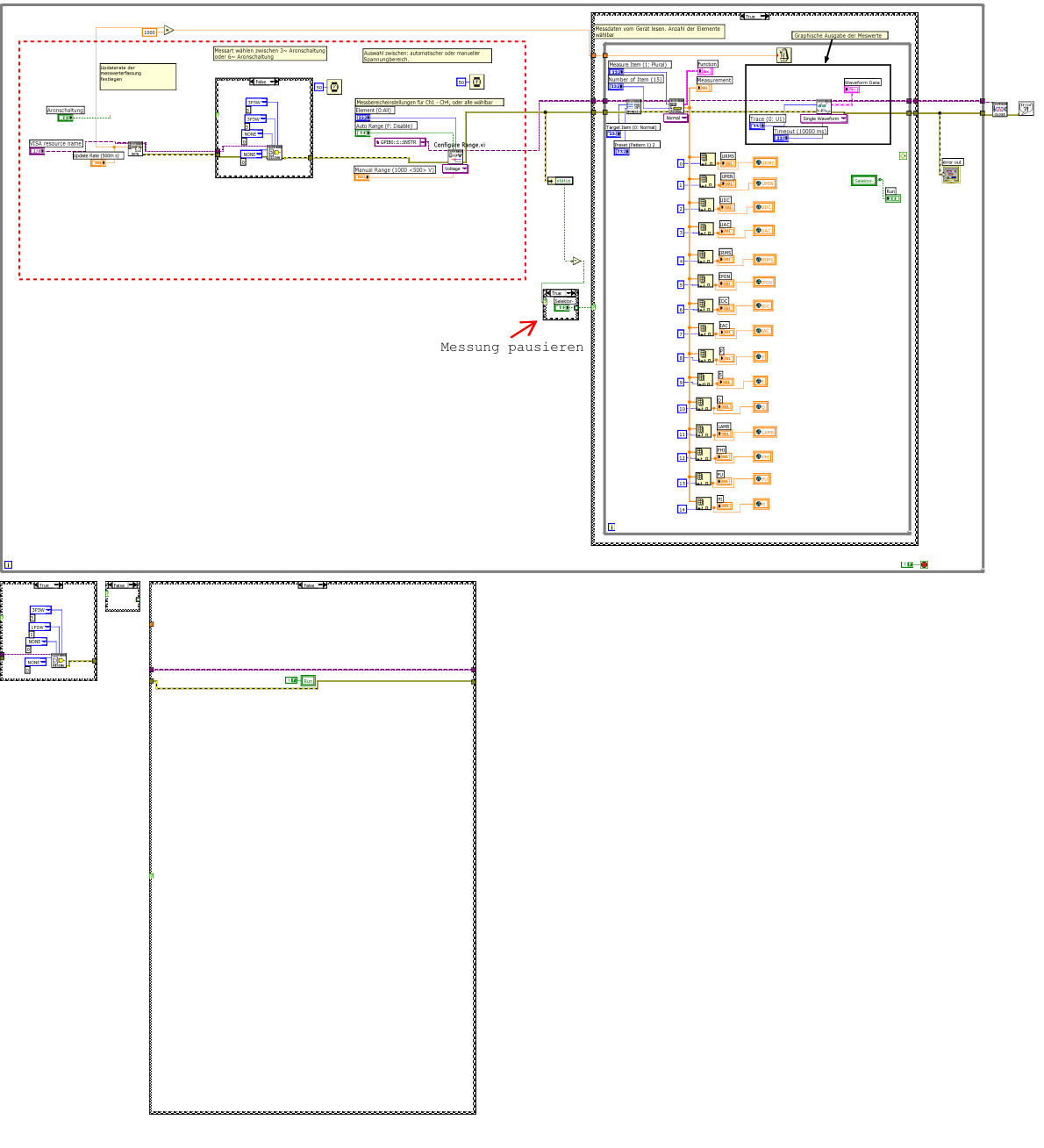
Folgendes zum Programm:
- erstellt mit Labview 8.2.1
- Das Programm läuft soweit eigentlich wie es soll und nimmt auch die Messwerte auf. Das Problem besteht momentan darin, dass die Initialisiereung (rot umrandet) nur zu Beginn statt findet und somit veränderte Werte (z.B. "Rate") nicht sofort aktualisiert werden, falls verändert. Aktuallisierung erfolgt dann erst nach Neustart des Programms oder stoppen und weiter ausführen durch "HOLD und RUN" - Button.
Nun würde ich die Aktuallisierungen der Parameter gerne direkt mit einfließen lassen und darin besteht das Problem.
Da ich ein Beginner in Labview bin, weiß ich mit den "Queues" oder "Melder" noch nicht so viel anzufangen (werde nicht schlau draus

). Aber evtl. gibt es ja für mein Problem auch eine einfachere Lösung?! Habe es auch schon mit "Ereignisstrukturen" versucht, aber nicht das gewünschte Ergbnis erziehlt.
P.S.: Der Anhang ist extra als .pdf , da ich mal vermute, dass nicht jeder die Bibliotheken von meinem Messgerät besitzt
Ich hoffe ihr habt einen Vorschlag für mich, der mich weiter bringt. Desweiteren würde ich gerne wissen, ob es in meinem Programm Verbesserungen/Vereinfachungen möglich sind.
LG