INFO: Dieses Forum nutzt Cookies...
Cookies sind für den Betrieb des Forums unverzichtbar. Mit der Nutzung des Forums erklärst Du dich damit einverstanden, dass wir Cookies verwenden.

Es wird in jedem Fall ein Cookie gesetzt um diesen Hinweis nicht mehr zu erhalten. Desweiteren setzen wir Google Adsense und Google Analytics ein.


Antwort schreiben 

Excel Zellen Kommentare in LabVIEW einlesen



Wenn dein Problem oder deine Frage geklärt worden ist, markiere den Beitrag als "Lösung",
indem du auf den "Lösung" Button rechts unter dem entsprechenden Beitrag klickst. Vielen Dank!

18.12.2020, 16:07
Beitrag #1

geotos Offline
Anwender


Beiträge: 6
Registriert seit: Nov 2006

11
1994
DE_EN

47805
Deutschland
Excel Zellen Kommentare in LabVIEW einlesen
Hallo zusammen,
ich hätte ein Frage: Hat jemand mal die Kommentare die man in Excel-Zellen eingeben kann, nach LabVIEW eingelesen? Konkret geht es bei meinem Projekt um Bilder die als Kommentare hinterlegt sind, die eingelesen und in einer DB gespeichert werden sollen.
Für gute Ideen oder Lösungen wäre ich euch echt dankbar.

VG GeoTos
Alle Beiträge dieses Benutzers finden
Diese Nachricht in einer Antwort zitieren to top
Anzeige
18.12.2020, 19:45
Beitrag #2

GerdW Offline
______________
LVF-Team

Beiträge: 17.540
Registriert seit: May 2009

LV2019 (LV2021)
1995
DE_EN

10×××
Deutschland
RE: Excel Zellen Kommentare in LabVIEW einlesen
Hallo geotos,

Zitat:Hat jemand mal die Kommentare die man in Excel-Zellen eingeben kann, nach LabVIEW eingelesen?
Hast du mal die diversen Properties durchgearbeitet, die Excel über ActiveX so anbietet?
Wenn du einfach mal nach "msdn excel range comment" googelst, bekommst du u.a. das hier!

Off-topic: ist dein Userprofil nach all der Zeit immer noch aktuell?

Alle Beiträge dieses Benutzers finden
Diese Nachricht in einer Antwort zitieren to top
19.12.2020, 13:14
Beitrag #3

geotos Offline
Anwender


Beiträge: 6
Registriert seit: Nov 2006

11
1994
DE_EN

47805
Deutschland
Wink RE: Excel Zellen Kommentare in LabVIEW einlesen
Hallo,

besten Dank für den Tip, dort hatte ich tatsächlich noch nicht nachgeschaut. Da ich mit ActivX in LabVIEW noch nicht wirklich gearbeitet habe. Frage: Welches ActivX-Objekt müsste ich da wählen, bzw wie ist das ganze organisiert.

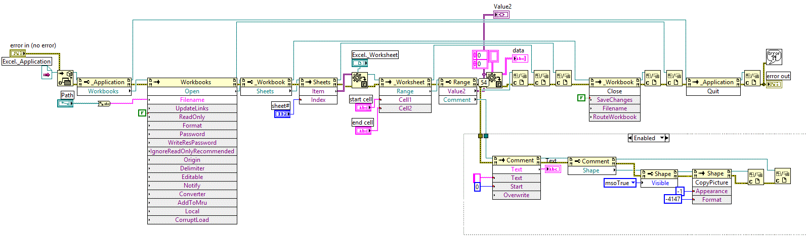
Hatte folgendes gefunden, funktioniert aber leider nicht da die Ref. von Comment stets auf Null bleibt.

VG GeoTos


Angehängte Datei(en) Thumbnail(s)
   
Alle Beiträge dieses Benutzers finden
Diese Nachricht in einer Antwort zitieren to top
19.12.2020, 17:24
Beitrag #4

jg Offline
CLA & CLED
LVF-Team

Beiträge: 15.864
Registriert seit: Jun 2005

20xx / 8.x
1999
EN

Franken...
Deutschland
RE: Excel Zellen Kommentare in LabVIEW einlesen
Hallo GeoTos,

Vorsicht mit der Reihenfolge! Das ist bei ActiveX ganz wichtig. Ich würde erst nach dem Auslesen des Kommentars das Worksheet wieder schließen. Vielleicht ist die Referenz zum Kommentar nur dann gültig, solange noch das Worksheet offen ist.

Gruß, Jens

Wer die erhabene Weisheit der Mathematik tadelt, nährt sich von Verwirrung. (Leonardo da Vinci)

!! BITTE !! stellt mir keine Fragen über PM, dafür ist das Forum da - andere haben vielleicht auch Interesse an der Antwort!

Einführende Links zu LabVIEW, s. GerdWs Signatur.
Alle Beiträge dieses Benutzers finden
Diese Nachricht in einer Antwort zitieren to top
19.12.2020, 20:04
Beitrag #5

geotos Offline
Anwender


Beiträge: 6
Registriert seit: Nov 2006

11
1994
DE_EN

47805
Deutschland
RE: Excel Zellen Kommentare in LabVIEW einlesen
Hallo Jens,
besten Dank für den Hinweis. Der Error-Cluster sollt eigentlich dafür sorgen das die Ref. vom Worksheet recht spät geschlosssen wird. Beim Debuggen konnte man halt sehen das die Ref. vom Comment = 0 war. Ist der Zugriff den so überhaupt richtig. Man findet leider recht wenig über den Zugriff auf die Kommentare der einzelnen Excel-Zellen.

VG GeoTos
Alle Beiträge dieses Benutzers finden
Diese Nachricht in einer Antwort zitieren to top
20.12.2020, 11:40
Beitrag #6

GerdW Offline
______________
LVF-Team

Beiträge: 17.540
Registriert seit: May 2009

LV2019 (LV2021)
1995
DE_EN

10×××
Deutschland
RE: Excel Zellen Kommentare in LabVIEW einlesen
Hallo geotos,

allgemeiner Tipp: solche Dinge erstmal in ExcelVBA durchspielen, gerne auch mit dem Makro-Recorder in excel...

Alle Beiträge dieses Benutzers finden
Diese Nachricht in einer Antwort zitieren to top
Anzeige
20.12.2020, 13:05
Beitrag #7

jg Offline
CLA & CLED
LVF-Team

Beiträge: 15.864
Registriert seit: Jun 2005

20xx / 8.x
1999
EN

Franken...
Deutschland
RE: Excel Zellen Kommentare in LabVIEW einlesen
(19.12.2020 20:04 )geotos schrieb:  Der Error-Cluster sollt eigentlich dafür sorgen das die Ref. vom Worksheet recht spät geschlosssen wird.
Hallo GeoTos

genau das machst du in deinem Screenshot aber nicht. Der ganze "Comment" Teil läuft parallel zum Rest. Dürfte hier egal sein, wenn es stimmt, dass die Comment-Reference laut Debugging schon 0 ist, aber trotzdem...

Gruß, Jens

Wer die erhabene Weisheit der Mathematik tadelt, nährt sich von Verwirrung. (Leonardo da Vinci)

!! BITTE !! stellt mir keine Fragen über PM, dafür ist das Forum da - andere haben vielleicht auch Interesse an der Antwort!

Einführende Links zu LabVIEW, s. GerdWs Signatur.
Alle Beiträge dieses Benutzers finden
Diese Nachricht in einer Antwort zitieren to top
21.12.2020, 09:54 (Dieser Beitrag wurde zuletzt bearbeitet: 21.12.2020 10:02 von th13.)
Beitrag #8

th13 Offline
LVF-Gelegenheitsschreiber
**


Beiträge: 183
Registriert seit: Oct 2013

2020 SP1
2013
EN


Deutschland
RE: Excel Zellen Kommentare in LabVIEW einlesen
Du musst bei den neueren Excel-Versionen CommentThreaded benutzen. Die Kommentare sind da kein einfacher Text mehr, sondern so neumodische Posts.
   


Angehängte Datei(en)
0.0 .xlsx  Mappe1.xlsx (Größe: 11 KB / Downloads: 285)
Alle Beiträge dieses Benutzers finden
Diese Nachricht in einer Antwort zitieren to top
21.12.2020, 14:53
Beitrag #9

geotos Offline
Anwender


Beiträge: 6
Registriert seit: Nov 2006

11
1994
DE_EN

47805
Deutschland
RE: Excel Zellen Kommentare in LabVIEW einlesen
Hallo JG,

benutze zur Zeit Excel 2013, da bietet mir LabVIEW leider die Eigenschaft "Comment Threaded" nicht an, aber interessant ist, dein Snippet wird von meinem LabVIEW dahin gehend geändert, das aus "Comment Threaded" wieder "Comment" wird und wenn ich deine Beispiel-Datei benutze funkioniert es einwandfrei. D.h. das wahrscheinlich meine Excel-Datei, die ich auslesen muss und wo die Kommentare zum Teil aus Bildern bestehen, mit einer neueren Excel Version erstellt wurde, und meine 2013 'er Version die Datei zwar darstellt, aber ich mit meiner LV-Version wohl nicht daruf zugreifen kann. Du hast mir auf jeden Fall sehr weiter geholfen. Werde es jetzt mal versuchen mit einer neueren Excel-Version versuchen. Mal sehen was passiert.

VG Geotos
Alle Beiträge dieses Benutzers finden
Diese Nachricht in einer Antwort zitieren to top
21.12.2020, 16:16
Beitrag #10

th13 Offline
LVF-Gelegenheitsschreiber
**


Beiträge: 183
Registriert seit: Oct 2013

2020 SP1
2013
EN


Deutschland
RE: Excel Zellen Kommentare in LabVIEW einlesen
(21.12.2020 14:53 )geotos schrieb:  benutze zur Zeit Excel 2013, da bietet mir LabVIEW leider die Eigenschaft "Comment Threaded" nicht an, aber interessant ist, dein Snippet wird von meinem LabVIEW dahin gehend geändert, das aus "Comment Threaded" wieder "Comment" wird
LabVIEW benutzt immer die ActiveX-Klassen, die dein Excel installiert hat. Daher kann es schiefgehen, wenn du eine Exe auf einem Rechner erstellst, der eine andere/neuere Excel-Version hat als der Rechner, auf dem die Exe laufen soll. Bei mir ist Office365 installiert, daher "kennt" mein LabVIEW das CommentThreaded-Property.

(21.12.2020 14:53 )geotos schrieb:  D.h. das wahrscheinlich meine Excel-Datei, die ich auslesen muss und wo die Kommentare zum Teil aus Bildern bestehen, mit einer neueren Excel Version erstellt wurde
Die Excel-Version kannst du im _Application-Knoten im Property-Version auslesen.
Alle Beiträge dieses Benutzers finden
Diese Nachricht in einer Antwort zitieren to top
Antwort schreiben 


Möglicherweise verwandte Themen...
Themen Verfasser Antworten Views Letzter Beitrag
  Zellen-Formatierung R.Fuertig 4 5.786 20.10.2019 10:08
Letzter Beitrag: R.Fuertig
  LabVIEW Zeitformat in .dat File in Excel einlesen Rouven Beermann 5 13.024 28.05.2018 15:02
Letzter Beitrag: TpunktN
  Excel und Labview.. Xit 2 6.258 05.10.2017 13:24
Letzter Beitrag: Xit
  Excel per LabVIEW fernsteuern cwolz 1 5.160 29.08.2016 13:58
Letzter Beitrag: GerdW
  muss Excel auf dem Zielsystem für Excel-Report installiert sein? Trinitatis 2 6.465 01.08.2016 20:51
Letzter Beitrag: Trinitatis
  Excel Format der Zellen hansi9990 1 5.220 07.07.2016 14:32
Letzter Beitrag: hansi9990

Gehe zu: