INFO: Dieses Forum nutzt Cookies...
Cookies sind für den Betrieb des Forums unverzichtbar. Mit der Nutzung des Forums erklärst Du dich damit einverstanden, dass wir Cookies verwenden.

Es wird in jedem Fall ein Cookie gesetzt um diesen Hinweis nicht mehr zu erhalten. Desweiteren setzen wir Google Adsense und Google Analytics ein.


Antwort schreiben 

Falscher Analogwert bei Wechsel von PCI-6229 auf USB-6343



Wenn dein Problem oder deine Frage geklärt worden ist, markiere den Beitrag als "Lösung",
indem du auf den "Lösung" Button rechts unter dem entsprechenden Beitrag klickst. Vielen Dank!

04.03.2021, 08:34
Beitrag #1

X19CrEaTiVe68X Offline
LVF-Neueinsteiger


Beiträge: 8
Registriert seit: Mar 2021

2018
1995
kA



Falscher Analogwert bei Wechsel von PCI-6229 auf USB-6343
Hallo Forianer,
ich habe eine PCI-6229 im Einsatz.
Diese möchte ich gegen eine USB-6343 tauschen.

Bei einem differenziell genutzten Analogeingang bekomme ich einen um ca. Faktor 3,1 falschen Wert geliefert.
Korrekt sind es 38mV und bei der USB 98mV.
Alle anderen analogen Werte (auch weitere differenzielle) sind ok.
Nutze ich ein Beispielprogramm von NI oder gehe über den NI Max, ist der Wert korrekt.
Ich finde keine Einstellung, die es bewerkstelligen könnte den Wert nur bei der USB Variante entsprechend zu ändern.
Hat zufällig wer ne Idee was da schief läuft?

Gruß
Andreas

LV2018 64bit


Angehängte Datei(en) Thumbnail(s)
       
Alle Beiträge dieses Benutzers finden
Diese Nachricht in einer Antwort zitieren to top
Anzeige
04.03.2021, 10:30
Beitrag #2

GerdW Offline
______________
LVF-Team

Beiträge: 17.540
Registriert seit: May 2009

LV2019 (LV2021)
1995
DE_EN

10×××
Deutschland
RE: Falscher Analogwert bei Wechsel von PCI-6229 auf USB-6343
Hallo Andreas,

herzlich willkommen im Forum!

Zitat:Bei einem differenziell genutzten Analogeingang bekomme ich einen um ca. Faktor 3,1 falschen Wert geliefert.
Korrekt sind es 38mV und bei der USB 98mV.
Alle anderen analogen Werte (auch weitere differenzielle) sind ok.
Nutze ich ein Beispielprogramm von NI oder gehe über den NI Max, ist der Wert korrekt.
Der differenzielle Eingang/Messkanal an sich scheint ja zu funktionieren, wenn er im MAX-Testpanel das erwartete Signal anzeigt.
Sehe ich das so richtig?

Zitat:Ich finde keine Einstellung, die es bewerkstelligen könnte den Wert nur bei der USB Variante entsprechend zu ändern.
Hat zufällig wer ne Idee was da schief läuft?
Wenn es dagegen in deinem VI nicht wie erwartet funktioniert, würde ich den Fehler/das Problem in deinem VI vermuten.
Da musst du wohl dein VI nochmal sehr aufmerksam kontrollieren - oder hier mal als Attachment anhängen…

Alle Beiträge dieses Benutzers finden
Diese Nachricht in einer Antwort zitieren to top
04.03.2021, 11:04 (Dieser Beitrag wurde zuletzt bearbeitet: 04.03.2021 11:06 von Martin.Henz.)
Beitrag #3

Martin.Henz Offline
LVF-Team
LVF-Team

Beiträge: 451
Registriert seit: Jan 2005

2.5.1 bis 20
1992
kA

74363
Deutschland
RE: Falscher Analogwert bei Wechsel von PCI-6229 auf USB-6343
Hallo Andreas,

ich habe dazu noch einen ekelhaften Vorschlag: Crosstalk, also ein Übersprechen von einem Kanal zum anderen. Da kann man auch solche Effekte sehen. Wird nur ein Kanal gemessen, dann passt es und beim multiplexen stimmt die Messung am nachfolgenden Kanal nicht mehr. Da stimmen die Messwerte im Testpanel, weil da nur ein einzelner Kanal gemessen wird und im Programm kommen falsche Messwerte. Das wünscht man seinem ärgsten Feind nicht Fight

Nachtrag: https://knowledge.ni.com/KnowledgeArticl...AS&l=de-DE

Martin Henz
Webseite des Benutzers besuchen Alle Beiträge dieses Benutzers finden
Diese Nachricht in einer Antwort zitieren to top
04.03.2021, 14:38
Beitrag #4

RMR Offline
Laborkater
**


Beiträge: 239
Registriert seit: Nov 2008

09f1 - 2010SP1(f4) - 2012SP1f5 - 2014 SP1f10 -2017f3
2009
DE_EN

76437
Deutschland
RE: Falscher Analogwert bei Wechsel von PCI-6229 auf USB-6343
Wenn ich nicht ganz blind bin, nutzt du im MAX-Testpanel DIFF, in deinem VI RSE.

Hope it helps, Ralf

100nF passen immer.
Alle Beiträge dieses Benutzers finden
Diese Nachricht in einer Antwort zitieren to top
04.03.2021, 15:00
Beitrag #5

jg Offline
CLA & CLED
LVF-Team

Beiträge: 15.864
Registriert seit: Jun 2005

20xx / 8.x
1999
EN

Franken...
Deutschland
RE: Falscher Analogwert bei Wechsel von PCI-6229 auf USB-6343
(04.03.2021 14:38 )RMR schrieb:  Wenn ich nicht ganz blind bin, nutzt du im MAX-Testpanel DIFF, in deinem VI RSE.
Könnte sein, aber leider wissen wir nicht, was am ersten "AI-Voltage" eingestellt ist und wieviele Kanäle in den beiden AI-Voltage Instanzen angelegt werden.

Gruß, Jens

Wer die erhabene Weisheit der Mathematik tadelt, nährt sich von Verwirrung. (Leonardo da Vinci)

!! BITTE !! stellt mir keine Fragen über PM, dafür ist das Forum da - andere haben vielleicht auch Interesse an der Antwort!

Einführende Links zu LabVIEW, s. GerdWs Signatur.
Alle Beiträge dieses Benutzers finden
Diese Nachricht in einer Antwort zitieren to top
05.03.2021, 10:49
Beitrag #6

X19CrEaTiVe68X Offline
LVF-Neueinsteiger


Beiträge: 8
Registriert seit: Mar 2021

2018
1995
kA



RE: Falscher Analogwert bei Wechsel von PCI-6229 auf USB-6343
(04.03.2021 10:30 )GerdW schrieb:  Der differenzielle Eingang/Messkanal an sich scheint ja zu funktionieren, wenn er im MAX-Testpanel das erwartete Signal anzeigt.
Sehe ich das so richtig?

Hallo Gerd, Hardwaretechnisch funktioniert er. Habe auch schonmal einen anderen kanal versucht, Ergeniss ist identisch.

Zitat:Wenn es dagegen in deinem VI nicht wie erwartet funktioniert, würde ich den Fehler/das Problem in deinem VI vermuten.
Da musst du wohl dein VI nochmal sehr aufmerksam kontrollieren - oder hier mal als Attachment anhängen…
Über das VI haben schon 3 Personen drüber geschaut, aktuell komme ich nicht dran. Könnte nur Screenshots bieten.
Gegen einen grundlegenden Fehler spricht, dass das Programm seit jahren mit der PCI-6229 funktioniert.

Gruß
Andreas
Alle Beiträge dieses Benutzers finden
Diese Nachricht in einer Antwort zitieren to top
Anzeige
05.03.2021, 11:15
Beitrag #7

X19CrEaTiVe68X Offline
LVF-Neueinsteiger


Beiträge: 8
Registriert seit: Mar 2021

2018
1995
kA



RE: Falscher Analogwert bei Wechsel von PCI-6229 auf USB-6343
(04.03.2021 11:04 )Martin.Henz schrieb:  Hallo Andreas,

ich habe dazu noch einen ekelhaften Vorschlag: Crosstalk, also ein Übersprechen von einem Kanal zum anderen. Da kann man auch solche Effekte sehen. Wird nur ein Kanal gemessen, dann passt es und beim multiplexen stimmt die Messung am nachfolgenden Kanal nicht mehr. Da stimmen die Messwerte im Testpanel, weil da nur ein einzelner Kanal gemessen wird und im Programm kommen falsche Messwerte. Das wünscht man seinem ärgsten Feind nicht Fight

Nachtrag: https://knowledge.ni.com/KnowledgeArticl...AS&l=de-DE

Hallo Martin, diese Problematik ist mir geläufig. Dafür sind meine differentiellen Analogeingänge nur jeder 2. genutzt und die freien alle gegrounded.
Das würde aber bedeuten, das die USB-6343 anders, bzw. empfindlicher auf das Problem reagiert, als die PCI-6229.
Im NI Example 1 Analogeingang funktioniert die Messung auch, kann diese ggf. mal auf 4 Eingänge aufbohren.

Gruß
Andreas
Alle Beiträge dieses Benutzers finden
Diese Nachricht in einer Antwort zitieren to top
05.03.2021, 11:21
Beitrag #8

jg Offline
CLA & CLED
LVF-Team

Beiträge: 15.864
Registriert seit: Jun 2005

20xx / 8.x
1999
EN

Franken...
Deutschland
RE: Falscher Analogwert bei Wechsel von PCI-6229 auf USB-6343
Hallo,

es gibt doch einige Unterschiede:

6229:
M-Serienkarte
PCI-Bus
Anschluss: 2x 68poliger VHDCI -> und wie habt ihr dann eure Signale angeschlossen?

6343:
X-Serienkarte
USB-Bus (wie sieht es mit der Masse aus?)
Anschluss: Die Karte gibt es in den Varianten Screwterminal und BNC-Anschluss, was setzt ihr ein? Wie habt ihr jetzt eure Signale angeschlossen?

Die Hinweise von Martin und RMR finde ich gut, aber vor allem bei RMRs Hinweis können wir nicht sagen, ob er zutrifft oder nicht, dein erster Screenshot-Ausschnitt enthält nicht alle Infos.

Gruß, Jens

Wer die erhabene Weisheit der Mathematik tadelt, nährt sich von Verwirrung. (Leonardo da Vinci)

!! BITTE !! stellt mir keine Fragen über PM, dafür ist das Forum da - andere haben vielleicht auch Interesse an der Antwort!

Einführende Links zu LabVIEW, s. GerdWs Signatur.
Alle Beiträge dieses Benutzers finden
Diese Nachricht in einer Antwort zitieren to top
05.03.2021, 11:26 (Dieser Beitrag wurde zuletzt bearbeitet: 05.03.2021 11:29 von X19CrEaTiVe68X.)
Beitrag #9

X19CrEaTiVe68X Offline
LVF-Neueinsteiger


Beiträge: 8
Registriert seit: Mar 2021

2018
1995
kA



RE: Falscher Analogwert bei Wechsel von PCI-6229 auf USB-6343
(04.03.2021 14:38 )RMR schrieb:  Wenn ich nicht ganz blind bin, nutzt du im MAX-Testpanel DIFF, in deinem VI RSE.

Hope it helps, Ralf

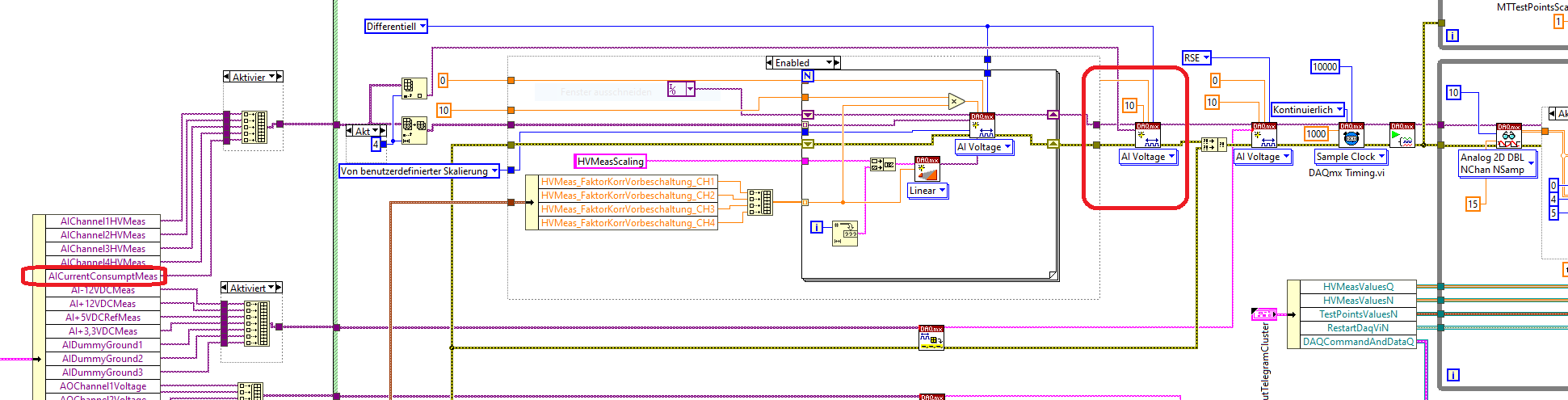
Hallo Ralf, nein ist in beiden Fällen DIFF. Man sie das in dem Schreenshot gerade nicht.
Hier mal ein erweiterter.

Gruß
Andreas

(04.03.2021 15:00 )jg schrieb:  
(04.03.2021 14:38 )RMR schrieb:  Wenn ich nicht ganz blind bin, nutzt du im MAX-Testpanel DIFF, in deinem VI RSE.
Könnte sein, aber leider wissen wir nicht, was am ersten "AI-Voltage" eingestellt ist und wieviele Kanäle in den beiden AI-Voltage Instanzen angelegt werden.

Gruß, Jens

Hallo Jens, anbei mal die Belegung der analogen Kanale.
0 - 16 sind DIFF
17 - 20 sind RSE

Gruß
Andreas


Angehängte Datei(en) Thumbnail(s)
       
Alle Beiträge dieses Benutzers finden
Diese Nachricht in einer Antwort zitieren to top
05.03.2021, 12:28 (Dieser Beitrag wurde zuletzt bearbeitet: 05.03.2021 12:32 von GerdW.)
Beitrag #10

GerdW Offline
______________
LVF-Team

Beiträge: 17.540
Registriert seit: May 2009

LV2019 (LV2021)
1995
DE_EN

10×××
Deutschland
RE: Falscher Analogwert bei Wechsel von PCI-6229 auf USB-6343
Hallo Andreas,

Zitat:0 - 16 sind DIFF
17 - 20 sind RSE
Und wie sind die DIFF-Kanäle beschaltet?
Und warum sind es 17 DIFF-Kanäle? Bei einem Gerät, welches nur 16 DIFF-Kanäle anbietet??? Hmm
Du hast dir das Manual durchgelesen, wo die Pin-Belegung je nach DIFF/NRSE/RSE-Modus beschrieben wird (Seite 4-5 und folgende)?
Was genau soll man in dem winzigen Bild zur Kanalbelegung erkennen?

Alle Beiträge dieses Benutzers finden
Diese Nachricht in einer Antwort zitieren to top
Antwort schreiben 


Möglicherweise verwandte Themen...
Themen Verfasser Antworten Views Letzter Beitrag
  Spannungsbereich von Messkarte NI-6229 Christoph1993 1 3.926 03.07.2019 09:37
Letzter Beitrag: jg
  PWM Timing Problem bei Wechsel von DAQmx 9.6.1 auf 9.8 dali4u 2 5.926 17.07.2014 13:43
Letzter Beitrag: dali4u
  PCI 6229 Ausgänge nicht auf 0V machfax 4 6.895 22.11.2013 09:54
Letzter Beitrag: machfax
  Wechsel von USB Karte/ Physikalischen Kanal automatisch flippi2187 4 5.895 02.09.2013 11:44
Letzter Beitrag: flippi2187
  Einzelner Analogwert erfassen durch ext. Triggerimpuls Nullstrom 6 7.267 12.09.2012 21:26
Letzter Beitrag: Nullstrom
  PXI 6229 Temperaturerfassung Börny 7 9.375 31.08.2011 10:51
Letzter Beitrag: Mingo

Gehe zu: