INFO: Dieses Forum nutzt Cookies...
Cookies sind für den Betrieb des Forums unverzichtbar. Mit der Nutzung des Forums erklärst Du dich damit einverstanden, dass wir Cookies verwenden.

Es wird in jedem Fall ein Cookie gesetzt um diesen Hinweis nicht mehr zu erhalten. Desweiteren setzen wir Google Adsense und Google Analytics ein.


Antwort schreiben 

Dieses Thema hat akzeptierte Lösungen:

Fehler beim Erstellen einer Datei, durch VISA ausgelöst?



Wenn dein Problem oder deine Frage geklärt worden ist, markiere den Beitrag als "Lösung",
indem du auf den "Lösung" Button rechts unter dem entsprechenden Beitrag klickst. Vielen Dank!

27.02.2014, 16:02
Beitrag #1

Klausenwirt Offline
LVF-Grünschnabel
*


Beiträge: 23
Registriert seit: Jan 2014

2013
2013
DE



Fehler beim Erstellen einer Datei, durch VISA ausgelöst?
Hallo zusammen,

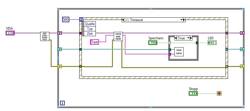
ich will während der Laufzeit beliebig viele neue Textdateien erstellen und die gemessensen Werte darin speichern. Das gesamte Projekt ist schon recht groß, deshalb habe ich hier eine abgespeckte Version zur Verfügung gestellt. Ich erhalte die Fehlermeldung "1073807298" in der Fehlerleitung von "delete read buffer" in WriteAndRead.vi, wenn ich während der Laufzeit neue Dateien erstelle. Komisch finde ich
1) die Datei wird erstellt
2) die Fehlermeldung erscheint nicht immer.

Ich konnte bis zu 10 neue Dateien erstellen und diese mit Werten füllen, aber dann kam die Fehlermeldung.
Wenn ich außerhalb der while-Schleife eine Datei erstelle (also nur 1 mal), funktioniert alle tadellos.

Die Dateien kann ich in separaten VIs problemlos neu erstellen, nur in Kombination mit VISA streikt es.

Die Datei wird ja erst erstellt, dann läuft der Timeout ab und dann erst werden wieder Daten gesendet und gelesen.

Die abgespeckte Version hier funktioniert nicht wirklich aufgrund anderer VISA-Fehler, weil hier mit nichts kommuniziert wird. Blush

Grüße vom
Klausenwirt.


0.0 .zip  Testprojekt.zip (Größe: 74,5 KB / Downloads: 362)

Timeout
   

Datei erzeugen
   

Daten senden und lesen
   
Alle Beiträge dieses Benutzers finden
Diese Nachricht in einer Antwort zitieren to top
Anzeige
27.02.2014, 16:24
Beitrag #2

GerdW Offline
______________
LVF-Team

Beiträge: 17.540
Registriert seit: May 2009

LV2019 (LV2021)
1995
DE_EN

10×××
Deutschland
RE: Fehler beim Erstellen einer Datei, durch VISA ausgelöst?
Hallo Wirt,

wenn du VISA und File-Funktionen mischt, darfst du dich nicht wundern, wenn VISA-Fehler zu Problemen beim FileWrite führen…

Mögliche Ideen/Vorschläge:
- erstmal durch Debugging die genaue Fehlerquelle suchen (wahrscheinlich eine der VISA-Funktionen)
- VISA und FileAccess voneinander trennen und zumindest getrennte ErrorCluster verwenden
- Error-Leitungen ebenso wie VISA-Referenzen konsequent durchverdrahten! (s. Anhang)
- Wenn du subVIs erstellst, solltest du denen immer ErrorIO verpassen! (SaveData, CreateFile)


Angehängte Datei(en)
13.0 .vi  WriteAndRead.vi (Größe: 34,94 KB / Downloads: 373)

Alle Beiträge dieses Benutzers finden
Diese Nachricht in einer Antwort zitieren to top
28.02.2014, 11:51
Beitrag #3

Klausenwirt Offline
LVF-Grünschnabel
*


Beiträge: 23
Registriert seit: Jan 2014

2013
2013
DE



RE: Fehler beim Erstellen einer Datei, durch VISA ausgelöst?
Ich muss ja über VISA die Werte lesen und sie dann über SaveData abspeichern. Wie sollte ich die voneinander trennen? Ein shift-Register als Zwischenspeicher benutzen und die Daten in einem anderen Ereignis abspeichern? Wenn ich da dann aber nicht das VISA-Register verbinde, geht ja der VISA-Wert verloren.
Da SaveData von WriteAndRead abhängig ist, wird es ja erst danach ausgeführt. Den COM-Port jedes mal neu öffnen und schließen halte ich nicht für sinnvoll.
Alle Beiträge dieses Benutzers finden
Diese Nachricht in einer Antwort zitieren to top
28.02.2014, 11:52
Beitrag #4

GerdW Offline
______________
LVF-Team

Beiträge: 17.540
Registriert seit: May 2009

LV2019 (LV2021)
1995
DE_EN

10×××
Deutschland
RE: Fehler beim Erstellen einer Datei, durch VISA ausgelöst?
Hallo Wirt,

Zitat:Ich muss ja über VISA die Werte lesen und sie dann über SaveData abspeichern.
Das stimmt.
Aber niemand zwingt dich, den selben ErrorCluster für beide Teilaufgaben zu verwenden…

Alle Beiträge dieses Benutzers finden
Diese Nachricht in einer Antwort zitieren to top
28.02.2014, 12:06 (Dieser Beitrag wurde zuletzt bearbeitet: 28.02.2014 12:07 von jg.)
Beitrag #5

jg Offline
CLA & CLED
LVF-Team

Beiträge: 15.864
Registriert seit: Jun 2005

20xx / 8.x
1999
EN

Franken...
Deutschland
RE: Fehler beim Erstellen einer Datei, durch VISA ausgelöst?
Ich gehe davon aus, dass Gerd es schon verbessert hat, aber nochmal der Vollständigkeit halber, hier liegt dein Problem:
   
Im Datei Erzeugen Case verlierst du die VISA-Refnum.

Gruß, Jens

Wer die erhabene Weisheit der Mathematik tadelt, nährt sich von Verwirrung. (Leonardo da Vinci)

!! BITTE !! stellt mir keine Fragen über PM, dafür ist das Forum da - andere haben vielleicht auch Interesse an der Antwort!

Einführende Links zu LabVIEW, s. GerdWs Signatur.
Alle Beiträge dieses Benutzers finden
Diese Nachricht in einer Antwort zitieren to top
14.03.2014, 10:39
Beitrag #6

Klausenwirt Offline
LVF-Grünschnabel
*


Beiträge: 23
Registriert seit: Jan 2014

2013
2013
DE



RE: Fehler beim Erstellen einer Datei, durch VISA ausgelöst?

Akzeptierte Lösung

Die fehlende Verbidung war nur in diesem Beispiel vorhanden. Getrennte Error-Cluster haben das Problem nicht behoben, aber das Schließen der VISA-Schnittstelle hat geholfen. Die Initialisierung und Konfiguration der VISA-Schnittstelle nach jeder neu erzeugten Datei ist vielleicht von der Performance her nicht sehr optimal, aber es funktioniert.

   
Alle Beiträge dieses Benutzers finden
Diese Nachricht in einer Antwort zitieren to top
Anzeige
30
Antwort schreiben 


Möglicherweise verwandte Themen...
Themen Verfasser Antworten Views Letzter Beitrag
  Problem beim daten empfangen mit Visa rudis 3 7.922 17.11.2021 12:54
Letzter Beitrag: GerdW
  VISA: (Hex 0xBFFF003E) I/O-Fehler Jurely16 3 7.224 02.02.2021 11:08
Letzter Beitrag: GerdW
  VISA: I/O Fehler beim Auslesen einer seriellen Schnittstelle konne 5 9.724 19.07.2017 13:04
Letzter Beitrag: konne
  Fehler -1073807298 bei VISA: Lesen Schnittlauch 7 12.103 17.01.2017 16:07
Letzter Beitrag: GerdW
  VISA Read Fehler 1073807302 Stefan1101 4 9.159 29.08.2016 10:13
Letzter Beitrag: Stefan1101
  Kommunikation zwischen Labview und Bronhorst Massendurchflussregler durch VISA Atlaspremier 7 9.710 14.07.2016 15:51
Letzter Beitrag: Atlaspremier

Gehe zu: