INFO: Dieses Forum nutzt Cookies...
Cookies sind für den Betrieb des Forums unverzichtbar. Mit der Nutzung des Forums erklärst Du dich damit einverstanden, dass wir Cookies verwenden.

Es wird in jedem Fall ein Cookie gesetzt um diesen Hinweis nicht mehr zu erhalten. Desweiteren setzen wir Google Adsense und Google Analytics ein.


Antwort schreiben 

Funktionsgenerator liefert falsche Frequenz



Wenn dein Problem oder deine Frage geklärt worden ist, markiere den Beitrag als "Lösung",
indem du auf den "Lösung" Button rechts unter dem entsprechenden Beitrag klickst. Vielen Dank!

07.01.2013, 14:52
Beitrag #1

sumsi Offline
LVF-Gelegenheitsschreiber
**


Beiträge: 83
Registriert seit: Oct 2010

2014
2010
DE


Deutschland
Funktionsgenerator liefert falsche Frequenz
Hallo,
ich versuche gerade mit dem einfachen Funktionsgenerator über eine A/D-Wandler von Meilhaus Signale mit vorgegebener Amplitude und Frequenz auszugeben. Um das ganze zu überprüfen gebe ich das Signal vom Wandler an einem Oszilloskop aus.

Ich gebe meinem Funktionsgenerator Offset, Amplitude, WaveForm und Frequenz vor sowie die Abtast-Info.
Bei eingestellter Abtast-Info von 1000 Samples pro Sekunde und Sample Anzahl (1000) bekomme ich bei einer Vorgegebenen Frequenz von 0,5 Hz am Oszilloskop eine Periodendauer von 4s. Erwartet wird aber eine Periodendauer von 2s. Auch im Signalverlaufsdiagramm erhalte ich die Flanken zum gleichen Zeitpunkt wie auf meinem Oszi, es liegt somit nicht am Wandler, dass dieser zu langsam arbeitet.

Des weiteren ist mir aufgefallen, dass sich bei Änderung der Samples pro Sekunde die Periodendauer ändert. Dies sollte aber eigentlich nicht so sein.

Kann mir jemand sagen, woran das liegt?
Alle Beiträge dieses Benutzers finden
Diese Nachricht in einer Antwort zitieren to top
Anzeige
07.01.2013, 15:07
Beitrag #2

GerdW Offline
______________
LVF-Team

Beiträge: 17.536
Registriert seit: May 2009

LV2019 (LV2021)
1995
DE_EN

10×××
Deutschland
RE: Funktionsgenerator liefert falsche Frequenz
Hallo sumsi,

vielleicht solltest du auch einmal zeigen, wie du dein Signal ausgibst und wie du die Meilhaus-Hardware initialisiert hast?
Oder kurierst du Krankheiten immer nur anhand ihrer Auswirkungen? Big Grin

Alle Beiträge dieses Benutzers finden
Diese Nachricht in einer Antwort zitieren to top
07.01.2013, 15:13
Beitrag #3

sumsi Offline
LVF-Gelegenheitsschreiber
**


Beiträge: 83
Registriert seit: Oct 2010

2014
2010
DE


Deutschland
RE: Funktionsgenerator liefert falsche Frequenz
Hallo GerdW

was meinst du damit, wie ich mein Signal ausgebe und wie ich mein Board installiert habe?

Zur Kommunikation mit dem Board nutze ich die mitgelieferten VI's.

Viele Grüße
sumsi
Alle Beiträge dieses Benutzers finden
Diese Nachricht in einer Antwort zitieren to top
07.01.2013, 15:19
Beitrag #4

GerdW Offline
______________
LVF-Team

Beiträge: 17.536
Registriert seit: May 2009

LV2019 (LV2021)
1995
DE_EN

10×××
Deutschland
RE: Funktionsgenerator liefert falsche Frequenz
Hallo sumsi,

Zitat:was meinst du damit, wie ich mein Signal ausgebe und wie ich mein Board installiert habe?
wenn du dein VI anhängen würdest, müsste man seine Diagnose nicht nur aufgrund der von dir geschilderten Auswirkungen erstellen, sondern könnte auch (evtl.) die Ursachen erkennen! Ich habe nicht gefragt, wie du das Board installiert hast, sondern wie du initialisierst...

Alle Beiträge dieses Benutzers finden
Diese Nachricht in einer Antwort zitieren to top
07.01.2013, 15:44
Beitrag #5

sumsi Offline
LVF-Gelegenheitsschreiber
**


Beiträge: 83
Registriert seit: Oct 2010

2014
2010
DE


Deutschland
RE: Funktionsgenerator liefert falsche Frequenz
Hallo,

dann hab ich mir wohl verlesen, im Anhang ist auf jeden Fall mal ein Screenshot vom Programm, mehr hab ich grad leider nicht da
hoffe das hilft dir erst mal zu verstehen, was ich versuche zu machen

sumsi


Angehängte Datei(en) Thumbnail(s)
   
Alle Beiträge dieses Benutzers finden
Diese Nachricht in einer Antwort zitieren to top
07.01.2013, 15:46 (Dieser Beitrag wurde zuletzt bearbeitet: 07.01.2013 15:47 von GerdW.)
Beitrag #6

GerdW Offline
______________
LVF-Team

Beiträge: 17.536
Registriert seit: May 2009

LV2019 (LV2021)
1995
DE_EN

10×××
Deutschland
RE: Funktionsgenerator liefert falsche Frequenz
Hallo sumsi,

so wie ich es befürchtet habe...

2 Fehler:
- Siehst du den türkisen Punkt an der Funktion "To Eng"? Der hat eine Bedeutung...
- In der inneren While-Loop gibst du Einzelwerte aus und die Schleife läuft ohne irgendein Timing. Wie willst du hier sicherstellen, dass die Samplinginformationen der Waveform beachtet werden?

Wozu überhaupt die innere While-Loop? Wäre hier nicht eher eine FOR-Loop angebracht?

Alle Beiträge dieses Benutzers finden
Diese Nachricht in einer Antwort zitieren to top
Anzeige
08.01.2013, 08:40
Beitrag #7

sumsi Offline
LVF-Gelegenheitsschreiber
**


Beiträge: 83
Registriert seit: Oct 2010

2014
2010
DE


Deutschland
RE: Funktionsgenerator liefert falsche Frequenz
Hallo,

schon mal danke für die Hilfe, folgendes habe ich jetzt mal umgesetzt:

aus der inneren while-loop eine for-schleife gemacht und in diese Schleife einen Timer gesetzt, der 10ms wartet sodass ich jetzt am Oszi die richtigen Periodendauern angezeigt bekomme. Als Schleifenzähler nutze ich die Anzahl der Samples. Um jedoch pro Schleifendurchlauf eine komplette Periode zu bekommen muss ich die Anzahl der Samples jetzt an die Frequenz bzw. die Samples pro Sekunde anpassen.

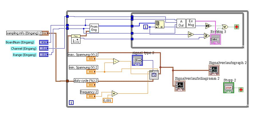
Bei dem Problem ist wohl was mit den Signaltypen nicht in Ordnund, oder bin ich da auf dem komplett falschem weg? Im Anhang noch mal mein VI wie es momentan aussieht.

sumsi


Angehängte Datei(en) Thumbnail(s)
   
Alle Beiträge dieses Benutzers finden
Diese Nachricht in einer Antwort zitieren to top
08.01.2013, 09:04
Beitrag #8

sumsi Offline
LVF-Gelegenheitsschreiber
**


Beiträge: 83
Registriert seit: Oct 2010

2014
2010
DE


Deutschland
RE: Funktionsgenerator liefert falsche Frequenz
Hallo,

kann es sein, dass ich mein Problem am besten mit einer zeitgesteuerten Schleifen lösen kann? So wie es momentan ist, läuft das System nicht zeitstabil genug, d.h. meine Periodendauer weicht je nach Frequenz von der gewünschten Periodendauer ab.

Viele Grüße
sumsi
Alle Beiträge dieses Benutzers finden
Diese Nachricht in einer Antwort zitieren to top
08.01.2013, 09:11
Beitrag #9

GerdW Offline
______________
LVF-Team

Beiträge: 17.536
Registriert seit: May 2009

LV2019 (LV2021)
1995
DE_EN

10×××
Deutschland
RE: Funktionsgenerator liefert falsche Frequenz
Hallo sumsi,

du hast gerade den bekannten Fakt für dich erkannt, dass auf einem Windows-System niemals eine hohe Güte der Frequenz einer Schleife erreicht werden kann (Stichworte: Multitasking, Process Scheduler, Interrupts, Kernel vs. User Mode, ...)!

Eine TWL kann geringfügig bessere Ergebnisse erzielen, ist aber unter Windows auch auf einen 1kHz-Takt beschränkt und unterliegt den gleichen Einschränkungen beim Jitter...

Alle Beiträge dieses Benutzers finden
Diese Nachricht in einer Antwort zitieren to top
08.01.2013, 09:52
Beitrag #10

sumsi Offline
LVF-Gelegenheitsschreiber
**


Beiträge: 83
Registriert seit: Oct 2010

2014
2010
DE


Deutschland
RE: Funktionsgenerator liefert falsche Frequenz
d.h. für mich also, ich kann es mit einer twl probieren und hoffen das es besser funktioniert
ganz genaue Frequenzen wird es unter windows also nie geben, wenn ich dich richtig verstehe.

wobei wenn ich richtig liege habe ich ja bei einer Taktung von 1000 kHz die Möglichkeit 1000 Werte pro Sekunde zu übergeben, dieser Wert wird ja variabel an den Frequenzgenerator übergeben. Da ich später mit Frequenzen unter 10 Hz arbeiten möchte sollte ich da doch eigentlich keine Probleme bekommen!
Alle Beiträge dieses Benutzers finden
Diese Nachricht in einer Antwort zitieren to top
Antwort schreiben 


Möglicherweise verwandte Themen...
Themen Verfasser Antworten Views Letzter Beitrag
  Registry liefert Fehler unter Win 10 Hubert R. 3 4.911 29.09.2017 08:30
Letzter Beitrag: jg
  VISA Abfrage an virtuellem COM Port liefert nur bei erster Abfrage Wert (MarCator) Ksanto 3 5.561 27.07.2017 09:40
Letzter Beitrag: Ksanto
  Anfängerfrage zu T/F-Case - Funktionsgenerator JOberst 2 4.137 31.10.2015 16:44
Letzter Beitrag: JOberst
  Einfachen Funktionsgenerator.vi generiertes Ausgangssignal begrenzen Moes 7 8.586 18.09.2015 11:38
Letzter Beitrag: Moes
Question Funktionsgenerator - Problem mit der Zeit Joj0o 6 5.941 15.09.2014 06:43
Letzter Beitrag: GerdW
  Typedef Cluster liefert bei Wert nur Variant curby23523 2 4.476 20.11.2012 09:11
Letzter Beitrag: curby23523

Gehe zu: