INFO: Dieses Forum nutzt Cookies...
Cookies sind für den Betrieb des Forums unverzichtbar. Mit der Nutzung des Forums erklärst Du dich damit einverstanden, dass wir Cookies verwenden.

Es wird in jedem Fall ein Cookie gesetzt um diesen Hinweis nicht mehr zu erhalten. Desweiteren setzen wir Google Adsense und Google Analytics ein.


Antwort schreiben 

Dieses Thema hat akzeptierte Lösungen:

Integral Berechnung an verschiedenen Maxima



Wenn dein Problem oder deine Frage geklärt worden ist, markiere den Beitrag als "Lösung",
indem du auf den "Lösung" Button rechts unter dem entsprechenden Beitrag klickst. Vielen Dank!

22.07.2011, 09:57
Beitrag #1

flomo
Unregistered


 







Integral Berechnung an verschiedenen Maxima
Hallo zusammen,
da ich Einsteiger bin habe ich noch nicht so viel Erfahrung mit LabView.

Ich habe folgendes Problem:

Das Beispiel "Peak Detection and Display" habe ich auf meine Bedürfnisse zusammen geschnitten.
Jetzt möchte ich gerne das Integral berechnen. Startpunkt a = 0; b = das 1., 2., 3., 4., .... Maximum;
f(x) = dynamische Daten.
Da ich nicht weis ob man das alles in einem Array berechenen und anzeigen, wähle ich das jeweilige Maximum aus.
Das Ergebnis lautet jedoch immer Inf.
Eigentlich liegen alle Daten vor die ich zur Berechnung benötige.

Vielen Dank für die Hilfe.


Angehängte Datei(en)
2010 .vi  Integralberechnung.vi (Größe: 74,45 KB / Downloads: 324)
Diese Nachricht in einer Antwort zitieren to top
Anzeige
22.07.2011, 12:23
Beitrag #2

BeFu Offline
LVF-Gelegenheitsschreiber
**


Beiträge: 84
Registriert seit: Jun 2006

2011
2006
DE_EN

96450
Deutschland
RE: Integral Berechnung an verschiedenen Maxima
(22.07.2011 09:57 )flomo schrieb:  ...
Das Beispiel "Peak Detection and Display" habe ich auf meine Bedürfnisse zusammen geschnitten.
Jetzt möchte ich gerne das Integral berechnen. Startpunkt a = 0; b = das 1., 2., 3., 4., .... Maximum;
f(x) = dynamische Daten.
Da ich nicht weis ob man das alles in einem Array berechenen und anzeigen, wähle ich das jeweilige Maximum aus.
Das Ergebnis lautet jedoch immer Inf.
Eigentlich liegen alle Daten vor die ich zur Berechnung benötige.

Vielen Dank für die Hilfe.

Hallo flomo,

könntest Du das Blockdiagramm des von Dir angepassten Beispiels bitte als Image (Screenshot) hochladen, so dass es alle anschauen können, die LabVIEW 2010 nicht zur Hand haben? - Ich selbst habe hier LabVIEW 8.5.

Du möchtest mit den Integralen die Fläche zwischen x= 0 und dem y= 1.; 2.; 3; ... Maximum berechnen? Also die Fläche ab Ursprung (x; y)= (0;0) und (xmax1; ymax1) anschließend (0;0) und (xmax2, ymax2), ....? Oder Fläche zwischen (0;0) und (xmax1; ymax1), anschließen zwischen (xmax2, ymax2) und (xmax3, ymax3), ...?

Schöne Grüße,

BeFu

Das Ziel ist der Weg
Webseite des Benutzers besuchen Alle Beiträge dieses Benutzers finden
Diese Nachricht in einer Antwort zitieren to top
22.07.2011, 13:38
Beitrag #3

flomo
Unregistered


 







RE: Integral Berechnung an verschiedenen Maxima
Hallo BeFu,

so hab des Blockdiagramm und das VI in der Version 8.5 nochmal angehängt.

Jopp so in etwa.
Ich möchte die Fläche ab dem Ursprung (x; y)= (0;0) und (xmax1; ymax1) oder (0;0) und (xmax2, ymax2), .... berechnen. Man soll sozusagen das Maximum auswählen bis zu dem das Integral berechnet wird.

Ich glaube das das so gar nicht funktionieren kann weil ich die einzelnen Daten irgendwie zu einer Koordiante zusammenführen muss..

Viele Grüße,

Flomo


Angehängte Datei(en) Thumbnail(s)
   

8.5 .vi  Integralberechnung lv 8.5.vi (Größe: 95,26 KB / Downloads: 258)
Diese Nachricht in einer Antwort zitieren to top
26.07.2011, 19:43
Beitrag #4

jg Offline
CLA & CLED
LVF-Team

Beiträge: 15.864
Registriert seit: Jun 2005

20xx / 8.x
1999
EN

Franken...
Deutschland
RE: Integral Berechnung an verschiedenen Maxima

Akzeptierte Lösung

Du verwendest die komplett falsche Integrationsfunktion. Hast du dir nicht die Hilfe zu diesem VI durchgelesen?
Das berechnet das Integral unter einem Polynom, nicht unter einer beliebigen Kurve. Und der Eingang sind dann die Polynomkoeffizienten.

Probiere es mal so:
   

2010 .vi  Integralberechnung.vi (Größe: 75,01 KB / Downloads: 336)


Gruß, Jens

Wer die erhabene Weisheit der Mathematik tadelt, nährt sich von Verwirrung. (Leonardo da Vinci)

!! BITTE !! stellt mir keine Fragen über PM, dafür ist das Forum da - andere haben vielleicht auch Interesse an der Antwort!

Einführende Links zu LabVIEW, s. GerdWs Signatur.
Alle Beiträge dieses Benutzers finden
Diese Nachricht in einer Antwort zitieren to top
26.07.2011, 22:25
Beitrag #5

flomo
Unregistered


 







RE: Integral Berechnung an verschiedenen Maxima
Danke Jens so klappt es.

Ja ich hab mir die Hilfe durchgelesen, habe auch mehrere Integrale versucht anzuwenden hat aber alles nichts gebracht.
Ich hatte auch an die Funktion "Mathematik im Zeitbereich" nachgedacht. Den Daten müsste ich allerdings eine neue Zeitachse zuordnen, war da aber auch stecken geblieben. So ist es einfacher!
Vielen Dank für die Lösung.
Diese Nachricht in einer Antwort zitieren to top
26.07.2011, 22:41
Beitrag #6

jg Offline
CLA & CLED
LVF-Team

Beiträge: 15.864
Registriert seit: Jun 2005

20xx / 8.x
1999
EN

Franken...
Deutschland
RE: Integral Berechnung an verschiedenen Maxima
Ich hoffe, du verstehst wenigstens, was ich da programmiert habe, und hoffentlich ist dir inzwischen auch klar, wieso das VI, das du verwendest hast, nicht das Richtige ist.

Gruß, Jens

Wer die erhabene Weisheit der Mathematik tadelt, nährt sich von Verwirrung. (Leonardo da Vinci)

!! BITTE !! stellt mir keine Fragen über PM, dafür ist das Forum da - andere haben vielleicht auch Interesse an der Antwort!

Einführende Links zu LabVIEW, s. GerdWs Signatur.
Alle Beiträge dieses Benutzers finden
Diese Nachricht in einer Antwort zitieren to top
27.07.2011, 08:02
Beitrag #7

flomo
Unregistered


 







RE: Integral Berechnung an verschiedenen Maxima
Hallo Jens,

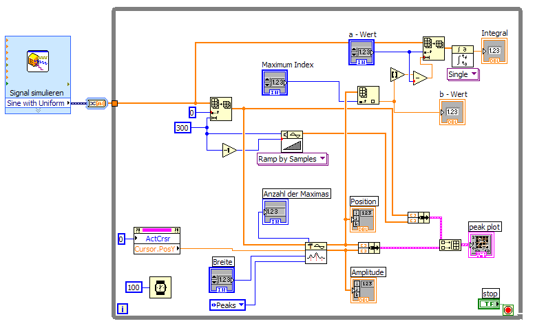
so wie ich das sehe hast du den X- Wert (b-Wert) des jeweiligen Maxima zuerst gerundet. Anschließend wird der Anfangswert des Integrals (a-Wert) von diesem abgezogen und bildet somit die neue Länge des Signals. In dem Teil-Array wird alles zusammengeführt. Der a-Wert bildet den Index und der b-Wert minus den entsprechenden a-Wert die Länge des Signals von dem anschließend das Intergral berechnet wird.
Das VI welches ich für die Integration verwendet habe konnte nicht klappen, da die Daten nicht als Funktion vorlagen.

Ich hoffe ich habe es s richtig interpretiert.

Viele Grüße
flomo
Diese Nachricht in einer Antwort zitieren to top
27.07.2011, 09:32 (Dieser Beitrag wurde zuletzt bearbeitet: 27.07.2011 10:12 von jg.)
Beitrag #8

jg Offline
CLA & CLED
LVF-Team

Beiträge: 15.864
Registriert seit: Jun 2005

20xx / 8.x
1999
EN

Franken...
Deutschland
RE: Integral Berechnung an verschiedenen Maxima
Ja, gut so. Und beachte, momentan funktioniert das so nur, weil:
1. deine "Messreihe" bei x=0 beginnt.
2. dein x-Intervall genau 1 ist und somit mit dem Array-Index übereinstimmt.

Gruß, Jens

Wer die erhabene Weisheit der Mathematik tadelt, nährt sich von Verwirrung. (Leonardo da Vinci)

!! BITTE !! stellt mir keine Fragen über PM, dafür ist das Forum da - andere haben vielleicht auch Interesse an der Antwort!

Einführende Links zu LabVIEW, s. GerdWs Signatur.
Alle Beiträge dieses Benutzers finden
Diese Nachricht in einer Antwort zitieren to top
27.07.2011, 10:08 (Dieser Beitrag wurde zuletzt bearbeitet: 27.07.2011 10:12 von jg.)
Beitrag #9

flomo
Unregistered


 







RE: Integral Berechnung an verschiedenen Maxima
Hallo Jens,

Punkt 1. ist klar.
Aber Punkt 2. verstehe ich nicht richtig?!
Meinst du damit, dass mein x-Intervall genau 1 Sekunde lang ist?!

Viele Grüße
flomo
Diese Nachricht in einer Antwort zitieren to top
27.07.2011, 10:12
Beitrag #10

jg Offline
CLA & CLED
LVF-Team

Beiträge: 15.864
Registriert seit: Jun 2005

20xx / 8.x
1999
EN

Franken...
Deutschland
RE: Integral Berechnung an verschiedenen Maxima
(27.07.2011 10:08 )flomo schrieb:  Aber Punkt 2. verstehe ich nicht richtig?!
Meinst du damit, dass mein x-Intervall genau 1 Sekunde lang ist?!
Das Intervall zwischen 2 aufeinander folgenden Punkten ist momentan auch genau 1.

Gruß, Jens

Wer die erhabene Weisheit der Mathematik tadelt, nährt sich von Verwirrung. (Leonardo da Vinci)

!! BITTE !! stellt mir keine Fragen über PM, dafür ist das Forum da - andere haben vielleicht auch Interesse an der Antwort!

Einführende Links zu LabVIEW, s. GerdWs Signatur.
Alle Beiträge dieses Benutzers finden
Diese Nachricht in einer Antwort zitieren to top
Antwort schreiben 


Möglicherweise verwandte Themen...
Themen Verfasser Antworten Views Letzter Beitrag
  Probleme mit Remote Panel auf verschiedenen PCs Odie 4 4.606 01.07.2019 09:28
Letzter Beitrag: Odie
  Mehrere DOs mit DAQmx in verschiedenen Modi ansteuern BennyGreb 2 4.245 10.12.2017 19:13
Letzter Beitrag: BennyGreb
  CRC-Berechnung in LabVIEW anhand eines C-Code-Beispiels /Suche nach Frequenzumrichter Y-P 32 29.969 23.02.2016 08:57
Letzter Beitrag: Y-P
  Doppelte Berechnung & Sequenzen Schtief 4 5.077 08.09.2015 10:15
Letzter Beitrag: GerdW
  CRC Berechnung CAN qweisCAN 4 7.254 22.07.2015 18:59
Letzter Beitrag: jg
  Lokale Variablen in verschiedenen Schleifen MaxxPowers 8 9.658 23.04.2014 13:02
Letzter Beitrag: GerdW

Gehe zu: