INFO: Dieses Forum nutzt Cookies...
Cookies sind für den Betrieb des Forums unverzichtbar. Mit der Nutzung des Forums erklärst Du dich damit einverstanden, dass wir Cookies verwenden.

Es wird in jedem Fall ein Cookie gesetzt um diesen Hinweis nicht mehr zu erhalten. Desweiteren setzen wir Google Adsense und Google Analytics ein.


Antwort schreiben 

Kontinuierliche Graph-Daten leeren?



Wenn dein Problem oder deine Frage geklärt worden ist, markiere den Beitrag als "Lösung",
indem du auf den "Lösung" Button rechts unter dem entsprechenden Beitrag klickst. Vielen Dank!

03.01.2013, 11:08
Beitrag #1

nanouser Offline
LVF-Grünschnabel
*


Beiträge: 15
Registriert seit: Jan 2013

8.5
-
DE



Kontinuierliche Graph-Daten leeren?
Hallo zusammen,

ich hoffe ihr könnt mir bei meinem Problem helfen:

Ich will auf 4 Kanälen einer NI-Messkarte Spannungen aufzeichnen. Diese sollen Live auf dem Bildschirm zu sehen sein. Es sollen alle Daten seit Anfang der Messung zu sehen sein.

Das ganze funktioniert auch schon gar nicht so schlecht. Das einzige Problem: Ich schaffe es nicht, die Daten aus den Schieberegistern zu löschen, die die Graphen befüllen

Hoffentlich ist klar was ich meine. Anbei ein Screenshot.

LG


Angehängte Datei(en) Thumbnail(s)
   
Alle Beiträge dieses Benutzers finden
Diese Nachricht in einer Antwort zitieren to top
Anzeige
03.01.2013, 11:20 (Dieser Beitrag wurde zuletzt bearbeitet: 03.01.2013 11:22 von GerdW.)
Beitrag #2

GerdW Offline
______________
LVF-Team

Beiträge: 17.540
Registriert seit: May 2009

LV2019 (LV2021)
1995
DE_EN

10×××
Deutschland
RE: Kontinuierliche Graph-Daten leeren?
Hallo nanouser,

reicht dir ein einzelner Graph nicht aus?

Zitat:Es sollen alle Daten seit Anfang der Messung zu sehen sein.
Das einzige Problem: Ich schaffe es nicht, die Daten aus den Schieberegistern zu löschen, die die Graphen befüllen
???
Willst du nun alle Daten seit Messbeginn sehen oder doch nicht?

Mögliche Lösung: Erstelle eine Case-Struktur, die im Normalfall ("Nicht löschen") die Daten durchleitet. Im anderen Fall ("Daten löschen") lässt du den Ausgangstunnel frei und wählst für den Ausgangstunnel "Default if unwired"...

Bessere Lösungen:
- Aufgabenstellung nochmal überlegen oder besser formulieren
- auf ExpressVI, wo möglich, verzichten: früher oder später wird dein Programm dadurch nur komplizierter als nötig...

Edit:
Noch eine Lösung: du solltest deine Schieberegister auch initialisieren, um Daten aus vorangegangenen VI-Aufrufen zu löschen!

Alle Beiträge dieses Benutzers finden
Diese Nachricht in einer Antwort zitieren to top
03.01.2013, 11:24
Beitrag #3

panduci Offline
LVF-Gelegenheitsschreiber
**


Beiträge: 86
Registriert seit: Jun 2011

8.5, 2012 ,2013, 2014, 2015
2006
DE


Oesterreich
RE: Kontinuierliche Graph-Daten leeren?
Einfach die Scheiberegister initialisieren. Also eine Konstante auf die Schieberegister anbringen. Rechte Maustaste auf Schieberegister und Konstante erstellen...

Und auf jedenfall weg von den Express VIs.

Es gibt zweierlei Arten von Neugier:
1) Die eine aus Eigennutz, die uns antreibt zu erfahren, was uns nützen kann.
2) Die andere aus Stolz, die dem Trieb entspringt, zu wissen, was andere nicht wissen.
Alle Beiträge dieses Benutzers finden
Diese Nachricht in einer Antwort zitieren to top
03.01.2013, 11:47 (Dieser Beitrag wurde zuletzt bearbeitet: 03.01.2013 11:57 von nanouser.)
Beitrag #4

nanouser Offline
LVF-Grünschnabel
*


Beiträge: 15
Registriert seit: Jan 2013

8.5
-
DE



RE: Kontinuierliche Graph-Daten leeren?
Hallo zusammen!

Danke zunächst für die schnellen und guten Antworten.

Ich will die Messdaten seit anfang der Messung sehen. Aber nicht die der letzten Messung.

Zum Thema Express-VI: Ich bin mir bewusst, dass das so nicht sauber ist. Es ging hier zunächst um eine schnelle Lösung. Viele Details fehlen ehh.

Zum Thema inistiallisieren: Darauf bin ich auch schon gekommen. Das Problem: Das Register wird durch "Konstante Erstellen" automatisch zu einem Zahlen-Register. Ich kann dann keine "Daten" mehr einfügen ("Sie haben zwei Anschlüsse unterschiedlichen typs..."). Ich habe auch schon versucht "Dummy" Daten zu erstellen und mit diesen zu Initiallisieren. Problem: Hier erhalte ich den Fehler dass der dt Wert nicht zueinander passt.

EDIT: Anders formuliert: Wie erstelle ich einen leeren Datensatz?

Danke und Gruß
Nano
Alle Beiträge dieses Benutzers finden
Diese Nachricht in einer Antwort zitieren to top
03.01.2013, 12:06
Beitrag #5

panduci Offline
LVF-Gelegenheitsschreiber
**


Beiträge: 86
Registriert seit: Jun 2011

8.5, 2012 ,2013, 2014, 2015
2006
DE


Oesterreich
RE: Kontinuierliche Graph-Daten leeren?
sollte möglich sein über "convert to dynamic data".
Aber wenn ich du wäre würde ich diese bescheuerten Express VIs kübeln...


Angehängte Datei(en) Thumbnail(s)
   

Es gibt zweierlei Arten von Neugier:
1) Die eine aus Eigennutz, die uns antreibt zu erfahren, was uns nützen kann.
2) Die andere aus Stolz, die dem Trieb entspringt, zu wissen, was andere nicht wissen.
Alle Beiträge dieses Benutzers finden
Diese Nachricht in einer Antwort zitieren to top
03.01.2013, 12:49 (Dieser Beitrag wurde zuletzt bearbeitet: 03.01.2013 13:06 von nanouser.)
Beitrag #6

nanouser Offline
LVF-Grünschnabel
*


Beiträge: 15
Registriert seit: Jan 2013

8.5
-
DE



RE: Kontinuierliche Graph-Daten leeren?
(03.01.2013 12:06 )panduci schrieb:  sollte möglich sein über "convert to dynamic data".
Aber wenn ich du wäre würde ich diese bescheuerten Express VIs kübeln...

Genau das habe ich gemeint als ich von "Dummy Daten" gesprochen habe. Leider Funktioniert das nicht, weil dann "Der Wert t0 stimmt nicht mit dem Endwert des vorhergehenden Signals überein.". Diese Meldung passiert beim anfügen der Daten.
Alle Beiträge dieses Benutzers finden
Diese Nachricht in einer Antwort zitieren to top
Anzeige
03.01.2013, 13:20
Beitrag #7

panduci Offline
LVF-Gelegenheitsschreiber
**


Beiträge: 86
Registriert seit: Jun 2011

8.5, 2012 ,2013, 2014, 2015
2006
DE


Oesterreich
RE: Kontinuierliche Graph-Daten leeren?
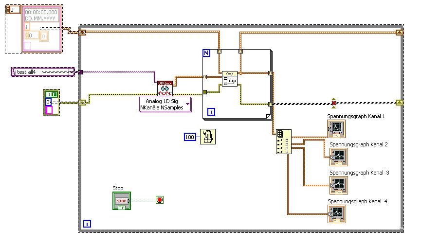
Verstehe ich jetzt zwar nicht aber das läßt sich sicher irgendwie machen, jedoch würde ich dir empfehlen dich mit DAXmx auseinanderzusetzen...
Es ist nicht so schwer wie du glaubst.

Das untere Bild wird es dir verdeutlichen. Zunächst musst du im MAX die Hardware konfigurieren. Dazu legst du einen Task an deiner Hardware an und bennennst ihn. In deinem Fall Spannung einlesen. Dann die Abtastrate und Methode definieren(kontinuierlich). Mache alles Step by Step durch und schon hast du den passenden TASK erstellt. Anschließend erstellst du dein Programm was in etwa so wie mein Bild aussieht. Das macht genau dass was dein Programm machen sollte. Im Rot markierten Kreis wählst du deinen erstellten TASK aus und schon bist du fertig.

Hoffe das kann dir helfen.

Lg panduci


Angehängte Datei(en) Thumbnail(s)
   

Es gibt zweierlei Arten von Neugier:
1) Die eine aus Eigennutz, die uns antreibt zu erfahren, was uns nützen kann.
2) Die andere aus Stolz, die dem Trieb entspringt, zu wissen, was andere nicht wissen.
Alle Beiträge dieses Benutzers finden
Diese Nachricht in einer Antwort zitieren to top
03.01.2013, 13:58
Beitrag #8

nanouser Offline
LVF-Grünschnabel
*


Beiträge: 15
Registriert seit: Jan 2013

8.5
-
DE



RE: Kontinuierliche Graph-Daten leeren?
hallo,

ich sage es noch einmal: Ich habe das Express VI nur verwendet, um es "mal eben schnell" auszuprobieren. Ich hätte es so oder so noch umgebaut.

Zu deiner Lösung: Danke zunächst!! Leider finde ich 2 deiner Funktionen nicht. Diese sind im Anhang makiert. Wo finde ich diese/ wie heißen diese?

Weiter ist mir leider noch nicht ganz klar, warum du die for-schleife einsetzt?

Zudem kann ich beim lesen Analog D1 "Wfm" nicht finden. Hier gibt es bei mir nur 1D-Signalverlauf. Ist das richtig?

Evtl. wichtig zu wissen: ich sitze ledier auf Labview 8.5 fest.

LG


Angehängte Datei(en) Thumbnail(s)
   
Alle Beiträge dieses Benutzers finden
Diese Nachricht in einer Antwort zitieren to top
03.01.2013, 14:19
Beitrag #9

panduci Offline
LVF-Gelegenheitsschreiber
**


Beiträge: 86
Registriert seit: Jun 2011

8.5, 2012 ,2013, 2014, 2015
2006
DE


Oesterreich
RE: Kontinuierliche Graph-Daten leeren?
Die for Schleife benötige ich um die Signalverläufe nacheinander anzufügen, weil die Funktion quasi nur 1D Signalverläufe unterstützt. Bei 4 Kanälen läuft sie 4mal durch.
Die 1. Funktion heißt Signalverläufe anhängen
http://zone.ni.com/reference/de-XX/help/...waveforms/
Die 2. Funktion heißt Array indizieren
http://zone.ni.com/reference/de-XX/help/...dex_array/

Und ja 1D-Signalverlauf sollte richtig sein.
panduci

Es gibt zweierlei Arten von Neugier:
1) Die eine aus Eigennutz, die uns antreibt zu erfahren, was uns nützen kann.
2) Die andere aus Stolz, die dem Trieb entspringt, zu wissen, was andere nicht wissen.
Alle Beiträge dieses Benutzers finden
Diese Nachricht in einer Antwort zitieren to top
03.01.2013, 14:55 (Dieser Beitrag wurde zuletzt bearbeitet: 03.01.2013 15:05 von nanouser.)
Beitrag #10

nanouser Offline
LVF-Grünschnabel
*


Beiträge: 15
Registriert seit: Jan 2013

8.5
-
DE



RE: Kontinuierliche Graph-Daten leeren?
Vielen herzlichen dank nochmals dir!

nun habe ich noch 1 Problem:

Die If-Schleife macht nichts. An ihrem eingang ist das Signal gut, am Ende kommt nichts heraus.

Ich kann auch in der Schleife keinen Signalfluss sehen. Die Daten fleißen hinein und hinaus, innerhalb ist aber kein Signal Fluss.

Danke nochmals hoffe wir bekommen das bald hin Big Grin


Angehängte Datei(en) Thumbnail(s)
   
Alle Beiträge dieses Benutzers finden
Diese Nachricht in einer Antwort zitieren to top
Antwort schreiben 


Möglicherweise verwandte Themen...
Themen Verfasser Antworten Views Letzter Beitrag
  Zeitstempel stimmt nicht - Graph aus Daten in TDMS-File erstellen Aspen 2 6.403 06.09.2017 14:37
Letzter Beitrag: Aspen
  XY-Daten werden nach laden nur kurz in Graph dargestellt Daniel90 13 13.976 29.01.2016 11:02
Letzter Beitrag: Daniel90
  Daten aus Graph in Werte ausgeben Fuchsi 106 70.171 20.01.2016 10:13
Letzter Beitrag: GerdW
  XY Graph Darstellung Daten Mare6388 33 30.247 05.05.2015 11:46
Letzter Beitrag: GerdW
  Wie Array-Konstante "leeren" Hasenfuss 2 5.790 04.05.2015 09:20
Letzter Beitrag: wladimir s
  Kontinuierliche Darstellung XY-Graph Steffen.S 2 5.766 25.07.2014 10:05
Letzter Beitrag: Steffen.S

Gehe zu: