INFO: Dieses Forum nutzt Cookies...
Cookies sind für den Betrieb des Forums unverzichtbar. Mit der Nutzung des Forums erklärst Du dich damit einverstanden, dass wir Cookies verwenden.

Es wird in jedem Fall ein Cookie gesetzt um diesen Hinweis nicht mehr zu erhalten. Desweiteren setzen wir Google Adsense und Google Analytics ein.


Antwort schreiben 

Konzept / Struktur für Automatische Messung von Messreihen & Ansteuerung



Wenn dein Problem oder deine Frage geklärt worden ist, markiere den Beitrag als "Lösung",
indem du auf den "Lösung" Button rechts unter dem entsprechenden Beitrag klickst. Vielen Dank!

27.08.2012, 11:22
Beitrag #1

akoKE Offline
LVF-Grünschnabel
*


Beiträge: 31
Registriert seit: Aug 2012

11.0
2012
DE


Deutschland
Bug Konzept / Struktur für Automatische Messung von Messreihen & Ansteuerung
Hallo,

Da ich ein richtiger LabView Neuling bin, Trottel hoffe ich hier auf ein paar Tipps von den Profis.

Und zwar...

Ich versuche ein Programm aufzubauen, das verschiedene Messwerte erfasst und verarbeitet sowie Speichert.
Das eigentlich knifflige ist:
  • 1. Die Messung besteht aus n-Messreihen
  • 2. Die Messreihen sollen automatisch ausgeführt werden [ Abhängig von der Auswahl im Frontpanel ]!
  • 3. Die Datenausgabe / Die Ergebnisse sollen ebenfalls Bedienerabhängig ausgegeben werden
  • 4. Die Testbedingungen bzw. das Testsignal soll ebenfalls über das Labview Frontpanel einstellbar sein, pro Messreihe also Variabel sein

Sprich:
Ich treffe eine Auswahl der zu Untersuchenden Parameter, und das Programm läuft automatisch die dazu passenden Messreihen an.

An sich ist das eigentlich keine große Sache, wenn man denn Erfahrung mit Labview hat Wink

Ich stehe also nun vor der Frage:
  • 1. Welche Programmstruktur soll ich wählen (Statemaschinen; Erzeuger/Consumer Strukturen; einfache if-then-else; Schleifen usw.)

Bisher tendiere ich zu einer Case Struktur. (1.Messreihe - 1. Case)
mit Übergangsbedingungen abhängig von: Frontpanel-Buttons & der vorherigen Case

Hoffe nun auf ein paar Tipps, Gedankenanstöße von Erfahrenen Leuten. Ist der Ansatz mit Labview realisierbar, oder gibt es da Einwände.

Danke im Voraus & Grüße
Martin
Alle Beiträge dieses Benutzers finden
Diese Nachricht in einer Antwort zitieren to top
Anzeige
27.08.2012, 19:40
Beitrag #2

NWOmason Offline
Simultator
*****


Beiträge: 1.078
Registriert seit: Dec 2010

2012.SP1
2008
EN

93047
Deutschland
RE: Konzept / Struktur für Automatische Messung von Messreihen & Ansteuerung
(27.08.2012 11:22 )akoKE schrieb:  Da ich ein richtiger LabView Neuling bin, Trottel hoffe ich hier auf ein paar Tipps von den Profis.

Hallo Martin,

die Einsteiger-Links sind dir bestimmt schon bekannt Big Grin

(20.01.2012 11:02 )NWOmason schrieb:  Getting Started with NI LabVIEW Student Training
http://zone.ni.com/devzone/cda/tut/p/id/7466

Introduction to NI LabVIEW - Learn LabVIEW Basics
http://www.ni.com/gettingstarted/labviewbasics/


(27.08.2012 11:22 )akoKE schrieb:  Ich stehe also nun vor der Frage:
  • 1. Welche Programmstruktur soll ich wählen (Statemaschinen; Erzeuger/Consumer Strukturen; einfache if-then-else; Schleifen usw.)

Ich denke es ist eine Kombination aus Erzeug/Verbr.-Struktur kombiniert mit einer State-Maschine. Erzeug/Verb. fängt alle Events auf dem FP ab und füttert ggf. die Statemaschine mit nötigen Infos. Die Statemschine ist indessen für den eigentlichen Programmablauf verantwortlich mit diversene Cases:
  • Idle: Noch keine Messung gestartet/Einstellung der Parameter
  • Messreihenaufnahme
  • Datenspeicherung
  • Abbruch/Pause
  • Evtl. Parameteränederung
  • usw.

Die Möglichkeiten sind - denke ich - manigfaltig, aber auch relativ einfach umzusetzen.

Beste Grüße,
NWO

9 von 10 Stimmen in meinem Kopf sagen: Ich bin nicht verrückt,
die andere summt die Melodie von Tetris
.

NI schrieb:To use the abort button is like using a tree to stop a car!

(20.01.2012 11:02 )NWOmason schrieb:  Getting Started with NI LabVIEW Student Training
http://zone.ni.com/devzone/cda/tut/p/id/7466

Introduction to NI LabVIEW - Learn LabVIEW Basics
http://www.ni.com/gettingstarted/labviewbasics/

Top 5 der Empfehlungen für LabVIEW-Einsteiger
http://www.ni.com/newsletter/51735/de/
Alle Beiträge dieses Benutzers finden
Diese Nachricht in einer Antwort zitieren to top
12.09.2012, 11:48
Beitrag #3

akoKE Offline
LVF-Grünschnabel
*


Beiträge: 31
Registriert seit: Aug 2012

11.0
2012
DE


Deutschland
RE: Konzept / Struktur für Automatische Messung von Messreihen & Ansteuerung
Erstmal dickes Danke an NWOmason !

Hatte leider ein anderes Projekt vorziehen müssen, so das jetzt erst das Danke kommt 2hands

Trotz zahlreicher Tut´s stehe ich noch vor einigen Fragen / Problemen, da es mir als Anfänger einfach an Praxis mangelt.

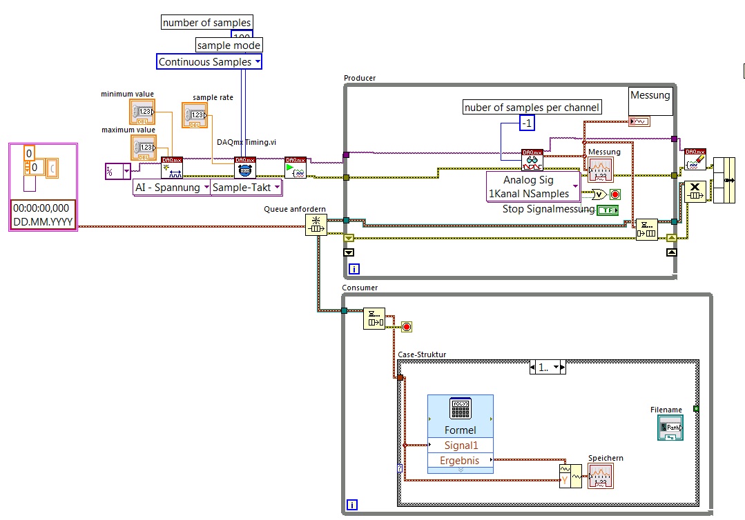
Ich habe ein erstes Layout "gebastelt" nach Producer/Consumer. (siehe Anhang "Bild")

Ich Frage mich jedoch folgendes:

1. Wie ich effizient z.B. die Cases ansteuere? ( Es soll im Bedienfeld zunächst ausgewählt werden, welche Werte Berechnet werden sollen, und anschließend anhand dieser Auswahl erfolgt eine Case/Messreihen abfolge z.B.: Case 1-3-4-6-Ende)

Mein Ansatz ist einfach in jedem Case eine Abfrage über getroffene Kombinationen abzufragen (boolean) und nach jedem "abgearbeitetem" Case einfach den nächsten aufzurufen.

2. Sollte diese Abfrage in einem eigenen Case "init" / 0 realisiert werde? Ich wäre eher für eine Realisierung im Producer Bereich.

halten das die Erfahrenen so für Sinnvoll?

Danke im voraus für die Hilfe

Gruß


Angehängte Datei(en) Thumbnail(s)
   
Alle Beiträge dieses Benutzers finden
Diese Nachricht in einer Antwort zitieren to top
Antwort schreiben 


Möglicherweise verwandte Themen...
Themen Verfasser Antworten Views Letzter Beitrag
  Automatische Skalierung Progress bar Hubert R. 3 4.386 21.01.2024 08:02
Letzter Beitrag: Hubert R.
  Mehrere Messreihen aufnehmen über For-Schleife Gesetzt 3 5.245 18.04.2017 15:21
Letzter Beitrag: GerdW
  Slot und Signal Konzept in labview galilio 8 6.779 13.05.2016 08:14
Letzter Beitrag: IchSelbst
  automatische Anbindung an Bausteine mit sehr vielen Elementen Lucius2 3 6.072 06.06.2014 12:11
Letzter Beitrag: Lucius2
  Labview Konzept oe-ms1 11 10.366 16.07.2013 17:59
Letzter Beitrag: oe-ms1
  automatische Anpassung der Referenzen von Benutzerereignissen Hasenfuss 11 11.842 17.05.2013 11:49
Letzter Beitrag: GerdW

Gehe zu: