INFO: Dieses Forum nutzt Cookies...
Cookies sind für den Betrieb des Forums unverzichtbar. Mit der Nutzung des Forums erklärst Du dich damit einverstanden, dass wir Cookies verwenden.

Es wird in jedem Fall ein Cookie gesetzt um diesen Hinweis nicht mehr zu erhalten. Desweiteren setzen wir Google Adsense und Google Analytics ein.


Antwort schreiben 

Messprogramm hängt sich auf



Wenn dein Problem oder deine Frage geklärt worden ist, markiere den Beitrag als "Lösung",
indem du auf den "Lösung" Button rechts unter dem entsprechenden Beitrag klickst. Vielen Dank!

17.12.2012, 17:50
Beitrag #1

AnnaGT Offline
LVF-Grünschnabel
*


Beiträge: 23
Registriert seit: Oct 2012

2011
-
EN



Messprogramm hängt sich auf
Hallo!

Ich habe ein Messprogramm geschrieben. Der aktualisiert die Anzeige jede Sekunde und kann stationären Messungen durchführen, bei denen mehrere Messwerte erfasst werden können. Es ist momentan so eingestellt, dass 20 Werte mit 10 Hz abgetastet werden (USB-6009) und die USB-9221 mit 2 Hz, weil LabVIEW nicht mehr als 2,4 Hz zulässt.

Die erste Messung funktioniert. Bei der zweiten Messung stimmen die Werte ab dem 15.-17. nicht mehr. Entweder bleiben sie konstant oder sie werden 0.

Nach der fehlerhaften Messung aktualisiert sich die Anzeige auch nicht mehr sekündlich sondern ungefähr jede 10 Sekunden.

Die RAM wird beim Ausführen des Programms nicht voll.

Weißt ihr woran es liegen kann?

Danke!!

Viele Grüße,

Anna
Alle Beiträge dieses Benutzers finden
Diese Nachricht in einer Antwort zitieren to top
Anzeige
17.12.2012, 20:05 (Dieser Beitrag wurde zuletzt bearbeitet: 17.12.2012 20:08 von jg.)
Beitrag #2

jg Offline
CLA & CLED
LVF-Team

Beiträge: 15.864
Registriert seit: Jun 2005

20xx / 8.x
1999
EN

Franken...
Deutschland
RE: Messprogramm hängt sich auf
Ohne Blick auf deinen Sourcecode lautet meine Antwort: Bahn

Besonders diese Stelle hier:
(17.12.2012 17:50 )AnnaGT schrieb:  Die erste Messung funktioniert. Bei der zweiten Messung stimmen die Werte ab dem 15.-17. nicht mehr. Entweder bleiben sie konstant oder sie werden 0.
Ab welchem 15.-17.? Januar? Oder vielleicht Dezember? Dann läuft dein Programm ja noch bis heute Mitternacht. Wink

Und was stellst du mit dem 9221 an? Laut Specs kann das Teil eine Summenabtastrate von 800 kS/s, bei Erfassung aller 8 AIs sollten also 100 kS/s pro Kanal möglich sein. Hmm

Gruß, Jens

Wer die erhabene Weisheit der Mathematik tadelt, nährt sich von Verwirrung. (Leonardo da Vinci)

!! BITTE !! stellt mir keine Fragen über PM, dafür ist das Forum da - andere haben vielleicht auch Interesse an der Antwort!

Einführende Links zu LabVIEW, s. GerdWs Signatur.
Alle Beiträge dieses Benutzers finden
Diese Nachricht in einer Antwort zitieren to top
17.12.2012, 20:10
Beitrag #3

GerdW Offline
______________
LVF-Team

Beiträge: 17.533
Registriert seit: May 2009

LV2019 (LV2021)
1995
DE_EN

10×××
Deutschland
RE: Messprogramm hängt sich auf
Hallo Anna,

Zitat:Es ist momentan so eingestellt, dass 20 Werte mit 10 Hz abgetastet werden (USB-6009) und die USB-9221 mit 2 Hz, weil LabVIEW nicht mehr als 2,4 Hz zulässt.
Das nicht mehr als 2,4Hz zugelassen werden, kann ich nicht glauben. Ich weiß, dass die USB6009 schneller ausgelesen werden kann und die USB9221 ist lt. Spec ein "Portable USB-Based DAQ for High-Speed, High-Voltage Signals" mit bis zu 800kS/s...

Alle Beiträge dieses Benutzers finden
Diese Nachricht in einer Antwort zitieren to top
18.12.2012, 08:31
Beitrag #4

AnnaGT Offline
LVF-Grünschnabel
*


Beiträge: 23
Registriert seit: Oct 2012

2011
-
EN



RE: Messprogramm hängt sich auf
Entschuldigung hab mich vertippt, es handelt sich um usb 9211a und die sollten bis 12 samples/s schaffen. Labview gibt mir aber eine Fehlermeldung beim lesen, wenn ich mit mehr als 2,4 hz abtaste.

Ich habe insegesamt 6 karten (3 und 3) und das Programm hängt sich auf, weil eine der usb6009 karten, an der nichts angeschlossen ist, zu wenig zeit hat zum auslesen.
Aber das macht für mich kein sinn, weil diese Fehlermeldung erst nach einer bestimmten Zeit auftritt.

Kann es sein, dass irgendwelcher speicher voll wird?
Alle Beiträge dieses Benutzers finden
Diese Nachricht in einer Antwort zitieren to top
18.12.2012, 09:57
Beitrag #5

AnnaGT Offline
LVF-Grünschnabel
*


Beiträge: 23
Registriert seit: Oct 2012

2011
-
EN



RE: Messprogramm hängt sich auf
So! Ein bisschen mehr Info dazu!

Ich habe es gerade nochmal ausprobiert.

Jetzt kommt die Fehlermeldung bei einem anderen Device.
Die Fehlermeldung ist: 200284. Wenn ich das timeout vergrößere kriege ich dann: 200474

Wenn ich nur das Messprogramm schließe und wieder starte, hängt es immer noch.

Wenn ich den Computer neu starte funktioniert es wieder.
Alle Beiträge dieses Benutzers finden
Diese Nachricht in einer Antwort zitieren to top
18.12.2012, 10:15
Beitrag #6

jg Offline
CLA & CLED
LVF-Team

Beiträge: 15.864
Registriert seit: Jun 2005

20xx / 8.x
1999
EN

Franken...
Deutschland
RE: Messprogramm hängt sich auf
Aus der Doku zur 9211a:
Code:
Conversion time .....................................
70 ms per channel;
420 ms total for all channels
including the autozero and
cold-junction channels
Da hast du deine 2 Hz bei Abfrage aller Kanäle.

Gruß, Jens

Wer die erhabene Weisheit der Mathematik tadelt, nährt sich von Verwirrung. (Leonardo da Vinci)

!! BITTE !! stellt mir keine Fragen über PM, dafür ist das Forum da - andere haben vielleicht auch Interesse an der Antwort!

Einführende Links zu LabVIEW, s. GerdWs Signatur.
Alle Beiträge dieses Benutzers finden
Diese Nachricht in einer Antwort zitieren to top
Anzeige
18.12.2012, 10:48
Beitrag #7

AnnaGT Offline
LVF-Grünschnabel
*


Beiträge: 23
Registriert seit: Oct 2012

2011
-
EN



RE: Messprogramm hängt sich auf
ja! richtig! ich hab es überlesen, danke Jens!

Das Problem mit dem plötzlich auftretenden Fehler, ist aber immernoch da Confused
Alle Beiträge dieses Benutzers finden
Diese Nachricht in einer Antwort zitieren to top
18.12.2012, 13:41
Beitrag #8

AnnaGT Offline
LVF-Grünschnabel
*


Beiträge: 23
Registriert seit: Oct 2012

2011
-
EN



RE: Messprogramm hängt sich auf
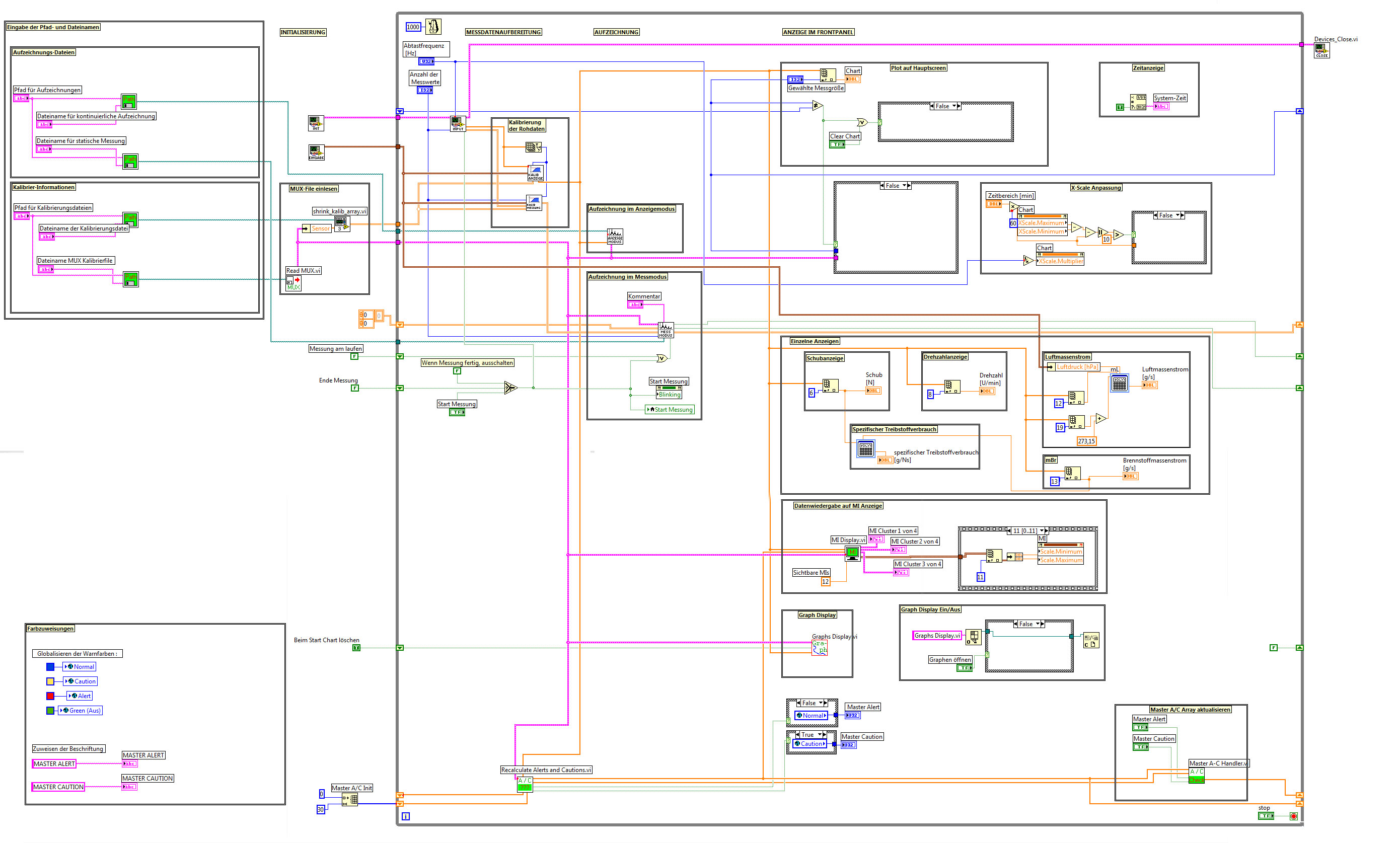
So sieht das Hauptprogramm aus.

Im Input.vi werden die Karten ausgelesen und da kriege ich auch die Fehlermeldung.


Angehängte Datei(en) Thumbnail(s)
   
Alle Beiträge dieses Benutzers finden
Diese Nachricht in einer Antwort zitieren to top
18.12.2012, 16:12
Beitrag #9

AnnaGT Offline
LVF-Grünschnabel
*


Beiträge: 23
Registriert seit: Oct 2012

2011
-
EN



RE: Messprogramm hängt sich auf
So, noch ein bisschen genauere Infos vllt. ist es dann einfacher.

In der txt-Datei sieht man wie die Werte sich verhalten nach einer Messung.


Angehängte Datei(en)
0.0 .txt  StatMessung.txt (Größe: 156,04 KB / Downloads: 335)

11.0 .vi  Devices_Read.vi (Größe: 173,27 KB / Downloads: 234)

11.0 .vi  Devices_Init.vi (Größe: 23,54 KB / Downloads: 221)
Alle Beiträge dieses Benutzers finden
Diese Nachricht in einer Antwort zitieren to top
19.12.2012, 08:33
Beitrag #10

AnnaGT Offline
LVF-Grünschnabel
*


Beiträge: 23
Registriert seit: Oct 2012

2011
-
EN



RE: Messprogramm hängt sich auf
Ich habe noch eine Probe, um nur das problematische vi zu untersuchen.

Kann jemand daraus sehen, warum der sich nach einer Messung aufhängt?


Angehängte Datei(en)
11.0 .vi  probe_devices.vi (Größe: 10,68 KB / Downloads: 221)
Alle Beiträge dieses Benutzers finden
Diese Nachricht in einer Antwort zitieren to top
30
Antwort schreiben 


Möglicherweise verwandte Themen...
Themen Verfasser Antworten Views Letzter Beitrag
  VI zu langsam bzw. hängt sich auf BeutelSeb 5 5.939 14.06.2016 17:09
Letzter Beitrag: jg
  Beim Beenden des Programmes hängt sich LV auf chrigi28 4 5.703 02.09.2011 14:17
Letzter Beitrag: chrigi28
  Datenerfassung hängt teilweise auf einem Wert fest nick 23 23.542 10.08.2010 13:42
Letzter Beitrag: nick
  LabVIEW hängt sich auf Goldmarie 6 7.300 10.02.2010 18:26
Letzter Beitrag: IchSelbst

Gehe zu: