INFO: Dieses Forum nutzt Cookies...
Cookies sind für den Betrieb des Forums unverzichtbar. Mit der Nutzung des Forums erklärst Du dich damit einverstanden, dass wir Cookies verwenden.

Es wird in jedem Fall ein Cookie gesetzt um diesen Hinweis nicht mehr zu erhalten. Desweiteren setzen wir Google Adsense und Google Analytics ein.


Antwort schreiben 

Problem beim Laden mehrerer Dateien hintereinander



Wenn dein Problem oder deine Frage geklärt worden ist, markiere den Beitrag als "Lösung",
indem du auf den "Lösung" Button rechts unter dem entsprechenden Beitrag klickst. Vielen Dank!

11.05.2006, 17:58
Beitrag #1

mac82 Offline
LVF-Grünschnabel
*


Beiträge: 32
Registriert seit: Mar 2006

7.1
-
kA


Deutschland
Problem beim Laden mehrerer Dateien hintereinander
Hallo Leutz,

habe mal wieder ein kleines Problem, an dem ich fast verzweifle und einfach nicht weiter komme.

Ich lade durch Drücken eines Buttons Daten in ein Array/Tabelle. Anschließend bearbeite ich diese Daten und speichere die neuen barbeiteten Daten wieder ab.

Danach möchte ich eine neue Datei mit Daten zur Auswertung laden. Das geht aber nicht. Mein Button reagiert gar nicht.

Wenn ich allerdings das Programm neu starte, dann kann ich wieder eine Datei laden. Danach tritt wieder dasselbe Problem auf.

Muss ich vielleicht erst mal das Array/Tabelle vorher löschen?

Danke für eure Hilfe.

Gruß.
Alle Beiträge dieses Benutzers finden
Diese Nachricht in einer Antwort zitieren to top
Anzeige
11.05.2006, 18:13
Beitrag #2

eg Offline
LVF-SeniorMod


Beiträge: 3.868
Registriert seit: Nov 2005

2016
2003
kA

66111
Deutschland
Problem beim Laden mehrerer Dateien hintereinander
Schliesst du alle Referenzen auf die Dateien? Aber eigentlich sollte es auch kein Problem sein. Poste mal dein VI, dann schauen wir weiter. Ich denke es steckt woanders.

Gruss, Eugen
Webseite des Benutzers besuchen Alle Beiträge dieses Benutzers finden
Diese Nachricht in einer Antwort zitieren to top
11.05.2006, 18:25
Beitrag #3

mac82 Offline
LVF-Grünschnabel
*


Beiträge: 32
Registriert seit: Mar 2006

7.1
-
kA


Deutschland
Problem beim Laden mehrerer Dateien hintereinander
@ eugen graf

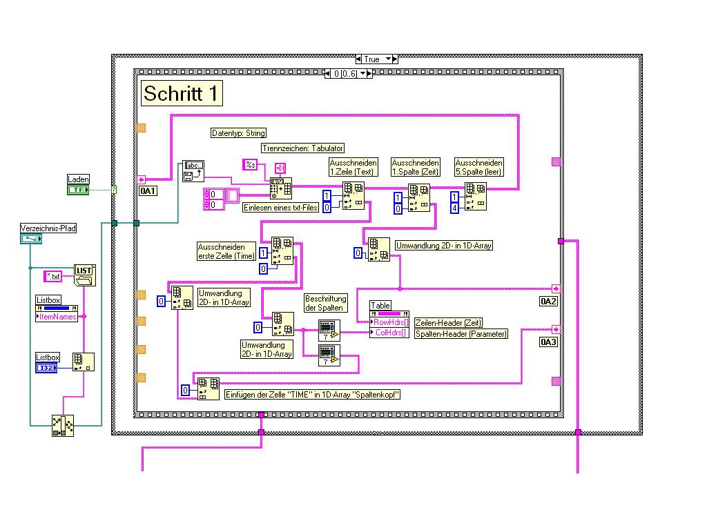
Hier ein Ausschitt aus meinem Blockdiagramm.


Angehängte Datei(en) Thumbnail(s)
   
Alle Beiträge dieses Benutzers finden
Diese Nachricht in einer Antwort zitieren to top
11.05.2006, 18:38
Beitrag #4

eg Offline
LVF-SeniorMod


Beiträge: 3.868
Registriert seit: Nov 2005

2016
2003
kA

66111
Deutschland
Problem beim Laden mehrerer Dateien hintereinander
Welche mechanische aktion hast du dem Button "Laden" gegeben?
Ist überhaupt eine While-Schleife um das ganze Programm und/oder um diesen Ausschnitt gemacht?

Vielleicht hängt das Programm in einer anderen While-Schleife und kommt nicht mehr dazu diesen Ausschnitt auszuführen.

Starte das Programm im Highlight-Mode (Debug) oder setze einen Breakpoint und sehe nach wie oft LV zu diesem Ausschnitt kommt.

Gruss, Eugen
Webseite des Benutzers besuchen Alle Beiträge dieses Benutzers finden
Diese Nachricht in einer Antwort zitieren to top
Antwort schreiben 


Möglicherweise verwandte Themen...
Themen Verfasser Antworten Views Letzter Beitrag
  Problem beim Array in Labview zu befüllen a.Jaou 4 6.158 13.09.2017 11:54
Letzter Beitrag: GerdW
  Kleines Problem beim Datenloggen hulk 10 11.436 09.05.2017 16:34
Letzter Beitrag: hulk
  Synchronisation mehrerer Geräte BenW 1 4.122 03.04.2016 11:19
Letzter Beitrag: IchSelbst
  Kontinuierliche Temperaturerfassung mehrerer Kanäle mez15 5 5.993 29.09.2015 09:41
Letzter Beitrag: GerdW
  Parallele Ausführung mehrerer Sub-Vis Anna1988 21 18.112 20.07.2015 11:51
Letzter Beitrag: Anna1988
  Fensterpositionen mehrerer Instanzen speichern und laden NoWay 2 5.131 15.07.2014 14:11
Letzter Beitrag: NoWay

Gehe zu: