INFO: Dieses Forum nutzt Cookies...
Cookies sind für den Betrieb des Forums unverzichtbar. Mit der Nutzung des Forums erklärst Du dich damit einverstanden, dass wir Cookies verwenden.

Es wird in jedem Fall ein Cookie gesetzt um diesen Hinweis nicht mehr zu erhalten. Desweiteren setzen wir Google Adsense und Google Analytics ein.


Antwort schreiben 

Problem mit Ereignisstruktur und Cluster !?



Wenn dein Problem oder deine Frage geklärt worden ist, markiere den Beitrag als "Lösung",
indem du auf den "Lösung" Button rechts unter dem entsprechenden Beitrag klickst. Vielen Dank!

19.05.2011, 13:02
Beitrag #1

CarstenH Offline
LVF-Grünschnabel
*


Beiträge: 19
Registriert seit: May 2011

2010
2011
DE



Problem mit Ereignisstruktur und Cluster !?
Hallo,

ich möchte, dass nur einmalig der zusammengestellte Wert an „CAN-Bus“ übertragen wird, wenn eine Werteänderung im Cluster „DO1“ vorliegt. Leider passiert bei der Ereignisstruktur gar nichts?! Zum Testen habe ich noch den Button „0“ eingebaut, wenn dieser betätigt wird, dann funktioniert die Ereignisstruktur wie gewünscht! Was mache ich denn falsch mit dem Cluster?!


Grüße
Carsten


Angehängte Datei(en)
8.0 .vi  Ereignisstruktur.vi (Größe: 24,11 KB / Downloads: 277)
Alle Beiträge dieses Benutzers finden
Diese Nachricht in einer Antwort zitieren to top
Anzeige
19.05.2011, 13:13
Beitrag #2

macmarvin Offline
CLA
***


Beiträge: 445
Registriert seit: Sep 2006

2014
2004
EN

81373
Deutschland
RE: Problem mit Ereignisstruktur und Cluster !?
Verdrahtungsfehler... du hast 2 Boolsche Ausgänge aus der Eventstruktur.
Alle Beiträge dieses Benutzers finden
Diese Nachricht in einer Antwort zitieren to top
19.05.2011, 13:37
Beitrag #3

CarstenH Offline
LVF-Grünschnabel
*


Beiträge: 19
Registriert seit: May 2011

2010
2011
DE



RE: Problem mit Ereignisstruktur und Cluster !?
Oh, das war natürlich ein blöder Fehler, wollte mein Problem in ein möglichst kleines VI einbringen...

Hier im Anhang nun das Hauptprogramm und das Unterprogramm zusammen. Die Ereignisstruktur will einfach nichts machen!!
die Struktur ist zwar hier nicht direkt in einer While-Schleife, aber dafür läuft doch das Hauptprogramm in einer solchen!! Wenn das der Urpsung meines Porblems ist, wie kann ich das denn dann umgehen?!

Grüße
Carsten


Angehängte Datei(en)
8.0 .vi  Hauptprogramm.vi (Größe: 13,68 KB / Downloads: 230)

8.0 .vi  Ereignisstruktur.vi (Größe: 22,52 KB / Downloads: 245)
Alle Beiträge dieses Benutzers finden
Diese Nachricht in einer Antwort zitieren to top
19.05.2011, 13:49 (Dieser Beitrag wurde zuletzt bearbeitet: 19.05.2011 13:49 von M Nussbaumer.)
Beitrag #4

M Nussbaumer Offline
Zarathustra
****


Beiträge: 654
Registriert seit: Sep 2009

2009 SP1
2009
EN

6300
Schweiz
RE: Problem mit Ereignisstruktur und Cluster !?
(19.05.2011 13:37 )CarstenH schrieb:  Oh, das war natürlich ein blöder Fehler, wollte mein Problem in ein möglichst kleines VI einbringen...

Hier im Anhang nun das Hauptprogramm und das Unterprogramm zusammen. Die Ereignisstruktur will einfach nichts machen!!
die Struktur ist zwar hier nicht direkt in einer While-Schleife, aber dafür läuft doch das Hauptprogramm in einer solchen!! Wenn das der Urpsung meines Porblems ist, wie kann ich das denn dann umgehen?!

Grüße
Carsten

Du kannst keine Wertveränderung feststellen, weil schlichtweg keine 2hands stattfindet 2hands Eine Veränderung des Clusters im Hauptprogramm ist KEIN Value-Change Event im SubVI!

Wenn du eine Eventverarbeitung in deinem SubVI verwenden willst, musst du mit dynamischen Events arbeiten. Beispiel folgt sobald ich Zeit dafür habeBlush

Gruss Marc
Alle Beiträge dieses Benutzers finden
Diese Nachricht in einer Antwort zitieren to top
19.05.2011, 13:54
Beitrag #5

NWOmason Offline
Simultator
*****


Beiträge: 1.078
Registriert seit: Dec 2010

2012.SP1
2008
EN

93047
Deutschland
RE: Problem mit Ereignisstruktur und Cluster !?
(19.05.2011 13:37 )CarstenH schrieb:  Hier im Anhang nun das Hauptprogramm und das Unterprogramm zusammen. Die Ereignisstruktur will einfach nichts machen!!
die Struktur ist zwar hier nicht direkt in einer While-Schleife, aber dafür läuft doch das Hauptprogramm in einer solchen!! Wenn das der Urpsung meines Porblems ist, wie kann ich das denn dann umgehen?!

Doch die Erreignisstruktur macht schon was. Und zwar wird sie einmalig bei jedem Aufruf ausgeführt, da der Timeoutcase mit 0 verbunden ist. Ergo wird die Ereignisstruktur sofort beim Aufruf mit dem Timeoutcase abgearbeitet. Danach wird der Rest abgearbeitet und das Subvi ist beendet. Beim nächsten Aufruf aus dem Main-Vi aus das gleiche.

Btw. die Ereignisstruktur des Sub-Vis reagiert nur auf die FP-Elemente des Sub-VIs, nicht auf die des Main-VIs.


Alternativ zu den von Mark angesprochenen dynamischen Events, kann man das ganze auch mittels eines Dialoges realisieren. Sub-Vi als Dialog aufrufen, erforderliche Einstellungen vornehmen. Dialog mit 'OK'-Taster beenden lassen und somit den Cluster an das Main-Program zurückschreiben.


Beste Grüße,
NWO

9 von 10 Stimmen in meinem Kopf sagen: Ich bin nicht verrückt,
die andere summt die Melodie von Tetris
.

NI schrieb:To use the abort button is like using a tree to stop a car!

(20.01.2012 11:02 )NWOmason schrieb:  Getting Started with NI LabVIEW Student Training
http://zone.ni.com/devzone/cda/tut/p/id/7466

Introduction to NI LabVIEW - Learn LabVIEW Basics
http://www.ni.com/gettingstarted/labviewbasics/

Top 5 der Empfehlungen für LabVIEW-Einsteiger
http://www.ni.com/newsletter/51735/de/
Alle Beiträge dieses Benutzers finden
Diese Nachricht in einer Antwort zitieren to top
19.05.2011, 13:59 (Dieser Beitrag wurde zuletzt bearbeitet: 19.05.2011 13:59 von M Nussbaumer.)
Beitrag #6

M Nussbaumer Offline
Zarathustra
****


Beiträge: 654
Registriert seit: Sep 2009

2009 SP1
2009
EN

6300
Schweiz
RE: Problem mit Ereignisstruktur und Cluster !?
Hier noch wie versprochen ein Beispiel für die dynamischen Events:


8.0 .vi  Hauptprogramm[1].vi (Größe: 15,27 KB / Downloads: 315)


8.0 .vi  Ereignisstruktur[1].vi (Größe: 23,54 KB / Downloads: 315)


Hoffe das hilft dir weiter!

Gruss Marc
Alle Beiträge dieses Benutzers finden
Diese Nachricht in einer Antwort zitieren to top
Anzeige
19.05.2011, 15:49 (Dieser Beitrag wurde zuletzt bearbeitet: 20.05.2011 14:13 von Lucki.)
Beitrag #7

Lucki Offline
Tech.Exp.2.Klasse
LVF-Team

Beiträge: 7.699
Registriert seit: Mar 2006

LV 2016-18 prof.
1995
DE

01108
Deutschland
RE: Problem mit Ereignisstruktur und Cluster !?
Also der letzte Stand ist der: Wenn sich der Wert ändert, wird der neue Wert 1 Mal an die CAN-Anzeige ausgegeben. Aber in der Zwischenzeit wird mit unendlichfacher Rate (Wegen fehlender Wartefunktion) immer wieder der Standardwert der Sub-VI-Anzeige an die CanBus-Anzeige im Hauptprogramm ausgegeben. Ich kann mit nicht vorstellen, daß das so gewünscht sein könnte. Man muß verhindern, daß die Anzeige im Hauptprogramm beim Fehlen neuer Werte überhaupt bedient wird. Z.B. so:


8.0 .vi  Hauptprogramm[2].vi (Größe: 19,52 KB / Downloads: 291)
Alle Beiträge dieses Benutzers finden
Diese Nachricht in einer Antwort zitieren to top
20.05.2011, 14:10
Beitrag #8

CarstenH Offline
LVF-Grünschnabel
*


Beiträge: 19
Registriert seit: May 2011

2010
2011
DE



RE: Problem mit Ereignisstruktur und Cluster !?
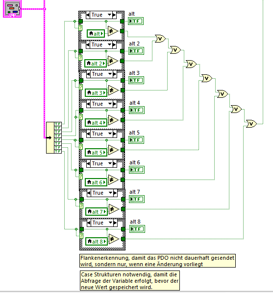
Der aktuelle Stand (zumindest der entscheidende Ausschnitt aus dem Gesamtprogramm) ist nun im Anhang.

Die Daten sollen nicth zyklisch auf den Bus gesendet werden, sondern nur dann, wenn eine Änderung der Eingabefelder (True/False) vorliegt.
Zur Zeit habe ich das wie im Anhang zu sehen mit Variablen gelöst, welche einfach den alten wert speichern. Das hat allerdings den Nachteil, dass ich das Sub-VI so nicht mehrfach einsetzen kann, weil offensichtlich alle auf die gleichen Variablen zugreifen. Die Sache mit der Ereignisstruktur scheint daher deutlisch besser geeignet zu sein!

Vielen Dank an M Nussbaumer, das ganze funktioniert Smile !!

Ist denn die Ereignisstruktur genau das richtige Tool dafür, oder sollte ich lieber etwas anderes verwenden?!



Schönes Wochenende!!

Carsten


Angehängte Datei(en)
8.0 .vi  Hauptprogramm.vi (Größe: 11,18 KB / Downloads: 238)

8.0 .vi  Flankenerkennung_Vari.vi (Größe: 33,78 KB / Downloads: 237)
Alle Beiträge dieses Benutzers finden
Diese Nachricht in einer Antwort zitieren to top
20.05.2011, 14:29
Beitrag #9

Lucki Offline
Tech.Exp.2.Klasse
LVF-Team

Beiträge: 7.699
Registriert seit: Mar 2006

LV 2016-18 prof.
1995
DE

01108
Deutschland
RE: Problem mit Ereignisstruktur und Cluster !?
Ogottogott...
Diese Änderungserkennung
   
mit 150 cm² dichtbepackten Code könnte man z.B. einfachst auf 2 cm² Code reduzieren.
Alle Beiträge dieses Benutzers finden
Diese Nachricht in einer Antwort zitieren to top
20.05.2011, 14:39
Beitrag #10

CarstenH Offline
LVF-Grünschnabel
*


Beiträge: 19
Registriert seit: May 2011

2010
2011
DE



RE: Problem mit Ereignisstruktur und Cluster !?
Ja, wenn man weiß wie, dann geht das sicherlich... deswegen hab ich mich ja hier registriert, weil ich leider nicht weiß wie es geht Smile

@ M Nussbaumer: wie hast du es denn eingerichtet, dass man als dynamisches erreignis "DO1-test" auswählen kann?! wenn ich das alles genau so aufbaue, kann ich bei dynamischen ereignissen nichts auswählen ?!
Alle Beiträge dieses Benutzers finden
Diese Nachricht in einer Antwort zitieren to top
30
Antwort schreiben 


Möglicherweise verwandte Themen...
Themen Verfasser Antworten Views Letzter Beitrag
  Elemente Cluster in Cluster ansprechen simcum 3 5.768 02.10.2023 10:49
Letzter Beitrag: th13
  Element in Cluster of Array of Cluster ausblenden R.Fuertig 4 8.661 26.09.2016 07:47
Letzter Beitrag: GerdW
  Cluster - Elemente ausblenden und Größe des Cluster anpassen? dragonos 13 22.066 01.06.2014 18:43
Letzter Beitrag: "Chris"
  Cluster Scripting Methode "Set Cluster Order" funktioniert (bei mir) nicht triumvirn 10 14.056 19.02.2013 20:54
Letzter Beitrag: triumvirn
  Cluster in Ereignisstruktur - einzelnes Element abfangen curby23523 2 5.649 15.11.2012 13:09
Letzter Beitrag: curby23523
  kleiner Cluster von Datei in großen Cluster einlesen seitzo 2 5.988 06.12.2011 15:52
Letzter Beitrag: seitzo

Gehe zu: