INFO: Dieses Forum nutzt Cookies...
Cookies sind für den Betrieb des Forums unverzichtbar. Mit der Nutzung des Forums erklärst Du dich damit einverstanden, dass wir Cookies verwenden.

Es wird in jedem Fall ein Cookie gesetzt um diesen Hinweis nicht mehr zu erhalten. Desweiteren setzen wir Google Adsense und Google Analytics ein.


Antwort schreiben 

Probleme mit Array in Graph



Wenn dein Problem oder deine Frage geklärt worden ist, markiere den Beitrag als "Lösung",
indem du auf den "Lösung" Button rechts unter dem entsprechenden Beitrag klickst. Vielen Dank!

11.09.2013, 13:28 (Dieser Beitrag wurde zuletzt bearbeitet: 11.09.2013 13:29 von GerdW.)
Beitrag #11

GerdW Offline
______________
LVF-Team

Beiträge: 17.534
Registriert seit: May 2009

LV2019 (LV2021)
1995
DE_EN

10×××
Deutschland
RE: Probleme mit Array in Graph
Race condition oder auch hier

THINK DATAFLOW!

LabVIEW nutzt Drähte, um Daten von A nach B zu transportieren. Du dagegen nicht...

Alle Beiträge dieses Benutzers finden
Diese Nachricht in einer Antwort zitieren to top
Anzeige
11.09.2013, 13:30
Beitrag #12

Trinitatis Offline
LVF-Guru
*****


Beiträge: 1.694
Registriert seit: May 2008

7.1 / 8.0 /2014-1, 18
2002
DE

18055
Deutschland
RE: Probleme mit Array in Graph
--> hier:


Angehängte Datei(en) Thumbnail(s)
   
Alle Beiträge dieses Benutzers finden
Diese Nachricht in einer Antwort zitieren to top
11.09.2013, 13:31
Beitrag #13

stefan_huaba Offline
LVF-Grünschnabel
*


Beiträge: 40
Registriert seit: Aug 2013

2012
2013
DE


Deutschland
RE: Probleme mit Array in Graph
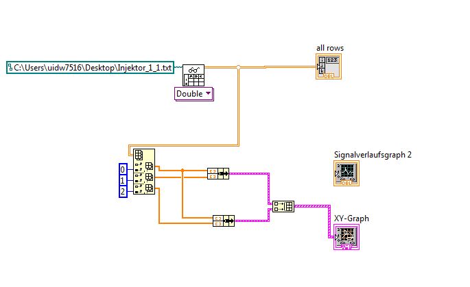
so besser?


Angehängte Datei(en) Thumbnail(s)
   
Alle Beiträge dieses Benutzers finden
Diese Nachricht in einer Antwort zitieren to top
11.09.2013, 13:33
Beitrag #14

Trinitatis Offline
LVF-Guru
*****


Beiträge: 1.694
Registriert seit: May 2008

7.1 / 8.0 /2014-1, 18
2002
DE

18055
Deutschland
RE: Probleme mit Array in Graph
besser für dich Smile


Gruß, Marko
Alle Beiträge dieses Benutzers finden
Diese Nachricht in einer Antwort zitieren to top
11.09.2013, 13:35
Beitrag #15

stefan_huaba Offline
LVF-Grünschnabel
*


Beiträge: 40
Registriert seit: Aug 2013

2012
2013
DE


Deutschland
RE: Probleme mit Array in Graph
Herzlichsten Dank! Wink
Alle Beiträge dieses Benutzers finden
Diese Nachricht in einer Antwort zitieren to top
30
Antwort schreiben 


Möglicherweise verwandte Themen...
Themen Verfasser Antworten Views Letzter Beitrag
  Array und XY-Graph zurücksetzen ARaj 14 12.224 25.11.2015 14:06
Letzter Beitrag: GerdW
  Probleme mit "Verstrichene Zeit" Baustein und Array-Addition antonym 6 7.166 30.07.2015 13:50
Letzter Beitrag: antonym
  XY-Graph Array löschen Masterg4941 2 4.959 16.09.2013 12:42
Letzter Beitrag: Masterg4941
  Peak Valley aus 2D Array XY Graph tetef 11 12.659 23.07.2010 12:22
Letzter Beitrag: tetef
  Array-Werte an XY-Graph übergeben Matze 9 11.413 15.07.2010 14:50
Letzter Beitrag: SeBa
  Probleme mit Array initialisieren Fireblade79 1 4.375 01.12.2006 11:58
Letzter Beitrag: Lanos

Gehe zu: