INFO: Dieses Forum nutzt Cookies...
Cookies sind für den Betrieb des Forums unverzichtbar. Mit der Nutzung des Forums erklärst Du dich damit einverstanden, dass wir Cookies verwenden.

Es wird in jedem Fall ein Cookie gesetzt um diesen Hinweis nicht mehr zu erhalten. Desweiteren setzen wir Google Adsense und Google Analytics ein.


Antwort schreiben 

Programmstart nach Datum/Uhrzeit



Wenn dein Problem oder deine Frage geklärt worden ist, markiere den Beitrag als "Lösung",
indem du auf den "Lösung" Button rechts unter dem entsprechenden Beitrag klickst. Vielen Dank!

12.08.2009, 13:18
Beitrag #11

Peter04 Offline
LVF-Stammgast
***


Beiträge: 305
Registriert seit: Jan 2008

2020
2007
DE_EN

79xxx
Deutschland
Programmstart nach Datum/Uhrzeit
Hallo,

also das habe ich so noch nie gemacht, aber als Denkregung, wie es vielleicht gehen könnte.
1. Die 14 Zeiten/Tage in array speichern.
2. Wenn Die Bedigung "Zeit überschriten erreicht ist", die Variable (hier "1") wieder auf "0" setzen und das array inkrementieren.

... mal so als grobe Idee... so auf die Schnelle kann ich da jetzt nix basteln...

Peter
Alle Beiträge dieses Benutzers finden
Diese Nachricht in einer Antwort zitieren to top
13.08.2009, 11:43
Beitrag #12

Tim9 Offline
LVF-Neueinsteiger


Beiträge: 8
Registriert seit: Aug 2009

8.6
2009
de

33615
Deutschland
Programmstart nach Datum/Uhrzeit
Hallo,
so wie das Vi bis jetzt läuft ist das ok, dass mit den verschiedenen Zeiten versuch ich noch.
Hat den jemand vielleicht noch ne Idee damit das Programm nicht stetig weiterläuft???
Nach der Uhrzeit eingabe läuft das Programm komplett durch, wartet anschließend 6 Sekunden und fängt dann wieder von vorne an.
Wie begrenze ich das auf nur einen Durchlauf??
Gruß tim
Alle Beiträge dieses Benutzers finden
Diese Nachricht in einer Antwort zitieren to top
13.08.2009, 11:54
Beitrag #13

Peter04 Offline
LVF-Stammgast
***


Beiträge: 305
Registriert seit: Jan 2008

2020
2007
DE_EN

79xxx
Deutschland
Programmstart nach Datum/Uhrzeit
Hallo,

mach's doch wie von Seba vorgeschlagen. Da wird doch nach Erfüllung der Bedingung die Schleife beendet und daher sollte das Prog auch nur einmal ausgeführt werden.

Peter
Alle Beiträge dieses Benutzers finden
Diese Nachricht in einer Antwort zitieren to top
13.08.2009, 13:17
Beitrag #14

Tim9 Offline
LVF-Neueinsteiger


Beiträge: 8
Registriert seit: Aug 2009

8.6
2009
de

33615
Deutschland
Programmstart nach Datum/Uhrzeit
Hi Peter,
ne das von Seba funktioniert nicht, es läuft nach und startet zu früh (bis zu5 min eher)
Ich hab das jetzt so gemacht-> siehe Anlage
Nach dem durchlaufen der Forschleife wird das Prog. gestoppt. Siehe Anbau unten links im Blockdiagramm.
Das größer zeichen in dem was du mir geschickt hast, kann ich nicht ersetzen durch ein equal.
Um das programm zu erweitern müßte ich den größer operator für die datumsabfrage nach möglichkeit durch einen equal operator ersetzten. Hab ich gemacht, vi startet aber führt die Case inhalte nicht aus.

Anhang ist Vers. 8.6

Gruß Tim


Angehängte Datei(en)
Sonstige .vi  Kopie_von_test3_ohne_nachlaufen.vi (Größe: 85,74 KB / Downloads: 247)
Alle Beiträge dieses Benutzers finden
Diese Nachricht in einer Antwort zitieren to top
13.08.2009, 14:12
Beitrag #15

SeBa Offline
LVF-Guru
*****


Beiträge: 2.025
Registriert seit: Oct 2008

09SP1 & 10 FDS
2008
DE

65xxx
Deutschland
Programmstart nach Datum/Uhrzeit
:???:

Startet zu früh??
Läuft nach??

Wenn ich das Bsp. das ich hochgeladen habe ausprobiere, dann klappt es so wie es soll.

Gruß SeBa

Dieser Beitrag soll weder nützlich, informativ noch lesbar sein.

Er erhebt lediglich den Anspruch dort wo er ungenau ist, wenigstens eindeutig ungenau zu sein.
In Fällen größerer Abweichungen ist es immer der Leser, der sich geirrt hat.

Rette einen Baum!
Diesen Beitrag nur ausdrucken, wenn unbedingt nötig!
Alle Beiträge dieses Benutzers finden
Diese Nachricht in einer Antwort zitieren to top
13.08.2009, 14:41
Beitrag #16

Peter04 Offline
LVF-Stammgast
***


Beiträge: 305
Registriert seit: Jan 2008

2020
2007
DE_EN

79xxx
Deutschland
Programmstart nach Datum/Uhrzeit
@tim9

Da hast Du aber ein schönes Teil hochgeladen. Schön bunt und alles doppelt!?
Mach doch mal ein einfaches Beispiel, dass auch bei uns lauffähig ist, z.B. Diode geht an, anstatt Programmstart. Dann können wir das auch direkt ausprobieren und das Helfen macht wesentlich mehrt Freude.

Peter
Alle Beiträge dieses Benutzers finden
Diese Nachricht in einer Antwort zitieren to top
Anzeige
13.08.2009, 18:37
Beitrag #17

Peter04 Offline
LVF-Stammgast
***


Beiträge: 305
Registriert seit: Jan 2008

2020
2007
DE_EN

79xxx
Deutschland
Programmstart nach Datum/Uhrzeit
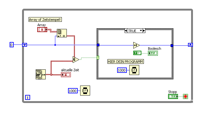
Na gut,

ich hab da noch was gebastelt. Jetzt kannst Du da Hunderte Termine eingeben und das Prog läuft einmal.
Du musst Dir nur noch ein schönes Prog-Ende einfallen lassen oder ein Datum vom Sankt Nimmerleinstag nehmen.
Und: 1. Bei Uhrzeiten nicht equal nehmen (1/1000 sec genau?!) 2. Bitte nicht mehr per PN.

Viel Spaß

Peter

   


Sonstige .vi  test3.vi (Größe: 13,65 KB / Downloads: 277)
Lv85_img
Alle Beiträge dieses Benutzers finden
Diese Nachricht in einer Antwort zitieren to top
13.08.2009, 21:06 (Dieser Beitrag wurde zuletzt bearbeitet: 13.08.2009 22:03 von jg.)
Beitrag #18

Tim9 Offline
LVF-Neueinsteiger


Beiträge: 8
Registriert seit: Aug 2009

8.6
2009
de

33615
Deutschland
Programmstart nach Datum/Uhrzeit
Hi Peter hast ja recht mit dem "kein Spass" und wofür,
das programm ist zu komplex um es mit einer glühbirne oder ähnlichem zu beschreiben. also das Programm, ich nenne es jetzt mal ein Zyklus, hat 12 einzel Schritte, diese sind im zeiten array deklariert.
Dieser array ist ein Taktgeber für die 3 anderen arrays. das heißt wenn ich mich im dritten schritt des zeiten arrays befinde werden alle befehle in den 3 anderen arrays auch im 3ten schritt abgearbeitet.
linear array, ist ein roboterarm der sich im dreidimensionalen Raum bewegt. An 5ter stelle z.bsp. dieses linear arrys, stehen die koordinaten die der arm zu verfahren hat.
der ventil array steuert 3 ventile über eine i/o karte von ni.
und der pumpen array steuert eine pumpe.
alle 3 arrays folgendem dem befehl des zeiten arrays. Sie sind harmonisch aufeinander abgestimmt und können in dieser reihenfolge schnell und effizient arbeiten. Dieser eine zyklus gibt aber nur ein gewünschtes ergebniss/arbeitsschritt. nämlich morgens.
abends muß der ganze zyklus wiederholt werden. und das mindestens über eine woche, jeweils zweimal am tag.
das ist der grund warum das programm nach einem zyklus stoppen muß und keinesfalls weiterarbeiten darf.
die pumpe und der roboter haben eigens geschriebene interne programme daher die kürzel H, I oder Tube STD=1 usw.
das programm muß montags geschrieben werden und für eine woche dann selbsständig arbeiten können.
ich habe das heute so hinbekommen wie ich mir das vorstelle, unelegant bestimmt aber es funzt. nur sind meine fähigkeiten in LabVIEW begrenzt, bin jedoch verpflichtet dieses programm zu nutzen.
Diese wilden kopien, also das dass alles doppelt zu sehen ist, ist noch ausbaufähig.aber es geht so. ich schicke dir mal so wie wie ich es hinbekommen hab. ohne deine hilfe bestimmt erst in 5 jahren.
leider habe ich privat kein LabVIEW da es nur im labor benutzt werden darf und nicht privat. bin aber gespannt auf deine lösung
lieben gruß tim
Lv86_img


Angehängte Datei(en)
Sonstige .vi  Fertig_Sequenz.vi (Größe: 154,98 KB / Downloads: 250)
Alle Beiträge dieses Benutzers finden
Diese Nachricht in einer Antwort zitieren to top
14.08.2009, 08:29
Beitrag #19

Peter04 Offline
LVF-Stammgast
***


Beiträge: 305
Registriert seit: Jan 2008

2020
2007
DE_EN

79xxx
Deutschland
Programmstart nach Datum/Uhrzeit
Moin,

gespannt auf meine Lösung? Wenn es jetzt für dich zufriedenstellend läuft ist doch erst mal gut. Du solltest dich vielleicht mal mit der Erstellung von subvis auseinandersetzen, dann sehe die ganze sache viel besser aus. Hängt aber letzlich wohl davon ab, wieviel Zeit Du mit LabVIEW verbringen willst, bzw. musst.

Gruß

Peter
Alle Beiträge dieses Benutzers finden
Diese Nachricht in einer Antwort zitieren to top
Antwort schreiben 


Möglicherweise verwandte Themen...
Themen Verfasser Antworten Views Letzter Beitrag
  Rechnen mit dem Datum meb2323 3 6.187 21.07.2025 14:20
Letzter Beitrag: martin95
  Tag im Jahr nach Datum picard2002 3 5.669 07.08.2017 14:57
Letzter Beitrag: picard2002
  Datum Uhrzeit Queue DeleteAll 8 7.545 24.03.2017 15:47
Letzter Beitrag: GerdW
  Aktuelles Datum & Uhrzeit in Excel sara2211 10 10.126 05.01.2017 09:04
Letzter Beitrag: sara2211
  Zeitabhäniger Case ab Programmstart p4tti 4 5.237 15.11.2016 14:11
Letzter Beitrag: p4tti
  Das Datum und die Uhrzeit immer aktualisieren galilio 2 5.368 21.06.2016 13:40
Letzter Beitrag: galilio

Gehe zu: