Guten Morgen LV Gemeinde
So ich habe mir mal das Beispiel angeguckt mit den Zeiten rum gespielt ich denke ich kapier es auch aber schwer vorzu stellen ist es schon

)
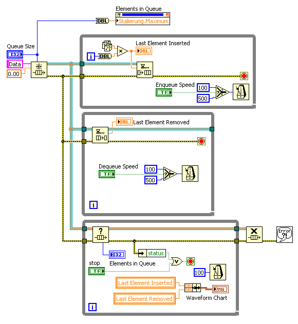
also ich habe 3 While Schleifen die quasi parallel arbeiten. Sehe ich es richtig das wenn da eine zufallszahl erzeugt wird sie sofort an den beiden anderen While schleifen zur verfügung steht (bei gleicher zeiteinstellung)??
Aber meiner MEinung nach müsste es dabei doch zu Zeit unterschieden kommen bzw hat das so doch eine gewisse Zeitverzögerung und ich denke das es auch schneller gehen könnte oder täusche ich mich da??
und :
bei der oberen Linken Whileschleife : sehe ich es da richtig das da eine Zahl erzeugt wird und sie in die vorhandende Queue geschrieben wird (denek mal das das richtig ist) jedoch ist der ausgang doch nicht verbunden und wie will die Queue jetzt die Zufallszahl erkennen wird ja nicht aus dem Eingang raus gehen oder ??
Mal ein Beispiel:
Zahl 5 wird erzeugt in die Queue geschrieben; läuft bzw wird zu den anderen beiden Schleifen gleichzeitug gegeben ; dann gelöscht bzw angezeigt.
nur wie zum Teufel kommt sie dahin da der Ausgang desErzeugungsVI nicht angeschlossen ist
Kann mir das einer erklären
Danke im voraus
mfg
Flizzer