INFO: Dieses Forum nutzt Cookies...
Cookies sind für den Betrieb des Forums unverzichtbar. Mit der Nutzung des Forums erklärst Du dich damit einverstanden, dass wir Cookies verwenden.

Es wird in jedem Fall ein Cookie gesetzt um diesen Hinweis nicht mehr zu erhalten. Desweiteren setzen wir Google Adsense und Google Analytics ein.


Antwort schreiben 

RS232 Datenstrom auswerten: Probleme mit 0x00



Wenn dein Problem oder deine Frage geklärt worden ist, markiere den Beitrag als "Lösung",
indem du auf den "Lösung" Button rechts unter dem entsprechenden Beitrag klickst. Vielen Dank!

15.04.2007, 18:19
Beitrag #1

Rob Offline
LVF-Grünschnabel
*


Beiträge: 25
Registriert seit: Apr 2007

7.1
2007
kA


Deutschland
RS232 Datenstrom auswerten: Probleme mit 0x00
Hallo,

fange gerade (zwangsweise ;=)) mit LabVIEW 7.1 an zu arbeiten.
Es geht darum, dass Bilder aus einer Kamera (ITM-C-328) seriell ausgelesen werden sollen. Ein zugehöriges Datenblatt der Kamera befindet sich z.B. unter http://www.intertec-components.de/common/d...-328_Manual.pdf . Das einzig wichtige daraus ist: Datenworte sind immer (!) 6 Bytes lang, enthalten aber sehr häufig 0x00 an einer oder mehreren Stellen. Und da liegt das Problem... Mein Testaufbau orientiert sich stark an der Forumsvorlage: http://forum.ib-berger.com/index.php?showtopic=7 (danke dafür).
Mit einem Probeaufbau, der immer wieder (auf Knopfdruck) die Initialisierungszeichenkette 0xAA0D00000000 verschickt (nur als Test), kann ich etwas von der Kamera empfangen. Allerdings werden mir beim Empfang immer die "Nullen" im Datenwort ab-/rausgeschnitten, d.h. ich empfange von der Kamera nur die ersten Bytes eines Datenwortes, z.B. 0xAA0E0D??AA0D (für ACK und SYNC als Antwort von der Kamera auf mein SYNC). Deshalb meine Fragen:
1) Wie kann ich in LabVIEW beim seriellen Empfang immer 6 Bytes empfangen/zusammen interpretieren, wobei das erste Byte immer ein 0xAA ist und dann fünf beliebige Bytes (teilweise mit 0x00) folgen?
2) Wie kann man in LabVIEW am Besten eine Art State-Machine aufbauen (später für die komplette Ansteuerung der Kamera)?

Gruß und Danke,

Robert
Alle Beiträge dieses Benutzers finden
Diese Nachricht in einer Antwort zitieren to top
Anzeige
15.04.2007, 22:54
Beitrag #2

eg Offline
LVF-SeniorMod


Beiträge: 3.868
Registriert seit: Nov 2005

2016
2003
kA

66111
Deutschland
RS232 Datenstrom auswerten: Probleme mit 0x00
Das beim Christian Berger gezeigtes Beispiel ist gut für asynchrones Lesen. Du brauchst aber etwas synchrones, weil du dich auf 0xAA synchronisieren kannst. Probiere mal folgendes:


   


Und wenn es auch nicht klappt, dann kannst du doch das Beispiel vom Christien nehmen, aber dann einen Parser machen, der nach 0xAA sucht und, wenn gefunden, 5 weitere Bytes abschneidet.


eg

Webseite des Benutzers besuchen Alle Beiträge dieses Benutzers finden
Diese Nachricht in einer Antwort zitieren to top
16.04.2007, 14:04
Beitrag #3

Rob Offline
LVF-Grünschnabel
*


Beiträge: 25
Registriert seit: Apr 2007

7.1
2007
kA


Deutschland
RS232 Datenstrom auswerten: Probleme mit 0x00
Hallo,

danke für deine Antwort, auch wenn mich das nicht wirklich weiter gebracht hat, bzw. ich mich evtl. unverständlich ausgedrückt habe.
Die 0xAA sind kein "Zeilenumbruch" der am Ende erwartet wird, sondern die Kamera (oder ich) verschickt diese Sequenz immer am Anfang.
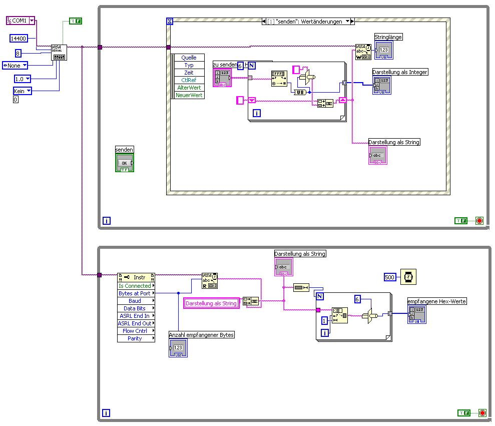
Was ich bisher habe, findet sich im Anhang, einmal als JPEG und einmal die VI Datei von LabVIEW (Version 7.1). Funktioniert ja auch fast...

Gruß,

Robert


Angehängte Datei(en) Thumbnail(s)
   

Sonstige .vi  cam_test.vi (Größe: 74,61 KB / Downloads: 336)
Alle Beiträge dieses Benutzers finden
Diese Nachricht in einer Antwort zitieren to top
16.04.2007, 14:13
Beitrag #4

eg Offline
LVF-SeniorMod


Beiträge: 3.868
Registriert seit: Nov 2005

2016
2003
kA

66111
Deutschland
RS232 Datenstrom auswerten: Probleme mit 0x00
Das mit dem 0xAA könnte auch funktionieren, wenn es am Anfang steht, nur du wirst die aller erste Sequenz verlieren, danach soll es gehen.

Aber gut, zu deinem VI, du musst die ausgelesenen Daten in einem Schieberegister puffern, im Puffer nach 0xAA suchen und wenn du es gefunden hast, die Bytes abschneiden. Wenn neue Sequenz dazukommt hängst du diese einfach in dein Puffer dazu.

Ok?

eg

Webseite des Benutzers besuchen Alle Beiträge dieses Benutzers finden
Diese Nachricht in einer Antwort zitieren to top
16.04.2007, 16:35
Beitrag #5

Rob Offline
LVF-Grünschnabel
*


Beiträge: 25
Registriert seit: Apr 2007

7.1
2007
kA


Deutschland
RS232 Datenstrom auswerten: Probleme mit 0x00
Hi,

vom Ablauf her ist mir das jetzt klar, nun muss ich nur noch LabVIEW dazu überreden das auch zu machen...
Wede mich evtl. in den nächsten Tagen wieder melden, bis dahin wurstel ich erst mal weiter rum ;=)

Danke,

Robert
Alle Beiträge dieses Benutzers finden
Diese Nachricht in einer Antwort zitieren to top
30
Antwort schreiben 


Möglicherweise verwandte Themen...
Themen Verfasser Antworten Views Letzter Beitrag
  RS232 Messgerät Probleme ElJon 9 11.323 18.12.2015 11:30
Letzter Beitrag: ElJon
  Probleme mit RS232 king5000 6 8.425 23.09.2015 14:42
Letzter Beitrag: king5000
  Datenstrom einer RS485-Schnittstelle über Modbus und Com-Server auslesen jschor 0 8.513 10.10.2012 15:02
Letzter Beitrag: jschor
  Probleme beim Verwenden der RS232 Schnittstelle bei Lock-In SR830 Chemikerin 1 5.304 31.10.2011 14:07
Letzter Beitrag: snuz
  Probleme beim Auslesen RS232 Guest 13 16.377 08.03.2010 13:44
Letzter Beitrag: GerdW
  Probleme mit Datenerfassung über serielle Schnittstelle (RS232) Flo884 6 11.584 14.04.2009 09:42
Letzter Beitrag: IchSelbst

Gehe zu: