INFO: Dieses Forum nutzt Cookies...
Cookies sind für den Betrieb des Forums unverzichtbar. Mit der Nutzung des Forums erklärst Du dich damit einverstanden, dass wir Cookies verwenden.

Es wird in jedem Fall ein Cookie gesetzt um diesen Hinweis nicht mehr zu erhalten. Desweiteren setzen wir Google Adsense und Google Analytics ein.


Antwort schreiben 

Samplingkanäle bedingt in Queues



Wenn dein Problem oder deine Frage geklärt worden ist, markiere den Beitrag als "Lösung",
indem du auf den "Lösung" Button rechts unter dem entsprechenden Beitrag klickst. Vielen Dank!

21.12.2011, 15:03
Beitrag #1

Electribe Offline
LVF-Grünschnabel
*


Beiträge: 10
Registriert seit: Sep 2011

2010 Full
2011
DE



Samplingkanäle bedingt in Queues
Hallo,

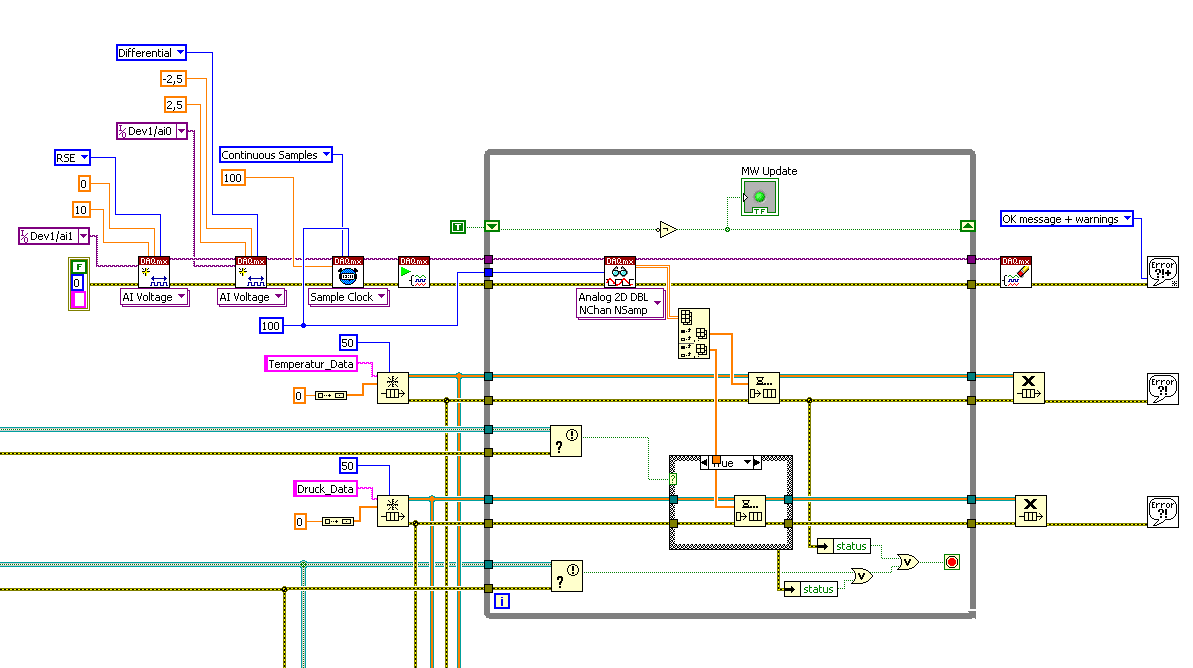
der Betreff ist vielleicht ein bisschen verwirrend, aber ich stehe grade vor folgendem Probelm: Ich erfasse mit einem USB-6008 Spannungswerte für Temperatur und Druck. Die Temperatur soll dabei kontinuierlich aufgezeichnet werden, der Druck nur in einem bestimmten Zeitfenster, wenn die Aufzeichnung freigegeben wurde. Ich wollte dafür eine Producer/Consumer Architektur aufbauen und die Messwerte in Queues legen.

Ich weiß nicht, wie ich in die Datenerfassungsschleife eine Bedingung reinbringen kann, dass die Werte zur Bedingung X in die Queue geschrieben werden. Wenn ich auf einen Melder warte wird die Schleife nur ausgeführt, wenn der Druck gemessen werden soll (und damit die Temperatur nicht kontinuierlich). Deswegen bringe ich die Bedingung im Moment via Melderstatus in die Schleife, was aber imo keine saubere Lösung ist. Könnt ihr mir einen Ansatz nennen, der "richtiger" ist?

Danke und viele Grüße

Electribe

   
Alle Beiträge dieses Benutzers finden
Diese Nachricht in einer Antwort zitieren to top
Anzeige
21.12.2011, 15:16
Beitrag #2

GerdW Online
______________
LVF-Team

Beiträge: 17.540
Registriert seit: May 2009

LV2019 (LV2021)
1995
DE_EN

10×××
Deutschland
RE: Samplingkanäle bedingt in Queues
Hallo Electribe,

wäre es nicht wesentlich einfacher, in der Loggingroutine zu entscheiden, was in die Datei gespeichert wird und was nicht?

Alle Beiträge dieses Benutzers finden
Diese Nachricht in einer Antwort zitieren to top
22.12.2011, 11:26
Beitrag #3

Electribe Offline
LVF-Grünschnabel
*


Beiträge: 10
Registriert seit: Sep 2011

2010 Full
2011
DE



RE: Samplingkanäle bedingt in Queues
(21.12.2011 15:16 )GerdW schrieb:  wäre es nicht wesentlich einfacher, in der Loggingroutine zu entscheiden, was in die Datei gespeichert wird und was nicht?

Damit würde ich das Problem doch nur verschieben, weil ich an einer anderen Stelle eine Schleife laufen lassen muss in der ich die Daten aus der Queue wieder rausnehme. Der Temperaturwert würde in der Schleife dann kontinuiertlich gelesen und angezeigt werden, aber mit den Daten für den Druck würde ich nicht aus der Schleife "rauskommen"?
Alle Beiträge dieses Benutzers finden
Diese Nachricht in einer Antwort zitieren to top
02.01.2012, 14:38
Beitrag #4

eb Offline
LVF-Lernwilliger
***


Beiträge: 292
Registriert seit: Mar 2008

2014
2008
EN

12xxx
Deutschland
RE: Samplingkanäle bedingt in Queues
Also ich finde die Lösung mit dem Melder/Interrupt/(G)locVar/FGV/etc. mit boolschem Ausgang super... funtioniert das in einer Weise nicht zufriedenstellend?
Alle Beiträge dieses Benutzers finden
Diese Nachricht in einer Antwort zitieren to top
30
Antwort schreiben 


Möglicherweise verwandte Themen...
Themen Verfasser Antworten Views Letzter Beitrag
  Probleme mit Queues und Programmaufbau stefan1312 6 7.277 30.10.2018 17:08
Letzter Beitrag: NoWay
  Drei Queues in einer While-Schleife mit case-Struktur EinVolvic 12 16.253 17.05.2017 20:25
Letzter Beitrag: EinVolvic
  2D Arrays per Queues abfragen Jan S. 3 5.199 16.01.2016 08:56
Letzter Beitrag: Lucki
  Frage zu Message Queues, Queue Cluster mehrfach aufschlüsseln dali4u 8 10.087 11.12.2014 09:07
Letzter Beitrag: Lucki
  Nachrichten-Queues, Exit wird nicht an andere Schleifen weitergereicht dali4u 4 7.306 28.10.2014 11:48
Letzter Beitrag: jg
  Synchronisation mit Queues Masterg4941 9 10.183 25.09.2013 12:24
Letzter Beitrag: GerdW

Gehe zu: