INFO: Dieses Forum nutzt Cookies...
Cookies sind für den Betrieb des Forums unverzichtbar. Mit der Nutzung des Forums erklärst Du dich damit einverstanden, dass wir Cookies verwenden.

Es wird in jedem Fall ein Cookie gesetzt um diesen Hinweis nicht mehr zu erhalten. Desweiteren setzen wir Google Adsense und Google Analytics ein.


Antwort schreiben 

Sequenz gestapelt vs. flach



Wenn dein Problem oder deine Frage geklärt worden ist, markiere den Beitrag als "Lösung",
indem du auf den "Lösung" Button rechts unter dem entsprechenden Beitrag klickst. Vielen Dank!

01.10.2010, 07:38
Beitrag #1

jochen_k Offline
LVF-Neueinsteiger


Beiträge: 9
Registriert seit: Mar 2007

8.0 - Aktuell
2006
kA

42579
Deutschland
Sequenz gestapelt vs. flach
Guten Morgen,

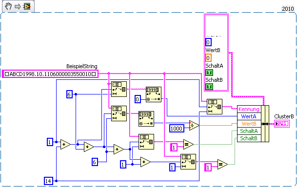
eine Frage an die Fachleute, wenn ich einen String zerlege und in ein Cluster umwandele tue ich das im Allg. mit einer Sequenz.
Da man ja die flache der gestapleten Sequenz vorziehen sollte entstehen so allerdings Blockdiagramme die deutlich größer werden,
was mach auch wieder vermeiden sollte. Wie also macht man es?

Gruß JochenK

   


Sonstige .vi  BeispielLabVIEW2010.vi (Größe: 21,09 KB / Downloads: 273)
Alle Beiträge dieses Benutzers finden
Diese Nachricht in einer Antwort zitieren to top
Anzeige
01.10.2010, 07:45 (Dieser Beitrag wurde zuletzt bearbeitet: 01.10.2010 07:51 von GerdW.)
Beitrag #2

GerdW Offline
______________
LVF-Team

Beiträge: 17.536
Registriert seit: May 2009

LV2019 (LV2021)
1995
DE_EN

10×××
Deutschland
Sequenz gestapelt vs. flach
Hallo Jochen,

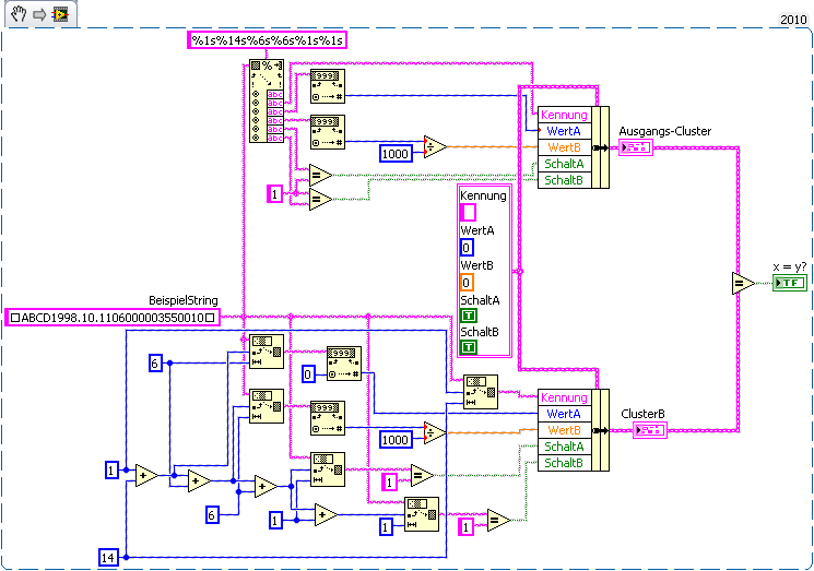
wenn du die (flache) Sequenz ganz weglässt, funktioniert's dank Dataflow genauso - und könnte dank MultiCore und paralleler Abarbeitung theoretisch sogar schneller sein... Das BD wird dann auch wieder etwas kleiner, da die ganzen Rahmen verschwinden!

Meine Meinung: Sequenzen jedweder Art sind (nahezu) überflüssig. Die gezeigte Funktionalität (Zerlegen der Stringantwort eines Gerätes) kommt bei mir sofort in ein SubVI, welches dem Gerätetreiber zugeordnet ist...

P.S.: Die Nutzung lokaler Variablen in der gestapelten Sequenz ist auch nicht die feine Englische... Wenn schon diese Sequenz, dann doch bitte mit Sequenz-Lokals!!!

P.P.S.: Man kann auch die ganzen BundleByName zusammenfassen (die Aufräumfunktion verdient noch etwas Feintuning...):
   

Alle Beiträge dieses Benutzers finden
Diese Nachricht in einer Antwort zitieren to top
01.10.2010, 08:00
Beitrag #3

Y-P Offline
☻ᴥᴥᴥ☻ᴥᴥᴥ☻
LVF-Team

Beiträge: 12.612
Registriert seit: Feb 2006

Developer Suite Core -> LabVIEW 2015 Prof.
2006
EN

71083
Deutschland
Sequenz gestapelt vs. flach
Wenn Du LabVIEW 2010 hast, dann bitte Profil_ergaenzen. Da steht noch 8.2 drin.

Gruß Markus

' schrieb:Guten Morgen,

eine Frage an die Fachleute, wenn ich einen String zerlege und in ein Cluster umwandele tue ich das im Allg. mit einer Sequenz.
Da man ja die flache der gestapleten Sequenz vorziehen sollte entstehen so allerdings Blockdiagramme die deutlich größer werden,
was mach auch wieder vermeiden sollte. Wie also macht man es?

Gruß JochenK

[attachment=58622:Aufzeichnen.PNG]

[attachment=58623:BeispielLabVIEW2010.vi]

--------------------------------------------------------------------------
Bitte stellt mir keine Fragen über PM, dafür ist das Forum da - andere haben vielleicht auch Interesse an der Antwort !!
--------------------------------------------------------------------------
Alle Beiträge dieses Benutzers finden
Diese Nachricht in einer Antwort zitieren to top
01.10.2010, 08:01
Beitrag #4

GerdW Offline
______________
LVF-Team

Beiträge: 17.536
Registriert seit: May 2009

LV2019 (LV2021)
1995
DE_EN

10×××
Deutschland
Sequenz gestapelt vs. flach
Hallo Jochen,

anbei noch eine erweiterte Version deiner Stringumwandlung - nur mal so als AnregungSmile
   

Alle Beiträge dieses Benutzers finden
Diese Nachricht in einer Antwort zitieren to top
01.10.2010, 08:05
Beitrag #5

jochen_k Offline
LVF-Neueinsteiger


Beiträge: 9
Registriert seit: Mar 2007

8.0 - Aktuell
2006
kA

42579
Deutschland
Sequenz gestapelt vs. flach
Danke schon mal,

ich habe es vielleicht nicht deutlich genug gemacht der String ist sehr lang und entsprechend viele (ca 40 Werte) werden zerlegt. Wenn ich das ohne gestapelte Sequenz mache dann ist mein Blockdiagramm 2m lang ;-). Daher habe ich bis jetzt immer gestapelte Sequenzen verwendet. BTW es ist
natürlich ein SubVi in dem ich das mache, das Projekt hat schon weit über 200 VI's.

Gruß JochenK
Alle Beiträge dieses Benutzers finden
Diese Nachricht in einer Antwort zitieren to top
01.10.2010, 08:08 (Dieser Beitrag wurde zuletzt bearbeitet: 01.10.2010 08:10 von GerdW.)
Beitrag #6

GerdW Offline
______________
LVF-Team

Beiträge: 17.536
Registriert seit: May 2009

LV2019 (LV2021)
1995
DE_EN

10×××
Deutschland
Sequenz gestapelt vs. flach
Hallo Jochen,

wie du an meinem Beispiel siehst, geht es durchaus kompakter als das, was du bisher genutzt hast.:)Meine Art der Umwandlung belegt genauso viel BD-Fläche wie deine gestapelte Sequenz und erledigt das gleiche ohne Frame-Stapelei und lokale Variablen (=Speicherkopien)!


"Projekt hat schon weit über 200 VI's."
Wenn ich eines meiner aktuellen Projekte lade, zählt LabVIEW locker mal bis 1000 hoch. Trotzdem erstelle ich weiterhin neue subVIs...

Alle Beiträge dieses Benutzers finden
Diese Nachricht in einer Antwort zitieren to top
Anzeige
01.10.2010, 08:14
Beitrag #7

jochen_k Offline
LVF-Neueinsteiger


Beiträge: 9
Registriert seit: Mar 2007

8.0 - Aktuell
2006
kA

42579
Deutschland
Sequenz gestapelt vs. flach
' schrieb:Hallo Jochen,

anbei noch eine erweiterte Version deiner Stringumwandlung - nur mal so als AnregungSmile
[attachment=58625:Bundle.png]

Ja so habe ich das früher auch gelöst und bin dann zu meinen Sequenzen übergegangen da mir das zu unübersichtlich wurdeBig Grin
Aber besten Dankeschön mitunter verschlimmbessert man ja auch so manche Sache über die Jahre.

Gruß JochenK
Alle Beiträge dieses Benutzers finden
Diese Nachricht in einer Antwort zitieren to top
01.10.2010, 08:53
Beitrag #8

IchSelbst Offline
LVF-Guru
*****


Beiträge: 3.708
Registriert seit: Feb 2005

11, 14, 15, 17, 18
-
DE

97437
Deutschland
Sequenz gestapelt vs. flach
' schrieb:Ja so habe ich das früher auch gelöst
Diese Variante im speziellen halte ich auch nicht für geeignet.
Zitat:und bin dann zu meinen Sequenzen übergegangen
Diese aber auch nicht.

Bei 40 Variablen lohnt sich - eben alleine schon wegen der Übersichtlichkeit - ein angepasster Algorithmus.

Ich stell mir folgendes vor: Eine For-Schleife für die Anzahl der Variablen im Cluster. String, Cluster und Index liegen in Schieberegistern auf der For-Schleife. Die Längen der Einzelstrings sind ein einem Array abgelegt. Der erste Teil der For-Scheife schneidet den Datenstring aus und erhöht den Indexzähler. Die Wandlungen aller Datenstrings nach Daten kann man ggf. auch in der For-Schleife machen. Danach kommt eine Case-Struktur, die in Abhängigkeit des Schleifenzählers in die einzelnen Clusterelemente schreibt.

Und mach dir mal wegen 200 eigenen VIs keine Gedanken. Die Anzahl der vorhandenen SubVIs ist überhaupt kein Grund, keine weiteren zu produzieren.

Jeder, der zur wahren Erkenntnis hindurchdringen will, muss den Berg Schwierigkeit alleine erklimmen (Helen Keller).
Alle Beiträge dieses Benutzers finden
Diese Nachricht in einer Antwort zitieren to top
01.10.2010, 10:26
Beitrag #9

jochen_k Offline
LVF-Neueinsteiger


Beiträge: 9
Registriert seit: Mar 2007

8.0 - Aktuell
2006
kA

42579
Deutschland
Sequenz gestapelt vs. flach
Hallo,

' schrieb:Ich stell mir folgendes vor: Eine For-Schleife...

habe ich dich richtig verstanden?

   

Gruß JochenK
Alle Beiträge dieses Benutzers finden
Diese Nachricht in einer Antwort zitieren to top
01.10.2010, 10:29
Beitrag #10

GerdW Offline
______________
LVF-Team

Beiträge: 17.536
Registriert seit: May 2009

LV2019 (LV2021)
1995
DE_EN

10×××
Deutschland
Sequenz gestapelt vs. flach
Hallo Jochen,

prinzipiell ja.
Jetzt noch den Verdrahtungsfehler entfernen und den Start-Offset für's StringTrennen mitzählen...

Alle Beiträge dieses Benutzers finden
Diese Nachricht in einer Antwort zitieren to top
30
Antwort schreiben 


Möglicherweise verwandte Themen...
Themen Verfasser Antworten Views Letzter Beitrag
  Sequenz wird zweimal durchlaufen mprocket 7 7.204 21.01.2018 18:59
Letzter Beitrag: mprocket
  Sequenz zur Dokumentation, Einfluss auf das Timing TSC 7 6.945 19.10.2016 07:08
Letzter Beitrag: TSC
  Auf Wunsch zusätzliche Sequenz erstellen Rayid 7 7.885 29.09.2016 11:50
Letzter Beitrag: GerdW
  Zeitsteuerung Sequenz LabViewPete 15 12.756 16.12.2015 09:24
Letzter Beitrag: Freddy
  Flache Sequenz/Zustandsautomat C.R. 3 5.921 20.09.2014 16:05
Letzter Beitrag: Lucki
  Struktur/Sequenz zurückspringen Protest 12 15.194 11.02.2014 18:04
Letzter Beitrag: Trinitatis

Gehe zu: