INFO: Dieses Forum nutzt Cookies...
Cookies sind für den Betrieb des Forums unverzichtbar. Mit der Nutzung des Forums erklärst Du dich damit einverstanden, dass wir Cookies verwenden.

Es wird in jedem Fall ein Cookie gesetzt um diesen Hinweis nicht mehr zu erhalten. Desweiteren setzen wir Google Adsense und Google Analytics ein.


Antwort schreiben 

Sinus-Signalverlaufsdiagramm Daten in Text-Datei



Wenn dein Problem oder deine Frage geklärt worden ist, markiere den Beitrag als "Lösung",
indem du auf den "Lösung" Button rechts unter dem entsprechenden Beitrag klickst. Vielen Dank!

03.07.2015, 21:29
Beitrag #21

Chicooo94 Offline
LVF-Grünschnabel
*


Beiträge: 31
Registriert seit: Jun 2015

2014
2015
EN



RE: Sinus-Signalverlaufsdiagramm Daten in Text-Datei
(03.07.2015 19:59 )Hasenfuss schrieb:  Das ist noch eine andere Variante

Perfekt, konnte das jetzt super anwenden und hab es auch verstanden. Nur irgendwie hätte ich gerne den Zeitwert irgendwie noch besser eingestellt. Also das er den x-wert vom Diagramm übernimmtO Vielleicht weiß da auch jemand etwas zu.


Angehängte Datei(en) Thumbnail(s)
   

12.0 .vi  Projekt 1 Labview12 - Aufgabe 3 Versuch 3.vi (Größe: 16,59 KB / Downloads: 282)
Alle Beiträge dieses Benutzers finden
Diese Nachricht in einer Antwort zitieren to top
Anzeige
03.07.2015, 21:41 (Dieser Beitrag wurde zuletzt bearbeitet: 03.07.2015 21:50 von GerdW.)
Beitrag #22

GerdW Offline
______________
LVF-Team

Beiträge: 17.538
Registriert seit: May 2009

LV2019 (LV2021)
1995
DE_EN

10×××
Deutschland
RE: Sinus-Signalverlaufsdiagramm Daten in Text-Datei
Hallo Chico,

Zitat:Also das er den x-wert vom Diagramm übernimmt
Ein Diagramm hat keinen X-Wert, es stellt nur Y-Werte dar. Das hatte ich schon einmal erwähnt
(Ausnahme: Darstellung von Waveforms. Die verwendest du aber nicht.)

- Es wäre hilfreich, wenn du die Verzögerung in der Schleife sinnvoll angeschlossen hättest. Es fehlt ein Faktor 1000…
- Wenn du in der Textdatei eine Zeitangabe haben willst, solltest du den gleichen Formatstring wie an der X-Achse deines Diagramms verwenden: "%f" ist keine Formatierung für Zeitangaben…

Alle Beiträge dieses Benutzers finden
Diese Nachricht in einer Antwort zitieren to top
03.07.2015, 22:25
Beitrag #23

Chicooo94 Offline
LVF-Grünschnabel
*


Beiträge: 31
Registriert seit: Jun 2015

2014
2015
EN



RE: Sinus-Signalverlaufsdiagramm Daten in Text-Datei
(03.07.2015 21:41 )GerdW schrieb:  Hallo Chico,

Zitat:Also das er den x-wert vom Diagramm übernimmt
Ein Diagramm hat keinen X-Wert, es stellt nur Y-Werte dar. Das hatte ich schon einmal erwähnt
(Ausnahme: Darstellung von Waveforms. Die verwendest du aber nicht.)

- Es wäre hilfreich, wenn du die Verzögerung in der Schleife sinnvoll angeschlossen hättest. Es fehlt ein Faktor 1000…
- Wenn du in der Textdatei eine Zeitangabe haben willst, solltest du den gleichen Formatstring wie an der X-Achse deines Diagramms verwenden: "%f" ist keine Formatierung für Zeitangaben…

Stimmt, dass du mir schon mal gesagt. Also durch den Faktor 1000 ist der dann schon angeschlossen oder wie? O (und wieso eigentlich der Faktor 1000? Big Grin)
Hab erkannt, dass "%f" falsch ist, aber welcher ist denn der richtige, der dann auch angenommen wird. Weil sowas wie "%H" oder %M oder %S will der nicht annehmen..hab schon einige ausprobiert
Alle Beiträge dieses Benutzers finden
Diese Nachricht in einer Antwort zitieren to top
03.07.2015, 22:45
Beitrag #24

GerdW Offline
______________
LVF-Team

Beiträge: 17.538
Registriert seit: May 2009

LV2019 (LV2021)
1995
DE_EN

10×××
Deutschland
RE: Sinus-Signalverlaufsdiagramm Daten in Text-Datei
Hallo Chico,

Zitat:wieso eigentlich der Faktor 1000?
Weil du eine "Verzögerung in s" eingibst und eine Wartefunktion verwendest, die Millisekunden erwartet…

Zitat:welcher ist denn der richtige, der dann auch angenommen wird.
Das steht in der LabVIEW-Hilfe zu den Formatcodes. Da gibt es einen extra Abschnitt nur für Zeit-Formatcodes: Geh am besten über die HIlfe zu FormatIntoString…

Alle Beiträge dieses Benutzers finden
Diese Nachricht in einer Antwort zitieren to top
03.07.2015, 23:41
Beitrag #25

Chicooo94 Offline
LVF-Grünschnabel
*


Beiträge: 31
Registriert seit: Jun 2015

2014
2015
EN



RE: Sinus-Signalverlaufsdiagramm Daten in Text-Datei
(03.07.2015 22:45 )GerdW schrieb:  Hallo Chico,

Zitat:wieso eigentlich der Faktor 1000?
Weil du eine "Verzögerung in s" eingibst und eine Wartefunktion verwendest, die Millisekunden erwartet…

Zitat:welcher ist denn der richtige, der dann auch angenommen wird.
Das steht in der LabVIEW-Hilfe zu den Formatcodes. Da gibt es einen extra Abschnitt nur für Zeit-Formatcodes: Geh am besten über die HIlfe zu FormatIntoString…

So ich hab mich da jetzt durchgefunden, und erkannt, dass "%t" der richtige für die relative Zeit ist. Und falls ich sowas wie mit Sekunden/Minuten/Stunden haben möchte, "%.2t" verwenden müsste.
Dankeschön.

Und jetzt bestünde noch zwei Fragen
1: Wenn ich wieder das Datenloggen während der Programmausführung stattfinden lassen wollte, dann muss ich ja alles in die While-Schleife reinmachen, so wie letztes mal.
Nun ist das Ding, dass er dann wieder die Daten ersetzt und dann nur eine Wertepaar in der Textdatei steht. Nur ist es dieses mal ja kein Write To Spreadsheet File , wo ich einfach bei "append to file" eine True-Konstante machen kann, womit das nicht ersetzt wird. Also wie müsste ich das nun machen? O

2. Ist es auch möglich, dass man irgendwie ein "einstellbares Grenzsignalniveau" vorgeben kann, wodurch bei der graphischen Anzeige eine Nulllinie erscheint, wenn es erreicht wird? Und wenn es wieder darunter sein sollte, soll es wie gewohnt, dargestellt werden.

Liebe Grüße Smile
Alle Beiträge dieses Benutzers finden
Diese Nachricht in einer Antwort zitieren to top
04.07.2015, 08:44
Beitrag #26

GerdW Offline
______________
LVF-Team

Beiträge: 17.538
Registriert seit: May 2009

LV2019 (LV2021)
1995
DE_EN

10×××
Deutschland
RE: Sinus-Signalverlaufsdiagramm Daten in Text-Datei
Hallo Chico,

Zitat:1. Also wie müsste ich das nun machen?
Richtig… Big Grin
Wenn du es richtig machst, kannst du auch weiterhin WriteToSpreadsheetFile nutzen!

2. Ja.

Alle Beiträge dieses Benutzers finden
Diese Nachricht in einer Antwort zitieren to top
04.07.2015, 09:20
Beitrag #27

Chicooo94 Offline
LVF-Grünschnabel
*


Beiträge: 31
Registriert seit: Jun 2015

2014
2015
EN



RE: Sinus-Signalverlaufsdiagramm Daten in Text-Datei
(04.07.2015 08:44 )GerdW schrieb:  Hallo Chico,

Zitat:1. Also wie müsste ich das nun machen?
Richtig… Big Grin
Wenn du es richtig machst, kannst du auch weiterhin WriteToSpreadsheetFile nutzen!

2. Ja.

1. So sollen wir das aber leider nicht lernen, meinte unser Professor :/

2. Und wie? O Die Klausur ist schon bald und langsam muss ich mal voran kommen :/ hab schon voll bammel Sad
Alle Beiträge dieses Benutzers finden
Diese Nachricht in einer Antwort zitieren to top
04.07.2015, 14:55 (Dieser Beitrag wurde zuletzt bearbeitet: 04.07.2015 14:58 von Chicooo94.)
Beitrag #28

Chicooo94 Offline
LVF-Grünschnabel
*


Beiträge: 31
Registriert seit: Jun 2015

2014
2015
EN



RE: Sinus-Signalverlaufsdiagramm Daten in Text-Datei
hier die aktuelle Variante dazu


Angehängte Datei(en)
12.0 .vi  Projekt 1 Labview12 - Aufgabe 4 Versuch 2.vi (Größe: 16,39 KB / Downloads: 305)
Alle Beiträge dieses Benutzers finden
Diese Nachricht in einer Antwort zitieren to top
04.07.2015, 15:27 (Dieser Beitrag wurde zuletzt bearbeitet: 04.07.2015 15:57 von Hasenfuss.)
Beitrag #29

Hasenfuss Offline
LVF-Stammgast
***


Beiträge: 331
Registriert seit: Dec 2012

2012
2012
DE



RE: Sinus-Signalverlaufsdiagramm Daten in Text-Datei
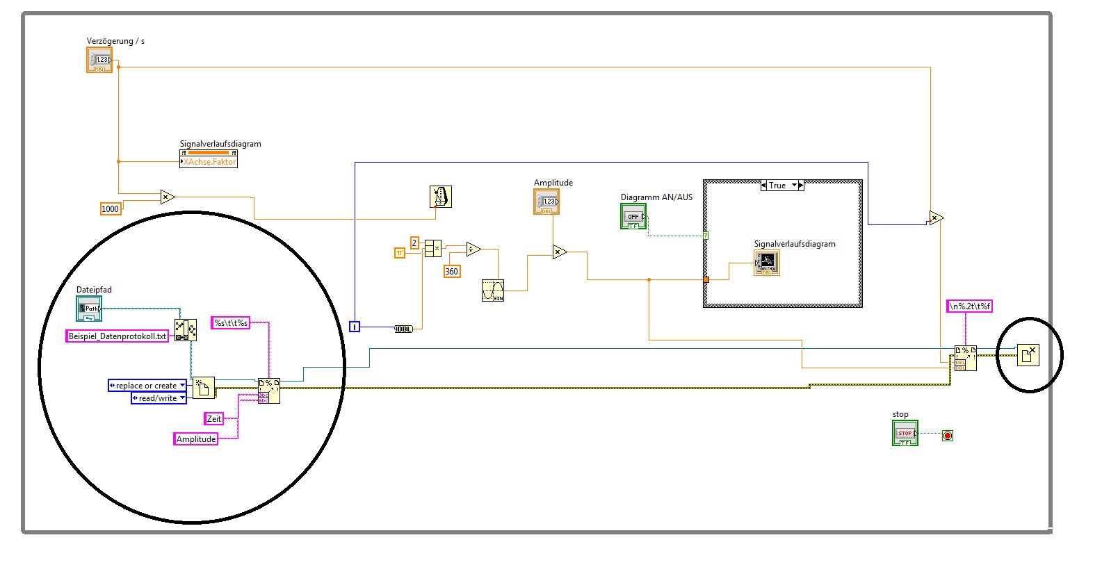
Das Eingekreiste gehört nicht in die while-Schleife.

Es könnte von Vorteil sein, den Fehlercluster hier auch mit einem ODER an den Schalter zum Beenden der Schleife anzufügen. Tritt ein Fehler auf, wird die Schleife beendet. So läuft ggf. die Schleife als weiter, den Fehler kriegst Du aber erst am Ende dann mit, nachdem Du den Beenden-Button gedrückt hast.


Angehängte Datei(en) Thumbnail(s)
       
Alle Beiträge dieses Benutzers finden
Diese Nachricht in einer Antwort zitieren to top
04.07.2015, 16:19 (Dieser Beitrag wurde zuletzt bearbeitet: 04.07.2015 16:20 von Hasenfuss.)
Beitrag #30

Hasenfuss Offline
LVF-Stammgast
***


Beiträge: 331
Registriert seit: Dec 2012

2012
2012
DE



RE: Sinus-Signalverlaufsdiagramm Daten in Text-Datei
Zu Deiner anderen Frage, Du machst einen Vergleich mit größer/gleich, dann kommt ein TRUE oder FALSE heraus. Das hängst Du an einen Case und wertest das Ergebnis aus. Willst Du eine Null an den Signalverlauf hängen, dann hänge eine Null dran im TRUE-Case, oder eben den Wert, den Du sonst haben willst.


Angehängte Datei(en) Thumbnail(s)
       
Alle Beiträge dieses Benutzers finden
Diese Nachricht in einer Antwort zitieren to top
30
Antwort schreiben 


Möglicherweise verwandte Themen...
Themen Verfasser Antworten Views Letzter Beitrag
  DI Daten in Datei schreiben puuk! 10 16.180 15.12.2015 13:08
Letzter Beitrag: GerdW
  Werte aus Signalverlaufsdiagramm in Datei speichern und laden montanaro 5 10.464 15.07.2015 06:56
Letzter Beitrag: montanaro
  Daten verschiedener Typen in Datei loggen ostone 9 10.091 11.05.2015 11:56
Letzter Beitrag: GerdW
  Daten aus *.dat Datei einlesen klavierspieler 5 10.138 30.09.2014 08:20
Letzter Beitrag: klavierspieler
  Fehler in Text Datei schreiben (Loggen). Lennard 7 9.975 24.06.2014 21:14
Letzter Beitrag: jg
  Bestimmte Daten aus csv Datei in Array schreiben Serial 23 28.776 26.03.2014 07:22
Letzter Beitrag: Serial

Gehe zu: