INFO: Dieses Forum nutzt Cookies...
Cookies sind für den Betrieb des Forums unverzichtbar. Mit der Nutzung des Forums erklärst Du dich damit einverstanden, dass wir Cookies verwenden.

Es wird in jedem Fall ein Cookie gesetzt um diesen Hinweis nicht mehr zu erhalten. Desweiteren setzen wir Google Adsense und Google Analytics ein.


Antwort schreiben 

String als Tabelle ausgeben



Wenn dein Problem oder deine Frage geklärt worden ist, markiere den Beitrag als "Lösung",
indem du auf den "Lösung" Button rechts unter dem entsprechenden Beitrag klickst. Vielen Dank!

01.07.2011, 21:44
Beitrag #1

Toto2010 Offline
LVF-Neueinsteiger


Beiträge: 9
Registriert seit: Mar 2011

2009
2011
DE



String als Tabelle ausgeben
Hallo Leute,

ich hab n kleines Problem. Über meinen Comport empfange ich über meine GPS-Maus laufend GPS-Daten als Strings. Sieht dann so aus wie im Bild. Die Strings möchte ich nun als Tabelle darstellen.
In etwa so:


$GPGLL,5125.3002,N,00702.1149,E,203346.750,V,N*49
$GPGLL,5125.3002,N,00702.1149,E,203447.750,V,N*4F
$GPGLL,5125.3002,N,00702.1149,E,203522.000,V,N*4F

usw. usw.

Bekomme ich irgendwie nicht hin.
Muss ich die Strings in Arrays umwandeln? Aber wie kann ich dann die Ascii-Darstellung beibehalten?

Danke im Vorraus,

Toto


Angehängte Datei(en) Thumbnail(s)
   

2009 .vi  GPS_Comport1.vi (Größe: 13,51 KB / Downloads: 222)
Alle Beiträge dieses Benutzers finden
Diese Nachricht in einer Antwort zitieren to top
Anzeige
02.07.2011, 07:48
Beitrag #2

cb Offline
LVF-SeniorMod


Beiträge: 1.734
Registriert seit: Feb 2006

2018SP1
2001
EN

40xxx
Deutschland
RE: String als Tabelle ausgeben
ich hab das wie folgt gelöst:

1. den String in die einzelnen Zeilen zerlegen

2. die Zeilen wiederum an den Kommas trennen und jedes Datum einzeln parsen - je nachdem worum es sich handelt


   

https://www.rotabench.com - Prüftechnik für Elektromotoren
Webseite des Benutzers besuchen Alle Beiträge dieses Benutzers finden
Diese Nachricht in einer Antwort zitieren to top
02.07.2011, 08:08 (Dieser Beitrag wurde zuletzt bearbeitet: 03.07.2011 08:56 von Lucki.)
Beitrag #3

Lucki Offline
Tech.Exp.2.Klasse
LVF-Team

Beiträge: 7.699
Registriert seit: Mar 2006

LV 2016-18 prof.
1995
DE

01108
Deutschland
RE: String als Tabelle ausgeben
Hast Dirs ja selbst beantwortet. Wie soll man da auch antworten, wenn Du zwar schreibst, wie die "Tabelle" aussehen sollt, aber nichts über das Format des Originalstring verräts?
Obwohl - das hier
$GPGLL,5125.3002,N,00702.1149,E,203346.750,V,N*49
$GPGLL,5125.3002,N,00702.1149,E,203447.750,V,N*4F
$GPGLL,5125.3002,N,00702.1149,E,203522.000,V,N*4F
ist gar kein Tabelle, sondern allenfalls ein "Tabellen-String"

Die Datums-Konvertierung

   

ist etwas umständlich geraten. So ist es einfacher:
   

Edit: Irrtum vom Amt - die Antwort war ja gar nicht nicht von Dir, Entschuldigung.
Alle Beiträge dieses Benutzers finden
Diese Nachricht in einer Antwort zitieren to top
03.07.2011, 11:10 (Dieser Beitrag wurde zuletzt bearbeitet: 03.07.2011 14:33 von Lucki.)
Beitrag #4

Lucki Offline
Tech.Exp.2.Klasse
LVF-Team

Beiträge: 7.699
Registriert seit: Mar 2006

LV 2016-18 prof.
1995
DE

01108
Deutschland
RE: String als Tabelle ausgeben
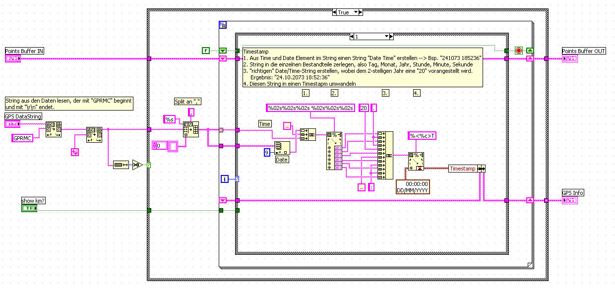
Habe mal zum Sonntag - statt Kreuzworträtsel - den GPS-String ausgewertet. Hier das Ergebnis:

   

Was jetzt noch unbedingt zu tun ist: Die ermittelten Koordinaten in Google-StreetView eingeben und eine Panoramansicht von Totos Umgebung machen. Wer übernimmt das freiwillig? Big Grin


Angehängte Datei(en)
2009 .vi  GPS.vi (Größe: 11,84 KB / Downloads: 254)
Alle Beiträge dieses Benutzers finden
Diese Nachricht in einer Antwort zitieren to top
03.07.2011, 11:44
Beitrag #5

jg Offline
CLA & CLED
LVF-Team

Beiträge: 15.864
Registriert seit: Jun 2005

20xx / 8.x
1999
EN

Franken...
Deutschland
RE: String als Tabelle ausgeben
Offtopic2
Soll das der zarte Wink mit dem Zaunpfahl sein, dass ich die Koordinaten unkenntlich manchen soll?

Gruß, Jens

Wer die erhabene Weisheit der Mathematik tadelt, nährt sich von Verwirrung. (Leonardo da Vinci)

!! BITTE !! stellt mir keine Fragen über PM, dafür ist das Forum da - andere haben vielleicht auch Interesse an der Antwort!

Einführende Links zu LabVIEW, s. GerdWs Signatur.
Alle Beiträge dieses Benutzers finden
Diese Nachricht in einer Antwort zitieren to top
03.07.2011, 13:36 (Dieser Beitrag wurde zuletzt bearbeitet: 04.07.2011 08:47 von Lucki.)
Beitrag #6

Lucki Offline
Tech.Exp.2.Klasse
LVF-Team

Beiträge: 7.699
Registriert seit: Mar 2006

LV 2016-18 prof.
1995
DE

01108
Deutschland
RE: String als Tabelle ausgeben
Offtopic2
Nein, wenn schon zarter Wink dann eher der, die Gelegenheit zu nutzen und Totos Standort in die "LVF-Usermap" einzutragen. Wir Programierer sind doch von Natur aus eher Datenschnüffler als -schützer, und jeder der hier seine Daten preisgibt sollte das wissen Big Grin
Alle Beiträge dieses Benutzers finden
Diese Nachricht in einer Antwort zitieren to top
Anzeige
Antwort schreiben 


Möglicherweise verwandte Themen...
Themen Verfasser Antworten Views Letzter Beitrag
  Array in String Tabelle Lou_ders 3 6.159 19.10.2017 15:10
Letzter Beitrag: THL
  String-Darstellungsart in der Tabelle als Passwortanzeige Lessy2205 4 5.461 08.02.2013 08:08
Letzter Beitrag: Lessy2205
  String in Tabelle einfügen hotseter 2 6.402 07.09.2012 07:39
Letzter Beitrag: hotseter
  String - Array mit .csv Tabelle vergleichen schafkopf 1 4.941 05.07.2012 14:55
Letzter Beitrag: GerdW
  String teilen und Teilstrings ausgeben kritzel 5 8.844 25.05.2012 13:54
Letzter Beitrag: kritzel
  string format tabelle ede84 6 6.937 19.01.2012 11:35
Letzter Beitrag: ede84

Gehe zu: