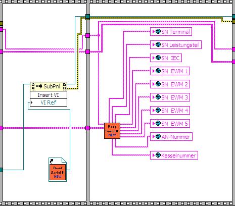
Subpanel laden im Build |
Wenn dein Problem oder deine Frage geklärt worden ist, markiere den Beitrag als "Lösung",
indem du auf den "Lösung" Button rechts unter dem entsprechenden Beitrag klickst. Vielen Dank!
|
|
|
| Möglicherweise verwandte Themen... | |||||
| Themen | Verfasser | Antworten | Views | Letzter Beitrag | |
| Subpanel Kommunikation | ares2013 | 3 | 4.877 |
04.12.2019 12:23 Letzter Beitrag: Lien_Alere |
|
| Kommunikation zwischen SubVis im Subpanel und GUI | Rene123 | 12 | 13.702 |
30.10.2017 23:28 Letzter Beitrag: IchSelbst |
|
| Bestimmen, ob das VI ein eigenes Frontpanel hat oder im Subpanel angezeigt wird | wladimir s | 8 | 8.276 |
11.11.2016 10:31 Letzter Beitrag: wladimir s |
|
| Subpanel und Splitter Pane | GT123 | 15 | 12.706 |
09.09.2016 14:23 Letzter Beitrag: GT123 |
|
| Sub-VIs in Subpanel laden | Scuba | 16 | 15.146 |
28.08.2014 13:39 Letzter Beitrag: jg |
|
| VI in Subpanel begrenzen | Hasenfuss | 1 | 5.284 |
24.09.2013 08:13 Letzter Beitrag: GerdW |
|





