INFO: Dieses Forum nutzt Cookies...
Cookies sind für den Betrieb des Forums unverzichtbar. Mit der Nutzung des Forums erklärst Du dich damit einverstanden, dass wir Cookies verwenden.

Es wird in jedem Fall ein Cookie gesetzt um diesen Hinweis nicht mehr zu erhalten. Desweiteren setzen wir Google Adsense und Google Analytics ein.


Antwort schreiben 

Tabelle in bestehendem Excel File erweitern



Wenn dein Problem oder deine Frage geklärt worden ist, markiere den Beitrag als "Lösung",
indem du auf den "Lösung" Button rechts unter dem entsprechenden Beitrag klickst. Vielen Dank!

05.06.2012, 12:57
Beitrag #1

em Offline
LVF-Neueinsteiger


Beiträge: 4
Registriert seit: Apr 2012

2010 8.6
2011
DE_EN



Tabelle in bestehendem Excel File erweitern
Hallo,

kann mir jemand helfen:
Ich habe eine Case-Struktur: Bei False werden Messwerte von einem Array in eine neues Excel File gespeichert. Das funktioniert.

Bei True sollen die Messwerte an eine bestehende Exceltabelle angehängt werden, ohne dass die vorherigen Werte überschrieben werden (also direkt eine Zeile unter den alten Messwerten, sollen die neuen Werte gespeichert werden). Ich hab jetzt schon einiges ausprobiert, aber die alten Werte werden entweder immer überschrieben oder irgendetwas anderes läuft schief.

Würde mich freuen, wenn mir jemand weiterhelfen könnte.


Angehängte Datei(en) Thumbnail(s)
       
Alle Beiträge dieses Benutzers finden
Diese Nachricht in einer Antwort zitieren to top
Anzeige
12.06.2012, 08:16
Beitrag #2

Y-P Offline
☻ᴥᴥᴥ☻ᴥᴥᴥ☻
LVF-Team

Beiträge: 12.612
Registriert seit: Feb 2006

Developer Suite Core -> LabVIEW 2015 Prof.
2006
EN

71083
Deutschland
RE: Tabelle in bestehendem Excel File erweitern
Lies im Notfall doch einfach Deine Excel-Tabelle aus (per ActiveX), hänge an die Daten Deine neuen Daten an und schreibe wieder alles in Excel zurück.
Es sollte aber auch mit irgendeiner "Append" Funktion mit den VIs funktionieren. Hab' gerade aber keine Zeit selbst nachzuschauen.

Gruß Markus

--------------------------------------------------------------------------
Bitte stellt mir keine Fragen über PM, dafür ist das Forum da - andere haben vielleicht auch Interesse an der Antwort !!
--------------------------------------------------------------------------
Alle Beiträge dieses Benutzers finden
Diese Nachricht in einer Antwort zitieren to top
12.06.2012, 14:51
Beitrag #3

SeBa Offline
LVF-Guru
*****


Beiträge: 2.025
Registriert seit: Oct 2008

09SP1 & 10 FDS
2008
DE

65xxx
Deutschland
RE: Tabelle in bestehendem Excel File erweitern
Ich hab erst ordentlich geschimpft und vom Leder gezogen, dann tief Luft geholt und alles gelöscht. Ich fass mich dann einfach kurz:

Das RTG erstellt eine xls Datei, du benutzt ein VI zu Einlesen von TEXT Dateien im ASCII Format. Passt net.

Gruß SeBa

Dieser Beitrag soll weder nützlich, informativ noch lesbar sein.

Er erhebt lediglich den Anspruch dort wo er ungenau ist, wenigstens eindeutig ungenau zu sein.
In Fällen größerer Abweichungen ist es immer der Leser, der sich geirrt hat.

Rette einen Baum!
Diesen Beitrag nur ausdrucken, wenn unbedingt nötig!
Alle Beiträge dieses Benutzers finden
Diese Nachricht in einer Antwort zitieren to top
02.09.2013, 19:32 (Dieser Beitrag wurde zuletzt bearbeitet: 02.09.2013 19:37 von TR61.)
Beitrag #4

TR61 Offline
LVF-Grünschnabel
*


Beiträge: 15
Registriert seit: Aug 2013

2019
2014
DE


Deutschland
RE: Tabelle in bestehendem Excel File erweitern
Hallo,

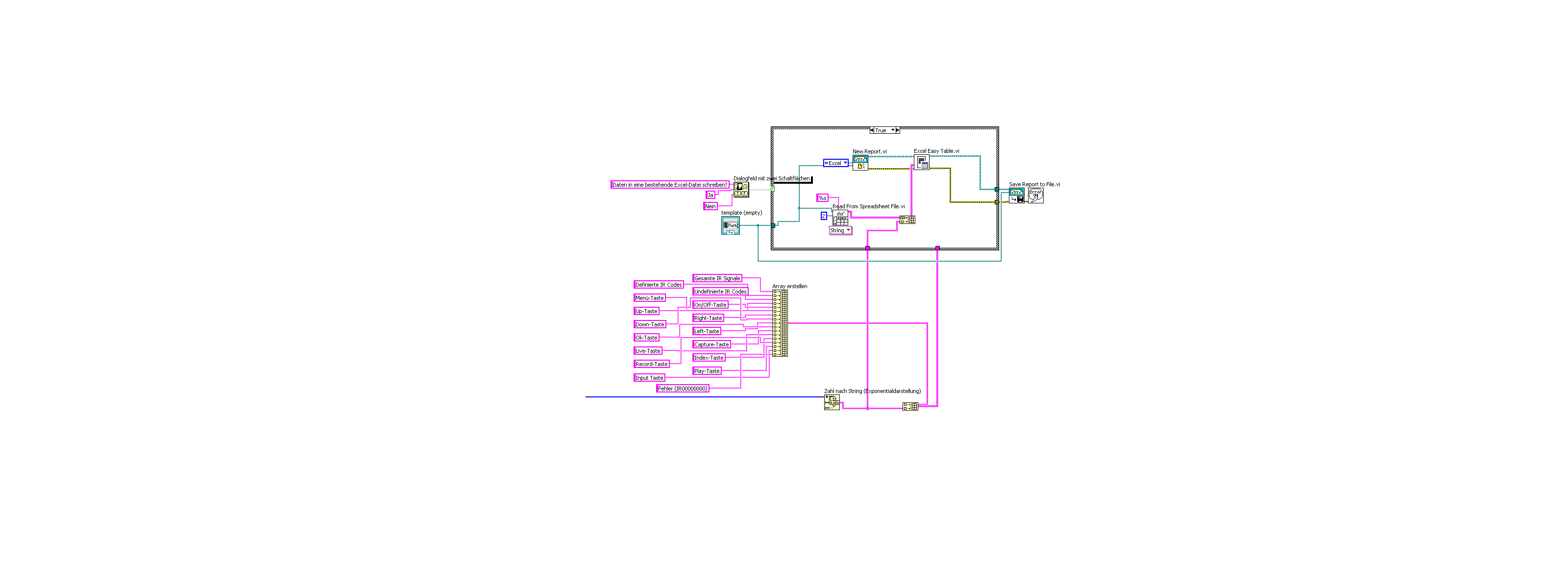
ich habe so ein ähnliches Problem. Mein Programm soll am ende als SubVI für mein Technikerprojekt dienen und die Funktion sollte so sein: Wenn einer der Schalter (in der mainVI sind es LED´s) betätige wird, wird am ende in meiner Tabelle der Fehler mit Datum etc. angezeigt. Soweit so gut, aber mein Problem ist einfach dass die Werte nicht aufgelistet werden. Sprich die Fehlerfälle sollen aufgelistet werden, dass wenn das Programm z.B. 3 Wochen am stück läuft dass ich immer scrollen und schauen kann welche Fehler sind vor 2 Wochen mal aufgetaucht oder vor 2 Monaten. Der teil mit dem "in Excel schreiben" ist im Augenblick noch optional aber wird wahrscheinlich am ende verlangt.

Meine LV Kenntnisse sind recht wenig da ich seit neuem damit arbeite und im Forum habe ich das eine und das andere schon gefunden gehabt aber doch nicht so das was ich bräuchte.

Über Hilfe und evtl. Verbesserungsvorschläge würde ich mich sehr freuen.

MfG TR

LV: 2013 Evaluierungsversion + RGT


Angehängte Datei(en) Thumbnail(s)
   

13.0 .vi  Tabellarische Fehleranzeige mit Zeit und Datum.vi (Größe: 27,48 KB / Downloads: 233)

8.0 .vi  Tabellarische Fehleranzeige mit Zeit und Datum2.vi (Größe: 33,23 KB / Downloads: 229)
Alle Beiträge dieses Benutzers finden
Diese Nachricht in einer Antwort zitieren to top
02.09.2013, 20:23 (Dieser Beitrag wurde zuletzt bearbeitet: 02.09.2013 20:40 von GerdW.)
Beitrag #5

GerdW Offline
______________
LVF-Team

Beiträge: 17.529
Registriert seit: May 2009

LV2019 (LV2021)
1995
DE_EN

10×××
Deutschland
RE: Tabelle in bestehendem Excel File erweitern
Hallo TR,

ich habe mir nur kurz das Bild angeschaut: Race-Conditions noch und nöcher...

THINK DATAFLOW!

- LabVIEW arbeitet nicht mit Variablen!
- LabVIEW speichert Daten in Drähten!
- Was versprichst du dir davon, einem Wert in eine lokale Variable ("hidden") zu schreiben und dann (?) einen Vergleich mit eben diesem Control durchzuführen? RACE-CONDITION!
- Was versprichst du dir davon, in 4 Case-Strukturen jedesmal eine neue Tabelle zu erstellen und in eine lokale Variable der Tabellenanzeige zu schreiben? RACE-CONDITION! (Nebenbei überschreibst du so immer wieder die Tabelle - wo willst du hier die alten Werte speichern?)
- Wozu die Wartezeit in diesem Bild?

Gehe bitte die Einstiegskurse zu LabVIEW durch. Schau dir die mitgelieferten Beispiele an!
Verzichte auf (lokale) Variablen! Verwende Schieberegister!

Alle Beiträge dieses Benutzers finden
Diese Nachricht in einer Antwort zitieren to top
02.09.2013, 21:52
Beitrag #6

Trinitatis Offline
LVF-Guru
*****


Beiträge: 1.694
Registriert seit: May 2008

7.1 / 8.0 /2014-1, 18
2002
DE

18055
Deutschland
RE: Tabelle in bestehendem Excel File erweitern
Hallo TR,

ich habe mal die Race-Conditions entfernt und versucht, etwas Übersichtlichkeit reinzubringen.
Das VI arbeitet nun allerdings tatsächlich als Sub-VI, weshalb es auch ein Eingangs- und Ausgangsarray hat.
Du musst also im Main dafür sorgen, dass die akkumulierte Tabelle wieder dem Eingang zugeführt wird.


Gruß, Marko


Angehängte Datei(en)
11.0 .vi  Tabellarische Fehleranzeige mit Zeit und Datum_11.vi (Größe: 12,59 KB / Downloads: 219)
Alle Beiträge dieses Benutzers finden
Diese Nachricht in einer Antwort zitieren to top
Anzeige
03.09.2013, 16:05
Beitrag #7

TR61 Offline
LVF-Grünschnabel
*


Beiträge: 15
Registriert seit: Aug 2013

2019
2014
DE


Deutschland
RE: Tabelle in bestehendem Excel File erweitern
(02.09.2013 21:52 )Trinitatis schrieb:  Hallo TR,

ich habe mal die Race-Conditions entfernt und versucht, etwas Übersichtlichkeit reinzubringen.
Das VI arbeitet nun allerdings tatsächlich als Sub-VI, weshalb es auch ein Eingangs- und Ausgangsarray hat.
Du musst also im Main dafür sorgen, dass die akkumulierte Tabelle wieder dem Eingang zugeführt wird.


Gruß, Marko

Hallo Marko,

vielen dank für deine mühe so spät am Abend. Dein Programm erfüllt sein zweck voll und ganz, noch bin ich damit beschäftigt dass das Programm nur während einer positiven flanke von meinen Fehlersensoren reagiert und auch nur den einen Jeweiligen angesprochen Sensor auflistet, weil sonst die Tabelle unnötig nur mit Datum und Zeit ohne Fehlerquelle aufgefüllt wird bzw. einer Fehlerquelle zig mal in einer Sekunde aufgelistet wird. Dieses Problem werde ich durch experimentieren (hoffentlich) selber gelöst bekommen "learning by doing" dementsprechend werde ich auch dein Programm genauer unter die Lupe nehmen, muss am ende es ja auch verstehen Happy



@GerdW

Hallo GerdW

mit der variablen "hidden" hatte ich eine positive flanken Auswertung realisiert (hier im Forum gefunden), weil aus irgendeinem Grund bei mir der "Boolescher Wechsel"- Baustein nicht so richtig funktioniert hatte. Der Timer war für ein Test vorher um den Impuls zu verlängern. Das mit den Case habe ich mir schon gedacht, dass das so nichts ist. Zum Thema "Race-Condition" wurde ich jetzt das erste mal damit konfrontiert, habe mir auch einiges durchgelesen zu dem Thema und versuche nachgebaut die es veranschaulichen. Danke, dass du mich darauf aufmerksam gemacht hast, es wird auch als Futter für meine Doku bzw. Vortrag diene.

Danke für die Hilfestellung

MfG TR
Alle Beiträge dieses Benutzers finden
Diese Nachricht in einer Antwort zitieren to top
03.09.2013, 17:09
Beitrag #8

Trinitatis Offline
LVF-Guru
*****


Beiträge: 1.694
Registriert seit: May 2008

7.1 / 8.0 /2014-1, 18
2002
DE

18055
Deutschland
RE: Tabelle in bestehendem Excel File erweitern
(03.09.2013 16:05 )TR61 schrieb:  ...mit der variablen "hidden" hatte ich eine positive flanken Auswertung realisiert ...

Hallo TR,

nur nochmal zum Verständnis:
Das Problem im angehängten Bild ist, dass du nicht vorhersagen kannst, ob zuerst in die lok. Var. boolesch geschrieben wird, oder ob zuerst aus dem Control Boolesch gelesen wird. Deshalb ist das Ergebnis des Vergleichs nicht vorhersehbar und damit unbrauchbar.

Gruß, Marko


Angehängte Datei(en) Thumbnail(s)
   
Alle Beiträge dieses Benutzers finden
Diese Nachricht in einer Antwort zitieren to top
Antwort schreiben 


Möglicherweise verwandte Themen...
Themen Verfasser Antworten Views Letzter Beitrag
  Aus Excel Tabelle Werte vergleichen Mostro2502 2 4.556 01.07.2020 09:38
Letzter Beitrag: Mostro2502
  Registerkarten Erweitern Mechatroniker28 1 3.389 23.04.2018 06:50
Letzter Beitrag: GerdW
  Baumstruktur auf 3. Ebene erweitern andrepf 3 5.022 30.03.2016 16:29
Letzter Beitrag: jg
  Während Laufzeit Funktionen im Programm hinzufügen/erweitern manuwestern 5 6.058 18.08.2014 19:25
Letzter Beitrag: manuwestern
  Messwerte von Hand in Tabelle eintragen und in Excel schreiben refripo 2 5.339 12.05.2014 16:59
Letzter Beitrag: refripo
  Array um genau 1 Element erweitern Powerline 3 5.063 14.06.2013 14:29
Letzter Beitrag: Lucki

Gehe zu: