INFO: Dieses Forum nutzt Cookies...
Cookies sind für den Betrieb des Forums unverzichtbar. Mit der Nutzung des Forums erklärst Du dich damit einverstanden, dass wir Cookies verwenden.

Es wird in jedem Fall ein Cookie gesetzt um diesen Hinweis nicht mehr zu erhalten. Desweiteren setzen wir Google Adsense und Google Analytics ein.


Antwort schreiben 

Tristate-Array-Anzeige



Wenn dein Problem oder deine Frage geklärt worden ist, markiere den Beitrag als "Lösung",
indem du auf den "Lösung" Button rechts unter dem entsprechenden Beitrag klickst. Vielen Dank!

30.04.2010, 07:59
Beitrag #1

Ome Offline
LVF-Gelegenheitsschreiber
**


Beiträge: 109
Registriert seit: Nov 2009

2011
2009
DE

12XXX
Deutschland
Tristate-Array-Anzeige
Hallo,

Ich möchte eine 3 Farbige LED-Matrix zur einfachen Darstellung von Messergebnissen erzeugen.

0. Transparent (nicht gesetzt)
1. Grün (gut)
2. Rot (schlecht)

Bis jetzt habe ich das ganze so gelöst, dass ich 2 Boolesche Arrays über einander lege und gruppiere. 1. Array grün/transparent 2.Array rot/transaparent das Funktioniert auch wunderbar, ABER da ich die Anzahl und Abmessung der Elemente dynamische ändere kommt es in einigen Fällen dazu, dass sich der 0 Punkt des einen Array verschiebt und beide nicht mehr Deckungsgleich sind. Wieso das geschieht ist mir schleierhaft Wink

Daher meine Frage gibt es eine Elegantere Lösung bei der dieses Problem nicht auftauchen kann?

Lv09_img2


Angehängte Datei(en)
Sonstige .vi  LED_Matrix.vi (Größe: 20,62 KB / Downloads: 319)
Alle Beiträge dieses Benutzers finden
Diese Nachricht in einer Antwort zitieren to top
Anzeige
30.04.2010, 08:25 (Dieser Beitrag wurde zuletzt bearbeitet: 30.04.2010 09:04 von GerdW.)
Beitrag #2

GerdW Offline
______________
LVF-Team

Beiträge: 17.540
Registriert seit: May 2009

LV2019 (LV2021)
1995
DE_EN

10×××
Deutschland
Tristate-Array-Anzeige
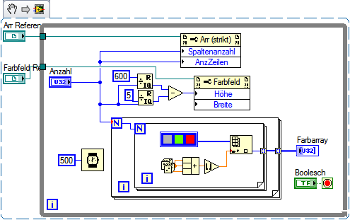
Hallo Ome,

einfach, schnell, sauber: ein Array mit Colorboxes... Sogar beliebig viele Farben möglichSmile

Noch eine Möglichkeit:
IntensityGraph nutzen, falls ein 2D-Array angezeigt werden soll. Siehe Bild im Anhang!


Angehängte Datei(en) Thumbnail(s)
   

Alle Beiträge dieses Benutzers finden
Diese Nachricht in einer Antwort zitieren to top
30.04.2010, 09:26
Beitrag #3

Achim Offline
*****
*****


Beiträge: 4.230
Registriert seit: Nov 2005

20xx
2000
EN

978xx
Deutschland
Tristate-Array-Anzeige
Oder einfach die Farben der LED programmatisch setzen...

"Is there some mightier sage, of whom we have yet to learn?"

"Opportunity is missed by most people because it is dressed in overalls and looks like work." (Thomas Edison)
Alle Beiträge dieses Benutzers finden
Diese Nachricht in einer Antwort zitieren to top
30.04.2010, 09:30
Beitrag #4

jg Offline
CLA & CLED
LVF-Team

Beiträge: 15.864
Registriert seit: Jun 2005

20xx / 8.x
1999
EN

Franken...
Deutschland
Tristate-Array-Anzeige
' schrieb:Oder einfach die Farben der LED programmatisch setzen...
@Achim: Das wird beim Array of Boolean nicht zum gewünschten Ziel führen.
Bin auch für das Array of ColorBoxes.

Gruß, Jens

Wer die erhabene Weisheit der Mathematik tadelt, nährt sich von Verwirrung. (Leonardo da Vinci)

!! BITTE !! stellt mir keine Fragen über PM, dafür ist das Forum da - andere haben vielleicht auch Interesse an der Antwort!

Einführende Links zu LabVIEW, s. GerdWs Signatur.
Alle Beiträge dieses Benutzers finden
Diese Nachricht in einer Antwort zitieren to top
30.04.2010, 09:30
Beitrag #5

BsaiboT Offline
LVF-Stammgast
***


Beiträge: 449
Registriert seit: Nov 2009

2010
2007
kA

22459
Deutschland
Tristate-Array-Anzeige
Dann solltest du aber zu der klassischen ColorBox greifen, da die keinen Rahmen hat und die Elemente somit immer nahtlos aneinander anliegen.

Hier mal schnell gemacht in der Art wie Gerd es wohl meint....

Edit die Zweite:
snip09 sind manchmal echt doof! Da das Snippet die Referenzen nicht so mitnimmt wie es sollte wird es jetzt durch einen gewöhnlichen Screendump ersetzt!
   

Lv09_img2

Sonstige .vi  LED_Matrix_1.vi (Größe: 20,11 KB / Downloads: 366)


Edit:
Die Position sollte eigentlich nicht mehr nötig sein. Es ist ein Relikt von meiner ersten Version einfach deine LED-Arrays immerwieder übereinander zu positionieren. Das hat auch gut funktioniert, aber ich finde die Lösung mit Colorboxes ebenfalls schöner. Wenn du jedoch keine Lust auf ColorBox hast, dann siehst du in meinem Beispiel wie man die Position des Arrays setzen kann. Das zweite Array würde man komplett parallel setzen, damit es sich so fliessend wie möglich angleicht.

Grüße,


Angehängte Datei(en) Thumbnail(s)
   

Tobias Brüggemann
Dipl.-Ing.(FH) Nachrichtentechnik/Elektronik
Alle Beiträge dieses Benutzers finden
Diese Nachricht in einer Antwort zitieren to top
30.04.2010, 09:41
Beitrag #6

SeBa Offline
LVF-Guru
*****


Beiträge: 2.025
Registriert seit: Oct 2008

09SP1 & 10 FDS
2008
DE

65xxx
Deutschland
Tristate-Array-Anzeige
Eine weitere Möglichkeit ist ein Array mit Grafik-Rings.

Schau mal im ExampleFinder nach Queue und da das Maze Solver DingensKirchens VI...


Gruß SeBa

PS:
Ich würde die Colorbox aber auch bevorzugen, da zur Runtime flexibler.

Dieser Beitrag soll weder nützlich, informativ noch lesbar sein.

Er erhebt lediglich den Anspruch dort wo er ungenau ist, wenigstens eindeutig ungenau zu sein.
In Fällen größerer Abweichungen ist es immer der Leser, der sich geirrt hat.

Rette einen Baum!
Diesen Beitrag nur ausdrucken, wenn unbedingt nötig!
Alle Beiträge dieses Benutzers finden
Diese Nachricht in einer Antwort zitieren to top
Anzeige
30.04.2010, 10:03
Beitrag #7

Ome Offline
LVF-Gelegenheitsschreiber
**


Beiträge: 109
Registriert seit: Nov 2009

2011
2009
DE

12XXX
Deutschland
Tristate-Array-Anzeige
Ich verwende jetzt ein Array mit Colorboxes was auch sehr schön einfach geht und mir sogar noch eine paar weitere Möglichkeiten eröffnet... Wobei der IntensityGraph auch interessant aussieht...

Vielen Dank für die schnelle Hilfe...

Gruß Ome
Alle Beiträge dieses Benutzers finden
Diese Nachricht in einer Antwort zitieren to top
30.04.2010, 10:12 (Dieser Beitrag wurde zuletzt bearbeitet: 30.04.2010 10:27 von Lucki.)
Beitrag #8

Lucki Offline
Tech.Exp.2.Klasse
LVF-Team

Beiträge: 7.699
Registriert seit: Mar 2006

LV 2016-18 prof.
1995
DE

01108
Deutschland
Tristate-Array-Anzeige
' schrieb:Bin auch für das Array of ColorBoxes.
Das ist doch eindeutig, und alles andere fällt für mich in die Kategorie "schlechte Beratung". Verstehe nicht, daß GerdW, der das doch als Erster vorgeschlagen hat, im nächsten Satz dann noch eine Alternative nennt.
   
Edit: Die Referenzen im Bild sind nicht von mir, die hat das Snipset gemacht. Ich hatte direkte Eiganschaftsknoten verwendet. So ist es besser:
   
Lv82_img
Sonstige .vi  Dreifarbig.vi (Größe: 12,82 KB / Downloads: 356)
Alle Beiträge dieses Benutzers finden
Diese Nachricht in einer Antwort zitieren to top
30.04.2010, 10:28 (Dieser Beitrag wurde zuletzt bearbeitet: 30.04.2010 10:29 von GerdW.)
Beitrag #9

GerdW Offline
______________
LVF-Team

Beiträge: 17.540
Registriert seit: May 2009

LV2019 (LV2021)
1995
DE_EN

10×××
Deutschland
Tristate-Array-Anzeige
@Lucki,

der Alternativvorschlag bietet sehr ähnliche Möglichkeiten und ist für 2D-Arrays einfach umzusetzen. Und man kann durch einfaches Ändern der Farbtabelle diverse "Datenableitungen" erzeugen - im gezeigten Beispiel erzeuge ich durch Ersetzen des Farbverlaufs (Blau-Weiß-Grün) durch 2 Farben ohne Zwischenabstufungen (Grün/Rot) ebenfalls einen Gut/Schlecht-Plot...

Außerdem sagte doch Ome: "sogar noch eine paar weitere Möglichkeiten eröffnet…"

Alle Beiträge dieses Benutzers finden
Diese Nachricht in einer Antwort zitieren to top
30.04.2010, 10:41
Beitrag #10

Ome Offline
LVF-Gelegenheitsschreiber
**


Beiträge: 109
Registriert seit: Nov 2009

2011
2009
DE

12XXX
Deutschland
Tristate-Array-Anzeige
' schrieb:Das ist doch eindeutig, und alles andere fällt für mich in die Kategorie "schlechte Beratung". Verstehe nicht, daß GerdW, der das doch als Erster vorgeschlagen hat, im nächsten Satz dann noch eine Alternative

Ich bin ganz froh über den alternativ Vorschlage auch wenn er für diese Problemstellung erstmal nicht in Frage kommt. Nur gibt mir dieser einen neuen Lösungsansatz für eine anderes Problem. Ich musste in der Vergangenheit die Messwerteverteilung auf einem Wafer darstellen, das hab ich mit einem XYZ Graphen gemacht. So wie es in der Abbildung gemacht wurde gefällt es mir aber um Längen besser, aber wie gesagt das ist ein ganz anderes Problem/Thema.

@ GerdW

wird die Map direkt vom Prober erzeugt oder oder ist das eine Auswertung einer Messwertdatei?

Gruß Ome
Alle Beiträge dieses Benutzers finden
Diese Nachricht in einer Antwort zitieren to top
Antwort schreiben 


Möglicherweise verwandte Themen...
Themen Verfasser Antworten Views Letzter Beitrag
  Aussehen 1d string array Anzeige modifizieren ITScotty 7 8.528 27.11.2016 18:17
Letzter Beitrag: GerdW
  Array Anzeige vertikal/horizontal Thom.A.s 2 5.766 26.09.2016 08:44
Letzter Beitrag: Thom.A.s
  Array of Strings - Anzeige drehen Soean 11 12.860 01.08.2012 11:55
Letzter Beitrag: Y-P
  Array Anzeige LV19 3 5.259 08.06.2011 16:24
Letzter Beitrag: LV19
  Rückmeldung über ausgewählte Zeile einer Array-Anzeige BrainDrain 4 8.372 15.05.2010 09:44
Letzter Beitrag: GerdW
  Boolsche-Array-Anzeige Ome 2 5.658 27.04.2010 08:45
Letzter Beitrag: Ome

Gehe zu: