INFO: Dieses Forum nutzt Cookies...
Cookies sind für den Betrieb des Forums unverzichtbar. Mit der Nutzung des Forums erklärst Du dich damit einverstanden, dass wir Cookies verwenden.

Es wird in jedem Fall ein Cookie gesetzt um diesen Hinweis nicht mehr zu erhalten. Desweiteren setzen wir Google Adsense und Google Analytics ein.


Antwort schreiben 

UDP Server - Client



Wenn dein Problem oder deine Frage geklärt worden ist, markiere den Beitrag als "Lösung",
indem du auf den "Lösung" Button rechts unter dem entsprechenden Beitrag klickst. Vielen Dank!

26.03.2006, 02:52
Beitrag #1

Surfman Offline
LVF-Grünschnabel
*


Beiträge: 25
Registriert seit: Feb 2006



kA



UDP Server - Client
hi,
ich hab ein beispiel von LabVIEW8 etwas umgebaut...aber warum bekomm ich selber 3 mal das gesendete bei Broadcast?????? bei remote host only bekomme ich es so wies sein soll 1 mal....

problem liegt irgendwie beim receiven...hm

cu


Angehängte Datei(en)
Sonstige .vi  UDP_Send_Receiver.vi (Größe: 35,13 KB / Downloads: 526)
Alle Beiträge dieses Benutzers finden
Diese Nachricht in einer Antwort zitieren to top
Anzeige
16.08.2007, 18:20
Beitrag #2

eg Offline
LVF-SeniorMod


Beiträge: 3.868
Registriert seit: Nov 2005

2016
2003
kA

66111
Deutschland
UDP Server - Client
Mich interessiert es auch. Hat jemand eine Erklärung dazu?

eg

Webseite des Benutzers besuchen Alle Beiträge dieses Benutzers finden
Diese Nachricht in einer Antwort zitieren to top
16.08.2007, 23:14
Beitrag #3

IchSelbst Offline
LVF-Guru
*****


Beiträge: 3.708
Registriert seit: Feb 2005

11, 14, 15, 17, 18
-
DE

97437
Deutschland
UDP Server - Client
' schrieb:Mich interessiert es auch. Hat jemand eine Erklärung dazu?
Also bei mir, 8.2.1, geht beides gleich - also einmal empfangen.

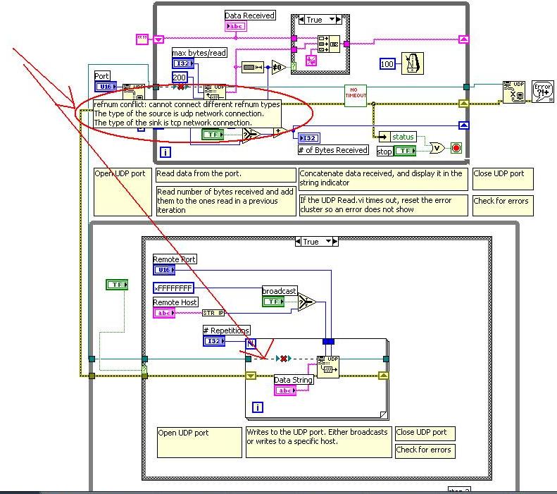
Allerdings erst nachdem ich die Fehler (im downgeloadeten Code) beseitigt habe. Das UDP-Schreiben, UPD-Lesen und UDP-Schließen haben am Ref-Eingang kein UDP erwartet, sondern ein TCP - obwohl im Icon UDP steht.

Jeder, der zur wahren Erkenntnis hindurchdringen will, muss den Berg Schwierigkeit alleine erklimmen (Helen Keller).
Alle Beiträge dieses Benutzers finden
Diese Nachricht in einer Antwort zitieren to top
17.08.2007, 06:41
Beitrag #4

VDB Offline
LVF-Stammgast
***


Beiträge: 426
Registriert seit: Oct 2005

2010-2011
1997
kA

52134
Deutschland
UDP Server - Client
' schrieb:Also bei mir, 8.2.1, geht beides gleich - also einmal empfangen.

Allerdings erst nachdem ich die Fehler (im downgeloadeten Code) beseitigt habe. Das UDP-Schreiben, UPD-Lesen und UDP-Schließen haben am Ref-Eingang kein UDP erwartet, sondern ein TCP - obwohl im Icon UDP steht.

Du hast Recht, ich musste auch alle UDP Open, Read und Write VIs ändern, seltsam...

VDB
Alle Beiträge dieses Benutzers finden
Diese Nachricht in einer Antwort zitieren to top
17.08.2007, 08:55 (Dieser Beitrag wurde zuletzt bearbeitet: 17.08.2007 08:57 von Y-P.)
Beitrag #5

Y-P Offline
☻ᴥᴥᴥ☻ᴥᴥᴥ☻
LVF-Team

Beiträge: 12.612
Registriert seit: Feb 2006

Developer Suite Core -> LabVIEW 2015 Prof.
2006
EN

71083
Deutschland
UDP Server - Client
Ich kriege nach dem Öffnen eine Fehlermeldung... (vgl. Screenshot).

Gruß Markus


Angehängte Datei(en) Thumbnail(s)
   

--------------------------------------------------------------------------
Bitte stellt mir keine Fragen über PM, dafür ist das Forum da - andere haben vielleicht auch Interesse an der Antwort !!
--------------------------------------------------------------------------
Alle Beiträge dieses Benutzers finden
Diese Nachricht in einer Antwort zitieren to top
17.08.2007, 09:10 (Dieser Beitrag wurde zuletzt bearbeitet: 17.08.2007 09:12 von eg.)
Beitrag #6

eg Offline
LVF-SeniorMod


Beiträge: 3.868
Registriert seit: Nov 2005

2016
2003
kA

66111
Deutschland
UDP Server - Client
Also bei mir geht es eigentlich um das angehängte VI. Mit diesem VI will ich die Systemnummern+IP Adressen aller im Netz befindlichen (unserer) Systeme ermitteln. Auf den Systemen läuft ein UDP-Server, der auf einen bestimmten String am bestimmten Port wartet. Sobald dieser String kommt antwortet das System mit seiner Systemnummer. Komischerweise bekomme ich als antwort noch drei Antworten zurück und zwar von meinem PC selbst. Ich bekomme also ausser den "richtigen Antworten" auch drei Mal ein ECHO zurück.
Warum die VIs bei euerer LV-Version anders verhalten (TCP Ref verlangen) keine Ahnung. Das wäre jetzt nicht von Bedeutung, aber auch komisch.Big Grin

Gruß, eg

P.S. wie ihr sehen könnt, habe ich mir einen Workarround wegen dem Echo gebastelt. Das funktioniert so, aber die Frage bleibt trotzdem.


Angehängte Datei(en) Thumbnail(s)
   

Sonstige .vi  FMS_Command_GetIP.vi (Größe: 21,71 KB / Downloads: 382)

Webseite des Benutzers besuchen Alle Beiträge dieses Benutzers finden
Diese Nachricht in einer Antwort zitieren to top
Anzeige
17.08.2007, 10:07
Beitrag #7

IchSelbst Offline
LVF-Guru
*****


Beiträge: 3.708
Registriert seit: Feb 2005

11, 14, 15, 17, 18
-
DE

97437
Deutschland
UDP Server - Client
' schrieb:Warum die VIs bei euerer LV-Version anders verhalten (TCP Ref verlangen) keine Ahnung. Das wäre jetzt nicht von Bedeutung, aber auch komisch.
Das kann aber in so fern von Bedeutung sein, wenn es sich hier um einen Bug von LV8.0 handelt.

Das Verlangen ist ja nur deswegen ein Verlangen, weil irgendwer wohl mal hier den Eingang auf TCP geprägt hat (oder weil die entsprechenden UDP-VIs falscherweise einen TCP-Eingang haben - was enorm fatal wäre). LV8.0 scheint hier halt einen UDP-Wire auf einen TCP-Eingang zu akzeptieren - LV8.2 nicht.

Wenn du die entsprechenden UDP-VIs neu setzt, geht es dann?

Jeder, der zur wahren Erkenntnis hindurchdringen will, muss den Berg Schwierigkeit alleine erklimmen (Helen Keller).
Alle Beiträge dieses Benutzers finden
Diese Nachricht in einer Antwort zitieren to top
17.08.2007, 10:15
Beitrag #8

eg Offline
LVF-SeniorMod


Beiträge: 3.868
Registriert seit: Nov 2005

2016
2003
kA

66111
Deutschland
UDP Server - Client
' schrieb:Das kann aber in so fern von Bedeutung sein, wenn es sich hier um einen Bug von LV8.0 handelt.

Das Verlangen ist ja nur deswegen ein Verlangen, weil irgendwer wohl mal hier den Eingang auf TCP geprägt hat (oder weil die entsprechenden UDP-VIs falscherweise einen TCP-Eingang haben - was enorm fatal wäre). LV8.0 scheint hier halt einen UDP-Wire auf einen TCP-Eingang zu akzeptieren - LV8.2 nicht.

Wenn du die entsprechenden UDP-VIs neu setzt, geht es dann?


Sorry, ich habe nur LV8.0 und kann es nicht prüfen.

eg

Webseite des Benutzers besuchen Alle Beiträge dieses Benutzers finden
Diese Nachricht in einer Antwort zitieren to top
17.08.2007, 12:36 (Dieser Beitrag wurde zuletzt bearbeitet: 17.08.2007 12:36 von Y-P.)
Beitrag #9

Y-P Offline
☻ᴥᴥᴥ☻ᴥᴥᴥ☻
LVF-Team

Beiträge: 12.612
Registriert seit: Feb 2006

Developer Suite Core -> LabVIEW 2015 Prof.
2006
EN

71083
Deutschland
UDP Server - Client
Habe es getestet und bei mir (LV 8.2.1) funktioniert es auch ganz normal (wie bei IchSelbst).
Hab' das Bsp. jetzt für LV 8 gespeichert.... Testet das doch mal, ob Ihr hier das Ergebnis 3 fach bekommt, oder ob es jetzt bei Euch auch klappt.

@IchSelbst: Es lag tatsächlich daran..... Hab die UDP-Funktionen einfach nochmal neu reingepackt und es hat funktioniert.....

Gruß Markus

--------------------------------------------------------------------------
Bitte stellt mir keine Fragen über PM, dafür ist das Forum da - andere haben vielleicht auch Interesse an der Antwort !!
--------------------------------------------------------------------------
Alle Beiträge dieses Benutzers finden
Diese Nachricht in einer Antwort zitieren to top
30
Antwort schreiben 


Möglicherweise verwandte Themen...
Themen Verfasser Antworten Views Letzter Beitrag
  OPC UA Labview (client) PLC SPS (Server) Babithan 1 6.899 27.10.2020 16:12
Letzter Beitrag: jg
  OPC UA Client Icebaer 6 13.398 17.03.2015 09:01
Letzter Beitrag: Icebaer
  Probleme mit TCP Kommunikation zwischen Server & Client ChiefChill 3 7.860 10.03.2014 09:02
Letzter Beitrag: cb
  Server/Client TCP/IP RFID Reader che-salih 2 6.847 29.10.2013 13:24
Letzter Beitrag: jg
  Client Server Applikation - wie fange ich an? nemesismf 4 6.032 14.10.2013 13:46
Letzter Beitrag: nemesismf
  OPCUA client security policy auf "none" aschub 0 4.566 05.08.2013 14:22
Letzter Beitrag: aschub

Gehe zu: